Springe auf Hauptinhalt Springe auf Hauptmenü Springe auf SiteSearch
Kreislaufverbund-Systeme Teil 1

Mehrfachfunktionale Hochleistungs-WRG-Systeme

KV-Systeme sind seit Jahren etabliert und wurden bisher sehr häufig als Wärmerückgewinnungssysteme mit niedrigen Übertragungsgraden verwendet. Bei der Beachtung der konstruktiven Kriterien können aber auch zusätzliche Funktionen wie Nacherwärmung, Kühlung und weitere Funktionen der Energierückgewinnung im System realisiert werden. Dabei kann die zurückgewonnene Wärme nicht nur dem Ursprungsprozess, sondern auch einem anderen Prozess zugeführt werden.

Die mehrfachfunktionale Wärmerückgewinnung wird auch ein wesentlicher Punkt der neuen VDI 3803 Blatt 5 (Wärmerückgewinnungsysteme in Raumlufttechnischen Anlagen) sein, die sich intensiv mit dieser Technik auseinandersetzt und sie nun auch normativ zum Stand der Technik definiert.

Zusatzenergien mehrfachfunktionale Nutzung des WRG-Systems

Der Medienstrom (Sole) eines Hochleistungs-Kreislaufverbund-Systems, dessen eigentliche Funktion die Wärmerückgewinnung ist, kann daneben auch genutzt werden, um Energie in das System ein- bzw. auszukoppeln. Aus Bild 1 ist ersichtlich, wie dies direkt oder aber indirekt im Vorlauf des Zwischenkreises geschehen kann. Dadurch, dass in einem solchen Fall kein zusätzlicher Erhitzer oder Kühler im Luftstrom notwendig wird, erhöht sich die Wirtschaftlichkeit eines Hochleistungs-KV-Systems beträchtlich, da zum einen die Investitionskosten verringert und zum anderen die Betriebskosten, verursacht durch die Druckverluste, reduziert werden können [1].

Übertragungsgrade bei gekoppelten Wärmeübertragern

Kreislaufverbund-Systeme sind unter den WRG-Systemen ein Sonderfall, da sie nicht aus einem Wärmeübertrager, sondern aus zwei durch einen Umlaufstrom gekoppelten Wärmeübertragern bestehen. In diesen Umlaufstrom können Energien sowohl in den Vorlauf als auch in den Rücklauf des Systems ein- oder ausgekoppelt werden. Dadurch wird die mehrfachfunktionale Nutzung des Systems überhaupt erst ermöglicht.

Um diese erweiterten Funktionen ge­-währleisten zu können, sind hohe Systemübertragungsgrade (Gesamtübertragungsgrade) von etwa 80 % erforderlich. Hierfür errechnen sich Wärmeübertragungsgrade pro Wärmeübertrager (Zuluft und Abluft) von 0,9. Dies bedeutet, dass pro Wärmeübertrager 90 % der eingespeisten Wärme auch tatsächlich an die Luft abgegeben werden.

Der Gesamttemperaturübertragungsgrad Φ 2ges gibt das Verhältnis der möglichen Temperaturänderung einer WRG-Einrichtung zur maximal möglichen Temperaturänderung, also dem Temperaturpotenzial zwischen Außen- und Raumluft, an. Er stellt somit einen Wirkungsgrad dar und ergibt sich aus den Wärmebilanzen:

Φ = Nutzen der WRG/Potenzial der WRG

Φ= Q WRG / Q P

mit

Q WRG = Leistung der WRG [kW]

Q P = max. mögliche Leistung aufgrund des Temperaturpotenzials [kW]

wobei

Q WRG = m 2 c pL 2 ´´ ϑ 2 ´)

oder

Q WRG = m 2 (h 2 ´´ h 2 ´)

mit

m = Massenstrom der Luft [kg/s]

c pL = spez. Wärmekapazität [kJ/kg K]

ϑ = Temperatur der Luft [°C]

h = Enthalpie der Luft [kJ/kg]

Die maximal mögliche Leistung wird durch das Temperaturpotenzial, also die Temperaturdifferenz zwischen Abluft (ϑ 1 ´) und Außenluft (ϑ 2 ´), gebildet (siehe Bild 2).

Damit ergibt sich aus:

Φ t = Q WRG / Q P = m 2 c pL 2 ´´ ϑ 2 ´) / [ m 2 c pL (ϑ1´ ϑ 2 ´) ]

der Temperaturänderungsgrad

Φ t = (ϑ 2 ´´ ϑ 2 ´) / (ϑ 1 ´ ϑ 2 ´)

Die Änderungsgrade werden gemäß DIN EN 308 [2] nur auf der Zuluftseite definiert, um Verwechslungen zu vermeiden. Physikalisch ist aber auch die Definition der Änderungsgrade, bezogen auf die Fortluft, möglich und bei der Betrachtung von mehrfachfunktionalen Verwendungen eines WRG-Systems auch sinnvoll.

Der Gesamtübertragungsgrad kann für das gekoppelte Wärmerückgewinnungssystem (siehe Bild 3) auch aus den Übertragungsgraden jedes einzelnen Wärmeübertragers wie folgt hergeleitet werden:

Der Apparat 1 (Fortluftwärmeübertrager) mit den charakteristischen Größen:

NTU 11 = (k A) 1 / W 1

μμ1 = W 1 / W s

Φ 1 = (ϑ 1 ´ ϑ 1 ´´) / (ϑ 1 ´ ϑ s1 ´)

mit

NTU = number of transfer units

k = Wärmedurchgangskoeffizient [W/m 2 K]

A = wärmeübertragende Fläche [m 2 ]

W = Wärmekapazitätstrom mit: W = m c p [W / K] ( m = Massenstrom des Fluids [kg/s])

und der Apparat 2 (Außenluftwärmeübertrager) mit

NTU 22 = (k A) 2 / W 2

& mu;μ2 = W 2 / W s

Φ 2 = (ϑ 2 ´ ϑ 2 ´´) / (ϑ s2 ´ ϑ 2 ´)

Für das Gesamtsystem gilt dann:

Φ 2ges = (ϑ 2 ´´ ϑ 2 ´) / (ϑ 1 ´ ϑ 2 ´)

μ 2ges = W 2 / W 1 = 1 / μ 1ges

Hierdurch ergibt sich für die dimensionslose Temperaturänderung des Gesamtsystems [3]:

1 / Φ 2ges = 1 / Φ 22 + 1 / Φ 11 μ 2ges μ 22

Der optimale umlaufende Wärmekapazitätsstrom ermittelt sich dabei aus [4]:

1 / W sopt = (k A) 1 / [(k A) 1 + (k A) 2 ] / W 1 + (k A) 2 / [(k A) 1 + (k A) 2 ] / W 2

Wenn dieser optimale Umlaufstrom erfüllt ist, ergibt sich das effektive k A aus:

1 / (k A) eff = 1 / (k A) 1 + 1 / (k A) 2

Unter trockenen Bedingungen und gleichen Luftmengen gilt:

μ 2ges = W 1 / W 2 = 1 mit μ 11 = μ22 = 1

Daraus folgt vereinfacht für den Gesamtübertragungsgrad des gekoppelten Systems:

1 / Φ 2ges = 1 / Φ 22 + 1 / Φ 11 1

Einfluss der Ein- und Auskopplung von Energieströmen

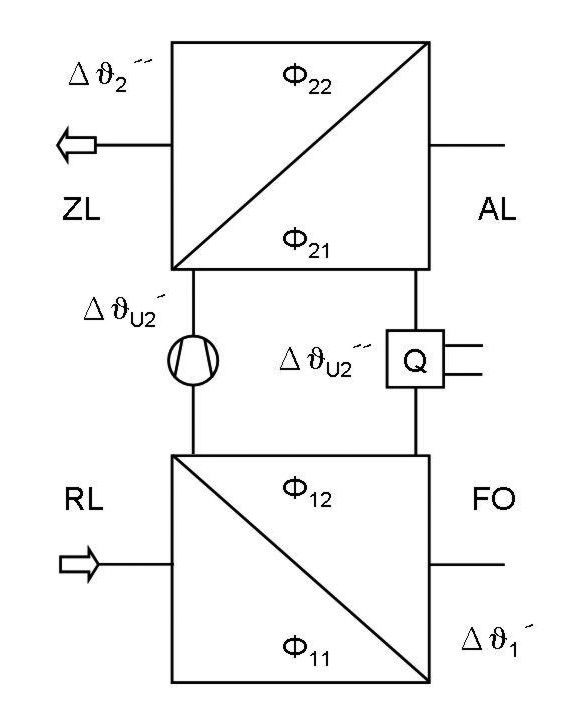
Wenn in den Zwischenkreis der WRG nun weitere Energieströme ein- oder ausgekoppelt werden wie Nacherwärmung, Nachkühlung, freie Kälte, Brauchwasservorerwärmung, Kältemaschinenabwärme etc., muss der Einfluss auf das System berücksichtigt werden. Hierbei ist zu unterscheiden, ob dies im Vorlauf (Bild 4) oder im Rücklauf (Bild 5) des Systems geschieht [5]. Gleichzeitig wird der Übertragungsgrad der WRG verändert. Dieser Einfluss muss bei einer se­riösen Betrachtung der Gesamteffizienz der WRG berechnet werden.

Ausgehend von der zusätzlich geforderten Lufttemperaturänderung (z. B. Nach­erwärmung), bemisst sich die Temperatur­änderung im Umlaufstrom damit nach:

Δϑ U2 ´ = Δϑ2´´ / Φ 22

wobei

Δϑ 2 ´´ = gewünschte Lufterwärmung [K]

Δϑ U2 ´ = benötigte Temperaturänderung am Eintritt (Umlaufstrom) [K]

Φ 22 = luftseitiger Übertragungsgrad des Zuluftwärmeübertragers [./.]

Mit dem Übertragungsgrad des Zuluftwärmeübertragers wird diese zusätzliche Leistung an die Luft übertragen. Da der Übertragungsgrad immer kleiner als 1 ist, verbleibt auf der Austrittsseite dieses Registers die nicht übertragene Leistung in Form einer Temperaturänderung des Umlaufstroms:

Δϑ U2 ´´ = Δϑ 2 ´´ (1 / Φ 21 1)

mit

Δϑ U2 ´´ = Temperaturänderung am Austritt (Umlaufstrom) [K]

Φ 21 = medienseitiger Übertragungsgrad des Zuluftwärmeübertragers [./.]

Diese Temperaturänderung im Umlaufstrom hat wiederum einen Einfluss auf die Fortlufttemperatur mit:

Δϑ1´ = Δϑ U2 ´´ Φ 11

wobei

Δϑ1´ = Temperaturänderung der Fortluft [K]

Φ 11 = luftseitiger Übertragungsgrad des Abluftwärmeübertragers [./.]

Zusammengesetzt ergibt sich damit die Änderungsgleichung:

Δϑ1´ = Δϑ 2 ´´ (1 / Φ 21 1) Φ 11

Diese korrigierte Fortlufttemperatur kann nun zur Berechnung des Temperaturübertragungsgrades ΔΦ 2ges mit Beeinflussung der Ein- oder Auskopplung verwendet werden.

ΔΦ 2ges = ΔΦ 2ges0 ΔΦ Korr

also

ΔΦ 2ges = ΔΦ 2ges0 Δϑ 1 ´ / (ϑ 1 ´ ϑ 2 ´) / μ 2ges

Nach Jüttemann kann dieser Einfluss auch berechnet werden nach [6]:

Δϑ U2 ´´ = Δϑ U2 ´ (1 Φ 22 ) / Φ 22 / (2 Φ 22 )

Diese Gleichung gilt jedoch nur unter der vereinfachten Voraussetzung mit:

μ 2ge s = W 1 / W 2 = 1

und damit

μ 11 = μ 22 = 1 und Φ 22 = Φ 11 = Φ 21 .

Hieraus kann also geschlossen werden: Je höher der ursprüngliche Übertragungsgrad ΔΦ 2ges0 der WRG ist und damit die Übertragungsgrade der beiden Wärmeübertrager sind und je kleiner die Temperaturdifferenz der ein- oder auszukoppelnden Energien ist, desto geringer ist der Einfluss der Ein- oder Auskopplung auf den WRG-Übertragungsgrad.

Allerdings beeinflussen sich die beiden Faktoren positiv. Denn je größer der ursprüngliche Übertragungsgrad ΔΦ 2ges0 der WRG ist, desto geringer sind meist die zusätzlichen Leistungen, die ein- oder ausgekoppelt werden müssen, und desto geringer ist auch deshalb die Beeinflussung der Ein- oder Auskopplung auf den Übertragungsgrad.

Dies ist damit die unabdingbare Voraussetzung zur mehrfachfunktionalen Nutzung der einzelnen Wärmeübertrager, die dann neben der Funktion der Wärmerückgewinnung auch zusätzlich Nachwärme oder im Sommer Nachkühlung im System übertragen können, ohne den Rücklauf und damit den zweiten Wärmeübertrager auf der Abluftseite deutlich zu beeinflussen.

Aus diesem Grund empfiehlt die VDI-Richtlinie 2071 [7] Systemübertragungsgrade von mindestens 70 % zu verwenden. Auch in der neuen VDI 3803 Blatt 5 werden mindestens 70 % gefordert und auf die o. g. Einflüsse hingewiesen.

Analog kann diese Berechnung auch auf die Beeinflussung der Rücklaufseite (z. B. Auskopplung von freier Kälte) des Systems erfolgen (siehe Bild 5).

Diese errechnet sich aus:

Δϑ U2 ´ = Δϑ 1 ´ (1 / Φ 12 1)

mit

Δϑ U2 ´ = Temperaturänderung am Eintritt (Umlaufstrom) [K]

Φ 12 = medienseitiger Übertragungsgrad des Abluftwärmeübertragers [./.]

und dem Einfluss auf die Zulufttemperatur mit

Δϑ 2 ´´ = Δϑ U2 ´ Φ 22

wobei

Δϑ 2 ´´ = Temperaturänderung der Zuluft [K]

Φ 22 = luftseitiger Übertragungsgrad des Zuluftwärmeübertragers [./.]

Zusammengesetzt ergibt sich damit die Änderungsgleichung:

Δϑ 2 ´´ = Δϑ 1 ´ (1 / Φ 12 1) Φ 22

Diese korrigierte Zulufttemperatur kann nun ebenfalls zur Berechnung des Temperaturübertragungsgrades ΔΦ 2ges mit Beeinflussung der Einspeisung verwendet werden.

ΔΦ 2ges = ΔΦ 2ges0 ΔΦ Korr

also

ΔΦ 2ges = ΔΦ 2ges0 Δϑ 2 ´´ / (ϑ 1 ´ ϑ 2 ´)

Um exakte Zustandsänderungen auf der Umlaufmedienseite sowie auf den Luftseiten zu erhalten, muss diese Berechnung iterativ und mehrfach erfolgen, da die jeweiligen Auswirkungen sich auch gegenseitig beeinflussen. Hierzu sind Berechnungsprogramme sinnvoll und notwendig. Denn durch das Ein- und Auskoppeln von Wärme kann der Gesamtübertragungsgrad des Systems sowohl negativ als auch positiv beeinflusst werden.

Ausblick

Der zweite Teil dieses Beitrags befasst sich in der nächsten Ausgabe der KK mit den erweiterten Funktionen von Kreislaufverbund-Systemen, der Bewertung der Hilfsenergien, den konstruktiven Kriterien der Wärmeübertrager und mit mehrstufigen adiabatischen Verdunstungssystemen. -

Literatur

[1] Kaup, Die Physik der Kreislaufverbundsysteme, VDI-Jahrbuch 1999, S. 216 ff.

[2] DIN EN 308, Juni 1997. Wärmeaustauscher Prüfverfahren zur Bestimmung der Leistungskriterien von Luft/Luft- und Luft/Abgas-Wärmerückgewinnungsanlagen; Deutsche Fassung EN 308:1997

[3] VDI-Wärmeatlas, 7. Auflage 1994: CA 13

[4] VDI-Wärmeatlas, 7. Auflage 1994: CA 14

[5] Kaup, Mehrfachfunktionale Hochleistungs-Wärmerück­gewinnungssysteme, HLH 02/2009

[6] Jüttemann, Wärme- und Kälterückgewinnung in raumlufttechnischen Anlagen, Werner Verlag: 2001

[7] VDI 2071. Wärmerückgewinnung in Raumlufttechnischen Anlagen. Ausgabe: 1997

Dr.-Ing. Christoph Kaup

geschäftsführender Gesellschafter derowatherm Klimatechnik GmbH, Brücken

Christoph Kaup, Brücken

Jetzt weiterlesen und profitieren.

+ KK E-Paper-Ausgabe – jeden Monat neu
+ Kostenfreien Zugang zu unserem Online-Archiv
+ Fokus KK: Sonderhefte (PDF)
+ Webinare und Veranstaltungen mit Rabatten
uvm.

Premium Mitgliedschaft

2 Monate kostenlos testen