Springe auf Hauptinhalt Springe auf Hauptmenü Springe auf SiteSearch
HEIZEN, KÜHLEN, RÜCKGEWINNEN IM SYSTEM – TEIL 1

Neue Lösungen sind gefragt

Die kontinuierliche Verschärfung der energetischen Anforderungen an Gebäude hat im Wesentlichen Auswirkungen auf die Gebäudehülle und die Anlagentechnik. Üblicherweise wird die Wärmebereitstellung für Heizung und/oder Trinkwarmwasserbereitung mit Heizkesseln oder Wärmepumpen, die Klimatisierung mit Klimageräten umgesetzt. Diese Art der Klimatisierung ist im gewerblichen Bereich vollständig etabliert. Im Wohnungsbau hingegen wird die Klimatisierung und Lüftung durch die verbesserte Gebäudehülle künftig eine immer wichtigere Rolle spielen, um den steigenden Komfortansprüchen auch im Sommer gerecht zu werden. Denn gerade im Sommer können sehr gut isolierte Gebäude nur noch langsam abkühlen. Dies führt zwangsläufig zu einem höheren jährlichen Kühlbedarf, der von keinem konventionellen Heizkessel abgedeckt werden kann. Damit bleibt entweder eine Kombination aus konventionellem Heizkessel und Klimaanlage oder eine Wärmepumpe.

Erst das gesamte System aus Wärme-/Kälteerzeugung, -speicherung, -verteilung und -übertragung kann die möglichen Einsparungspotenziale erschließen. Diese Abstimmung verschiedenster Technologien und Komponenten ist jedoch anspruchsvoll in der Planung bzw. Ausführung. Dies beeinflusst die Umsetzung des Einsparungspotenzials enorm und führt zu einem Zielkonflikt zwischen Energieeffizienz / Komfort und Einfachheit / Wirtschaftlichkeit.

Im Gegensatz zu Heizkesseln arbeitet die Wärmepumpe nach einem thermodynamischen Kreisprozess, der die reversible Umwandlung von Kraft in Wärme nutzt. Dieser theoretisch ideale Kreisprozess wurde erstmals Anfang des 19. Jahrhunderts von Nicolas Leonard Carnot beschrieben und nach ihm als „Carnot-Prozess“ benannt. Dieser stellt die physikalische Grenze für die höchstmögliche erreichbare Effizienz dar. Wärmepumpen und Klimageräte sind Kältemaschinen, die nach dem Prinzip der Kompressionskälte arbeiten.

Wärmepumpen und Klimageräte sind in Bild 1 dem Kaltdampfprozess zuzuordnen. Um die Arbeitsweise von Wärmepumpen bzw. Klimageräten besser einordnen zu können, ist eine nähere Betrachtung des Kälteprozesses und seiner wichtigsten Bauteile notwendig. Hierfür eignet sich das Druck-Enthalpie-Diagramm (log p, h) aufgrund der direkten Zuord-nung von Temperaturen, Drücken und Enthalpien.

Bild 2 zeigt einen einfachen linksläufigen Kaltdampfkreisprozess – mit dem kältetechnischen Schema. Anhand der Nummerierung 1 bis 4 lässt sich jedem Zustand im log p, h-Diagramm das entsprechende Bauteil und dessen Funktion zuordnen. Dieser Ablauf ist für Wärmepumpen und Klimageräte gleich:

(1 bis 2) Isentrope Verdichtung: Der Verdichter komprimiert den Kältemitteldampf von p0 t0 auf die Verdichtungsendtemperatur t2 unter Zufuhr von elektrischer Energie. Zusätzlich ist in Bild 2 eine Überhitzung h1ü eingetragen.

(2 bis 3) Isobare Wärmeabgabe: Der überhitzte Kältemitteldampf wird über die Kondensationstemperatur tc hinweg durch einen Wärmeübertrager abgekühlt. Die Wärme wird an das Kühlmedium (Luft oder Wasser) abgegeben. Der Aggregatzustand des Kältemittels ändert sich dabei von dampfförmig zu flüssig bei gleichbleibendem Druck (isobar). Je weiter man den Kältemitteldampf abkühlt, desto größer wird die abgegebene Wärmemenge. Man spricht hierbei von „Unterkühlung“ und verschiebt den Punkt (3) dabei im log p, h-Diagramm nach links.

(3 bis 4) Isenthalpe Entspannung: Das verflüssigte Kältemittel wird durch ein Entspannungsorgan (z. B. Expansionsventil) von seinem Kondensationsdruck pc auf seinen Ausgangsdruck p0 zurückgebracht. Hierbei verdampft bereits ein Teil des „eingespritzten“ Kältemittels aufgrund der Druckänderung.

(4 bis 1) Isobare / Isotherme Verdampfung: Das flüssig / dampfförmige Kältemittel wird nun durch Wärmeaufnahme vollständig verdampft, sodass kein Flüssigkeitsanteil mehr vorhanden ist. Der Ausgangspunkt (1) des Kreisprozesses ist erreicht und kann von Neuem beginnen. Es besteht noch die Möglichkeit, dem Kältemittel weiter Wärme zuzuführen und damit den Punkt (1) nach rechts zu verschieben. Man spricht dann von „überhitztem“ Dampf, der sich positiv auf die Effizienz des Prozesses auswirken kann.

Für die Ermittlung der Leistungen innerhalb des Prozesses kann man aus dem log p, h-Diagramm die entsprechenden Enthalpien als waagerechte Streckenabschnitte abgreifen. Daraus ergibt sich:

q 0   = h   h 4  spezifische Kälteleistung [kJ/kg]

w t,s = h 2   h  spezifische Antriebs-/Verdichterleistung [kJ/kg]

q c = h  h 3  spezifische Verflüssigerleistung [kJ/kg]

Multipliziert man die spezifischen Leistungen mit dem zirkulierenden Massenstrom [kg/s] ergeben sich die Leistungen wie folgt:

Q 0 = m   × (h -h 4 ) Kälteleistung [kW]

P= m   × (h 2 h ) Antriebsleistung [kW]

Q c = m   × (h 2 h- 3 ) Verflüssigerleistung [kW]

Die vorangegangene theoretische Betrachtung berücksichtigt keine Druck-/ Temperatur- und Übertragungsverluste innerhalb des Kältekreislaufes, z. B. durch Kompressor, Rohrleitungen und Armaturen. Eine realistische Annäherung erfolgt, wenn die gemessenen Temperaturen (t 0 , t c , t 2 ) im log p, h-Diagramm des verwendeten Kältemittels zur Ermittlung der entsprechenden Enthalpie verwendet werden.

Effizienz und Leistungszahl

Das Verhältnis von Nutzen zu Aufwand wird als Wirkungsgrad bezeichnet und ist maßgeblich für die wirtschaftliche Beurteilung jeder Maschine. Für Wärmepumpen und Kältemaschinen wird der Wirkungsgrad als Leistungszahl (Epsilon) bezeichnet. Eine ebenfalls gebräuchlich verwendete Bezeichnung ist für Kältemaschinen EER (Energy Efficient Ratio) und für Wärmepumpen COP (Coefficient of Performance). Die Leistungszahl für Kälte bzw. Wärme ist wie folgt definiert:

 

 

Unter Verwendung der waagerecht abgegriffenen Enthalpiedifferenzen ergibt sich für die Effizienz:


 

Im Allgemeinen kann eine Kältemaschine zum Heizen oder Kühlen verwendet werden. Jedoch wird überwiegend nur eine Funktion mit Klimaanlagen (Kühlen) und Wärmepumpen (Heizen) technisch realisiert. Um jedoch den steigenden Komfortanspruch und gleichzeitig hohe Effizienzanforderungen zu erfüllen, sind teils komplexe technische Lösungen notwendig. Dies führt häufig zu unverhältnismäßig hohen Investitionskosten. Die effizienteste und ökonomisch sinnvollste Lösung ist die Kombination aus Heizen und Kühlen. „Werden bei einer Wärmepumpenanlage sowohl die Kälteleistung als auch die Wärmeabgabe zum Teil gleichzeitig genutzt, so ergeben sich nach der Definition (Nutzen durch Aufwand) noch höhere Leistungszahlen, nämlich:“ (Albers S. 2140)


 

Die so gesteigerte Effizienz führt zu einer verbesserten Wirtschaftlichkeit, wenn die gleichzeitige Nutzung von Heizen und Kühlen gegeben ist. Diese Effizienzsteigerung soll anhand eines Anlagenkonzeptes durch eine praktische Versuchsreihe unter möglichst realen Betriebsbedingungen dargestellt werden.

Technisches Konzept am Beispiel

Die technische Lösung zur Deckung des Heiz- und Kühlbedarfs kann auf verschiedenste Art erfolgen. Die einfachste Lösung wäre die Installation eines Klimagerätes und eines Wärmeerzeugers wie z. B. einer Wärmepumpe oder evtl. einer reversiblen Wärmepumpe. Nachteilig ist dabei vor allem der erhöhte Investitions-, Installations- und Wartungsaufwand (Bild 3). Im Fall einer reversiblen Wärmepumpe ist ein gleichzeitiger Heiz- und Kühlbetrieb nicht möglich.

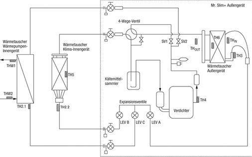
Vor allem in Anlagen mit Klimagerätenund Wärmepumpen stellt sich die Frage nach einer möglichen Kombination, um eventuelle Nachteile zu minimieren. Eine sehr gute Lösung bietet hier die Kombination aus Wärmepumpe und Klima-anlage in einem Gerät, das sowohl heizen, kühlen oder beides gleichzeitig kann. Die technische Innovation liegt dabei im Split-Außengerät. Anders als bei Luft/Wasser Split-Wärmepumpen oder Klima-Splitgeräten besitzt z. B. die AußeneinheitMr. Slim+ von Mitsubishi Electric (Bild 4)vier anstatt zwei kältetechnischer An-schlüsse. Jedes Paar besteht aus einer Heißgas- und Flüssigkeitsleitung für Standard-Klima-Innengeräte und Hydromodul/Speichermodul für die Trinkwarmwasserbereitung. Je nach Anforderung (Wärme und/oder Kälte) entscheidet die Systemregelung automatisch, welche Betriebsart ausgeführt werden soll.

Klimatisieren / kühlen mit Klima-Innengerät

Heizen mit Klima-Innengerät

Heizen und/oder Trinkwasserbereitung mit Wärmepumpen-Innengerät

Heizen (Wärmepumpe) und Kühlen (Klima) gleichzeitig inkl. Wärmerückgewinnung

Zusätzlich zum gleichzeitigen Heizen und Kühlen mit einem Außengerät wird über den Kältekreis eine „interne“ Wärmerückgewinnung realisiert. Dadurch wird die Gesamteffizienz (COP) für Heizen & Kühlen nahezu verdoppelt, da sowohl die abgegebene Wärme als auch die entstehende „Kälte“ in der Berechnung berücksichtigt wird. Grundvoraussetzung für einen effizienten Wärmerückgewinnungsprozess ist für gewöhnlich der möglichst gleichmäßige Bedarf an Wärme und Kälte. Da dies nur selten gewährleistet werden kann, ist eine entsprechende technische Lösung notwendig. Diese ist im Außengerät Mr. Slim+ realisiert worden.

Im Wärmepumpenbetrieb wird der (Lamellen-)Wärmeübertrager am Außengerät als Verdampfer genutzt und der Umgebungsluft die benötigte Wärme entzogen. Die Umgebungsluft wird mit dem Temperaturfühler TH7 gemessen und regelt die Vorlauftemperatur im Heizsystem. Das verdampfte Kältemittel wird über das Vier-Wege-Ventil und den Sammler vom Kompressor angesaugt und verdichtet. Das austretende Heißgas wird über den Temperaturfühler TH4 erfasst und über das Ventil SV2 im Wärmeübertrager des Wärmepumpen-Innengerätes kondensiert. Der Temperaturfühler TH2 erfasst hier die Kondensationstemperatur. Nachdem die Wärme an das Wärmepumpen-Innengerät abgegeben wurde, gelangt das Kältemittel über die Expansionsventile LEV C und LEV A wieder zum Wärmeübertrager im Außengerät.

Im Klimabetrieb wird am Wärmeübertrager des Klima-Innengerätes das Kältemittel verdampft und entzieht somit der Raumluft die Wärme. Danach wird es durch das Vier-Wege-Ventil geleitet, im Kältemittelsammler aufgefangen, vom Kompressor angesaugt und verdichtet. Auch hier wird die Heißgastemperatur vom Temperaturfühler TH4 erfasst. Das Kältemittel wird nun über das Ventil SV1 und das Vier-Wege-Ventil zum (Lamellen-)Wärmeübertrager am Außengerät transportiert. Das Ventil SV2 bleibt geschlossen. Da das gasförmige Kältemittel eine höhere Temperatur als die Außenluft am (Lamellen-)Wärmeübertrager im Außengerät hat, kann das Kältemittel kondensieren und wird über den Temperaturfühler TH3 überwacht. Abschließend wird das Kältemittel durch das LEV A und LEV B wieder zum Klima-Innengerät geführt, wobei das LEV C geschlossen bleibt.

Im Simultanbetrieb (Heizen & Kühlen) mit Wärmerückgewinnung wird der (Lamellen-)Wärmeübertrager am Außengerät nicht mit Kältemittel beaufschlagt, was zu einer deutlich gesteigerten Effizienz führt, da konstant hohe Temperaturen der Wärmequelle für den Heizbetrieb gegeben sind. Analog zum Klimabetrieb wird im ersten Schritt dem Raum die Wärme über den Wärmeübertrager im Klima-Innengerät entzogen (Kältemittel verdampft) und erfüllt damit die Funktion der „Wärmequelle“ für den Heizbetrieb. Danach wird das Kältemittel wieder über das Vier-Wege-Ventil und in den Kältemittelsammler geführt und vom Kompressor angesaugt und verdichtet. Die gemessene Heißgastemperatur (TH4) richtet sich nach der vom Heizsystem geforderten Vorlauftemperatur. Das Heißgas wird, wie im Wärmepumpenbetrieb, durch das Ventil SV2 an den Wärmeübertrager des Wärmepumpen-Innengerätes geleitet. Dort kondensiert das Kältemittel und gibt die Wärme an das Heizsystem ab. Der Temperaturfühler TH2.1 misst die Kondensationstemperatur. Abschließend wird das Kältemittel durch die Expansionsventile LEV C und LEV B zum Wärmeübertrager des Klima-Innengerätes zurückgeführt. Das Expansionsventil LEV A ist dabei geschlossen.

Im zweiten Teil der Serie stehen die konkreten Messergebnisse dieser Anlagenkonfiguration im Mittelpunkt.

Marcel F��rster,

verantwortlicher Produktmanager f��r den Bereich Air to Water in der Division Living Environment Systems von Mitsubishi Electric

Jetzt weiterlesen und profitieren.

+ KK E-Paper-Ausgabe – jeden Monat neu
+ Kostenfreien Zugang zu unserem Online-Archiv
+ Fokus KK: Sonderhefte (PDF)
+ Webinare und Veranstaltungen mit Rabatten
uvm.

Premium Mitgliedschaft

2 Monate kostenlos testen