Springe auf Hauptinhalt Springe auf Hauptmenü Springe auf SiteSearch
Klimatisierung erhöht Qualität in der Spritzgussfertigung

Analyse und Optimierung eines offenen Sorptionssystems

Offene Sorptionssysteme stellen eine interessante Technologie für die nachhaltige Klimatisierung von Gebäuden dar, da die erforderliche thermische Antriebsenergie auf relativ niedrigem Temperaturniveau, beispielsweise von Solarkollektoren oder durch Abwärme, bereitgestellt werden kann. In einem offenen Sorptionsprozess, wie er hier im h,x-Diagramm dargestellt ist, wird Außenluft getrocknet, vorgekühlt und befeuchtet, um Zulufttemperaturen zwischen 16 und 20 °C bereitstellen zu können.

Die Außenluft (1) wird im Sorptionsrad (2) getrocknet, im Wärmerückgewinner mit befeuchteter Raumabluft vorgekühlt (3) und dann durch adiabate Befeuchtung (4) auf den gewünschten Zuluftzustand gebracht. Die Abluft (5) wird maximal befeuchtet (6) und im Wärmerückgewinner (7) durch erwärmte trockene Außenluft vorerwärmt, dann auf das Regenerationstemperaturniveau gebracht (8) und verlässt, nachdem sie die im Sorptionsrad aufgenommene Feuchte desorbiert hat, als Fortluft das System (9). Die Güte des Prozesses wird vor allem durch einen effizienten Wärmeaustausch zwischen trockener Außenluft (2) und befeuchteter Abluft (6) beeinflusst, da die Außenluft bestenfalls isenthalp getrocknet werden kann und durch die Sorptionsenergie erhitzt wird. Für hohe Wärmerückgewinnungsgrade (85 %), hohe Befeuchterwirkungsgrade (95 %) und einen Entfeuchterwirkungsgrad von 80 % kann Außenluft mit 32 °C und 40 % relativer Feuchte auf unter 16 °C Zulufttemperatur gebracht werden.

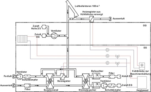
Beschreibung der Anlage in Althengstett

Zur Klimatisierung der Produktionshalle eines Kunststoffspritzgussbetriebs in Althengstett, Baden-Württemberg, wurde 1999 ein offenes Sorptionsklimatisierungssystem mit 100 m² Luftkollektor­fläche installiert.

Das Kollektorfeld besteht aus zwei in Reihe geschalteten 50m² Feldern. Die Grammer Luftkollektoren sind mit einem Azimut-Winkel von 232° nach Süd-West orientiert und mit 30° Neigung installiert. Der Zuluftvolumenstrom beträgt 18000 m³/h und der Regenerationsvolumenstrom 11000 m³/h. Zusätzlich zum klein dimensionierten Kollektorfeld kann die Regenerationsluft über die Abwärme (45 kW) aus der Maschinenkühlung des Spritzgussbetriebs vorerwärmt werden. Um den Kollektorvolumenstrom an die Auslegungsbedingungen anzupassen, wurde der Regenerationsluftvolumenstrom in zwei Teilvolumenströme, 6000 m³/h Kollektorvolumenstrom und 5000 m³/h Bypassvolumenstrom, aufgeteilt. Der Regenerationsluftstrang kann bei Bedarf zur Beheizung der Produktionshallen umgeschaltet werden.

Da die Hauptkühllasten der Halle intern durch den Produktionsprozess verursacht werden, ist die Anlage im Sommer im Kühlbetrieb, wenn in der Halle produziert wird. Der Zuluftvolumenstrom und der Regenerationsvolumenstrom werden konstant gefahren, wobei zusätzlich die Regenerationstemperatur auf einen Festwert von 72 °C eingestellt ist. Können Kollektoren und Wärmerückgewinnung diesen Wert nicht erzielen, wird über das Hilfsheizsystem nachgeheizt, bis 72 °C erreicht sind. Wenn der Sollwert der Hallentemperatur überschritten wird, wird eine Kaskadenschaltung in Gang gesetzt. Zuerst befeuchtet der Zuluftbefeuchter bis zu einer Abluftfeuchte von max. 11,7 g/kg tr.Luft , dann schaltet sich der Rotationswärmeübertrager, der Abluftbefeuchter sowie letztendlich das Sorptionsrad zu. Die Wahl der Abluftfeuchtigkeit als Steuergröße soll verhindern, dass in der Halle durch unkontrollierte Lüftung unerwünscht hohe Luftfeuchten auftreten, die zur Quellung der Kunststoffspritzgussteile führen können. Dieser Effekt ist vor der Installation der DEC-Anlage immer wieder aufgetreten (z.B. offene Hallentore) und hat zu hohen Ausschussraten geführt. Diese konnten durch die Klimatisierung der Produktion gedrückt werden auf ein Drittel des ursprünglichen Wertes. Dieser Effekt war weder in der Planung noch in der Amortisationsrechnung berücksichtigt, spielt aber mittlerweile beim Betreiber die größte Rolle bei der Wirtschaftlichkeit der Maßnahmen.

Monitoring-Ergebnisse und Optimierungspotenziale

Für die Anlage Althengstett stehen Datensätze, die die gesamte Sommerperiode abdecken, zur Verfügung. Zunächst wurde mittels dieser Datensätze die Leistungsfähigkeit der einzelnen Komponenten analysiert. Bei 10 U/min erreichte der Rotationswärmetauscher lediglich einen Wirkungsgrad von 62 % (Herstellerangabe 73 %), die Rieselbefeuchter erreichten Wirkungsgrade von 85 % (Herstellerangabe 9 2%). Der Befeuchterwirkungsgrad ist dabei definiert als das Verhältnis aus der Differenz der absoluten Feuchten vor und nach der Befeuchtungsstrecke (Nutzen) und der Differenz der absoluten Feuchten der eintretenden und der gesättigten Luft (maximal mögliche Wasserdampfaufnahme).

Im Betrieb zeigen sämtliche Komponenten unterschiedlich ­träges Verhalten. So benötigen beispielsweise die Befeuchter vom Einschaltsignal der Regelung etwa 5 min, bis die Temperaturen am Befeuchter-Auslass erkennbar sinken, und der Kühleffekt durch die Befeuchter endet erst 45 min nach dem Ausschaltsignal der Regelung. Dieses dynamische und teilweise sehr langsame Ansprechverhalten der Komponenten wurde im Regelungskonzept der Anlage Althengstett nur unzureichend berücksichtigt. Das führte zu unerwünschten Schwankungen der Zulufttemperatur, wenn die Zuluftbefeuchtung mit Wärmerückgewinnungsstrategien kollidierte (Bild Schwankungen der Zulufttemperatur). Bei gemäßigten Außentemperaturen von 22 °C führt die Kombination von Abluftbefeuchtung und Volllastbetrieb des Dreistufen-Zuluftbefeuchters in weniger als 30 min zu einem Temperaturabfall unter den Sollwert von 17 °C.

Bei Unterschreitung des Sollwerts werden folgerichtig die Befeuchter abgeschaltet und die Drehzahl des Sorptionsrotors erhöht, um das Temperaturniveau über den erhöhten Eintrag von Sorptionswärme und Wärmerückgewinnung über den Rotationswärmewechsler aus dem Abluftstrang wieder anzuheben, so dass die Zulufttemperatur auf weit über 20 °C ansteigt, um dann nach Inbetriebsetzung der Befeuchterkaskade wieder auf weniger als 15 °C zu fallen.

Diese Regelungsprobleme können vermieden werden, wenn die Trägheit der Komponenten, speziell der Befeuchter, aber auch des Rotationswärmewechslers, berücksichtigt wird, und darauf verzichtet wird, das Sorptionsrad im Wärmerückgewinnungsmodus zu betreiben.

Energetische Analyse und COP-Werte

Während der Kühlperiode 2002 wurden 34710 kWh Kälteenergie erzeugt. Für die Berechnung der Energiebilanzen wurde nur die sensible Kühlung betrachtet (Temperaturdifferenz zwischen Umgebung und Zuluft), da sich die Enthalpiemessungen als unzuverlässig erwiesen. Bei einem mittleren COP von 0,95 wurden 36460 kWh Heizenergie benötigt. Ein Merkmal der offenen Sorptionskühltechnik stellt die Tatsache dar, dass Heizenergie nur im Entfeuchtungsbetrieb benötigt wird. Wird die Heizenergie nur auf den Regenerationsbetrieb bezogen, dann beträgt der COP lediglich 0,5. Voller Entfeuchtungsbetrieb ist vor allem in den Sommermonaten erforderlich, wenn der Befeuchtungsbetrieb nicht ausreicht, um die erforderlichen Zulufttemperaturen bereitzustellen. Der COP erreicht die höchsten Werte, wenn der Kühlprozess keine Heizung erfordert und erzielt Maximalwerte von bis zu 4,8. Die COP-Werte sind für die einzelnen Monate im Diagramm dargestellt.

Der niedrige COP im Juni erklärt sich aus einer Fehlfunktion des Abluftbefeuchters, die dazu führte, dass die Abluft nicht ausreichend befeuchtet werden konnte und stattdessen im energieaufwendigen, vollen Regenerationsmodus gefahren wurde, um die Zulufttemperaturen für die Halle zu gewährleisten. Im Juli waren die Probleme behoben, das System arbeitete wieder im Normalbetrieb und im August wurden aufgrund der Sommerferien nur kurze Betriebszeiten erreicht.

Um zu untersuchen, wie das System sich bei reinem Solar- und Abwärmebetrieb verhält, wurde im September das Nachheizsystem stillgelegt und stattdessen gleitende Regenerationstemperaturen zugelassen. Das Ergebnis bestätigte die Erwartungen: Aufgrund der niedrigen Regenerationstemperaturen erhöhte sich der COP signifikant. Trotz der niedrigen Regenerationstemperaturen konnte bis auf wenige Ausnahmen der Sollwert für die Hallenzuluft eingehalten werden. Selbst wenn der Heizenergiebedarf nur auf den vollen Regenerationsbetrieb bezogen wird, erreicht der COP in diesem Betriebsmodus 1,5. Zur Ermittlung des Einsparpotenzials über gleitende Regenerationslufttemperaturen wurden Simulationsrechnungen über die Kühlperiode 2002 durchgeführt.

Die Simulationsrechnungen bestätigen die Beobachtungen aus der Monitoring-Phase. Nach den Ergebnissen der Simulationsläufe kann bei gleitenden Regenerationstemperaturen wie z.B. für den Monat Juli 2002 über 90 % der Nachheizenergie ohne Auswirkung auf die Hallentemperatur eingespart werden.

Zusammenfassung

Das offene solar unterstützte Sorptionskühlsystem in Althen­gstett arbeitet zufriedenstellend. Der durchschnittliche COP über die gesamte Kühlperiode beträgt 1,0 und auf den reinen Regenerationsbetrieb bezogen etwa 0,5. Mithilfe von Datensätzen, die über eine Periode von neun Jahren aufgezeichnet wurden, war es möglich, die Anlage detailliert zu untersuchen, Simulationsmodelle zu validieren sowie Optimierungspotenziale zu erkennen und zu quantifizieren.

Die Analyse der Komponenten ergab, dass sie zufriedenstellend arbeiteten, ihre Leistung blieb jedoch hinter den Herstellerangaben zurück. Durch die Simulation des Systems mit validierten Komponentenmodellen konnte gezeigt werden, dass die Bereitstellung der Kühlenergie mit wenig Nachheizenergie erfolgen kann. Das Hauptproblem beim Betrieb des Systems war die Tatsache, dass in der Regelungsstrategie träge Reaktionszeiten der Komponenten nicht ausreichend berücksichtigt wurden und dass dem System eine festgelegte Regenerationstemperatur vorgegeben war. Der fixe Sollwert führte zu unnötig hohem Nachheizenergiebedarf während des Regenera­tionsbetriebs. Sowohl in Anlagentests als auch mithilfe von Simula­tionsrechnungen konnte gezeigt werden, dass der Nachheizenergiebedarf bei gleitenden Regenerationstemperaturen ohne Komforteinbußen um 90 % verringert werden kann.-

Links

https://www.hft-stuttgart.de/

Prof. Dr. Ursula Eicker,

Leiterin des Zentrums für angewandte Forschung an Fachhochschulen Nachhaltige Energietechnik, Hochschule für Technik HFT-Stuttgart

Dipl.-Ing. (FH) Martin Huber,

wissenschaftlicher Mitarbeiter am Zentrum für angewandte Forschung an Fachhochschulen Nachhaltige Energietechnik, Hochschule für Technik HFT-Stuttgart

Dipl.-Ing. Dietrich Schneider,

wissenschaftlicher Mitarbeiter am Zentrum für angewandte Forschung an Fachhochschulen Nachhaltige Energietechnik, Hochschule für Technik HFT-Stuttgart

Martin Huber, Dietrich Schneider, Ursula Eicker, Stuttgart

Jetzt weiterlesen und profitieren.

+ KK E-Paper-Ausgabe – jeden Monat neu
+ Kostenfreien Zugang zu unserem Online-Archiv
+ Fokus KK: Sonderhefte (PDF)
+ Webinare und Veranstaltungen mit Rabatten
uvm.

Premium Mitgliedschaft

2 Monate kostenlos testen