Springe auf Hauptinhalt Springe auf Hauptmenü Springe auf SiteSearch
Drei Beispiele aus der Industriekälte

R 22-Ersatz Felderfahrungen

Die dargestellten Beispiele geben Erfahrungen bei

  • einer Umstellung (Retrofit) auf R 507 mit überfluteter Verdampfung und offenem Schraubenverdichter aus der Luftvorkühlung einer Luftzerlegungsanlage,
  • einer Umstellung (Retrofit) einer Verbundkälteanlage in der Lebensmittel-produktionskühlung mit semihermetischen Verdichtern auf R 507,
  • eines Austausches (Drop-In) mit dem Kältemittel Solkane 22L (R 417B) in einem Kaltwassersatz zur Prozesskühlung

wieder.

Beispiel 1: Retrofit von R 22 auf R 507 mit offenen Schraubenverdichtern

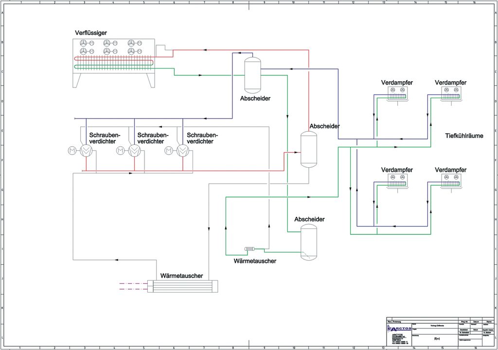
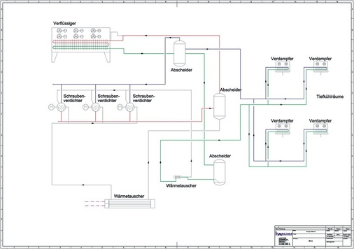
Anlagenbeschreibung: Bei der Kälteanlage handelt es sich um ein Schraubenverdichtersystem mit zwei Rohrbündelverdampfern zur Luftvor- und Stickstoffkühlung als Teil einer Luftverflüssigungsanlage im Ruhrgebiet (siehe Bild 1 / Schaltbild). Details sind in Tabelle 1 aufgeführt.

Die Kälteanlage wurde zwischen 12/2009 und 02/2010 einer Revision unterzogen. Den gesetzlichen Vorgaben folgend, wurde im Rahmen der Revision auch das bisher verwendete R 22 mit Mineralöl (Typ / VK) auf R 507 mit Polyolesteröl umgestellt. Gründe, die zu dieser Entscheidung führten, waren ein begrenztes Budget, das einen Neubau nicht erlaubte, sowie vorhandene Komponenten (Verdampfer und Austauschverdichter), die einen Weiterbetrieb mit den vorhandenen Anlagenteilen anraten ließen.

Anpassung Sicherheitseinrichtung: Alle Sicherheitsventile und Abblasleitungen der Anlage wurden auf die Erfordernisse des neuen Kältemittels ausgelegt. Der zur Auslegung zu bestimmende Massenstrom wurde nach EN 13136 berechnet. Soweit möglich wurden dabei Anlagenteile durch gegendruckunabhängige interne Überströmer in Behältern mit niedrigerer Druckstufe abgesichert. Bei den großen Rohrbündelverdampfern war dies aufgrund ihres Volumens nicht möglich. Daher wurden zwei Doppelsicherheitsventilkombinationen nachgerüstet. Die Sicherheitsdruckbegrenzer wurden auf die neuen Betriebsdrücke eingestellt und verplombt. Ferner wurde eine Maximalstandsbegrenzung am ND-Abscheider nachgerüstet. Weitere Komponenten wurden nicht getauscht, sondern nur teilweise neu eingedichtet.

Antriebsleistung und Steuerung: Zur Bereitstellung der gleichen Kälteleistung musste der Antriebsmotor von 132 kW auf 160 kW umgerüstet werden. Die Anschlussglocke wurde ausgetauscht und die Motorhalterung durch eine Neukonstruktion ersetzt. Am E-Motor selbst wurden die Lastteile bzw. die Kombination aus Stern-Dreieck-Schaltung am Antrieb des Verdichtermotors angepasst. Die Leitungsquerschnitte konnten beibehalten werden. Die vorhandene Steuerung (STALECTRONIC 300) wurde an das neue Kältemittel R 507 angepasst. Die Steuerungslogik selbst wurde nicht verändert.

Ölrückführung / Ölmanagement: Die An-lage wurde entleert, evakuiert und an den Tiefpunkten zur Entölung geöffnet. Weitere Maßnahmen zur Entfernung von Restöl wurden nicht unternommen. Der Wechsel auf R 507 erfordert den Umstieg von einem mineralischen Öl auf ein Polyolesteröl (hier: Fuchs Reniso Triton SEZ 68). Im System R 507/Polyolesteröl wird die Ölrückführung aus der Kälteanlage durch Abschnüffelung am Niederdruckabscheider am wirksamsten erreicht. Um die Ölrückführung zu sichern, wurde ein zusätzlicher Feinstölabscheider von Domnick Hunter installiert. Diese Maßnahme sichert, mit den vorhandenen Ölaustreibern, eine problemlose Ölrückführung zum Kompressor.

Bewertung der Maßnahmen: Durch die Verwendung der vorhandenen Rohrbündelverdampfer und Austauschverdichter konnte mit der Umrüstung der Weiterbetrieb der Anlage gesichert werden. Die Investitionen lagen ca. 50 bis 60 % unterhalb eines Neubaus. Ein erhöhtes Risiko existiert mit der Ersatzteilversorgung bestehender, alter Komponenten. Als Beispiel sei hier der Elektromotor genannt, der inzwischen herstellerseitig mit einem geänderten Anschlussflansch versehen war.

Beispiel 2: Retrofit von R 22 auf R 507 mit semihermetischen Verdichtern

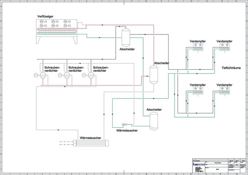
Anlagenbeschreibung: Die umgestellte Anlage diente zur Tiefkühlung bei einem Lebensmittelproduzenten in Norddeutschland. Bei der Kälteanlage handelt es sich um ein Schraubenverdichterverbundsystem mit drei semihermetischen Bitzer-Schraubenverdichtern mit luftgekühlter Kondensation, Unterkühlung und vier Tiefkühl-Einspritzkühlern. Details sind in Tabelle 2 aufgeführt.

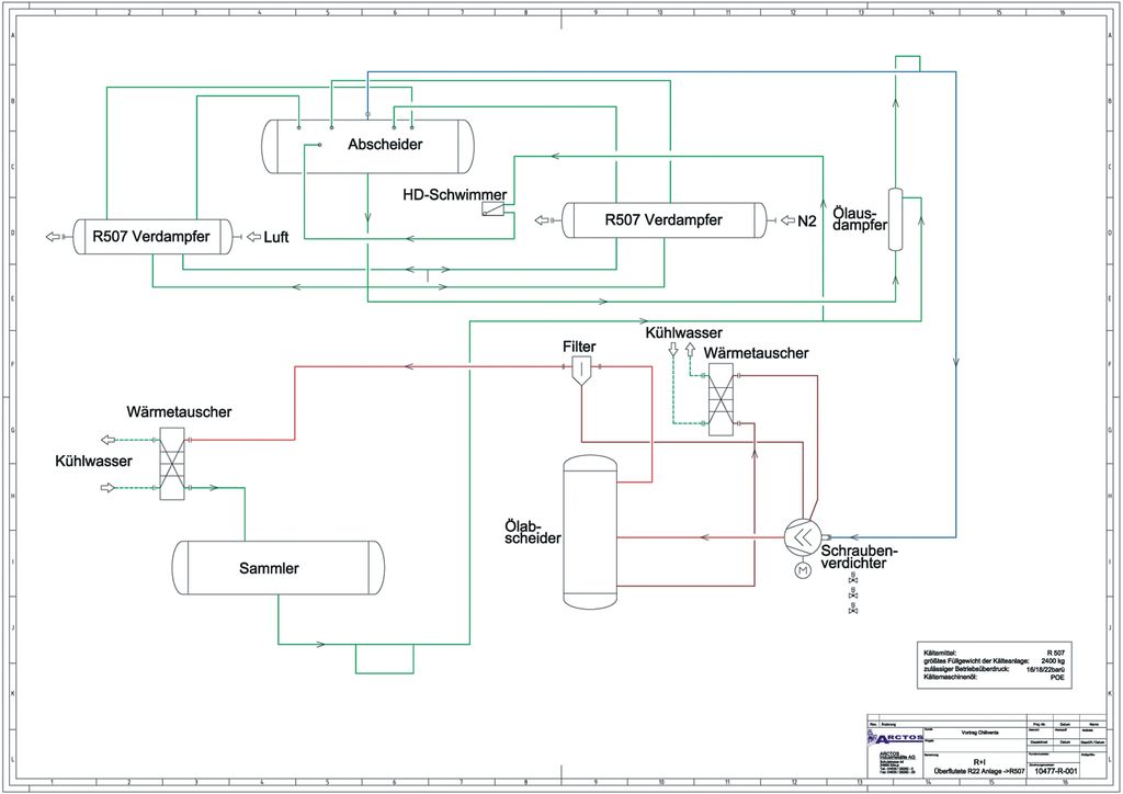
Die Kälteanlage wurde 2008 nach einer ca. zweijährigen Stillstandzeit als Ersatz für eine alte R 22-Kolbenverdichteranlage wieder in Betrieb genommen. Den gesetzlichen Vorgaben folgend, wurde im Rahmen der Wiederinbetriebnahme auch das bisher verwendete R 22/Mineralöl (Clavus G 68 ) auf R 507/Polyolesteröl (Fuchs SEZ68) umgestellt. Gründe, die zur Entscheidung führten, R 507 einzusetzen, waren ein begrenztes Budget, das einen kompletten Neubau nicht erlaubte, sowie vorhandene gebrauchte Komponenten (Verbundsatz, luftgekühlter Kondensator), die eine Integration mit den vorhandenen Anlagenteilen im Rahmen der R 507-Umrüstung anraten ließen. Das Anlagenschema ist in vereinfachter Form in Bild 2 wiedergegeben.

Anpassung der Sicherheitseinrichtung: Im Wesentlichen wurden dieselben Maßnahmen ergriffen, wie sie in der vorherigen Anlagenumstellung auch beschrieben wurden. Dies umfasste die Neuauslegung aller Sicherheitsventile und Abblasleitungen. Auch hier wurde der auszulegende Massenstrom nach EN 13136 berechnet. Soweit möglich wurden dabei Anlagenteile durch gegendruckunabhängige interne Überströmer in Behältern mit niedrigerer Druckstufe abgesichert. Die Sicherheitsdruckbegrenzer wurden auf die neuen Betriebsdrücke eingestellt und verplombt. Die Einspritzventile und Magnetventile wurden getauscht und an die neuen Kältemittelverhältnisse angepasst. Weitere Komponenten wurden nicht ausgetauscht.

Antriebsleistung und Steuerung: Mit Absenkung der Kondensationstemperatur um 3 K durch größere Verflüssiger reichten die installierten Antriebsmotoren aus, um die gewünschte Kälteleistung bereitstellen zu können. Dies traf auch auf die Lastteile der Stern-Dreieck-Kombination am Antrieb des Verdichtermotors zu. Die Leitungsquerschnitte konnten beibehalten werden. Die vorhandene SIMATIC S5-Steuerung wurde an das neue Kältemittel R 507 angepasst. Die Steuerungslogik wurde nicht verändert.

Ölrückführung / Ölmanagement: Die An-lage wurde entleert, evakuiert und an den Tiefpunkten zur Entölung geöffnet. Der Wechsel auf R 507A erfordert den Umstieg vom mineralischen Öl auf ein Polyolesteröl (hier: Fuchs SEZ 68). Im System R 507A/Polyolesteröl wird die Ölrückführung aus der Kälteanlage über die Olrückführung der Saugleitungen bei direkt Verdampfer (DX)-Betrieb ermöglicht.

Bewertung der Maßnahmen: Durch die Verwendung des semihermetischen Altverbundverdichtersatzes trat kurzfristig nach Umstellung mehrfach ein Ausfall einzelner Verdichter auf. Die Herkunft und der Zustand der umgerüsteten Altverdichter konnte nicht vollständig geklärt werden. Der Befund durch Bitzer ergab überhitzte Wicklungen mit Wellenschlag und teilweiser starker Abrasion. Die Probleme durch den Wicklungsschluss könnten, nach Rücksprache mit Verdichter-, Kältemittel- und Ölherstellern, bei der Umstellung von R 22 auf R 507 und gleichzeitiger Umstellung von Mineralöl auf ein Polyolesteröl durchaus auftreten. Die Ursache könnte in den unterschiedlichen Löseeigenschaften zwischen Mineralöl und Polyolesteröl liegen, die den Wicklungslack evtl. direkt angegriffen bzw. Feststoffe aus dem Kältekreis gelöst haben könnten. Aus unserer Sicht ist unter diesen Umständen, bei semihermetischen Kompressoren mit ungeklärter Eignung für R 507/Polyolesteröl, von dieser Art der Umstellung aus wirtschaftlichen Gründen abzuraten. Die Investitionen betrugen circa 7080 % eines Neubaus, inklusive des Austausches dreier Bitzer-Verdichter.

Beispiel 3: Drop-In mit Solkane 22L (R 417B) bei einem semihermetischen Kaltwassersatz

Anlagenbeschreibung: Bei der umgestellten Anlage handelt es sich um einen Kaltwassersatz von Carrier bestehend aus zwei unabhängigen Kältekreisläufen mit je zwei semihermetischen Kolbenkompressoren (siehe Bild 3). Details sind in Tabelle 3 aufgeführt. Der Kaltwassersatz ist Teil einer chemischen Prozessanlage bei Solvay Fluor in Bad Wimpfen.

Entscheidungsfindung: Die Anlage ist Teil eines komplexen Produktionsprozesses zur Herstellung von R 22 als Rohstoff für die PTFE-Produktion. Die Betriebssicherheit der Kälteanlage hatte bei der Auswahl möglicher R 22-Alternativen die höchste Prio­rität. Durch die negativen Erfahrungen bei der Umstellung semihermetischer Kompressoren von R 22/Mineralöl auf R 507/POE-Öl (siehe vorheriges Beispiel), wurde eine Umrüstung des Kältemittels unter Beibehaltung des Kältemaschinenöltyps beschlossen. Da der Kaltwassersatz mit Leistungsreserven ausgestattet ist, konnte ein zu erwartender Leistungsverlust (siehe Tabelle 4) in Kauf genommen werden. Auf Basis der theoretischen Vorausberechnung wurde die Anlage von R 22 auf das Kältemittel Solkane 22L (R 417B) umgestellt.

Umsetzung: Bei der Anlagenumstellung wurden außer dem Kältemittel und dem Kältemaschinenöl (Ölwechsel mit gleichem Öltyp) keine weiteren Komponenten getauscht. Die Umstellung erfolgte in zwei Schritten, bei denen jeweils ein Kreislauf von R 22 auf das Kältemittel Solkane 22L umgestellt wurde. Beide Kreisläufe wurden mit Drucksensoren (p o + p c ) und diversen Temperaturfühlern (siehe Bild 4) ausgestattet. Die Zeit zwischen den Umstellungen der beiden Kreise auf das Kältemittel Solkane 22L wurde für vergleichende Leistungsmessungen zwischen R 22 und dem Kältemittel Solkane 22L genutzt (siehe Ergebnisse). Eine weitere Optimierung bzw. Anpassung der Anlage an das neue Kältemittel fand nicht statt.

Ergebnisse Stand 08/2010: An der Anlage wurden an verschiedenen Tagen, zu gleichen Zeiten, unter identischen Last- und Umgebungsbedingungen vergleichende Mes­sungen durchgeführt. In Bild 5 ist der Temperaturverlauf der Kaltsole im Vor- und Rücklauf über die Zeit abgebildet, jeweils für den Betrieb des einzelnen R 22- und des Solkane 22L-Kreises. Beide Temperaturverläufe steigen an. Der Grund dafür ist, dass mit Messbeginn von dem zweikreisigen Betrieb auf den jeweiligen einkreisigen Betrieb umgestellt wurde. Mit Erreichen der für den Produktionsprozess kritischen Temperatur wurde der einkreisige Solkane 22L-Betrieb beendet und der zweite Kreis (R 22-Kreis) zugeschaltet. Anschließend wurde am nächsten Tag für ein identisches Zeitintervall die Messung unter gleichen Bedingungen für den einkreisigen R 22-Betrieb wiederholt. Auch hier steigt die Temperatur an, jedoch weniger stark als beim reinen Solkane 22L-Betrieb. Die gemessenen Leistungen während des Solkane 22L-Betriebes sind im Schnitt 25 % geringer gegenüber dem reinen R 22-Betrieb (siehe Bild 6). Dieser Wert liegt innerhalb der zuvor theoretisch prognostizierten Werte (vgl. Tabelle 4).

Abgesehen von der verminderten Leistung hat es während des Betriebes des Kaltwassersatzes nach der Umstellung von R 22 auf das Kältemittel Solkane 22L keine Komplikationen gegeben. Die Analyse des eingesetzten Öls nach 4 500 h zeigt keine unüblichen Veränderungen bzw. Rückstände, die auf mögliche Wechselwirkungen oder Reaktionen mit den Motorwicklungen schlussfolgern ließen.

Fazit

Es existieren verschiedene Möglichkeiten, R 22 in bestehenden Anlagen zu ersetzen.

Bei der vorgestellten Umrüstung der überfluteten R 22-Anlage auf R 507 (Beispiel 1) wurden durchgehend positive Erfahrungen gemacht. Die Wirtschaftlichkeit des Gesamtprojektes inklusive Umstellung und Folgebetrieb wurde erreicht und bewegt sich im Rahmen der zuvor gemachten Annahmen. Die Anlage läuft zuverlässig im Dauerbetrieb.

Die vorgestellte Verbundanlage mit semihermetischen Verdichtern (Beispiel 2) und Direktverdampfung erreichte die prognostizierten Leistungswerte. Jedoch führte vermutlich die Umstellung auf das R 507/POE-Öl-System zu Wicklungskurzschlüssen, so dass die Kompressoren kurze Zeit später nach der Umstellung ausgetauscht werden mussten. Nach Austausch der Verdichter läuft die Anlage zuverlässig im Dauerbetrieb. Aus wirtschaftlichen Gesichtspunkten, aber auch aus Gründen einer geforderten Zuverlässigkeit der Anlage, war die Umrüstung weniger erfolgreich.

Die Betriebssicherheit stand im dritten Beispiel einer Umrüstung von R 22 auf das Drop-In Kältemittel Solkane 22L (R 417B) im Vordergrund. Die prognostizierten Leistungsdaten wurden ohne weitere Optimierungsmaßnahmen erreicht. Die Anlage läuft störungsfrei im Dauerbetrieb. Die Analyse des Öls zeigte keine negativen Aus- bzw. Wechselwirkungen mit den Motorwicklungen. Die Umstellung ist als erfolgreich zu bewerten. -

Dipl.-Ing. Kai Selmer

Vorstand Arctos Industriekälte AG, Sörup

Dipl.-Ing. Felix Flohr

Leiter Anwendungstechnik Kältemittel, Solvay Fluor GmbH, Hannover

Kai Selmer, Sörup, und Felix Flohr, Hannover

Jetzt weiterlesen und profitieren.

+ KK E-Paper-Ausgabe – jeden Monat neu
+ Kostenfreien Zugang zu unserem Online-Archiv
+ Fokus KK: Sonderhefte (PDF)
+ Webinare und Veranstaltungen mit Rabatten
uvm.

Premium Mitgliedschaft

2 Monate kostenlos testen