Springe auf Hauptinhalt Springe auf Hauptmenü Springe auf SiteSearch

Offizielle Partner des KältenKlubs 2026

ZVKK wird aufgelöst - Gewinnspiel, Klub und mehr | KÄLTEN-TV

Aus dem KältenKlub

Fachbetriebskarte 2026

Fachbetriebe im Überblick

Nachschlag

Das digitale Lexikon der Kältetechnik

Aus dem Hänger

12. Kälten-Treff 2026 in Neuwied

Zukunft VR

-

Am 8. Mai wird die David-Roentgen-Schule in Neuwied zum Treffpunkt der Branche: Der 12. Kälten-Treff steht an. Mit mehr Energie, spannenden Impulsen, starken Persönlichkeiten und einer virtuellen Lecksuche für alle, die soetwas mal machen möchten. Freuen Sie sich auf hochkarätige Vorträge von Sachverständigen und Hochschul-Professoren.

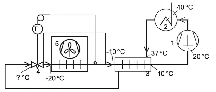
Kreativität ist nicht nur in der Medienbranche gefragt. Im Fallbeispiel wurden die Kühlregister kurzerhand auch zum Heizen mit genutzt und damit konnte die gewünschte Leistung bei niedrigerem Vorlauf erreicht werden.
Vom Kraftwerk zur Wärmepumpe

Eine clevere Umrüstung

-

Wie lässt sich eine Kantine weiter mit Wärme und Kälte versorgen, wenn das angeschlossene Fernwärmenetz abgeschaltet wird? Daniel Böttcher, Service Operation Manager bei Johnson Controls, stellt ein Projekt vor, bei dem durch eine smarte Idee die Umrüstung einer Lüftungsanlage aus dem Jahr 1972 gelang, ohne fest verbaute Komponenten auszutauschen.

Herausforderungen im Service: Vom Kampf um knappe Ersatzteile bis zur Entscheidung, warum sie auf Subunternehmer verzichten.
Störungsmanagement im Kälte-Service

20 Störungen am Tag: Wie man den Service-Alltag meistert

-

Rund 20 Störungsmeldungen pro Tag sind für Nicolai Pospiech, Geschäftsführer von Cool Solution, und sein Team Alltag. Als Dienstleister für große Kühlmöbelhersteller ist eine exzellente Organisation das A und O.

„Das vorgedämmte Kunststoff-Rohrleitungssystem ist korrosionsbeständig, energieeffizient und lässt sich schneller installieren als herkömmliche Metallrohr“
Vorgedämmtes Kunststoff-Rohrleitungssystem für Kaltwasseranwendungen

Schnell verarbeitet

-

Als Alternative zu herkömmlichen Metallrohren bieten vorgedämmte Rohrleitungssysteme aus Kunststoff mehrere Vorteile. Ihre integrierte Konstruktion aus Rohr, Dämmung und Außenmantel verhindert Korrosion und verbessert die Energieeffizienz. Das verwendete Elektroschweißverfahren kann zudem die Installationszeit verkürzen. Wir haben bei GF dazu ein Video gemacht, dass den Verarbeitungsprozess erklärt.

Schema der Abwärmenutzung in einem fleischverarbeitenden Betrieb, hier eine Anordnung mit Hoch- und Niedertemperatur-Speicher. Die Abwärme wird im Niedertemperatur-Speicher (rechts) eingekoppelt. Die eXergiemaschine sorgt für einen kühlen Rücklauf zur Kältetechnik und eine ausreichend hohe Temperatur im Hochtemperatur-Speicher (linker Speicher).
Mit dem KältenKlub-Mobil bei Varmeco

Kundenvorteil steigern durch Abwärmenutzung

-

Kälteanlagenbauer, die bei der Planung auch die Heizungstechnik mit im Blick haben, können ihren Kunden große Sparpotenziale eröffnen. Denn eine smarte Nutzung von Abwärme führt zu niedrigeren Betriebskosten bei der Wärme- und Kälteerzeugung – und möglicherweise sogar zu geringeren Investitionskosten.

TIGSol L und TIGSol N
Einsatz von Wärmeträgern in der Kältetechnik

Darauf kommt es an

-

Mit der neuen F-Gase-Verordnung (EU) 2024/573 rücken natürliche Kältemittel verstärkt in den Fokus der Kälte-, Klima- und Wärmepumpentechnik. Diese Entwicklung stellt die Branche jedoch vor neue Herausforderungen: Viele Niedrig-GWP- oder „natürliche“ Kältemittel verfügen über brennbare, toxische oder erstickende Eigenschaften, was ihren Einsatz in bestimmten Bereichen erschwert. Um die Sicherheit bei solchen Anwendungen zu gewährleisten, sind andere Lösungen gefragt. Eine bewährte Option ist die Nutzung von Wärmeträgern wie TIGSol in Sekundärsystemen.

Peter Schulte-Batenbrock (rechts) erklärt dem ollen Rehfeld, wer Marvin ist.
Klimasysteme für Wohn- und Gewerberäume

Das ist Marvin

-

Das Klimagerät „Marvin“ ist ein Innengerät aus dem Sortiment von Sinclair und für den Einsatz in Split- und Multi-Split-Systemen vorgesehen. Wir haben es uns von Peter Schulte-Batenbrock bei einem Besuch bei Sinclair in der Tschechei erklären lassen. Der folgende Beitrag beschreibt Leistungsbereiche, Systemkonfigurationen, Ausstattungsmerkmale und geplante Erweiterungen.

Der Kälte Philipp Weber installiert gleich das Außengerät.
Einbau einer Multisplit-Anlage für eine Stuttgarter Immobilienverwaltung

Ganz schön eng hier

-

Es ist schon manchmal etwas eng, wenn mehrere Gewerke zur selben Zeit am Arbeiten sind. So, wie in den neuen Räumlichkeiten der Stuttgarter Immobilienverwaltung COPRO, die ihr Büro in der Silberburgstraße in Stuttgart bezogen hat. Allerdings etwas zu früh, denn eigentlich war noch nichts fertig. Außer der Immo-Mitarbeiter Marc selbst, der seine Arbeit nicht ganz in gewohnter Ruhe machen konnte.

Der Umgang mit dem Smartphone gelingt in der Regel gut, beschränkt sich jedoch meist auf einen eingeschränkten Nutzungsbereich
Zwischen Fachkräftemangel, Motivation und Kompetenzdefiziten

Wie es in den Schulen aussieht

-

Wir haben die Berufsschulen gefragt, wie sie die aktuelle Situation in der Ausbildung erleben. Die Rückmeldungen zeigen ein deutliches Bild: steigende Schülerzahlen, große Leistungsunterschiede, wachsende Wissenslücken und eine spürbar veränderte Motivation bei den Auszubildenden. Gleichzeitig stehen Lehrkräfte und Betriebe vor der Aufgabe, unter den Bedingungen des Fachkräftemangels Ausbildungsqualität und Praxisnähe aufrechtzuerhalten. Hier sind die zusammengefassten Antworten der Berufsschulen.

V.l.: GF Sven Klafack mit Victor
Förderung von Auszubildenden, jungen Fachkräften und Ausbildern

Als Azubi raus in die Welt

-

Wer im Handwerk ausbildet, denkt längst nicht mehr nur regional. Fachkräfte sind knapp, internationale Erfahrung wird wichtiger. Das EU-Programm Erasmus+ eröffnet Auszubildenden die Möglichkeit, ein Praktikum im Ausland zu absolvieren und Betrieben die Chance, junge Fachkräfte aus anderen Ländern willkommen zu heißen. Davon profitieren beide Seiten: Fachlich, persönlich und im Wettbewerb um Nachwuchs.

Bastian erklärt an der CXAF 080, wann und wie der Einsatz von Mehrleitermaschinen sinnvoll ist.
Anlagentechnik bei Trane

Die Kunst der intelligenten Systemkopplung

-

Ein 50.000-Liter-Pufferspeicher, eine reversible Wärmepumpe und eine Mehrleitermaschine bilden bei Trane Deutschland das Herzstück einer flexiblen Energiezentrale.

Hier bei Schiessl in Pullheim haben wir während der Dreharbeiten die Julia getroffen und sie gleich „geschnappt“.
Quereinstieg in die Kältetechnik

„Traut euch, Mädels!“ – Vom Gärtnerberuf zur Kältetechnik

-

Frauen in der Kältetechnik sind nach wie vor eine Seltenheit. Julia Traut ist eine von ihnen und hat einen ungewöhnlichen Weg in die Branche gefunden.

Wärmeübertrager sind überall im Alltag zu finden.
Auf dem Hocker mit: Jens Jüngel von Hexonic

Die Kunst der effizienten Wärmeübertragung

-

Wärmeübertrager sind das Herzstück unzähliger Prozesse – von der Heizung im Eigenheim über die Lebensmittelproduktion bis hin zu komplexen Industrieanlagen. Doch welche Technologie ist die richtige für welchen Zweck?

Bei strahlendem Sonnenschein zu Gast bei TEKO mit dem KältenKlub-Mobil, dem mobilen Aufnahmestudio.
Zu Besuch bei TEKO

Mitarbeitergewinnung

-

Wir haben mit dem KältenKlub-Mobil die Firma TEKO besucht und mit Kristin Eberhardt über das Thema Mitarbeitergewinnung gesprochen. TEKO geht diverse Wege und nutzt unterschiedliche Möglichkeiten, um potentielle Mitarbeiter zu erreichen. Welche Möglichkeiten es gibt, zeigt dieses Interview.

Das Midea-Team am KältenKlub-Mobil
Maßgeschneiderte Klimalösungen von Midea für den europäischen Markt

Ideen aus Europa

-

Midea ist weltweit einer der größten Hersteller von Klimageräten – doch für Europa entstehen viele Entwicklungen direkt in Deutschland. Im F&E-Zentrum in Stuttgart-Vaihingen arbeitet ein internationales Team daran, Technik, Design und Anforderungen europäischer Märkte in Einklang zu bringen. Manuel Seethaler und Markus Schmitz geben Einblicke in ihre tägliche Entwicklungsarbeit und ein ganz besonderes Projekt.

Was ist eigentlich nötig, um ein Kühlmöbel auf Maß herzustellen?
Maßarbeit aus der Kühlmöbel-Manufaktur

Vom Blech zur Sterneküche

-

An Kühlmöbeln läuft man oft achtlos vorbei, doch in ihnen steckt spezialisierte Handwerkskunst. Das gilt besonders, wenn sie für die Spitzengastronomie, historische Gebäude oder anspruchsvolle Bars maßgefertigt werden. Wir waren zu Gast bei Amberger Kühltechnik und haben mit Geschäftsführer Martin Haug über den Prozess gesprochen, wie aus einer Idee und einem blanken Edelstahlblech ein maßgeschneidertes Kühlmöbel entsteht.

Der Meistertitel eröffnet ganz andere Wege. Es muss nicht immer der eigene Fachbetrieb sein.
Karriere in der Kältetechnik

Vom Kälteanlagenbauer zum Regionalleiter

-

Wie wird man vom gelernten Kälteanlagenbauer zum Regionalleiter? Michael Schröder-Seitz, Kälteanlagenbauermeister bei Stulz, schildert im Gespräch seinen Karriereweg. Ein inspirierender Einblick in die Karrierechancen der Kältetechnik.

75. Gewinnspiel im KältenKlub

Kühle Mobil-Brise

-

Zum Jahresanfang verlosen wir zusammen mit Schiessl eine mobile Klimaanlage NOVAER INUK 2.6 C01 mit allem Zubehör.

Um Missverständnissen vorzubeugen: Der Rechner, die Tastatur, der Monitor rechts, der Schrank links und der Telepromter oben rechts im Bild gehören nicht zur Verlosung dazu ;-)
75. Gewinnspiel im KältenKlub

Gesammelte Werke

-

In diesem Weihnachts-Gewinnspiel verlost der KältenKlub das „Kältisches Sammelsurium 2025“

Diese Studierenden haben ihren Bachelor-Abschluss bereits in der Tasche: ­Verabschiedung von 15 Absolventen und einer Absolventin im September 2024 an der ESaK.
Weiterbildungsmöglichkeiten in der Kältetechnik

Duales Studium

-

Wir haben im Rahmen der letzten Heftausgaben bereits einige Möglichkeiten aufgezeigt, wie man als Geselle in der Kältetechnik einen nächsten Karriereschritt in Angriff nehmen kann. Dieser Beitrag beschäftigt sich mit dem Dualen Studium der Technischen Hochschule Mittelhessen (THM) und der Europäischen Studienakademie Kälte-Klima-Lüftung (ESaK)

Da, klitzeklein unten rechts, steht das KältenKlub-Mobil neben dem riesigen Gebäude.
Das neue Forschungs- und Entwicklungszentrum von Daikin Europe

Zentrum für Wärmepumpen

-

Wir waren mit dem KältenKlub-Mobil bei Daikin in Gent/Belgien. Dort haben wir uns das neue Forschungs- und Entwicklungszentrum angesehen und auch ein Video dazu gemacht. Das EDC ist das globale Forschungs- und Entwicklungszentrum für Wärmepumpentechnologie. Zudem werden dort Direktverdampfungssysteme (DX-Technologie) für die Regionen Europa, Naher Osten und Afrika (EMEA) sowie Kältetechnik entwickelt.

Die VAMP-Kondensatpumpen

Kompakt, leise, schnell installiert

-

Entwickelt und gefertigt in der Schweiz setzt Refco mit der VAMP-Serie neue Maßstäbe in der Kondensatpumpentechnologie. In der letzten Ausgabe der KK hatten wir dazu bereits einen Produktbeitrag veröffentlicht. Der Fehlerteufel schlich sich jedoch ein und darum gibt es hier eine korrigierte Version der kompletten Serie.

Nicht für jeden, nur für einen: Exklusiv für die Kälten des KältenKlubs
74. Gewinnspiel im KältenKlub

Klemmbausteine

-

Der Kälten-Klub und Trane Deutschland verlosen einen luftgekühlten Flüssigkeitskühler mit magnetgelagertem Radialverdichter! Na gut, nicht ganz. Hier gibt es die exklusive „Klemmbaustein-Variante“.

Die Truppe vom 11. Kälten-Treff 2025 in der Motorworld Köln
Zehn Jahre analoges Netzwerken: 11. Kälten-Treff 2025

Fachwissen auf hohem Niveau

-

Endlich ist es wieder so weit. Nach einem Jahr Pause starten wir am 16. September den 11. Kälten-Treff in der Motorworld in Köln. Mit neuem Konzept, hochwertigen Vorträgen von Hochschul-Dozenten, einer Hausmesse und in Summe 111 Teilnehmer. Davon 50 ausgewählte Auszubildende.

André Pauly ist der achtbeste Kälte in Europa und um einige Erfahrungen reicher.
Einblicke in die EuroSkills

Zwischen Zeitdruck und Teamgeist

-

Vom Kammerbesten zum Bundessieger und schließlich zur Teilnahme an den europäischen Berufs­wettbewerben: André Pauli hat den Weg an die Spitze des Kälteanlagenbauer-Handwerks beschritten.

V.l. Daniel Heßler, Achim Weiher, Michael Rutkat
Neuer Vor-Ort-Service für effizienteres Kältemittelmanagement

Refbuster

-

Ein mobiler Service verspricht Kälteanlagenbauern und Servicetechnikern eine drastische Effizienzsteigerung beim Kältemittelhandling. Mit Refbuster bringt Beijer Ref Deutschland eine bereits in den Niederlanden bewährte Lösung auf den deutschen Markt, die das komplette Management von der Rückgewinnung bis zur Wiederbefüllung übernimmt.

Phillip Handschuh ist „Director HighSpeed“ im gleichnamigen Technikum bei ebm-papst
Verdichtertechnik von ebm-papst

Kein Öl, kein Problem

-

ebm-papst betritt ein neues Feld: die Turbo-Kompressoren. In diesem exklusiven Gespräch erklärt Philipp Handschuh, wie das Unternehmen seine Kernkompetenzen in Aerodynamik, Motorik und Elektronik nutzt, um einen hocheffizienten, öl- und magnetfreien Turbo-Kompressor zu entwickeln. Wir waren in Mulfingen und konnten einen Blick hinter die Kulissen in das High-Speed-Technikum werfen.

Kälteanlagentechnik in Fragen und Antworten

Hätten Sie es noch gewußt?

-

Man lernt und lernt und lernt. Und verlernt natürlich auch mit der Zeit. Daher möchten wir an dieser Stelle in Kooperation mit dem VDE-Verlag verlerntes Wissen zurückholen und stellen Ihnen hier Fragen aus dem Buch „Kälteanlagentechnik in Fragen und Antworten“ von Erhard Planck und Dieter Schmidt.

Markus erklärt, wie die Schüler auf externe Referenten reagieren.
Wenn Industrie und Schule zusammenwirken

Direkter Kontakt

-

Das Engagement von Industrieunternehmen in Schulen bietet große Vorteile. Im Ausbildungszentrum Pittler ProRegion gehört diese Zusammenarbeit daher seit langem zum guten Ton. Zum einen erhalten angehende Fachkräfte praxisnahe Einblicke. Zum anderen knüpfen Unternehmen schon früh Kontakte zu potenziellen Nachwuchskräften. Ein Gewinn für alle Beteiligten.

Bei der Firmenfeier 2024 sprach Butke auf seine lockere Art zu den Mitarbeitern.
Ein ungewöhnlicher Karriereweg in der Kältetechnik

„Geht nicht“ gibt’s nicht

-

Wie wird aus einem Hauptschüler ein erfolgreicher Geschäftsführer? Jörg Butke, heute Chef bei coolair und Beijer Ref, hat diesen Weg mit harter Arbeit, Neugier und Durchhaltevermögen gemeistert. Im Interview mit dem KältenKlub erzählt er offen von schulischen Tiefpunkten, ersten Jobs mit wenig Perspektive – und davon, wie ihn seine Begeisterung für Kältetechnik schließlich auf Erfolgskurs brachte.

Kälten-TV | KW 34

Vergabebeschleunigungsgesetz / TEKO / 11. Kälten-Treff - Jetzt noch anmelden

-

Nicht nur die aktuellen News haben wir dabei, sondern auch eine spannende Unternehmensgeschichte bei TEKO!

Kälten-TV | KW32

Kälten-Treff, Gewinnspiel und mehr!

-

Neben einer kurzen Vorschau zum 11. Kälten-Treff haben wir für Euch aktuelle News, ein Besuch bei Pittler zum Thema Ausbildung und ein Gewinnspiel am Ende!

Diese Abtauarten sind verbreitet (v.l.): Elektroabtauung, Glykolabtauung, Heißgasabtauung
Große Verdampfer in der Kältetechnik

Sichere Abtauung

-

Die Abtauung von Verdampfern stellt in der Kältetechnik einen essenziellen Prozess dar, um eine effiziente Leistung der Anlage zu gewährleisten und Beschädigungen durch Vereisungen zu vermeiden. Während bei kleineren Verdampfern das Abtauen meist unproblematisch ist, erfordert die Abtauung großer Verdampfer deutlich mehr Aufmerksamkeit und Fachwissen. Dieser Artikel erläutert die gängigen Abtauverfahren, mögliche Fehlerquellen und bewährte Vorgehensweisen, damit die Abtauung sicher und effizient durchgeführt werden kann.

Ralf Dunker (l) und Walter Diebel (r) sprechen über Abwärmepotenziale.
Bindeglied zwischen Kälte, Wärme und Effizienz

Abwärme zum Vorteil nutzen

-

Niedertemperatur-Abwärme aus Kälteanlagen bleibt vielerorts ungenutzt – dabei verbirgt sich hierin ein erhebliches Effizienzpotenzial. Die sogenannte eXergiemaschine will genau hier ansetzen: Sie koppelt Kälte- und Wärmesysteme intelligent und schafft damit ganzjährig nutzbare Wärme bei gleichzeitig optimiertem Kältebetrieb. Doch ihre Wirkung entfaltet sie nur, wenn Planer gewerkeübergreifend denken.

73. Gewinnspiel im KältenKlub

Exaktes Wiegen

-

Auf der Süd-Tour haben wir uns mit Refco in Hitzkirch für Videoaufnahmen getroffen und die elektronische Füllwaage Refscale-S für dieses Gewinnspiel mitbekommen. Cool, oder? Diese verlosen wir hier.

3 TFA Dostmann  Infrarot- Thermometer
71. Gewinnspiel im KältenKlub

Berührungslos

-

Auf der ISH haben wir uns mit thermofin getroffen und drei TFA Dostmann Infrarot-Thermometer Ray (Modell 31.1136.20) mitbekommen. Die verlosen wir jetzt hier an drei Kälten.

1982 nach Lieferproblemen mit der Vorgängerfirma gegründet, fertigt TEKO heute eine Vielzahl von eigenen Anlagen.
41 jahre Innovation in der Kältebranche

TEKO: Wie alles begann

-

Seit mehr als vier Jahrzehnten baut TEKO Kälteanlagen. Wir haben das Unternehmen im hessischen Altenstadt besucht und Geschäftsführer Edgar Holzhäuser auf den Hocker gesetzt. Er erzählt uns, wie alles seinen Lauf nahm.

Anica stellt im Video die HPL-Serie vor, die am Standort Saarstadt gefertigt wird.
HPL: Plattenwärmeübertrager für industrielle Anwendungen

Druckbeständig und modular

-

Was treibt einen Hersteller für Wärmeübertrager eigentlich an, neue Produkte zu entwickeln? Wir haben Anica Windisch von Kelvion genau diese Frage mit der hauseigenen HPL-Serie erklären lassen.

11. Kälten-Treff

Uni trifft auf Kälten

-

Am 16. September 2025 findet in der MOTORWORLD Köln der 11. Kälten-Treff statt. Eine besondere Location, ein besonderes Programm und ein besonderer Anlass: Wir feiern zehn Jahre Kälten-Treff.

„Full House“ beim Kaut-Meeting 2025
Kaut-Meeting 2025

Vorträge und Achterbahn

-

Das Kaut-Meeting 2025 im Phantasialand in Brühl brachte nicht nur Fachbetriebe aus der Kälte- und Klimatechnikbranche zusammen, sondern bot auch eine Plattform für Austausch und langfristige Partnerschaften. Im Gespräch mit dem Geschäftsführer der Alfred Kaut GmbH, Rainer Frigger, erfuhren wir mehr über die Geschichte des Meetings, die Schwerpunkte der Veranstaltung und die Innovationsvorstellungen, die präsentiert wurden.

CO₂-Kältelösungen selbst konfigurieren

Smartes Tool für eine schnelle Planung

-

Mit dem *cmartR-tool hat compact Kältetechnik einen Online-Planer für die hauseigenen Standard-Produktserien *carbo-Line und *carbo-Rack entwickelt. Damit lässt sich jederzeit eine CO₂-Anlage konfigurieren. Peter Szalai, Prokurist und Leiter des Standorts Scharfenstein, stellt das Tool vor.

Kälteanlagentechnik in Fragen und Antworten

Hätten Sie es noch gewußt?

-

Man lernt und lernt und lernt. Und verlernt natürlich auch mit der Zeit. Daher möchten wir an dieser Stelle in Kooperation mit dem VDE-Verlag verlerntes Wissen zurückholen und stellen Ihnen hier Fragen aus dem Buch „Kälteanlagentechnik in Fragen und Antworten“ von Erhard Planck und Dieter Schmidt.

Ein inhaltsreicher Tag an der Hochschule Karlsruhe
eurammon Student´s Day 2025

Studentenfeeling

-

Am Montag, 14. April fand an der Hochschule Karlsruhe der eurammon Student´s Day 2025 statt. Zum ersten Mal seit 2020 trafen sich Studenten aus ganz Deutschland live vor Ort, um zu lernen und sich auszutauschen. Der Vortragsraum war voll, die blutjunge Stimmung klasse.

Die Uthörn II benutzt keinen herkömmlichen Dieselantrieb. Dadurch fiel der klassische Heizkessel weg.
Seewasser als Wärmequelle nutzen

Wärme pumpen auf hoher See

-

Martin Seidel von Loxstedter Kühltechnik hat auf dem Forschungsschiff Uthörn II die erste Wärmepumpe installiert. Im Interview spricht er über die Herausforderungen und technischen Details dieses Projekts.

Björn Sielaff ist Geschäftsführer bei WPS in Schenefeld und Bundesinnungsmeister.
Was der Bundesinnungsverband Kälte-Klima leistet

Die Brücke zwischen Handwerk und Politik

-

Björn Sielaff, Geschäftsführer von WPS Kälte- Klima in Schenefeld und Bundesinnungsmeister, erklärt im Interview die Aufgaben, Ziele und Vorteile des Bundesinnungsverbands für Kälte- und Klimatechnik (BIV). Warum sich eine Mitgliedschaft für Fachbetriebe lohnt, wie der Verband aktiv die Ausbildung fördert – und weshalb Netzwerken im Handwerk unverzichtbar ist.

Kälteanlagentechnik in Fragen und Antworten

Hätten Sie es noch gewußt?

-

Man lernt und lernt und lernt. Und verlernt natürlich auch mit der Zeit. Daher möchten wir an dieser Stelle in Kooperation mit dem VDE-Verlag verlerntes Wissen zurückholen und stellen Ihnen hier Fragen aus dem Buch „Kälteanlagentechnik in Fragen und Antworten“ von Erhard Planck und Dieter Schmidt.

Kälteanlagentechnik in Fragen und Antworten

Die Antworten

-

Und? Haben Sie es gewußt? Nein? Das macht nichts, denn selbstverständlich liefern wir auch die entsprechenden Antworten auf diese - manchmal etwas schwierigen - Fragen.

Michael Loescher vor dem KältenKlub-Mobil
Michael Löscher von Kaut erzählt zum Thema Pool-Wärmepumpen

Energieeffizient planschen

-

Wie lässt sich Poolwasser heute energieeffizient, umweltfreundlich und komfortabel erwärmen? Im Interview mit Michael Löscher von Kaut erfahren wir, wie moderne Poolwärmepumpen funktionieren, weshalb Titan-Wärmetauscher für Haltbarkeit sorgen und warum sich diese Technik vom privaten Gartenpool bis zum öffentlichen Freibad als wirtschaftlich sinnvolle Lösung etabliert hat.

Weitere Videos aus dem KältenKlub

Just Video

-

Sie kennen das. Das Auftragsbuch ist mehr als voll und Sie kommen zu nichts, was nicht unmittelbar zu Ihrem Arbeitsalltag gehört. Auch bei unseren Besuchen mit dem KältenKlub-Anhänger bleit es nicht aus, dass nicht aus allen Videos auch ein Text wird. Hier zeigen wir Ihnen exklusive Videos von unseren Touren.

Kälteanlagentechnik in Fragen und Antworten

Hätten Sie es noch gewußt?

-

Man lernt und lernt und lernt. Und verlernt natürlich auch mit der Zeit. Daher möchten wir an dieser Stelle in Kooperation mit dem VDE-Verlag verlerntes Wissen zurückholen und stellen Ihnen hier Fragen aus dem Buch „Kälteanlagentechnik in Fragen und Antworten“ von Erhard Planck und Dieter Schmidt.

Michael Bumm (links) und Markus Dreier nehmen auf dem Hocker für ein Gespräch im Klubmobil Platz.
Mit dem KältenKlub-Mobil bei Tyczka Air Gases

R290 - Kältemittel mit Zukunft

-

Was macht Propan (R290) als Kältemittel so besonders? Mit dem KältenKlub-Mobil haben wir Tyzcka Air Gases im Werk Würzburg besucht. Michael Bumm und Markus Dreier zeigen uns, wie es sicher abgefüllt wird und warum es im Vergleich zu herkömmlichen Kältemitteln immer wichtiger wird.

Mareike ist Social-Media-Spezialistin bei S-Klima und berichtet, warum solche Kanäle für Fachbetriebe wichtig sind.
Zu Besuch bei S-Klima in Hamburg

Gefällt mir!

-

Das KältenKlub-Mobil steht in Hamburg auf dem Werksgelände von S-Klima. Dort sprechen wir mit Mareike Kaczenski über das Thema Social Media für Fachbetriebe. Es fielen Begriffe, wie z.B. „SEO“, „Google Ads“ und „Online-Shop“, sodass wir mit Sabine Grillo, der S-Klima-Spezialistin dieser Bereiche ebenfalls Videos aufgenommen haben. In diesem Beitrag geht es erst einmal um die Wichtigkeit von Social-Media-Kanälen für Fachbetriebe.

Ein Blick auf die Dreharbeiten.
Aus dem Hänger mit Annett Gregor

Mission: Zukunft sichern – Wie compact Kältetechnik nachhaltig ausbildet

-

Annett Gregor (CHRO Head of People & Culture) gibt spannende Einblicke, wie ihr Unternehmen junge Talente für die Ausbildung begeistert, sie individuell fördert und durch Initiativen wie Auslandspraktika, Kooperationsmodulen in der Praxis und ein durchdachtes Onboarding-Programm zu hochqualifizierten Fachkräften ausbildet. Entdeckt, was die Ausbildung bei compact Kältetechnik so besonders macht und welche Strategie hinter dem Erfolg steckt.

So sieht der Schinken in der Schinkensalzerei und -räucherei August Meschede aus.
Gewerkeübergreifendes Planen eröffnet Sparpotenzial bei Kälte und Wärme

Abwärme besser nutzen

-

In der lebensmittelverarbeitenden Industrie und im Lebensmittel-Einzelhandel arbeiten Kälteanlagen, deren Abwärme oft kaum genutzt oder komplett abgeführt wird. Dabei lässt sie sich in vielen Fällen zur Warmwasserbereitung oder zum Heizen verwenden und zugleich eine bessere Kühlung für Kühl- und Tiefkühlanlagen umsetzen. Welches Einsparpotenzial dies eröffnet, zeigt das Beispiel einer Schinkensalzerei und -räucherei.

Wir haben während der Nordtour zwischen S-Klima in Hamburg und Clivet in Nordhorn den Martin besucht. V.l.: Der olle Wolle, der knackige Martin und der olle Rehfeld
Auf dem Hänger mit Martin Seidel von Loxstedter Kühltechnik  

Kältetechnik an Bord

-

Dieses Interview bietet einen Einblick in die vielfältigen Aspekte der Kältetechnik auf Schiffen und zeigt, wie spannend und abwechslungsreich dieser Bereich sein kann. Martin Seidel von Loxstedter Kühltechnik teilt seine Erfahrungen und gibt uns einen Blick hinter die Kulissen dieser spezialisierten Branche.

Aufbereiten oder Recycling? Die beiden Begriffe werden oft miteinander vermischt.
Rücknahme und Aufbereitung gebrauchter Kältemittel

Der Recycling-Kreislauf

-

Mit der neuen F-Gase-Verordnung (EU) 2024/573 verfolgt die EU eine drastische Reduktion der Emissionen fluorierter Treibhausgase. Diese Verordnung markiert den schrittweisen Ausstieg (Phase-out) aus der Nutzung teilhalogenierter Fluorkohlenwasserstoffe wie R 32, R 134a, R 404A oder R 410A und fördert den verstärkten Einsatz natürlicher Kältemittel. Doch wie geht man mit bestehenden Anlagen und gebrauchten Kältemitteln um?

71. Gewinnspiel im KältenKlub

Speicherplatz

-

Der Kälten-Klub verlost in diesem Gewinnspiel zehn USB-Sticks in einem Paket.

Kälteanlagentechnik in Fragen und Antworten

Hätten Sie es noch gewußt?

-

Man lernt und lernt und lernt. Und verlernt natürlich auch mit der Zeit. Daher möchten wir an dieser Stelle in Kooperation mit dem VDE-Verlag verlerntes Wissen zurückholen und stellen Ihnen hier Fragen aus dem Buch „Kälteanlagentechnik in Fragen und Antworten“ von Erhard Planck und Dieter Schmidt.

Weitere Videos aus dem KältenKlub

Just Video

-

Sie kennen das. Das Auftragsbuch ist mehr als voll und Sie kommen zu nichts, was nicht unmittelbar zu Ihrem Arbeitsalltag gehört. Auch bei unseren Besuchen mit dem KältenKlub-Anhänger bleit es nicht aus, dass nicht aus allen Videos auch ein Text wird. Hier zeigen wir Ihnen exklusive Videos von unseren Touren.

Kälteanlagentechnik in Fragen und Antworten

Die Antworten

-

Und? Haben Sie es gewußt? Nein? Das macht nichts, denn selbstverständlich liefern wir auch die entsprechenden Antworten auf diese - manchmal etwas schwierigen - Fragen.

Carina hat sich für die Ausbildung entschieden. Auf einer Berufsmesse hat sie dann Amberger Kühltechnik entdeckt.
Ausbildung

Vier Azubis auf der Stange

-

Eduard, Carina, Michael und Alan sind Auszubildende bei Amberger Kühltechnik. Die angehenden Mechatroniker für Kältetechnik erzählen von Baustellen-Einsätzen, der Berufsschule in Lindau und ihren ersten Erfahrungen im Arbeitsalltag. Außerdem verraten sie, was sie an der Ausbildung besonders reizt und warum ein Praktikum der beste Einstieg ist.

Bild 1 Flüssigkeits-Saugdampf-Wärmeübertrager als Überhitzer zur Leistungsverbesserung des Verdampfers.
Kälteanlagentechnik in Fragen und Antworten

Die Antworten

-

Und? Haben Sie es gewußt? Nein? Das macht nichts, denn selbstverständlich liefern wir auch die entsprechenden Antworten auf diese - manchmal etwas schwierigen - Fragen.

70. Gewinnspiel im KältenKlub

Nur für mich!

-

Sie haben es satt, dass bei Ihnen ständig die KK vom Schreibtisch verschwindet? Sie sind es leid, im Büro ständig das Heft zu suchen? Dann haben wir die Lösung: Die KK-Redaktion verlost eine Lizenz für 12 Heftausgaben der KK.

Zielüberhitzung

Gezielt überhitzen

-

Die Zielüberhitzung (Target Superheat) beschreibt die Temperaturdifferenz zwischen der tatsächlichen Temperatur des Kältemittels am Ausgang des Verdampfers und der Sättigungstemperatur dieses Kältemittels bei dem am selben Punkt gemessenen Druck. Diese Differenz gewährleistet, dass das Kältemittel vollständig verdampft ist und im gasförmigen Zustand den Verdampfer verlässt, bevor es in den Kompressor gelangt. Wir haben Markus Steffen besucht. Er erklärt uns, wie Refco diesen Wert genau behandelt.

Bild 1 Zeigt Einen Kältemittelkreislauf Mit Einem Zusätzlichen Wärmeübertrager In Der Saug- Bzw. In Der Flüssigkeitsleitung. Die Temperaturen Des Kältemittels R-134a Sind Bis Auf Die Temperatur Des Unterkühlten Kältemittels Vor Dem Regelventil TE1  Eingetragen. In Den Leitungen Findet Ansonsten Keinerlei Wärmeübertragung Statt:
Kälteanlagentechnik in Fragen und Antworten

Hätten Sie es noch gewußt?

-

Man lernt und lernt und lernt. Und verlernt natürlich auch mit der Zeit. Daher möchten wir an dieser Stelle in Kooperation mit dem VDE-Verlag verlerntes Wissen zurückholen und stellen Ihnen hier Fragen aus dem Buch „Kälteanlagentechnik in Fragen und Antworten“ von Erhard Planck und Dieter Schmidt.

Michael Treu kennt sich mit Kaltwassersätzen aus. Mag das Prinzip auch einfach sein, gibt es dennoch eine ganze Menge Details zu beachten.
Kaltwassersatz erklärt

Was ist eigentlich ein Kaltwassersatz?

-

Kaltwassersätze arbeiten in fast jedem Gebäude. Sind aber meistens gut versteckt. Michael Treu ist Vertriebsingenieur bei Clivet und erklärt uns, was ein Kaltwassersatz eigentlich ist.

Bei der Abtauung musste die Temperatur reduziert werden. Das dauert zwar länger, spart aber unterm Strich Energie ein.
Effiziente Kühlung mit natürlichen Kältemitteln

MultiGAS erklärt

-

Mit natürlichen Kältemitteln kann man effizient kühlen. Dafür müssen aber alle Komponenten auf aktuellem Stand sein. Wie das bei Kelvion aussieht, erklärt uns aus dem KältenKlub-Mobil heraus Anna Sommerfeld. Sie ist Produktlinienmanagerin und gibt einen detaillierten Einblick in die aktuellen technischen Anpassungen und Entwicklungen, die auf die spezifischen Anforderungen natürlicher Kältemittel eingehen.

Wenn wie hier kein Heizungsrohrsystem verbaut ist, bleibt nur eine kosteneffiziente Alternative.
Klimatisierung einer Doppelhaushälfte

Mit Wärmepumpe geht es nicht

-

Mitte April hat sich die KK-Redaktion mit Wolfgang Schäfer von Caretaker auf einer seiner Baustellen getroffen. Wir sind in einem alten Wohngebiet in Karlsruhe-Neureuth. Diesmal ohne PINK-Anhänger. Wolle hat den Auftrag bekommen, in einer Doppelhaushälfte eine Duo-Split-Klimaanlage zu installieren.

Christian Huhn, Geschäftsführer von Hexonic in Köln erklärt in diesem Video die Grundlagen der Wärmeübertragung und was wichtig bei der Berechnung und Beurteilung von Auslegungsdaten für Wärmeübertragung ist
Weitere Videos aus dem KÄLTENKlub-Mobil

Just Video

-

Sie kennen das. Das Auftragsbuch ist mehr als voll und Sie kommen zu nichts, was nicht unmittelbar zu Ihrem Arbeitsalltag gehört. Auch bei unseren Besuchen mit dem KältenKlub-Anhänger bleit es nicht aus, dass nicht aus allen Videos auch ein Text wird. Hier zeigen wir Ihnen exklusive Videos von unseren Touren.

Wenn man doch ein mal vor Ort sein muss, gibt es eine lokale Visualisierung.
Optimierung durch Fernüberwachung

OpenBlue Connected Chiller

-

In der heutigen Zeit stehen Unternehmen vor großen Herausforderungen, wenn es um die Effizienz und Wartung ihrer Kälteanlagen geht. Fachkräftemangel und der Bedarf an Energieeinsparungen erfordern neue Lösungen. Eine solche stellt der OpenBlue Connected Chiller dar. Dieses Fernüberwachungssystem ermöglicht eine Überwachung und Analyse von Kaltwassersätzen in Echtzeit.

69. Gewinnspiel im KältenKlub

Leisepumpe

-

Der KältenKlub und Refco verlosen drei VAMP-F mit Adaptern. Die Schweizer Kondensatpumpe pumpt bis zu 22 Liter pro Stunde bei einer Förderhöhe von bis zu 15 Meter. Und das bei einem Geräuschpegel von < 20 dB(A) und einer Bauhöhe von 26 mm.

Kälteanlagentechnik in Fragen und Antworten

Hätten Sie es noch gewußt?

-

Man lernt und lernt und lernt. Und verlernt natürlich auch mit der Zeit. Daher möchten wir an dieser Stelle in Kooperation mit dem VDE-Verlag verlerntes Wissen zurückholen und stellen Ihnen hier Fragen aus dem Buch „Kälteanlagentechnik in Fragen und Antworten“ von Erhard Planck und Dieter Schmidt.

Kälteanlagentechnik in Fragen und Antworten

Die Antworten

-

Und? Haben Sie es gewußt? Nein? Das macht nichts, denn selbstverständlich liefern wir auch die entsprechenden Antworten auf diese - manchmal etwas schwierigen - Fragen.

V.l.: Der olle Rehfeld, Milena Kuhrts und Bundesinnungsmeister Björn Sielaff, der uns als Gastgeber seine Halle zur Verfügung gestellt hat.
Auf dem Hocker mit... Milena Kuhrts

Mit Kind und Kegel zum Meister

-

Frauen im Handwerk sind bei uns eher selten zu finden. Frauen, die als Mutter und Mechatronikerin funktionieren müssen, sind noch seltener. Und wenn sie dann noch den Meister machen, darf trotz allem Lernens der Rest nicht zu kurz kommen. Wie es funktioniert, als Frau den Meister zu machen und auch das Familienleben unter diesen Hut zu bekommen, beschreibt folgendes Interview, das wir mit Milena im Kältenklub-Mobil geführt haben.

Kira ist ein weiterer Beweis dafür, dass Frauen in unserem Handwerk eine größere Rolle spielen sollten.
Mechatronikerin spricht über ihre positiven Erfahrungen

Girlpower im Handwerk

-

Vom „Girls-Day“ inspiriert, erzählt Kira im Interview, warum sie sich entschlossen hat, einen typischen „Männerberuf“ zu ergreifen und wie sie nun ihren beruflichen Alltag erlebt.

Kälteanlagentechnik in Fragen und Antworten

Hätten Sie es noch gewußt?

-

Man lernt und lernt und lernt. Und verlernt natürlich auch mit der Zeit. Daher möchten wir an dieser Stelle in Kooperation mit dem VDE-Verlag verlerntes Wissen zurückholen und stellen Ihnen hier Fragen aus dem Buch „Kälteanlagentechnik in Fragen und Antworten“ von Erhard Planck und Dieter Schmidt.

67. Gewinnspiel im KältenKlub

Modernes Lernen

-

Der Kälten-Klub und der VDE Verlag verlosen in Zusammenarbeit mit BrainYoo Mobile Learning fünf Lizenzen der Lernkarten-Sets Kälteanlagentechnik I und II.

Refco erweitert lokal – und das nicht nur wegen der malerischen Landschaft. Die heimische Produktion bietet Vorteile.
In der Schweiz bei Refco

Expansion und Kapazitäten – Der Baustellen-Talk

-

In der Kältetechnik gibt es selten Stillstand, besonders für Unternehmen wie Refco, die den Markt mit neuen Produkten bereichern.

Chillventa 2024

Das gibt es zu sehen

-

Die Chillventa hat sich als die bedeutendste Fachmesse unserer Branche etabliert. Wir haben mit Marketingleiter Bertold Brackemeier darüber gesprochen, was man als Besucher geboten bekommt.

CoolShift heat XL reversible Wärmepumpe mit 1,5 MW Leistung
Mit dem Hänger bei TEKO

CO2 als Kältemittel – Ein nachhaltiger Standard

-

Jonas Linnemann ist Industrial Application Specialist für CO2 bei TEKO. Im Hänger gibt er Einblicke in die Welt der transkritischen CO2 -Technik und erklärt, dass man sich vor der Komplexität nicht fürchten muss.