Springe auf Hauptinhalt Springe auf Hauptmenü Springe auf SiteSearch
Kleine Kaltwassersätze aus Standardkomponenten

Mit Propan wirtschaftlich und umweltfreundlich kühlen

Schriefer stellt unter anderem Kühlanlagen her, die meist noch mit den synthetischen Kältemitteln R 134 a, R 404 A und R 407 C betrieben werden und dadurch zur Umweltbelastung beitragen. Denn diese Kältemittel können im Falle ihres Entweichens, ähnlich wie Wasserdampf oder CO 2 , langwellige Strahlung von der Erdoberfläche absorbieren und damit direkt den Treibhauseffekt und den kaum mehr zu bezweifelnden Klimawandel fördern. Diese Eigenschaft wird als das sogenannte Treibhauspotenzial bezeichnet. Der indirekte Beitrag zum Treibhauseffekt wird durch Energiebedarf der Kälteanlage und den damit verbundenen Schadstoffausstoß verursacht, der bei der Verbrennung fossiler Energieträger entsteht. Daher hat man bei Schriefer nach Alternativen gesucht.

Anlagenbauer und Betreiber: Mut zur Alternative

Wenn ein Kältefachbetrieb eine Anlage verkaufen will, die nicht oder noch nicht Mainstream ist, hat er es nicht leicht. Denn er braucht dazu einen Kunden und späteren Anlagenbetreiber, der bereit ist, in eine Technologie zu investieren, die zwar Stand der Technik ist, aber lange noch nicht so verbreitet ist, wie es geboten wäre. Bei der Stadtwerke Lübbecke GmbH, die sich ihren Kunden, den in der Stadt Lübbecke lebenden Menschen und auch der Umwelt in hohem Maße verpflichtet fühlt, stieß Schriefer aber auf offene Ohren.

Der auf dem Dach der Stadtwerke aufgestellte alternative Flüssigkeitskühlsatz dient zur Abdeckung der Grundlast der Gebäudeklimatisierung und hauptsächlich zur Kühlung des Server-Raums. Dadurch muss dieser Solekühlsatz neben sicherheitstechnischen auch hohe Anforderungen an Betriebssicherheit und Zuverlässigkeit erfüllen.

Projektierung: Arbeitsschritte und angewandte Methoden

Die Entwicklung des Kühlsatzes wurde in mehreren Phasen durchgeführt. Die erste Phase beinhaltet eine umfassende Studie zum Stand der Technik und zu den verfügbaren Kältemitteln. Das ausgewählte Kältemittel sollte aus ökologischer Sicht unbedenklich sein und dem Betreiber langfristig eine umweltrechtliche Akzeptanz sichern. Neben den ökologischen Gesichtspunkten spielten auch die Verfügbarkeit und die Kosten der verwendeten Komponenten sowie die sich aus den thermodynamischen, physikalischen und chemischen Eigenschaften des Kältemittels ergebenden Konsequenzen eine entscheidende Rolle. Die Überprüfung dieser Punkte erbrachte eine Entscheidung zugunsten des Kohlenwasserstoffes Propan (R 290) als Kältemittel.

Wegen der Brennbarkeit von Propan schloss sich die Erarbeitung eines Sicherheitskonzeptes an, bei dessen Erstellung eine Gefahrenanalyse durchgeführt wurde. Diese beinhaltete die Identifikation von Gefahren, die Bewertung der Eintrittswahrscheinlichkeiten und der Gefahren-Tragweite in den einzelnen Realisierungsphasen der Kälteanlage. Die Untersuchungen ergaben die erforderlichen Sicherheitsmaßnahmen zur Gefahrenvermeidung, die bei der konstruktiven Umsetzung des Konzeptes berücksichtigt wurden. Aus der vorläufigen Abschätzung der Kältemittel-Füllmenge (2,5 kg) resultierten die notwendigen sicherheitstechnischen Maßnahmen ebenso wie die Art der Aufstellung der Anlage.

Die Anlagenkonzeption berücksichtigt die zunächst definierten Anforderungen hinsichtlich der Kälteleistung bei den gegebenen Temperaturen. Auf dieser Grundlage wurden Simulationsrechnungen für verschiedene Kälteanlagenkonzepte durchgeführt und die Bauart festgelegt. Anschließend hat man das zu verwendende Kältemaschinenöl ermittelt. Die Recherche zu den Stoffdaten des Öl-Kältemittel-Gemisches ermöglichte eine genauere Bestimmung des Wärmeübergangs in den Wärmeübertragern. Daraufhin wurden die einzelnen Anlagenkomponenten mit Unterstützung der jeweiligen Hersteller bestimmt. Die Adaption der kreislaufrelevanten Sicherheitstechnik vervollständigt das Anlagenkonzept. Die Erstellung einer Betriebsanleitung nach Maschinenrichtlinie 2006/42/EG, die Schulung des Betreibers vor und bei der Inbetriebnahme der Kälteanlage waren unterstützende und notwendige Maßnahmen für deren sicheren Betrieb.

Anlagenaufbau: Schallisolierung und hoher Vormontagegrad

Der Kaltwassersatz befindet sich in einem kompakten und wartungsfreundlichen Gehäuse, das alle Bauteile und Sicherheitsorgane sowie Wasseranschlüsse und die Steuerung enthält. Da das Gehäuse schallisoliert ist, lässt sich der Kaltwassersatz auch in sensibleren Umgebungen aufstellen.

Der luftgekühlte Verflüssiger ist gemeinsam mit dem Schallschutzgehäuse auf einem stabilen Grundrahmen montiert. Der Wasserkühlsatz wurde werkseitig bereits vollständig vormontiert. Somit entfällt das Verlegen der Verbindungsleitungen zwischen den einzelnen Anlagenbauteilen auf der Baustelle. Zugleich werden die Leitungswege innerhalb der Anlage dadurch stark verkürzt und auf diese Weise Material, Kältemittel und letztendlich auch Energie eingespart. Während des Probelaufs wurde der Kältekreislauf bereits mit der vorgegebenen Kältemittelmenge befüllt und auf Dichtigkeit geprüft.

Der drehzahlgeregelte, halbhermetische Hubkolbenverdichter ist schwingungsgedämpft im Gehäuse montiert. Dadurch werden Vibrationen und eventuell entstehende Störgeräusche weitestgehend vermieden. Zusätzlich wurden bei der Aufstellung unter dem Grundrahmen Gummipuffer angebracht, sodass sich Vibrationen nicht auf den Untergrund im vorliegenden Fall ein Flachdach übertragen können.

Wegen des hohen Vorfertigungsgrades waren bei der bauseitigen Montage nur wenige Arbeitsschritte notwendig und der Kühlsatz in kürzester Zeit einsatzbereit. Da die Steuerung vorverdrahtet war, Programmierung und Einstellung werkseitig erledigt wurden, mussten lediglich noch der elektrische und der wasserseitige Anschluss vorgenommen werden. Dabei war der Wasser­anschluss bereits vorher aus dem Gehäuse herausgeführt und mit den nötigen Absperrventilen versehen worden. Entlüftungsmöglichkeiten des Hydraulikkreislaufs sind innerhalb der Kühlanlage vorgesehen, wodurch das System problemlos befüllbar ist. Im Störungsfall kann der Kreislauf mittels eines ebenfalls vormontierten Ent­leerungshahns entleert werden.

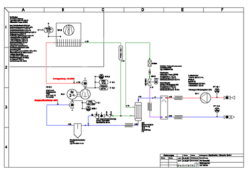
Bauteile im Kältekreislauf

Grundlegende Bauteile der Kälteanlage sind Verdichter, Verflüssiger, Expansionsventil und Verdampfer. Verdichter ist ein halbhermetischer Goeldner-Hubkolbenverdichter der HKT Huber-Kälte-Technik GmbH. Alle Verdichter dieser Bauart liegen seit 2003 auch als R 290-Ausführung vor. Verbaut wurde der Typ HS 32 2/8P, klassifiziert als II 3G EEx IIA T1 nach Atex 94/9/EG. Der Verdichter wird mittels eines externen Frequenzumrichters in einem Bereich von 20...60 Hz (600...1800 U/min) drehzahlgeregelt.

Der Verflüssiger von Güntner ist für Außenaufstellung konzipiert und mit einem Axialventilator mit der Schutzart IP 54 ausgestattet. Das leise Gerät erzeugt in 10 m Abstand nur noch einen Schalldruckpegel von 39 dB(A). Sein Lamellenpaket ist durch eine spezielle Tragrohrkonstruktion entlastet und schafft dadurch einen zusätzlichen Schutz gegen Leckagen.

Als Drosselorgan dient ein elektro­-nisches Einspritzventil von Alco. Es wird über einen Mikroprozessor-Regler gesteuert, der einerseits den Öffnungsgrad des Ventils anhand gemessener Betriebspunkte bestimmt, andererseits über den Ventiltreiber Temperaturen und Drucklagen der Kälteanlage überwacht. Bei einem Über- oder Unterschreiten der voreingestellten Werte wird ein Alarm an das Systemmanagement übermittelt und der Anlagenbetreiber erhält eine Störmeldung. Ein elektronisches Einspritzventil ist beim Einsatz des Kältemittels R 290 in Verbindung mit einem drehzahlgeregeltem Verdichter empfehlenswert. Denn nur damit ist im Verdampfer über den gesamten Betriebsbereich eine korrekte Überhitzung und eine optimale Verdampferauslastung gewährleistet. Gleichzeitig werden damit die Risikobetrachtungen für den zuverlässigen Anlagenbetrieb berücksichtigt.

Das Kühlmedium, ein Wasser-Glykol-Gemisch, wird im Verdampfer auf einen Sollwert gekühlt. Installiert ist ein Plattenwärmeübertrager von VAU für die Trockenexpansion mit asymmetrischen Durchgängen, um eine gleichmäßige und somit op­timale Kältemittelverteilung im gesamten Wärmeübertrager zu erreichen.

Als zusätzliche Schutzeinrichtung für den Verdichter und zur weiteren Erhöhung der Betriebssicherheit dient ein saugseitiger Flüssigkeitsabscheider. Weitere zwingend erforderliche Sicherheitseinrichtungen, die in dieser Kälteanlage verbaut wurden, sind Niederdruck- und Hochdruckwächter, Sicherheits-Hochdruckbegrenzer (Schutzart IP 54) und ein Sicherheits-Überdruckventil.

Da das Systemmanagement jederzeit alle Drücke und Temperaturen der Kälte­anlage erfasst, kann es vor dem Erreichen des Abschaltdrucks der jeweiligen Sicherheitseinrichtung eine Warnung ausgeben und der Betreiber erhält eine Störmeldung. Dieser kann also vor einem Kom­plettausfall der Anlage entsprechend rea­gieren und die Betriebssicherheit aufrechterhalten.

Durch den Einsatz eines Sauggas-Wärmeübertragers wird die Effizienz der Anlage zusätzlich erhöht. Denn das Kältemittel wird durch das kalte Sauggas weiter abgekühlt, wodurch im Verdampfer eine größere Enthalpie-Differenz zur Verfügung steht. Das bedeutet, dass mit gleicher Kältemittelmenge mehr Wärmeenergie aufgenommen werden kann. Der Wärmeübertrager senkt die Betriebskosten der Anlage so weit, dass sich sein Einsatz innerhalb nur eines Jahres amortisiert.

Bei R 290-Kälteanlagen schreibt der Verdichter-Hersteller eine Sauggasüberhitzung von mindestens 20 K wegen der hohen Öllöslichkeit des Kältemittels zwingend vor. Nur dann kann ein störungsfreier Betrieb und eine lange Verdichterstandzeit erreicht werden.

Optimale Betriebspunkte einfach erreicht

Durch die stufenlose Drehzahlregelung des Verdichters und das punktgenau regelbare Einspritzventil lassen sich zu jeder Sollwertvorgabe die bestmöglichen Betriebspunkte erreichen. Abhängig von der Außentemperatur wird der benötigte Sollwert permanent vom Systemmanagement ermittelt, und damit eine unnötig lange Laufzeit der Anlage vermieden, was auch im Sinne des Umweltschutzes ist. Diesem dient auch das eingesetzte Kältemittel R 290 (Propan), das einen GWP von 0 hat und weder gesundheits- noch ozonschädlich ist.

Selbst programmierte Steuerung mit hoher Verfügbarkeit

Die Steuerung des Kühlsatzes erledigt eine von Schriefer selbst programmierte Steuereinheit. Sie erfasst in kurzen Intervallen alle Systemdaten, vergleicht sie mit den Sollwerten und übernimmt die Einregelung. Herzstück der Steuerung ist die Regelung easy von Eaton, mit der Schriefer gute Erfahrungen gemacht hat. Im Falle eines Fehlers oder Ausfalls der Steuerung kann Schriefer durch die eigenständige Programmierung schnell Abhilfemaßnahmen ergreifen oder ohne Lieferzeit Ersatz beschaffen ein wichtiger Aspekt für die hohe Betriebssicherheit der Anlage. Das System ist netzwerkfähig und unterstützt eine Visualisierung der Anlagenzustände beispielsweise in einer Gebäudeleitzentrale. Oder aber es können mehrere Kälteanlagen kommunizierend miteinander verbunden werden.

Die Drehzahlregelung des Verdichters erledigt ein Frequenzumrichter, der den Drehzahlsollwert von der Steuereinheit erhält. Der Sollwert wird aus der geforderten Kälteleistung und der Temperaturdifferenz aus dem Vorlauf (Verbraucher/hydraulische Weiche) berechnet. Durch die Überwachung der Sole-Austrittstemperatur am Plattenwärmeübertrager wird bei einem Unterschreiten der minimal zulässigen Temperatur die Kälteleistung stetig reduziert.

Die Kälteanlage wird entsprechend der geforderten Solltemperatur zentral gesteuert und durch die lokale Messung am Plattenwärmeübertrager energetisch optimal ausgeregelt. Da sich der Frequenz­umrichter im Schaltschrank befindet, wurde eine Schaltkastenbelüftung installiert, um einer Überhitzung entgegenzuwirken. Der Luftaustausch findet passiv mithilfe des Verflüssiger-Ventilators statt. Ein Filterlüfter wurde als nicht notwendig erachtet.

Alle Bauteile der Steuerung und die Anschlussklemmen der Komponenten so-wie für die externen Meldungen sind ebenfalls im kompakten Stahlblech-Schaltschrank untergebracht.

Fazit

Da alle Komponenten für eine R 290-Kälteanlage auf dem Markt verfügbar sind, zeigt die von Schriefer realisierte Anlage, dass es ohne größere Schwierigkeiten möglich ist, einen vorschriftsgemäßen Kühlsatz zu bauen, der mit dem natürlichen Kältemittel Propan arbeitet. Zugleich werden mit diesem Anlagenkonzept Betriebskosten eingespart und eine hohe Investitionssicherheit geschaffen, abseits der Kältemitteldiskussionen und -verbote. Die Mehrkosten sind vertretbar und werden sich in kurzer Zeit amortisieren; man rechnet mit unter drei Jahren. -

Dipl.-Ing. (FH) Karl Huber

Geschäftsführer der HKT Huber-Kälte-Technik GmbH, Halfing

Jörg Rehburg

Kälteanlagenbauer bei der Wilhelm Schriefer GmbH, Diepenau-Lavelsloh

Karl Huber, Halfing, und Jörg Rehburg, Diepenau-Lavelsloh

Jetzt weiterlesen und profitieren.

+ KK E-Paper-Ausgabe – jeden Monat neu
+ Kostenfreien Zugang zu unserem Online-Archiv
+ Fokus KK: Sonderhefte (PDF)
+ Webinare und Veranstaltungen mit Rabatten
uvm.

Premium Mitgliedschaft

2 Monate kostenlos testen

Tags