Springe auf Hauptinhalt Springe auf Hauptmenü Springe auf SiteSearch
Premiere in Luxemburg

Chiller mit transkritischem CO2

Die Kälteversorgung des Supermarktes erfolgte ursprünglich über eine NH-Kaltsoleanlage, die zudem anfangs nicht einwandfrei lief. Hauptursache für die Neukonzeption war jedoch eine Nutzungsänderung innerhalb der Liegenschaft, so dass sich der Maschinenraum der Anlage mittlerweile direkt über Wohnbereichen befand. Dabei verursachten weniger die ca. 18 kg Ammoniak Unannehmlichkeiten als viel mehr die erheblichen Lärmemissionen und Geräuschübertragungen auf das gesamte Gebäude das Appartement unter dem Maschinenraum war nicht bewohnbar.

Daraufhin wurde Sabcolux beauftragt, eine völlig neue Anlage zu konzipieren und zu bauen. Eine besondere Herausforderung dabei war die Tatsache, dass die Umstellung der Kälteversorgung praktisch ohne Unterbrechung des Supermarktbetriebs zu erfolgen hatte, wobei der Markt an sieben Tagen der Woche geöffnet hat.

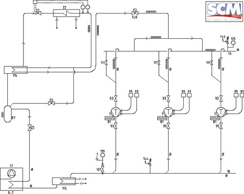
Diese Aufgabe wurde so gelöst, dass man im Vor- und Rücklauf des Solekreislaufs (als Sole wird Propylen-Glykol eingesetzt) jeweils ein T-Stück mit entsprechenden Absperrorganen eingebaut hat, s. Bild. Die alte Anlage lief also noch weiter, während die CO 2 -Anlage komplett aufgebaut und angeschlossen werden konnte. Zur Einregulierung (ca. ein Tag) und im Probebetrieb liefen beide Anlagen schließlich parallel. Als der Supermarktleiter fragte, ob denn die neue Anlage schon laufe, hatten wir bereits umgeschaltet, und er hatte nichts davon gemerkt, so Jacky Striegel, technischer Leiter von Sabcolux, im Gespräch mit KK-Chefredakteur Matthias Schmitt sichtlich amüsiert über die problemlose Umstellung.

Es wurde also einfach ein Chiller gegen einen anderen ausgetauscht. Allerdings arbeitet der neue Chiller mit CO 2 im transkritischen Bereich, eine Premiere in Luxemburg. Die Anlage läuft nunmehr seit dem 10. November letzten Jahres absolut störungsfrei.

Als Aufstellungsort für die neue Anlage wurde ein Parkdeck gewählt, welches direkt an das Gebäude angrenzt. Aufgrund der Erfahrungen hinsichtlich der Geräuschentwicklung bei der Altanlage mussten ein schalltechnisches Gutachten erstellt und zahlreiche Maßnahmen ergriffen werden, um Lärmemissionen weitgehend zu verhindern. So wurde ein speziell schallgedämmter Maschinenraum erstellt, in dem die Verdichter auf einer schalltechnisch entkoppelten Betonplatte montiert sind. Selbst der Gaskühler ist auf Gummifüßen gelagert und mit einem Schall- und Sichtschutz verkleidet. Auf flexible Schläuche zur weiteren schwingungstechnischen Entkopplung wollte Striegel jedoch nicht zurückgreifen, zu groß waren noch seiner Ansicht nach die Fragen der Materialbeständigkeit gerade bei der hohen Drucklage von CO 2 .

Im Maschinenraum selbst ist es erstaunlich leise, selbst wenn die Verkleidungen an den Verbundsätzen abgenommen sind. Dies liegt natürlich zum Teil auch daran, dass Prototypen meist etwas überdimensioniert sind und in diesem Fall im Winter von den 2 x 3 Verdichtern für die Normalkühlung gerade mal jeweils einer läuft. Als Beleg für die geringe Kälteanforderung sind im Bild auf dieser Seite die Solevorlauf- und -rücklauftemperatur zu sehen und nur eine grüne Kontrollleuchte für den ersten Verdichter.

Die meisten solcher Anlagen werden mit einem Mitteldruck von 40bar gefahren, um noch Kupferleitungen verwenden zu können. Sabcolux hält den Mitteldruck (die Steuerung erfolgt über ein Mitteldruckventil, s. Hydraulikschema) bei 65 bar, was energetische Vorteile bringt. Allerdings müssen die Rohrleitungen dann in Edelstahl ausgeführt werden und machen den Einsatz entsprechend geprüfter Schweißer erforderlich.

Bei der Abnahme zeigte sich jedoch der luxemburgische TÜV (Luxcontrol) gnädig und bestand nicht auf dem Röntgen von mindestens 10% der Schweißnähte, sondern gab sich mit einer Druckprüfung der Gesamtanlage zufrieden. Diese erfolgte allerdings wie vorgeschrieben beim 1,5-fachen Wert des Nennbetriebsdrucks von 120bar, also bei 180bar erfolgreich! Man muss dazu noch wissen, dass einige Komponenten für die Anlage erst sehr spät geliefert wurden, so dass man bei Sabcolux am Ende nur noch fünf Tage Zeit hatte, die Anlage für die TÜV-Prüfung vorzubereiten.

Überhaupt waren bei der Erstellung der Anlage einige zeitliche Engpässe zu meistern. Ohne Erfahrung geht da gar nichts. So muss man z.B. einfach auch wissen, wie man eine CO 2 -Anlage richtig füllt, um Trockeneisbildung zu vermeiden: bis 5 bar gasförmig und erst dann kann man flüssig weiter füllen. Aber auch die Lecksuche ist nicht einfach und erfordert viel Erfahrung.

Zuvor gilt es jedoch, die Anlage schon dicht zu bauen. Und auch hier bestätigte sich wieder: Wer schon mit normalen Kältemitteln keine dichten Anlagen bauen kann, braucht mit CO 2 erst gar nicht anzufangen. Obwohl die Firma selbst noch relativ jung ist, haben die Mitarbeiter von Sabcolux eine jahrzehntelange Erfahrung, die sich hier in einer hervorragenden Anlage ausgezahlt hat.

Interessant ist nun, wie sich die Anlage im nächsten Sommer bewährt Anlass zur Sorge gibt es jedenfalls nicht und welche Messwerte sich hinsichtlich des Energieverbrauchs und des COP ergeben werden. Gerade dies lohnt es, vor dem Hintergrund der aktuellen zum Teil sehr politischen Kältemitteldiskussion zu beobachten.M.S. -

Sabcolux S.A. Costan Händler für Luxemburg

Gegründet: 15.10.2007

Mitarbeiter: 6

Arbeitsgebiet: Supermärkte, Kühlräume, Klimatisierung, CO2 Kälteanlagen, Industriekälte NH3 Glykol, Pumpenbetrieb

Technischer Leiter: Jacky Striegel (Kälteanlagenbauermeister, Berufserfahrung 8 Jahre Schweiz, 10 Jahre Deutschland, 2 Jahre Luxemburg)

Montageleiter: Christophe Nazzari (Berufserfahrung 17 Jahre)

Kundendienstleiter: Philippe Jacques (Kälteanlagen­bauermeister, Berufserfahrung 20 Jahre)

Kundendiensttechniker: 3

Kunden: Match, Smatch, Delhaize

Anlagendaten im Überblick

NK-Plusverbund Chiller 1+2

CO 2 (transkritisch)

Verdichter: je 3 x Bitzer 4HTC-20K

Regelung: Danfoss AK2

HP = 120 bar

MP = 65 bar

LP = 45 bar

Q o = 75 KW bei 11°C

Sole Eintritt = 5°C

Sole Austritt = 9°C

TK-Minusverbund

CO 2 (unterkritisch)

Verdichter: 3 x Bitzer 2 KC-3.2K

Regelung: Danfoss AK2

Q o = 15 KW

T o = 35°C

T c = 5°C

Gaskühler

Güntner S-GFW080.2/2-S(S)

32000 m 3 /h

30 dB(A)

Unterkühler (besprüht > 28°)

Güntner S-GFV080.3/1-S(S)

7350 m 3 /h

24 dB(A)

M.S.

Jetzt weiterlesen und profitieren.

+ KK E-Paper-Ausgabe – jeden Monat neu
+ Kostenfreien Zugang zu unserem Online-Archiv
+ Fokus KK: Sonderhefte (PDF)
+ Webinare und Veranstaltungen mit Rabatten
uvm.

Premium Mitgliedschaft

2 Monate kostenlos testen

Tags