Springe auf Hauptinhalt Springe auf Hauptmenü Springe auf SiteSearch
Das Aktiv-Hotel Altis mit einem besonderen Heiz-/Kühlkonzept

R723 im Einsatz mit einer 4er-Verbund Kolbenverdichteranlage

Das Hotel Altis liegt in der Slowakei mitten in der landschaftlich beeindruckenden Hohen Tatra, unweit von Zakopane (54km) am Süd­ufer des Arwa-Stausees (35,2km²).

Die Entfernung zur Hauptstadt Bratislava beträgt 300km. In diesem kleinen, aber feinen Hotel kann man im wahrsten Sinne des Wortes die Seele baumeln lassen, perfekt Tagungen veranstalten oder aber einen echten Aktivurlaub verbringen. Es bietet sich die Möglichkeit, im hoteleigenen Klettergarten zu klettern, in der ebenfalls hoteleigenen Eislaufhalle die Schlittschuhe auszupacken, im großzügigen Pool zu schwimmen, Tennis zu spielen oder mit dem Quad durch die Wälder zu brausen. All dies ist hier möglich.

Doch nicht nur touristisch ist das Hotel interessant. Auch die Haustechnik ist für uns Kältefachleute im Hinblick auf die Kälteanlage erwähnenswert. Hier werden nämlich zwei Sportarten über eine äußerst interessante Anlage energetisch kombiniert. Dies sind das Eislaufen und das Schwimmen im Outdoor-Pool. Dieser wird nämlich über drei Viertel des Jahres mit der Abwärme aus der Eiserzeugung geheizt. Genauso wird auch das Gebäude im Winter durch die Abwärme der Kältemaschine beheizt, d.h. bei Außentemperaturen unter +10°C bzw. ab Oktober wird die Beheizung des Pools eingestellt und nur noch das Warmwasser bereitet sowie das Hotel geheizt. In einer weiteren Ausbaustufe wird im Winter eine Eiskletterwand errichtet und mit dem im Winter abzulassenden Wasser des Außenpools beeist.

Vorab einige Daten des Objekts:

  • Beheizte Fläche des Gebäudes 3544m²
  • 215kW Heizleistung bei 20°C
  • Radiatorheizung Vorlauf/Rücklauf 45/40°C
  • Poolabmessung 18x8x1,5m
  • Eisfläche 21x12m
  • 30 Zimmer
  • 3 Konferenz Räume für je 10, 30 oder 80 Personen

Die Kühlung des Solekreislaufs für die Eisbahn und die Eiskletterwand übernimmt dabei ein trocken verdampfender R723-Verbundsatz, womit wir beim Thema wären:

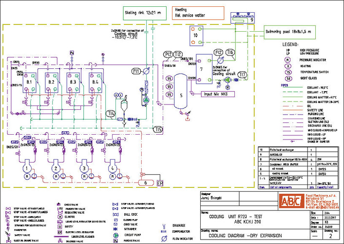
Diese Kältemaschine ist, nach Kenntnisstand des Autors, eine der derzeit größten mit Trocken-Expansion arbeitenden R723-Anlagen mit Kolbenverdichtern. Sie wurde von der Firma ABC Foodmachinery s.r.o. mit Sitz in Bratislava nach dem auf Seite 34 dar­gestellten Schema konzipiert und gebaut.

Die Kälteerzeugung übernehmen vier einzeln zuschaltbare, offene Goeldner-Verdichter vom Typ O 54 3, mit direkt gekuppeltem Motor. Die Verdichter arbeiten alle vier bei 1500U/Min. und haben ein geometrisches Hubvolumen von je 94,5m³/h. Sie leisten zusammen 157kW bei einer Verdampfungstemperatur von 15°C und einer Verflüssigungstemperatur von 35°C. Die Verdichter sind mit dem Kältemaschinenöl, Fuchs Reniso S68¹, einem vollsynthetischen Alkylbenzol befüllt. Dieses hat sich in verschiedenen Ammoniak und R723 Anwendungen mit Goeldner-Verdichtern bereits bestens bewährt.

Das azeotrope Kältemittel Ammoniak (R717) / Dimethylether (RE170)², kurz R723³, ist halogenfrei. Mit einem ODP von 0 und einem GWP von 8 kann man es ohne rot zu werden als eines der umweltfreundlicheren Kältemittel einstufen. Auf die Vorteile und Eigenschaften dieses Gemisches gegenüber einer reinen Ammoniakanlage soll hier nicht weiter eingegangen werden, da dies in vielen separaten Veröffentlichungen nachlesbar ist. Nur so viel: Es hat eine wesentlich niedrigere Verdichtungsendtemperatur, einen höheren COP sowie eine bessere Öllöslichkeit.

Aufgestellt wurde die Anlage, mit allen kältemittelführenden Teilen, in einem außerhalb des Gebäudes auf Erdgleiche befindlichen besonderen Maschinenraum. Die gesamte Kältemittelfüllmenge beträgt 15kg. Aufgrund der Aufstellung und Ausführung der Anlage sind keinerlei Einschränkungen bez. der Füllmenge o.ä. gegeben, auch wenn R723 als Kältemittel der Sicherheitsgruppe B2 eingestuft ist.

Aus dem Anlagenschema ist ebenso ersichtlich, dass jedem der vier Verdichter je ein Plattenverdampfer von Alfa Laval, Typ NS76-100H, mit elektronischem Expansionsventil zugeordnet ist. Der Verflüssigerplattenwärmetauscher vom Typ MK10-BWFGR kann die Wärme an drei Verbraucher abgeben:

  • an die Heizung und Warmwasserversorgung des Gebäudes an den Swimmingpool an einen Luftkühler (bei überschüssiger Wärme)

Dass das Konzept eine Eisbahn mitten in der Hohen Tatra zu betreiben, aufgehen kann, beweist die Tatsache, dass in diesem Jahr seit der Eröffnung im April allein durch die Einnahmen aus dem Publikumsbetrieb die gesamten Stromkosten des Hotels und damit auch der Heizung gedeckt werden konnten.

Da die Eisbahn den ganzen Sommer über in Betrieb war, diente das Hotel in diesem Jahr sogar der slowakischen Eishockey Mannschaft vorübergehend als Trainingslager.

Auch der slowakische Kälteverband nutzt die moderne Tagungs-Infrastruktur des Hotels und hielt für seine Mitglieder vom 3. bis zum 5. Oktober 2007 eine Konferenz zum Thema Kühlung und Klimatisierung Strategien für den Service ab. Wobei im Rahmenprogramm sicherlich nicht nur Eislaufen, sondern ebenfalls die Besichtigung der Kälteanlage enthalten war.

Links

http://www.hotelaltis.sk

https://abcfood.sk

http://www.eurammon.org

1 Fuchs Produktinformation, Reniso S/SP PI 4-1259, Seite 1-5 PM 4 / 08.04

2 ILK-Dresden, Fachbericht, Friedrich, H.; Krause, R.: Leistungsvergleich Kältemittel R717R723

3 Bezeichnung nach DIN8960 für anorganische Stoffe (Molmasse 23)

4 Bitzer Kältemittelreport Nr.14 Kältemitteldaten S. 34+35

5 DKV Jahresversammlung 2006, Vortrag, Robert Schwinkendorf, Pakt GmbH, Experimenteller und theoretischer Vergleich von R717 und R723

6 EN378-1 bzw. eurammon Information Nr. 12 vom De­zember 2003

Schema der R723-Verbundanlage

Karl Huber

Geschäftsführer HKT Huber-Kälte-Technik GmbH, Halfing

Jetzt weiterlesen und profitieren.

+ KK E-Paper-Ausgabe – jeden Monat neu
+ Kostenfreien Zugang zu unserem Online-Archiv
+ Fokus KK: Sonderhefte (PDF)
+ Webinare und Veranstaltungen mit Rabatten
uvm.

Premium Mitgliedschaft

2 Monate kostenlos testen