Springe auf Hauptinhalt Springe auf Hauptmenü Springe auf SiteSearch
Flüssigeis (Ice Slurry) als Systemkälteträger und seine Anwendungen

Das Eis ist heiß!

Die Verwendung von Eis im Lebensmittelbereich hat eine lange Tradition. Schon die Römer erzeugten mit Schnee und Salzen sogenannte Kältemischungen, mit denen sich Temperaturen um 15 °C herstellen ließen was schon kalt genug für die Speiseeisherstellung wäre. Auch zum Kühlen in Gärkellern der Brauereien hat man jahrhundertelang Eisblöcke verwendet, die im Winter auf Seen und Flüssen geerntet wurden. Die Erfindung und Markteinführung der Kaltdampfkompressions-Kältemaschine hat die Verwendung von Eis langsam aus der Kältetechnik verdrängt.

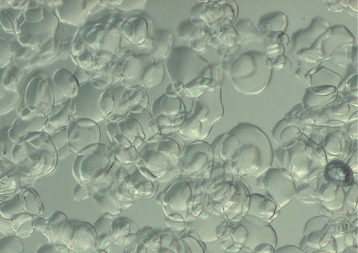
Der Ausgangsstoff für Flüssigeis ist ein Gemisch aus Wasser und einem Gefrierpunkt senkenden Stoff, z.B. Ethanol, Glykol oder Salz. Der Gefrierpunkt wird bewusst höher als die Anwendungstemperatur gewählt. So können sich beim Abkühlen kleine Eispartikel (0,1 bis 0,5 mm) bilden, die selbst mit Kreiselpumpen pumpfähig sind (Bild 1). Hergestellt wird dieser sogenannte Eisbrei in Eisbrei-Erzeugern. Dies sind in der Regel Verdampfer mit Schabern oder Kratzern auf der Oberfläche, welche deshalb auch als Kratzverdampfer bezeichnet werden.

Flüssigeis ist also eine Mischung aus sehr kleinen Eispartikeln und einer Flüssigkeit. Die Flüssigkeit besteht aus Wasser und Ethanol, Glykol oder Salz die Eispartikel überwiegend aus Wasser. Je höher der Eisanteil, desto mehr Kälte kann mit dem Flüssigeis transportiert werden. Wird das Flüssigeis in einem Behälter gelagert, lassen sich so relativ einfach größere Mengen an Kälte speichern.

Ökonomische Vorteile von Flüssigeis

Flüssigeis ist ein umweltfreundlicher Kälteträger, der durch die im Phasenübergang Eis zu Wasser gespeicherte latente Wärme eine bis zu achtfach höhere Energiedichte (bei gleichem Temperaturgleit, d.h. gleicher Temperaturänderung des Kälteträgers) und einen bis zu doppelt so hohen Wärmeübergang gegenüber reiner Flüssigkeit aufweist. Durch diese Eigenschaften lassen sich die Rohrdimensionen in der Kälteverteilung deutlich verringern und die Pumpenleistung um den Faktor 8 senken im Vergleich zu Anlagen mit flüssigen Wasser-Glykol-Gemischen als Kälteträger (Bild 2).

Die hohe Energiedichte von Flüssigeis bei sehr kleinem Temperaturgleit macht den Einsatz von Pufferspeichern mit extrem hohem Speichervermögen bei gleichzeitig sehr geringem Raumbedarf möglich. Bei herkömmlichen Kälteanlagen ist zwischen Kälteerzeugung und -nutzung auch bei puffergespeicherten Systemen meist nur ein relativ geringer zeitlicher Versatz von wenigen Stunden möglich. Durch den Einsatz von Flüssigeis kann man Kälteerzeugung und -verbrauch zeitlich nahezu komplett unabhängig voneinander handhaben. Damit kann die Kälteerzeugung die den Löwenanteil des gesamten Stromverbrauchs verursacht ausschließlich nachts erfolgen, wodurch der günstige Nachtstrom effektiv genutzt wird. Des Weiteren können mit Außenluft gekühlte Verflüssiger, aufgrund der tieferen Außenlufttemperaturen während der Nachtstunden, das Kältemittel bei niedrigerer Temperatur verflüssigen, wodurch der Energieverbrauch der Kälteanlage sinkt pro Kelvin niedrigerer Verflüssigungstemperatur um ca. drei Prozent.

Ökologische Vorteile von Flüssigeis

Traditionelle Kältemaschinen nutzen das Prinzip der Verdampfung zur Kälteerzeugung. Die Verdampfungswärme wird da-bei dem zu kühlendem Raum oder dem Produkt entzogen. Viele der eingesetzten Kältemittel haben negative Auswirkungen auf die Umwelt. In erster Linie ist dies das hohe Treibhaus­potenzial der synthetischen Stoffeauf Fluor-Kohlenwasserstoff-Basis (HFKW). Deshalb sind derartige Stoffe zum Beispiel in Dänemark seit dem 1. Januar 2007 für neue Kälteanlagen verboten und unterliegen in Deutschland der Chemikalien-Klima­schutz-Verordnung mit ihren sehr niedrigen Kälte­mittelverlustraten und häufigen Leckagekontrollen.

Eine Philosophie für neue Kältemittel zielt darauf ab, nur solche Stoffe zu verwenden, die schon seit Jahrmillionen im Kreislauf der Natur vorkommen. Ammoniak, Kohlendioxid und Propan sind solche Stoffe, mit bekannten Auswirkungen auf Mensch und Natur und mit überwiegend sehr niedrigen Treibhauspotenzialen. Leider haben diese Stoffe andere Nachteile; so ist Ammoniak giftig, Propan brennbar und Kohlendioxid hat sehr hohe Arbeitsdrücke. Um nun giftige oder brennbare Stoffe auch für Anwendungen mit Publikumsverkehr, z.B. im Krankenhaus oder Supermarkt, einsetzen zu können, verwendet man sogenannte Kälteträger. Die eigentliche Kältemaschine mit dem verdampfenden, giftigen oder brennbaren Stoff wird in einem abgeschotteten Maschinenraum untergebracht. Die Kälte wird mit einem anderen Stoff transportiert. Traditionell wird Wasser oder ein Wasser-Glykol-Gemisch bei Temperaturen unter 0 °C eingesetzt.

Gegenüber dem ursprünglich eingesetzten verdampfenden Kältemittel erfordern derartige Kälteanlagen mit einem Kälte­träger aber deutlich größere Rohrleitungsquerschnitte und haben in der Regel einen geringfügig höheren Energieverbrauch. Ein Ausweg aus dem Dilemma stellt die Verwendung von schmelzendem Flüssigeis in einer Flüssigkeit dar.

Des Weiteren kann, wie erwähnt, durch die Möglichkeit der Kältespeicherung nachts Flüssigeis erzeugt werden, das dann tagsüber abgeschmolzen wird. Durch tiefere Außenlufttemperaturen in der Nacht lässt sich die primäre Kälteanlage energetisch günstig mit niedrigeren Verflüssigungstemperaturen betreiben. Die zur Flüssigeis-Erzeugung erforderlichen tieferen Verdampfungstemperaturen lassen sich so zumindest teilweise kompensieren.

Flüssigeis als Kältemittel

Flüssigeis lässt sich in vielen Fällen genauso einsetzen wie direkt verdampfendes ­Kältemittel. Es können die gleichen ­Wärmeübertrager eingesetzt werden. Die Rohrleitungsquerschnitte sind ähnlich denen von direkt verdampfenden Kälte­anlagen, nur dass bei Flüssigeisanlagen die Expansionsventile entfallen. Bild 3 zeigt die mit bestimmten Rohrleitungsquerschnitten transportierbaren Kälteleistungen. Zu achten ist bei Flüssigeis-Anlagen auf eine Mindestströmungs-Geschwindigkeit des Flüssigeises, um ein Aufschwimmen und damit Separieren der Eispartikel zu ­verhindern.

In Speicherbehältern werden Eiskonzentrationen bis zu 60 Prozent gefahren. Berechnungen haben gezeigt, dass zur Nutzung der Vorteile von Flüssigeis die ­optimale Eiskonzentration in Rohrleitungen wegen der mit steigender Eis­konzentration wachsenden Viskosität und der damit verbundenen Erhöhung der ­notwendigen Pumpenleistung bei ca. 20 Prozent liegt.

Einsatzmöglichkeiten

Einer der größten Einsatzbereiche für Eisbrei ist die Direktkontaktkühlung von frisch gefangenen Fischen. Dazu werden an Bord der Fischereifahrzeuge häufig komplette Eisbreianlagen installiert. Aus dem das Schiff umgebenden Meerwasser wird Eisbrei bei circa 2 °C hergestellt. Der gefangene Fisch wird in großen Tanks mit Eisbrei gekühlt oder direkt an Bord zusammen mit Eisbrei in Verkaufskisten gefüllt. Der Eisbrei hat dabei Eisgehalte von bis zu 60 %. Durch die kleinen Eispartikel wird der Fisch deutlich schneller gekühlt als mit herkömmlichem Scherbeneis. Außerdem bleibt die Haut der Fische unverletzt. Mit Eisbrei gekühlte Fische erzielen deshalb bis zu doppelt so hohe Verkaufspreise wie herkömmlich mit scharfkantigem Scherbeneis gekühlte Fische.

Die weltweit größte Dichte von Flüssig­eis-Anlagen an Land dürfte sich in Japan befinden. Hier wird Flüssigeis überwiegend zur Kältespeicherung und damit zur Vermeidung von Kühllastspitzen am Tage eingesetzt. In vielen Anlagen wird das Flüssig­eis als reines Speichermedium verwendet und die Kälteversorgung im Gebäude erfolgt weiterhin mit traditionellen Medien wie Kaltwasser oder verdampfendem Kältemittel. Es gibt daneben jedoch auch Anlagen, bei denen das Flüssigeis direkt durch die entsprechenden Wärmeübertrager gepumpt wird. So kühlt Flüssigeis zum Beispiel ein Kühllager und auch das Bürogebäude eines bekannten Spielsoftwareherstellers. Energetisch sinnvoll ist der Einsatz von Flüssigeis natürlich nur dort, wo entsprechend tiefe Lufttemperaturen wirklich gebraucht werden, wie zum Beispiel im Kühllager. Jedoch können auch bei der Klimatisierung entsprechend angepasste Luftsysteme mit deutlich niedrigeren Zulufttemperaturen gefahren werden und so neben einer energetischen Optimierung auch zu einer Bauraum-Optimierung führen.

In Deutschland gibt es bisher erst relativ wenige Flüssigeis-Anlagen. So werden zum Beispiel bei der Firma Jura-Fleisch Ver­sandschlächterei GmbH und Co. seit 1998 die Lagerräume mit Flüssigeis gekühlt [1]. Auch bei den Hermannsdorfer Landwerkstätten wird seit dem Jahr 2000 mit Flüssigeis gekühlt [2]. Als erste Brauerei Deutschlands ging im Jahr 2000 das Allgäuer ­Brauhaus mit Flüssigeis in Betrieb. Hier ­wurden die ursprünglich vorhandenen 6700 kg Ammoniak auf 5000 kg gesenkt. In einer zweiten Ausbaustufe sollte die ­Füllmenge dann nochmals um weitere 4300 kg gesenkt werden [3]. Doch bevor es dazu kam, machte eine Ammoniak-Leckage einen Strich durch die Rechnung. Inzwischen steht die Flüssigeis-Anlage bei der Zipf Brauerei in Salzburg. Hier konnte die Ammoniak-Füllmenge von 3000 kg auf 500 kg deutlich reduziert werden. Gleich­zeitig wurde aufgrund der Kältespeicherung in einem 110 m³-Flüssigeistank die installierte Kälteleistung von 1350 kW auf 670 kW reduziert.

Neben diesen normalen Kälteanwendungen gibt es auch noch eher ungewöhnliche Anwendungen von Eisbrei. So forschen zum Beispiel bereits seit über zehn Jahren Forscher des Argonne National Laboratory in den USA am Einsatz von Eisbrei in der Medizintechnik. Geforscht wird an der Kühlung von Transplantaten mittels Eisbrei, an der Kühlung des menschlichen Gehirns bei Schlaganfällen sowie an der Kühlung von inneren Organen bei Operationen [4].

Neue Flüssigeis-Anwendungen (Speisenverteilsystem Blanco-Ice)

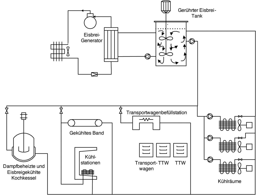
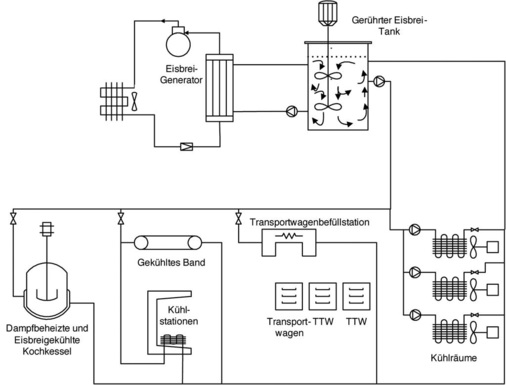
Das 2007 neu erbaute Bildungs- und Versorgungszentrum des Klinikums Stuttgart setzt erstmals für die Speisenkühlung in der gesamten Cook-&-Chill-Prozesskette ausschließlich umweltfreundliches Flüssigeis ein: von Rückkühlkesseln (in denen Speisen gekocht und anschließend schnell heruntergekühlt werden) und Kühlräumen bis hin zu Portionierstationen und dem Speisentransport in Tablett-Transportwagen (Bild 4). In die Zentralküche wurden rund 20 Mio. Euro investiert, inklusive Technik und Logistik. Das Küchenteam versorgt die fünf zum Klinikum gehörenden Krankenhäuser und auch städtische Kinder-Tageseinrichtungen sowie eine private Klinik mit insgesamt mehr als 9800 Essen pro Tag.

Das hier eingesetzte Flüssigeis hat einen Ethanolanteil von rund fünf Prozent; dadurch liegt seine Schmelz- und damit Arbeitstemperatur zwischen 2 und 3 °C. Dies ist die ideale Temperatur als Kältequelle, um Lebensmittel auf einem Temperaturniveau zwischen +2 und +4 °C leistungsstark und gleichzeitig schonend zu kühlen bzw. kühl zu halten. Der lückenlose Einsatz des umweltfreundlichen und ungefährlichen Kälteträgers Flüssigeis wird erst durch die rund 130 netzunabhängig kühlenden Tablett-Transportwagen aus dem Speisenverteilsys­tem Blanco-Ice möglich (Bild 5). Zusammen mit Induktions-Andockstationen und Induktionswagen von Blanco CS sorgen sie für den zuverlässig gekühlten Transport und die Regeneration der Speisen.

Der Arbeitsablauf im Bildungs- und Versorgungszentrum des Klinikums Stuttgart

1) Speisen-Produktion (Rückkühlkessel und Schnellkühler)

Die Produktion der Speisen erfolgt im Cook- &-Chill-Verfahren, d.h. warme Speisen werden nach der Zubereitung schnell abgekühlt, um sie ohne Qualitätsverlust einige Zeit lagern zu können. Die großen Kochkessel werden für die Zubereitung der Speisen mit Dampf beheizt. Sobald die Speisen fertig sind, ersetzt Flüssigeis den Dampf im Mantelraum und kühlt die Speisen in sehr kurzer Zeit auf unter +10 °C ab. Unterstützt wird der Abkühlvorgang durch die Flüssigeiskühlung des Rührwerks.

Speisen, welche nicht in den großen Rührkesseln hergestellt werden, kommen auf speziellen Transportwagen in Schnellkühlräume. In diesen wird die Luft effektiv mit Flüssigeis abgekühlt. Der Wärmeübergangskoeffizient des schmelzenden Flüssigeises ist dabei genauso hoch wie der­jenige von verdampfendem ­Kältemittel.

2) Lagerung (Kühlhäuser)

Neben den Schnellkühlern und Rückkühlkesseln werden auch die Kühlräume über ein Pumpensystem mit Flüssigeis aus dem Prozesstank gekühlt. So wird der Einsatz des primären Kältemittels auf den eigentlichen Maschinenraum beschränkt. Das weitverzweigte Rohrnetz, welches bei Systemen mit Direktverdampfung meist einen großen Anteil an den ­Kältemittel-Leckagen hat, wird hier nur von Flüssigeis durchströmt. Kältemittel-Leckagen können so auf ein Minimum reduziert werden.

Das im Vergleich zu herkömmlichen Kälteträgern wie Sole (12/6 °C) bzw. Kältemittel (Verdampfungstemperatur 10 °C) mit rund 3 °C relativ warme Flüssigeis führt zu einer geringeren Vereisungsneigung der Luftkühler als sonst üblich. Entsprechend muss für die Kühler-Abtauung weniger bis keine Zusatzenergie aufgewendet werden. Die höhere Kühlertemperatur sorgt zudem für eine höhere Luftfeuchtigkeit im Kühlraum. Dies reduziert die sonst übliche Austrocknung der eingelagerten Lebensmittel erheblich und wirkt sich somit positiv auf die Lebensmittelqualität aus.

3) Portionierung (gekühlte Bänder, Portionierstationen)

Im Bildungs- und Versorgungszentrum des Klinikums Stuttgart setzt man auf die Philosophie, nicht den gesamten Portionierbereich sprich auch das Personal zu kühlen, sondern nur die zu portionierenden Speisen und das dazu gehörende Equipment. Hierfür werden spezielle durch Flüssig­eis umluftgekühlte Speisenausgabesta­­tio­nen eingesetzt.

Das Speisenverteilsytem Blanco-Ice ermöglicht auch, während der Portionierung die Speisen in Regalwagen per Umluft HACCP-gerecht kalt zu halten (indirekte Flüssigeis-Kühlung der Regalwagen).

Das Geschirr wird in speziellen Spendern gekühlt, welche zu diesem Zweck an sogenannte Zentralkühlstationen angedockt werden können. Für den Transport der portionierten Speisen bis zum Tablett-Transportwagen gibt es von Blanco CS umluftgekühlte Speisentransportbänder, um die Kühlkette während der Portionierung zu 100 Prozent aufrechtzuerhalten.

4) Transport in Tablett-Transportwagen (netzunabhängige Transportkälte)

Der Transport der gekühlten Speisen erfolgt im Bildungs- und Versorgungszentrum des Klinikums Stuttgart netzunabhängig mit- hilfe von Tablett-Transportwagen (TTW) aus dem Speisenverteilsystem Blanco-Ice. Sie verfügen über integrierte Tanks zur Aufnahme von Flüssigeis (Bild 5). Dadurch können diese Tablett-Transportwagen die Speisen bis zu zwölf Stunden gleichmäßig und HACCP-gerecht kalt halten. Am Bestimmungsort übernehmen Induktions-Andockstationen und Induktionswagen die Regeneration der Speisen.

Vor ihrem Einsatz werden die Tablett-Transportwagen im Waschtunnel gereinigt. Die Befüllung mit frischem Flüssigeis erfolgt anschließend automatisch an einer Befüllstation (Bild 6) und dauert rund vier Minuten (je nach geplanter Kühldauer kann die Zeit leicht variieren). In der Befüllstation kühlen Gebläse den Innenraum der TTW ab, während die integrierten Tanks mit Flüssigeis befüllt werden. Gleichzeitig wird das zuvor abgeschmolzene Fluid aus dem Wagen dem Flüssigeis-Kreislauf erneut zugeführt. Im Eisbrei-Erzeuger wird aus dem Fluid dann wieder Flüssigeis.

Die Tanks der Tablett-Transportwagen enthalten nach dem Befüllvorgang bis zu 40 % Eis und stellen so die stundenlange Kühlung sicher. Die Kühlung der Transportwagen mit Flüssigeis erfordert keinerlei integrierte Elektronik oder externe Stromzufuhr. Technisch bedingte Störungen sind daher in diesem Bereich unmöglich. Für den Einsatz im Klinikbereich ist es ein weiterer Vorteil, dass der Kühlvorgang völlig geräuschlos stattfindet. Außerdem entsteht bei der Kühlung mit Flüssigeis keine Abwärme. Das spart bauseitige Investitionen in zusätzliche Abluftanlagen.

5) Speisen-Regeneration mit Induktions-Andockstationen

Für die Regeneration der Speisen kommen im Bildungs- und Versorgungszentrum des Klinikums Stuttgart 63 Induktions-Andockstationen von Blanco CS zum Einsatz. Nach dem Speisentransport werden die Tablett-Transportwagen an die Induktionsstatio­nen angedockt und weiter kühl gehalten. Ist der Zeitpunkt der Regeneration gekommen, erwärmen die Andockstationen per Induktionstechnik die zu erwärmenden Speisen. Salate und Desserts bleiben weiter gekühlt. Nach dem Rücktransport werden die geleerten Tablett-Transportwagen im Waschtunnel gereinigt und dann wieder zur Befüllstation gebracht. Der Kühlkreislauf beginnt von Neuem (siehe Punkt 4, Transport in Tablett-Transportwagen).

Zusammenfassung

Flüssigeis ist ein umweltfreundlicher Kälteträger mit hoher Effizienz. Die Anzahl der Flüssigeisanlagen weltweit steigt stetig an. Flüssig­eis findet bisher Anwendung z.B. in Kühllagern, Klimaanlagen, Brauereien, Großküchen und Transportwagen. Mit herkömmlichen Kältesystemen wird Energie tagsüber während der Produktion verbraucht. Mit der Flüssigeis-Technologie kann das Eis zeitversetzt vom Verbrauch erzeugt werden. Das hat zwei Vorteile: Ökonomisch kann man von den kos­tengünstigen Niedertarif-Zeiten profitieren. Gleichzeitig ist es ökologisch sinnvoll, Flüssigeis während der niedrigeren Umgebungstemperaturen in der Nacht herzustellen. Der Flüssigeis-Kreislauf ist in sich geschlossen. Es entstehen keine umweltbelastenden Abfallprodukte oder Schadstoffe. Zusätzliche Sicherheitsinstallationen und Kältemittel-Leckagesensoren entfallen. Durch die Möglichkeit der Bevorratung von Flüssigeis im Prozesstank funktioniert die Kühlung auch dann weiter, wenn die Kältemaschine abgeschaltet werden muss (z.B. bei Wartungsarbeiten), wodurch man eine hohe Betriebssicherheit erreicht. Mit dem Speisenverteilsystem Blanco-Ice ist es erstmals möglich, Flüssigeis als durchgängiges Kältemedium für HACCP-gerechte Produktion, Beförderung und Zwischenlagerung von Speisen im Cook- &-Chill-Verfahren einzusetzen. -

Literatur

[1] Schmidt, H. G.: Binäreis hält Jura-Fleisch edel. Die Kälte & Klimatechnik 7/1999, S. 462473

[2] Schmidt, H. G.: NH und Binäreistechnologie für die Hermannsdorfer Landwerkstätten. Die Kälte & Klimatechnik 6/2000, S. 3043

[3] Kaiser, M.: Highlight der 6. Lindauer Brautagung: Erste Binäreis-Anlage im Brauereieinsatz. Die Kälte & Klimatechnik 3/2000, S. 151152

[4] Kasza, K.; Wu, Y.; Heine, J.; Sheradon, D.; Lake, S.: Development of Ice Slurry Phase-Change Coolants for Industrial and Medical Applications. Proc. of the 8th IIR Conference on Phase Change Materials and Slurries for Refrigeration and Air Conditioning, Karlsruhe, 2009

[5] Kauffeld, M., Kawaji M., Egolf P. W.: Handbook on Ice Slurries Fundamentals and Engineering, IIF/IIR, Paris, 2005

Prof. Dr.-Ing. habil. Michael Kauffeld

Hochschule Karlsruhe Technik und Wirtschaft

Peter Wirth

Blanco CS, Oberderdingen

Uwe Kammer

Blanco CS, Oberderdingen

Michael Kauffeld, Karlsruhe, Peter Wirth und Uwe Kammer, Oberderdingen

Jetzt weiterlesen und profitieren.

+ KK E-Paper-Ausgabe – jeden Monat neu
+ Kostenfreien Zugang zu unserem Online-Archiv
+ Fokus KK: Sonderhefte (PDF)
+ Webinare und Veranstaltungen mit Rabatten
uvm.

Premium Mitgliedschaft

2 Monate kostenlos testen