Springe auf Hauptinhalt Springe auf Hauptmenü Springe auf SiteSearch
Einsatz von Wärmeübertragern

Energieeffizienzreserven von Kälteanlagen

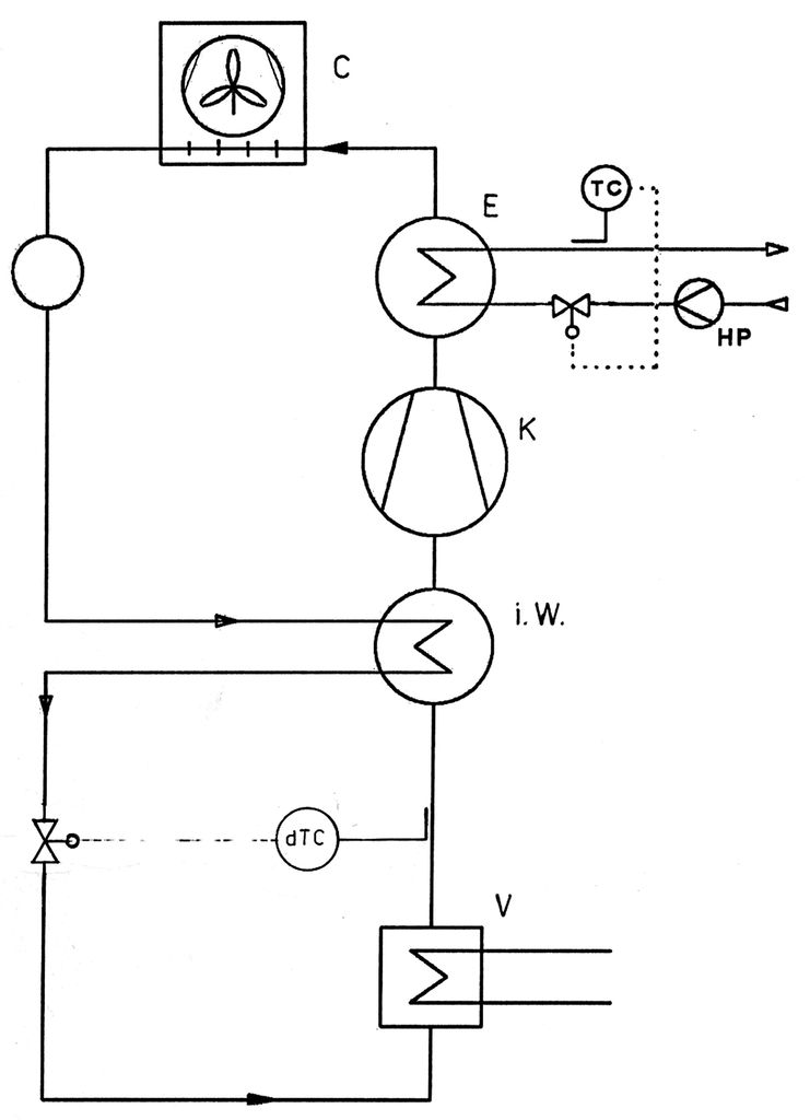
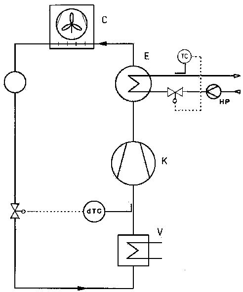
Der vom Ammoniak her bekannte Grundprozess der Kältetechnik besitzt nur zwei unverzichtbare Wärmeübertrager

  • den Verflüssiger C und
  • den Verdampfer V

Zur Heizwärmegewinnung kommt ggf. ein 3. Wärmeübertrager, der Enthitzer E dazu.

Das macht den Prozess sehr einfach. Es ist aber zu untersuchen, ob diese Prozessführung heute noch zeitgemäß ist oder ob die Forderung nach hoher Energieeffizienz zu Änderungen zwingt.

Siedelage, Sicherheit und Umweltverträglichkeit sind Hauptauswahlkriterien für Kältemittel. Die beiden Stoffwerte Verdampfungsenthalpie r 0 und der Isentropenexponent κ des Dampfes wirken sich auf die Energieeffizienz stark aus und zeigen an, wie auf die Prozessführung eingewirkt werden muss.

Nach der Tabelle auf dieser Seite brilliert Ammoniak durch eine extrem hohe Verdampfungsenthalpie. Das macht auch den relativ hohen Isentropenexponent κ von 1,31 tolerierbar. Ammoniak wird daher für Großanlagen trotz seiner physiologischen Nachteile ein unverzichtbares Kältemittel bleiben.

Propan erfüllt die Bedingungen hoher Verdampfungsenthalpie r 0 und eines κ-Wertes nahe dem Wert 1 perfekt. Es ist leider kein Sicherheitskältemittel wegen seiner Brennbarkeit, kann aber für Anlagen im Freien, auch für Wärmepumpen, sehr empfohlen werden.

Die neuen chlorfreien Sicherheitskältemittel, z.B. R404a bestechen durch Isentropenexponenten κ nahe dem Wert 1. Ihr Nachteil sind aber die geringen Verdampfungswärmen r 0 . Diesem Nachteil kann jedoch durch eine gezielte Anpassung der Prozessführung mithilfe von weiteren Wärmeübertragern entgegengewirkt werden. Auf diese Weise kann man mit den chlorfreien Sicherheitskältemitteln hocheffiziente Kältekreisläufe gestalten.

Das Problem von R22 war es immer, dass man wegen des hohen Isentropenexponenten innere Wärmeübertrager nicht einsetzen konnte und die Energieeffizienz nur mit dem Economizer verbessert werden musste.

Leider besitzt der neue Hoffnungsträger, das CO 2 , keine so hohe Verdampfungsenthalpie wie Ammoniak, aber unerwünschter Weise einen hohen Isentropenexponenten κ. Die Erwartungen auf hohe Energieeffizienz müssen daher für CO 2 als Kältemittel gedämpft werden. Der energetische Aufwand für die Verdichtung ist enorm. Deshalb wurden für den transkritischen Prozess verschiedentlich Expander vorgeschlagen. Es ist aber dafür noch keine Überleitung in die Praxis bekannt geworden. Das dürfte im erhöhten mechanischen Aufwand begründet sein. Auch Kaskaden mit anderen Kältemitteln sind zur Vermeidung des hohen Energiebedarfs für den Hochdruckbereich des CO 2 -Kreislaufes eingeführt worden.

Dagegen ist es mit den chlorfreien neuen Sicherheitskältemitteln durch Einsatz von Wärmeübertragern möglich, die Energieeffizienz der Kälteprozesse enorm zu verbessern. Die thermodynamischen Grundlagen dazu sind die bekannten Bestimmungsgleichungen der Kältetechnik:

Die Kälteleistung wird berechnet nach der Gleichung

Q = m KM r 0 (1 x 0 ) (1)

mit

x 0 Entspannungsdampfmenge

r 0 Verdampfungsenthalpie bei t

ms KM umlaufende Kältemittelmenge

Die Entspannungsdampfmenge x 0 des flüssigen Kältemittels kann man aus der Wärmebilanz des zu entspannenden flüssigen Kältemittels errechnen. 1 kg Kältemittel zerfällt bei der Entspannung in x 0 kg Dampf und (1 x 0 )kg flüssiges Kältemittel. Die Bilanzgleichung lautet daher :

h U = x 0 h" 0 + (1 x 0 )h' 0 (2)

aufgelöst nach x 0 ergibt


(2a)

Durch Umstellen von (1) kann man die umlaufende Kältemittelmenge bestimmen. Für die Entspannungsdampfmenge nach (2a) erhält man kleine Werte, wenn die Verdampfungsenthalpie r 0 groß ist (Ammoniak) oder wenn eine starke Unterkühlung des Kältemittels eine kleine Enthalpiedifferenz h u h' 0 ergibt. Deshalb ist die Unterkühlung des Kältemittels eine unverzichtbare Maßnahme für die Verwendung der neuen chlorfreien Sicherheitskältemittel, wenn man eine hohe Energieeffizienz erzielen will.

In Bild 2 ist die entstehende Entspannungsdampfmenge x 0 für das Kältemittel R404a über der Verdampfungstemperatur T 0 aufgetragen. Wenn die Unterkühlung des Kondensates im Verflüssiger 3K beträgt, dann ergibt sich die oben gezeichnete Kurve. Bei Tieftemperaturanwendungen kann die Entspannungsdampfmenge ohne zusätzliche Unterkühlung 60% übersteigen.

Unterkühlt man aber bis auf T u T 0 =20K so ergeben sich nur noch Entspannungsdampfmengen zwischen 10 und 20%, wie beim Ammoniak üblich. In diesem Fall kann die Energieeffizienz des Ammoniaks wegen des überlegenen Isentropenexponenten κ der chlorfreien Sicherheitskältemittel sogar übertroffen werden.

Die Stärken der neuen chlorfreien Kältemittel werden bei der Verdichtung eingebracht. Der Zusammenhang zwischen der isentropen Verdichtungsendtemperatur und dem Isentropenexponenten κ ist durch Gleichung (3) gegeben. Die Aussage dieser Gleichung bleibt in der Tendenz auch für wahre, polytrope Bedingungen qualitativ richtig.


(3)

Mit den beispielhaft gewählten Kältemitteln der Tabelle auf Seite 24 besticht R404a durch κ-Werte nahe 1, d.h. κ1 geht gegen Null, der Exponent der Gleichung ebenso. Diese Kältemittel ermöglichen eine Annäherung an die ideale isotherme Verdichtung. Solche Kältemittel sind ideal für hohe Energieeffizienz, wenn gleichzeitig die Bildung von Entspannungsdampf minimiert wird.

Einsatz von Wärmeübertragern zur Unterkühlung des Kältemittels

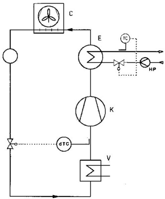
Der Economizer (ECO; Bild 3) unterkühlt das Kältemittel durch Verdampfungskühlung, d.h. ein Teilstrom des Kältemittels wird bei einem Zwischendruck (zwischen Verflüssigung und Verdampfung) in einem Plattenwärmeübertrager durch das warme Kältemittel verdampft. Der verdampfte Teilstrom des Kältemittels wird bei diesem Zwischendruck in den Schraubenverdichter bzw. Scrollverdichter eingeschleust und wieder verdichtet. Diese Methode der Unterkühlung wird praktiziert, ist aber an die Verwendung von Schrauben- oder Scrollverdichter gebunden.

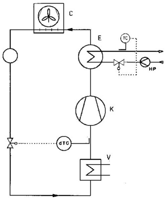
Die Zahl der Wärmeübertrager erhöht sich auf 3 (mit Erhitzer 4). Der hinzukommende Wärmeübertrager ist ein Plattenwärmeübertrager.

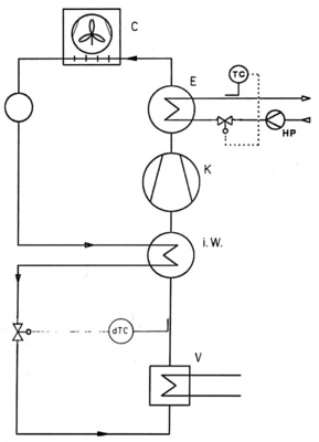
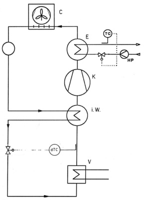
Der innere Wärmeübertrager (Sauggas­überhitzer; Bild 4) verwendet den Kältevorrat der Kaltdämpfe zur Unterkühlung des flüssigen Kältemittels. Dabei werden die Kaltdämpfe überhitzt. Diese Überhitzung kann vom Verdichter praktisch ohne Nachteile toleriert werden, wenn der Isentropenexponent κ in der Nähe von 1 liegt.

Der innere Wärmeübertrager passt also genau zu den neuen chlorfreien Kältemitteln R404a, R227, R507, R134a, R290 und mit geringen Abstrichen R410a. Letzteres hat den Vorteil einer größeren Verdampfungsenthalpie r 0 . Anlagen mit Kältemitteln wie Ammoniak (R717) und R22 sollten aber wegen zu hohen Isentropenexponenten nicht mit innerem Wärmeübertrager ausgeführt werden oder nur mit geringer Sauggasüberhitzung für den Schutz der Verdichter gegen Flüssigkeitsschlag. Ein großer Vorteil des inneren Wärmeübertragers ist die Tatsache, dass er zu allen Verdichterbauarten passt.

Die Anhebung der Sauggastemperatur auf 20 bis 30 °C durch den inneren Wärmeübertrager schafft die Voraussetzung dafür, dass Heizwärme aus dem Druckgas mit hohen Vorlauftemperaturen ausgekoppelt werden kann. Ohne diese Sauggastemperaturanhebung ist die Verdichtungsendtemperatur durch die quasi isotherme Verdichtung bei Kältemitteln mit Isentropenexponenten κ nahe dem Wert 1 viel zu gering.

Das Prinzip der inneren Wärmeübertragung ist seit Langem bekannt, wurde aber erst in letzter Zeit zunehmend praktiziert. Die Ursachen für diese Zurückhaltung liegen einmal in der Befürchtung, Wettbewerbsnachteile hinnehmen zu müssen in einer Zeit, in der noch überwiegend der Anschaffungspreis über den Zuschlag entscheidet und andererseits in der enttäuschten Erwartung, dass der Plattenwärmeübertrager auch dieses Problem lösen könne. Plattenwärmeübertrager sind aber dafür nicht geeignet wegen der großen Volumenstromunterschiede zwischen Dampf und Flüssigkeit und der enormen Unterschiede im Wärmeübergang der beiden Seiten. Diese Widersprüche lassen sich nur dadurch lösen, dass auf der Dampfseite ein wesentlich größerer berippter Strömungsquerschnitt zur Verfügung steht.

Es hat auch gewisse Verunsicherungen dadurch gegeben, dass der innere Wärmeübertrager bei verschiedenen Kältemitteln mit sehr unterschiedlichem Erfolg getestet wurde und diese Unterschiede zunächst nicht erklärt werden konnten.

Mit dem inneren Wärmeübertrager wird der Grundprozess nach Bild 1 ebenfalls um einen Wärmeübertrager auf 3 (mit Enthitzer auf 4) erweitert. Gegenüber der Flüssigkeitsseite muss die Dampfseite vergrößerte Oberflächen aufweisen.

Kombinationen von ECO und Sauggaswärmeübertrager

Kombinationen der bekannten Wege der Unterkühlung des Kältemittels sind

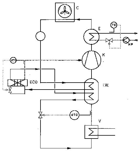
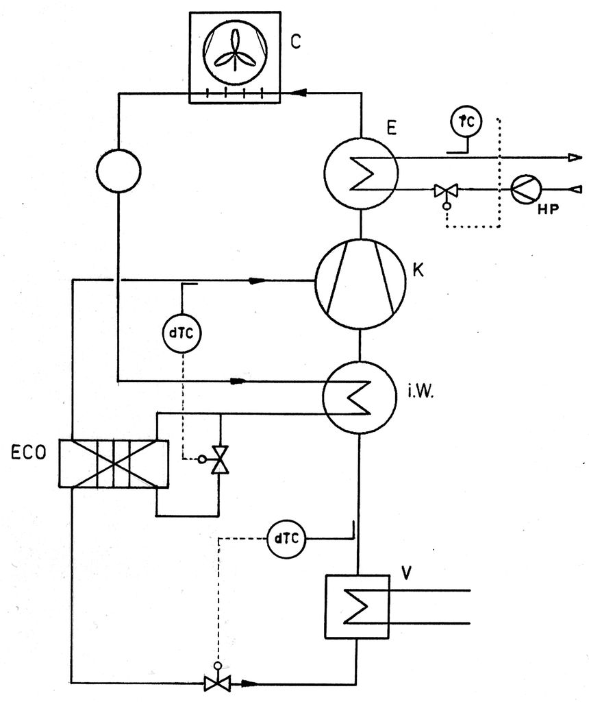
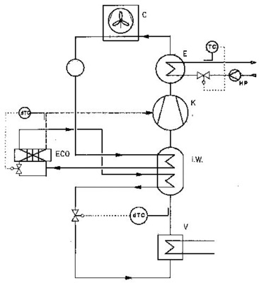
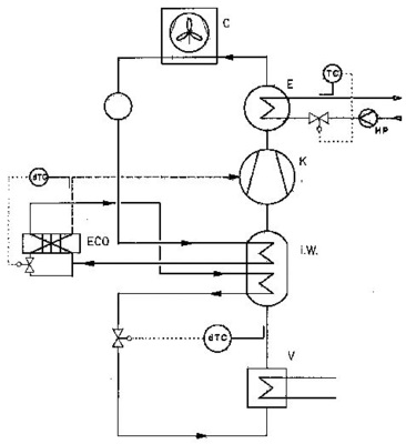
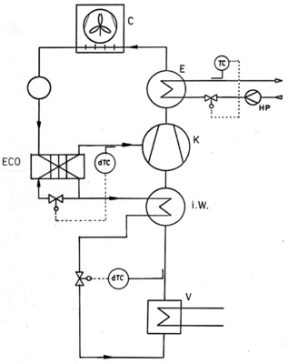
K1 Vorschalten des ECO vor den Sauggaswärmeübertrager (Bild 5)

K2 Zwischenschaltung des ECO zwischen der kalten und warmen Seite eines unterteilten Sauggaswärmeübertragers (Bild 6)

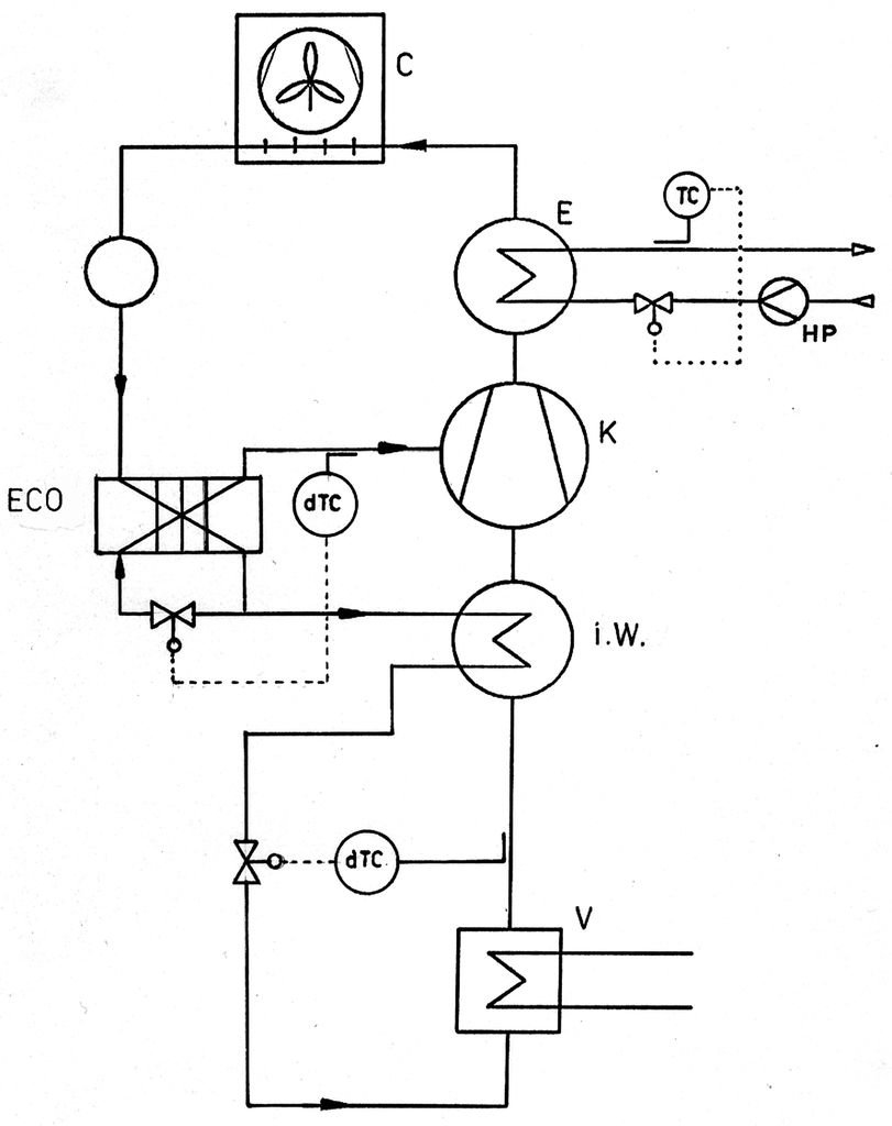
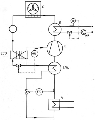
K3 Nachschalten des ECO hinter einen Sauggaswärmeübertrager (Bild 7)

Bei allen Kombinationen erhöht sich die Zahl der Wärmeübertrager gegenüber dem Grundprozess von 2 auf 4, mit Enthitzer zur Heizwärmegewinnung auf 5.

Die Vorschaltung des ECO vor den Sauggaswärmeübertrager (K1) ist dann geboten, wenn das Kältemittel einen Isentropenexponenten κ mit einem Wert >1,2 aufweist. Der Sauggaswärmeübertrager übernimmt dann die zusätzliche Absicherung des Verdichters gegenüber Flüssigkeitsschlägen, begrenzt aber die Sauggastemperatur und damit die Leistungsaufnahme und die Kompressionsendtemperatur des Verdichters. Die Hauptlast bei der Unterkühlung des Kältemittels trägt damit der ECO.

Natürlich ist diese Variante auch für Kältemittel mit niedrigen Isentropenexponenten κ einsetzbar und wurde schon sehr häufig realisiert. Aber es wird ein Großteil des Kältevorrates der Kaltdämpfe verschenkt, die Temperaturdifferenzen am Sauggaswärmeübertrager werden stark reduziert, so dass der Flächenbedarf des Sauggaswärmeübertragers mit reduzierter Leistung relativ hoch ist, und es sind ehrgeizige Ziele der Unterkühlung und der Energieeffizienz so nicht erreichbar. Nachteilig ist auch die Tatsache, dass die Saugleitung zum Verdichter isoliert werden muss.

Die Schaltung des ECO (K2) zwischen einen kalten und einen warmen Teil des Sauggaswärmeübertragers (Bild 6) ist hinsichtlich der Berechnung wesentlich anspruchsvoller. Solange dazu keine Software existiert, müssen Handrechnungen durchgeführt werden. Die Hauptlast der Unterkühlung trägt der unterteilte innere Wärmeübertrager. Die Leistung des ECO ist begrenzt.

Als Vorteil zeigt sich, dass der gesamte Kältevorrat des Kaltdampfes genutzt wird und die Saugleitung nicht isoliert werden muss. Ein weiterer Vorteil ist die Tatsache, dass die Einschleusbohrungen der Schraubenverdichter im heute üblichen Bereich liegen und an den Schraubenverdichtern keinerlei Änderungen erforderlich sind. Eine solche Ausführung ist daher sofort möglich und kommt den Verdichterherstellern entgegen. Es zeichnen sich aber zwei Nachteile ab:

  • Der ECO wird von seiner Leistung nicht voll ausgeschöpft. Eine größtmögliche Unterkühlung wird nicht erreicht. Es verbleiben Energieeffizienzreserven.
  • Es muss eine minimale Temperaturdifferenz sowohl am kalten als auch am warmen Ende des Sauggaswärmeübertragers ausgeführt werden. Das erhöht den Flächenbedarf des Sauggaswärmeübertragers und damit die Anschaffungskosten.

Die Nachschaltung des ECO (K3) nach Bild 7 ist im Sinne der Energieeffizienz optimal und trägt auch dazu bei, dass die Anschaffungskosten tragbar bleiben. Es ergeben sich folgende Vorteile:

  • Nutzung des gesamten Kältevorrates der Kaltdämpfe
  • die große mittlere Temperaturdifferenz am Sauggaswärmeübertrager minimiert den Aufwand für die Wärmeübertragungsflächen
  • Ausschöpfen der ECO-Leistung zur Unterkühlung bis auf T u T 0 =20K, d.h. maximale Unterkühlung und größtmögliche Energieeffizienz unterstützt durch kleine zulässige Temperatur­differenzen im ECO (flüssig Verdampfen)
  • Wegfall der Isolierung für die Saugleitung zum Verdichter
  • vorhandene Software kann weiter verwendet werden

Als zeitweiliger Nachteil kann bei einigen Verdichterherstellern eine Verlegung der Einschleusbohrung bei Schraubenverdichtern in Richtung niedrigen Druckes erforderlich werden.

In Bild 8 sind die Verbesserungen der Energieeffizienz für verschiedene Varianten der Unterkühlung des Kältemittels dargestellt.

Dabei zeigt sich, dass die Kombination K3 (Sauggaswärmeübertrager ECO nachgeschaltet) die Bestwerte für die Einsparung an elektrischer Energie liefert. Die Einsparungen liegen zwischen 30 und 45 %. Das setzt aber voraus, dass die Einschleusbohrung am Schraubenverdichter in die Nähe des Saugdruckes verschoben wird. Natürlich muss noch eine Druckdifferenz von ≥1 bar zur Vermeidung von Rückströmungen im Schraubenverdichter bestehen bleiben. Man muss den Herstellern von Schraubenverdichtern Zeit lassen, eine solche Anpassung vorzunehmen. Mit der bisher festgelegten geometrischen Zuordnung der Einschleusbohrung wird man nicht bis 20 K oberhalb der Verdampfungstemperatur unterkühlen können (T u T 0 =20K). Man wird aber immerhin Werte von T u T 0 ≈30K erreichen können und damit Effekte realisieren, wie für K2 in Bild 8 angegeben. Man kann also mit Zwischenschritten durchaus leben.

Mit den Einsparungen nach Bild 8 wird deutlich, welches Potenzial für Energieeffizienzverbesserungen und für die Betriebskostenreduzierung in der Kältetechnik besteht.

Altlasten und Aufklärung

Man sollte meinen, dass mit den vorgestellten Ergebnissen die Einführung der vorgeschlagenen Energieeffizienzmaßnahmen ein Selbstläufer sein müsste. Das ist nach den bisherigen Erfahrungen ein Trugschluss. In der Praxis trifft man noch viele Meinungen an, die durch den jahrelangen Umgang mit dem Kältemittel R22 geprägt sind. Es wird nicht erkannt, dass Kältemittel mit einem Isentropenexponenten nahe dem Wert 1 eine völlig andere Kategorie von Kältemitteln darstellen als R22.

Wenn im Exponenten der Gleichung (3) die Differenz κ1 gegen Null geht und der Grenzfall der isothermen Verdichtung angenähert wird, ist das für die Leistungsaufnahme des Verdichters ein Riesenvorteil. Deshalb sind diese Kältemittel derart attraktiv.

Dagegen besitzt R22 einen ausgesprochen großen Wert für den Isentropenexponenten (s. Tabelle ), der nach Gleichung (3) bei der Verdichtung zu einer hohen Kompressionsendtemperatur und zu hohen Leistungsaufnahmen führt. Mit diesen Erfahrungen zum R22 belastet, wird versucht, sich dem R404a und anderen chlorfreien Kältemitteln vorsichtig zu nähern. Zum Beispiel werden keine Sauggastemperaturen über 0 °C zugelassen oder der Sauggaswärmeübertrager, der ja für R22 wegen des hohen κ-Wertes keine Vorteile bringt, wird gänzlich verworfen.

Zwischenfazit:

Die Erfahrungen mit dem R22 sind ein Ballast, den wir abwerfen müssen. Mit diesen Altlasten würden wir die guten Möglichkeiten der Energieeffizienzverbesserung mit neuen Kältemitteln kaputtmachen oder bremsen. Selbstverständlich kann man mit R404a usw. Sauggastemperaturen von 25 °C und mehr problemlos fahren und Energieeffizienzverbesserungen durch Sauggaswärmeübertrager oder Kombinationen zur Unterkühlung in fast unglaublicher Größenordnung realisieren. Man muss aber hierfür Referenzfälle schaffen. Solche Beweise sind allemal überzeugender als jede Theorie.

Enthitzer zur Heizwärmegewinnung

Die Nutzwärmegewinnung aus der Enthitzung des Druckgases ist für Kältemittel mit κ>1,2 ohne besondere Maßnahmen immer möglich, für die neuen chlorfreien Sicherheitskältemittel aber erst nach Anheben der Temperatur durch einen inneren Wärme­übertrager. Die Nutzwärmegewinnung mit Vorlauftemperaturen >60 °C ermöglicht Gutschriften für die gewonnene Heizenergie und trägt in der Heizperiode zur Erhöhung der Energieeffizienz der Kälteerzeugung bei. Es handelt sich um eine Kraft-Wärme-Kälte-Kopplung. Ein zusätzlicher Energieverbrauch der Kälteanlage ist damit nicht verbunden, weil die Enthitzungswärme unabhängig vom Kondensationsdruck gewonnen wird. Nur die Heizpumpe erfordert einen geringen Betrag an elektrischer Energie. Bei Verwendung geeigneter Gas-flüssig-Wärmeübertrager sind die Druckverluste auf der Gasseite vernachlässigbar.

Der Investitionskostenaufwand für diese Art der Wärmegewinnung ist denkbar gering, weil in den Gebäuden immer ein Vor- und Rücklauf der Heizwärmeversorgung vorausgesetzt werden darf. Es genügt, einen örtlich vorhandenen Rücklauf anzuzapfen und nach der Wärmegewinnung in den vorhandenen Vorlauf wieder einzuspeisen (Bild 9). Der Enthitzer wurde in den Prozessmodifikationen Bild 1, 3, 4, 5, 6 und 7 optional mit erfasst.

Vorteile der Enthitzung:

  • kostenlose Wärmequelle bei nutzbar hohem Temperaturniveau
  • keine Vorrichtungen für das Nachheizen des Wärmeträgers erforderlich
  • keine Energiekosten für das Nachheizen
  • Einsparung von Energieträgern und ggf. einer konventionellen Heizanlage incl. Wärmepumpe
  • Vermeidung von CO 2 -Emissionen

Natürlich kann zusätzlich zur Enthitzung für Heizzwecke auch eine Warmwasserbereitung durch Nutzung der Kondensationswärme folgen. Der im Bild 9 dargestellte Luftkühler wird dann durch die bekannten Warmwasserbereiter ersetzt oder ergänzt.

Bewährte Apparateausführungen

Bekannt und bewährt sind Ringkanal-Wärmeübertrager (RKW; Bild 10). Das Gas strömt tangential um ein Zentralrohr in ringförmigen Kanälen. Die hochberippten geraden Rohre werden quer und die Rippen parallel angeblasen. Durch die hohen Rippen lässt sich der Nachteil ungünstiger Wärmeübergangsbedingungen ausgleichen. Die Anströmung der Rippen mit mäßigen Geschwindigkeiten sorgt für extrem geringe Druckverluste. Das ist besonders für innere Wärmeübertrager von großem Wert.

Die Flüssigkeit wird durch die Rohre geführt, in Vorkammern oder 180°-Krümmern umgelenkt und im nächsten Kanal in Gegenrichtung zurückgeführt, so dass ein Kreuzgegenstrom mit vielen Durchgängen entsteht. Durch die Anzahl der parallel geschalteten Rohre eines Ganges können auch extreme Querschnittsverhältnisse für große Volumenstromunterschiede mit definierten Geschwindigkeiten eingestellt werden. Das macht Gegenstrom auch für Gase mit geringer Dichte gegen Flüssigkeiten möglich. Ringkanal-Wärmeübertrager sind daher ideal als innere Wärmeübertrager und als Enthitzer in der Kältetechnik einsetzbar für Gasvolumenströme ab 80 m 3 /h aufwärts.

Es darf darauf hingewiesen werden, dass Plattenwärmeübertrager für die anspruchsvolle Wärmeübertragung der Gas-Flüssigkeit nicht geeignet sind. Die Temperaturspreizung auf der Flüssigkeitsseite ist zu gering. Druckverluste auf der Dampfseite sind viel zu hoch. Bei Enthitzern müssen Vorlauftemperaturen über 60 °C bis 80 °C erreicht werden.

Für kleinere Gasvolumenströme ab 100m³/h (Betriebskubikmeter) empfiehlt sich, auf innenberippte Rohre zurückzugreifen. Diese Apparate werden als Axialstrom-Wärmeübertrager mit Innenrippen (AWI) bezeichnet (Bild 12).

Axialstrom-Wärmeübertrager mit Innenrippen werden bereits eingängig als Gas- bzw. Luftkühler verwendet. Durch die geringe Temperaturspreizung von 5 bis 10K auf der Wasserseite bei reiner Kühlung ergeben sich größere Kühlwasser-Volumenströme, so dass eine eingängige Ausführung der Apparate auf der Wasserseite möglich ist. Bei der Auskopplung von Heizwärme möchte man aber möglichst hohe Wärmeträger-Vorlauftemperaturen von 60 bis 80 °C realisieren können, wobei die Rücklauftemperatur mit 40 °C angenommen werden kann. Die dadurch bedingte hohe Temperaturspreizung von 20 bis 40K führt zu kleinen Wärmeträger-Volumenströmen. Die kleine mittlere Temperaturdifferenz vergrößert aber die Wärmeübertragungsfläche.

Um nicht sehr schlanke lange Apparate ausführen zu müssen, sind zwei- bis sechsgängige Apparate erforderlich, die für Axialstrom neu zu entwickeln waren. Nur so kann bei Axialstrom eine kompakte Ausführung mit Gegenstrom der Medien realisiert werden.

Die aus einer Al-Legierung gezogenen Rippen sind sehr glatt. Der Al-Einsatz wird in einem Mantelrohr aus Stahl klangfest angelegt. Die Stahlmäntel der Rohre werden in Rohrböden eingeschweißt, so dass eine normale Apparatebau-Werkstoffpaarung der drucktragenden Komponenten möglich ist. Mit den jetzt verfügbaren größeren Durchmessern der längsberippten Rohre ist eine wirtschaftliche Apparatefertigung gegeben.

Zusammenfassung

Die Kombination von Economizer und Sauggaswärmeübertrager vermindert gerade bei den neuen chlorfreien Sicherheitskältemitteln ganz radikal die mit deren kleiner Verdampfungsenthalpie verbundene Bildung großer Anteile von Entspannungsdampf. Die Kälteprozesse weisen dann eine exzellente Energieeffizienz durch die Unterkühlung des Kältemittels auf. Die Nachschaltung des ECO hinter dem Sauggaswärmeübertrager ermöglicht Energieeffizienzverbesserungen bis über 40%, setzt aber einen zusätzlichen Sauggaswärmeübertrager voraus, der sich jedoch in wenigen Monaten amortisiert.

Durch die Verwendung von Sauggaswärme­übertragern (innere Wärmeübertrager) ergibt sich auch für die neuen chlorfreien Kältemittel die Möglichkeit, in bekannter Weise Überhitzungswärme mit hohen Vorlauftemperaturen des Wärmeträgers als Heizwärme auszukoppeln, wie man es vom R22 gewohnt war.

Durch Gutschriften aus der Heizwärmegewinnung kann die Energieeffizienz der Kälteerzeugung weiter beachtlich gesteigert werden, bezogen auf das Kalenderjahr um mindestens 7%. Kälteanlagen der Zukunft werden damit als Heizwärmeversorger eine zunehmende Rolle spielen.

Die Energieeffizienzreserven heutiger Kälteanlagen sind also offensichtlich. Mit der Einführung der chlorfreien Sicherheitskältemittel dürfen aber nicht nur die Kältemittel selbst, sondern es muss auch die Prozessführung der Kälteerzeugung verändert werden, um diese Effizienzverbesserungen abrufen zu können.

Die Energieeffizienzverbesserungen durch hohe Unterkühlung schaffen auch die Voraussetzung für die Reduzierung der Verdichterkapazitäten. Die Kosten für Wärmeübertrager dürfen in vielen Fällen durch diese einsparungen ausgeglichen werden.-

Links

http://www.kk-fachtagung.de

Dr.-Ing. Hans Förster

Freier Ingenieur, Kälte­technik, Absorptionskältetechnik, Ing.-Büro Dr.-Ing. H. Förster, Magdeburg

Jetzt weiterlesen und profitieren.

+ KK E-Paper-Ausgabe – jeden Monat neu
+ Kostenfreien Zugang zu unserem Online-Archiv
+ Fokus KK: Sonderhefte (PDF)
+ Webinare und Veranstaltungen mit Rabatten
uvm.

Premium Mitgliedschaft

2 Monate kostenlos testen