Springe auf Hauptinhalt Springe auf Hauptmenü Springe auf SiteSearch
Integriertes Heizungs- und Kältekonzept für Supermärkte

Brunnenwasser zur Beheizung, Kühlung und Effizienzsteigerung der CO2-Kälteanlage

Einem Zitat von Henry Ford folgend Wer immer tut, was er schon kann, bleibt immer das, was er schon ist, entschied sich die Familie Rentschler in Dornhan für ein solches Konzept: Das Brunnenwasser in Verbindung mit einer Wärmepumpe zu nutzen, nur um den Markt zu beheizen, ist eine effiziente Möglichkeit, aber keine besonders wirtschaftliche. Es sind hohe Investi­tionen erforderlich, sodass sich Amortisationszeiten von deutlich mehr als zehn Jahren ergeben. In Verbindung mit einer transkritischen CO 2 -Kälteanlage ergeben sich deutlich kürzere Amortisationszeiten von vier bis sechs Jahren.

Vor- und Nachteile bei der transkritischen CO 2 -Kälteanlage

Gegenüber den heute üblichen Kaskaden- (CO 2 / R 134 a) und R 404 a-Systemen für die Normal- und Tiefkühlung, ergeben sich einige Vor- und Nachteile bei der transkritischen CO 2 -Kälteanlage 1 . Der Einsatz einer transkritischen CO 2 -Anlage als Boosteranlage führt im Winter normalerweise zu einer besseren, im Sommer zu einer schlechteren und in der Übergangszeit zu einer etwa gleichen Leistungszahl gegenüber einer R 404 a-Kälteanlage. 2,3

Eine Ökoeffizienzstudie 4 über Supermarktkältesysteme, durchgeführt von dem britischen Institut SKM Enviros im Auftrag des europäischen Industrieverbands EPEE, analysiert und vergleicht die Leistung von CO 2 - und HFKW-Technologien im Hinblick auf ihre Wirtschaftlichkeit und Umweltverträglichkeit. Aus der Studie geht hervor, dass die transkritische CO 2 -Anlage in der Supermarktkälte bei Außentemperaturen bis 15 °C den geringsten Energieverbrauch der insgesamt vier untersuchten Technologietypen hat. Es sollte also versucht werden, CO 2 auf eine Umgebungstemperatur < 15 °C zu halten. Das betrifft ca. 25 Prozent der jährlichen Laufzeit 5 .

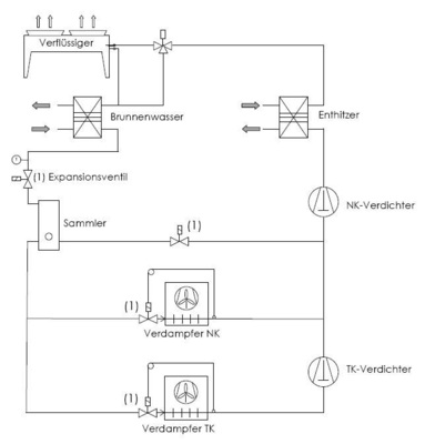
Bei CO 2 -Kälteanlagen bestimmt sich im transkritischen Bereich (bei Außentemperaturen > 26 °C) die Effizienz über die Austrittstemperatur am Gaskühler. Das CO 2 kann dann nicht mehr verflüssigt werden. Zu jeder Austrittstemperatur aus dem Wärmeübertrager kann ein optimaler Druck bestimmt werden. Daher wird die Austritts-temperatur gemessen, der optimale Hochdruck berechnet und am Expansionsventil (vor dem Sammler) eingestellt 6 .

Im subkritischen Bereich (bei Außentemperaturen < 26 °C) bestimmt sich die Effizienz, wie bei HFKW-Anlagen, über die niedrigste mögliche Kondensationstemperatur. Im subkritischen Bereich sollte also möglichst niedrig verflüssigt werden. Die transkritische Betriebsweise im Sommer führt, im Vergleich zu HFKW-Anlagen, immer zu schlechteren Leistungszahlen. Das betrifft aber nur weniger als fünf Prozent der jährlichen Laufzeit 5 .

Vorteil von Brunnenwasser: niedrige und konstante Temperatur

Um den Energieverbrauch auch bei höheren Außentemperaturen (> 15 °C) zu optimieren, bietet sich die Nutzung von Brunnenwasser an. Der Vorteil ist die gleichbleibende, relativ niedrige und konstante Temperatur im Sommer wie im Winter. Mit dem Brunnenwasser wird das CO 2 nach dem Wärmeübertrager und vor dem Expansionsventil abgekühlt. Dadurch ist es möglich, die Kälteanlage ganzjährig als subkritische Kälteanlage mit niedrigsten Kondensationstemperaturen zu betreiben. Bei höheren Außentemperaturen ergeben sich dadurch höhere Leistungszahlen und damit ein geringerer Energieverbrauch.

Falls die Leistung des Brunnens abnimmt oder die Pumpen ausfallen, kann die gesamte Wärmeleistung über den Gaskühler abgefahren werden. Die Anlage ist daher als transkritische Anlage ausgelegt. In dem Diagramm ist beispielhaft zu erkennen, dass die Gastemperatur von CO 2 deutlich unter der Außentemperatur liegt. Daraus resultiert eine Effizienzsteigerung.

Mit CO 2 -Kälteanlagen lässt sich, auch im subkritischen Bereich, sehr gut Wasser erwärmen. Daher wird das Brauchwasser über einen Enthitzer, der dem Gaskühler vorgeschaltet ist, ganzjährig erwärmt.

Im Winter: Wärmequelle Brunnenwasser

Im Winter oder in der Übergangszeit wird das durch die Kälteanlage erwärmte Brunnenwasser als Wärmequelle für die Wärmepumpe (Wasser/Wasser) genutzt. Gegenüber reinen Luft/Wasser-Wärmepumpen ergeben sich deutlich höhere jährliche Leistungszahlen (COP > 4). Die statischen Heizflächen und die Register in den Lüftungsgeräten wurden mit einer Temperaturspreizung von 40/35 °C ausgelegt.

Im Sommer: kostengünstig kühlen

Das Brunnenwasser eignet sich im Sommer außerdem als eine kostengünstige Möglichkeit zur aktiven Kühlung des Marktes. Das wiederum reduziert bei hohen Außen- und Raumtemperaturen im Markt die Belastung der Kühlmöbel.

Fazit

Zusammenfassend ergibt sich durch eine gemeinsame Nutzung des Brunnenwassers zur Beheizung, Kühlung und zur Effizienzsteigerung der CO 2 -Kälteanlage ein effizientes Gesamtkonzept. Außerdem werden im Markt keine fossilen Brennstoffe wie Gas oder Öl genutzt, um Wasser zu erwärmen. Selbst bei Außentemperaturen von 20 °C ergeben sich Leistungszahlen bei der Wärmepumpe von > 4.

Für ein perfektes Ergebnis ist eine sehr enge Zusammenarbeit zwischen der Gewerbekälte und der Haustechnik erforderlich. Ein entscheidendes Auslegungskriterium ist die Wärmeleistung, die im Sommer vom Brunnenwasser abgeführt werden kann. Diese Leistung und die elektrische Leistung der Brunnenwasserpumpen bestimmen wesentlich die Amortisationszeit der Gesamtanlage. Dafür sind umfangreiche technische Klärungen vor der eigentlichen Vergabe der Aufträge notwendig.

Die Detailplanung und die Montage des oben beschriebenen Konzeptes im Edeka Rentschler wurden von der Firma Epta Deutschland in Mannheim in enger Zusammenarbeit mit der Firma Busam aus Oberkirch-Nußbach durchgeführt. -

1 Bundesumweltamt (2008), Vergleichende Bewertung der Klimarelevanz von Kälteanlagen und -geräten für den Supermarkt

2 Dr. Gernemann (2003), Konzeption, Aufbau und energetische Bewertung einer zweistufigen CO 2 -Kälteanlage, Dissertation

3 Kauffeld, Prof. Dr.-Ing. (2008), Trends und Perspektiven für Supermarkt-Kälteanlagen, KI Kälte Luft Klima Kälte

4 Industrieverband EPEE (2010), Studie zur Ökoeffizienz von Supermarktkälteanlagen

5 DIN 4710, Meteorologische Daten

6 Anwendungshandbuch Danfoss, CO 2 -Kältesystem für den Lebensmitteleinzelhandel

Hochtemperaturwärmepumpe mit CO 2 für Nahwärmenetz Lauterecken in Rheinland-Pfalz

Das neueste Projekt der Thermea GmbH, Freital bei Dredsen, zeigt im rheinland-pfälzischen Lauterecken, wie breit die Einsatzmöglichkeiten der thermeco2 Hochtemperaturwärmepumpen sind. Die umweltfreundliche Technologie ermöglicht es, künftig in der Gemeinde Lauterecken das Schloss Veldenz, den Veldenz-Turm, die Kreissparkasse und das Rathaus mit mehreren Gebäuden zu versorgen. Als Herzstück dieser Nahwärmeversorgung wird eine thermeco2 Hochtemperaturwärmepumpe installiert. Diese wird mit dem Flusswasser der Lauter betrieben und lässt auch hohe Vorlauftemperaturen für die Heizungen zu. Margit Conrad (SPD), Umweltministerin Rheinland-Pfalz, stellte während der Einweihung des Nahwärmenetzes Anfang März fest: So wird Lauterecken unabhängiger von preistreibenden fossilen Energien. Die Region und ihre Wettbewerbsposition werden damit gestärkt.

Technologie und Umwelt aus 10 °C werden 65 °C

thermeco2 Hochtemperaturwärmepumpen arbeiten mit dem klimaneutralen Arbeitsstoff Kohlendioxid. Im Unterschied zu den künstlich hergestellten ­fluorierten Kohlenwasserstoffen (FKW) hat das als Treibhausgas bekannte CO 2 bei der Nutzung in einer thermeco2 Hochtemperaturwärmepumpe keine klimaschädigenden Eigenschaften, da es sich in einem geschlossenen Kreislauf befindet. So besteht endlich die Möglichkeit, Umweltwärme für Heizungszwecke zu nutzen, außergewöhnlich hohe Temperaturen zu erreichen und zusätzlich auf die Verwendung klimaschädlicher Stoffe zu verzichten.

Im Fall von Lauterecken wird der Fluss Lauter die benötigte Umweltwärme zur Verfügung stellen. Einem Teil des im Jahresmittel 10 °C warmen Flusswassers wird in der Wärmepumpe Energie entzogen, sodass es sich um 3 °C abkühlt. Die entzogene Energie reicht aus, um dem Nahwärmenetz den größten Teil des Jahres Heißwasser mit einer Temperatur von 65 °C zur Verfügung zu stellen. So kann das Nahwärmenetz rund 77 Prozent der benötigten Heizwärme doppelt umweltfreundlich zur Verfügung stellen und obendrein noch rund 53 Tonnen CO 2 -Emissionen pro Jahr vermeiden. Die Gaskesselanlage wird nur bei ganz niedrigen Temperaturen benötigt.

Technische Daten thermeco2 HHR 260

Gesamtheizleistung: 232 kW bei 65/30 °C

Gesamtkühlleistung: 170 kW bei 10/7 °C

Elektrische Leistungsaufnahme: 62 kW

JAZWP (Jahresarbeitszahl): 3,7

Jahresheizarbeit: 520 MWh

Deckungsgrad: 77 Prozent

Einsparung CO 2 -Emissionen: ca. 53 t/a

Dipl.-Ing. Andreas Pries

Ing.-Büro Genesis, Rhede

Energieberatungen

Andreas Pries, Rhede

Jetzt weiterlesen und profitieren.

+ KK E-Paper-Ausgabe – jeden Monat neu
+ Kostenfreien Zugang zu unserem Online-Archiv
+ Fokus KK: Sonderhefte (PDF)
+ Webinare und Veranstaltungen mit Rabatten
uvm.

Premium Mitgliedschaft

2 Monate kostenlos testen