Springe auf Hauptinhalt Springe auf Hauptmenü Springe auf SiteSearch
Moderne Ammoniakkälte für Traditionsbrauerei

Für gutes Bier

Die Kälteerzeugung gehört mit etwa 40 Pro-zent Anteil zu den größten Stromverbrauchern in der Brauerei und die Kühlung beeinflusst außerdem direkt die Bierqualität. Kommt die Technik in die Jahre und wird die Ersatzteilbeschaffung durch dazu erforderliche Einzelanfertigung zunehmend schwieriger, gibt es zu einer Investition in neue Technik keine sinnvolle Alternative.

Mit Kältetechnik, die für das natürliche Kältemittel Ammoniak ausgelegt ist, kann man gleich zwei Fliegen mit einer Klappe schlagen: Zum einen ist die Kälteerzeugung mit Ammoniak besonders effizient, zum anderen weist dieses Kältemittel weder ein GWP (Global Warming Potential) noch ein ODP (Ozone Depletion Potential) auf.

Bei der mittelständischen, heute inhabergeführten Greizer Vereinsbrauerei im Thüringer Vogtland wurde Kälte seit 1974 mit Nema-NH3-Kaltwassersätzen (Kolbenverdichtern) produziert. Da die rund 40 Jahre alte Installation aber nur noch unter großem organisatorischen sowie finanziellen Aufwand instand gehalten werden konnte, entschloss sich die Geschäftsführung der Greizer Vereinsbrauerei in Zusammenarbeit mit der Weska Kälteanlagen GmbH, Netzschkau im Vogtland, zur Neuinvestition.

Das Maschinenbauunternehmen Nema in Netzschkau hatte die Kältetechnik der Brauerei nicht nur Mitte der siebziger Jahre geliefert, sondern sich bis zur Wende auch um die Wartung der Greizer Kältetechnik gekümmert. Nachdem die einzelnen Nema-Produktionszweige in eigenständige Gesellschaften überführt wurden unter anderem in die heutige Weska Kälteanlagen GmbH ,blieb die Wartung trotz wechselnder Be-sitzerverhältnisse bis heute überwiegend in den Händen ehemaliger Nema-Mitarbeiter.

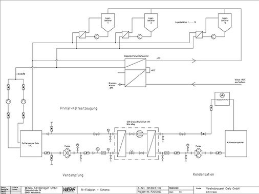
NH 3 -Spitzenlastmaschine

Zwei 158-kW-Nema-Kolbenverdichter-Kältemaschinen liefen in der Greizer Vereinsbrauerei zuletzt praktisch ständig unter Volllast, um theoretisch bis zu 420 kW Kälte für einen jährlichen Bierausstoß von rund 70 000 hl bereitzustellen. In der Brauerei müssen alle fünf Stunden 260 hl Würze von 96 °C auf 8 °C heruntergekühlt werden. Dieser Vorgang dauert je Sud 1,5 Stunden. Für diese Spitzenlast werden etwa 300 kW Kälte benötigt. Die beiden Bestandsmaschinen benötigten zusammen fünf Stunden, um die durch Kühlung erwärmte Sole wieder auf 4 °C herunterzukühlen, sodass die Produktion variabel immer wieder an die jeweilige Leistungsfähigkeit der Kälteanlage angepasst werden musste. Das bedeutete nicht zuletzt für den verantwortlichen Betriebstechniker der Brauerei ungewöhnliche und nicht familienfreundliche Arbeitszeiten. Zudem erforderte die Kälteerzeugung jedes Jahr etwa 240 000 kWh elektrische Energie. Das war rund ein Drittel des gesamten in der Brauerei benötigten Stroms.

Seit April 2014 ersetzt ein offiziellerst diesen Herbst in den Markt eingeführter GEA  Grasso  BluGenium  450 die beiden Nema-Kältemaschinen. Das Gerät basiert auf den bewährten Kolbenkompressoren der GEA  Grasso  V-Serie. Die neue Kältemaschine benötigt nur die Hälfte des ursprünglich zur Kälteerzeugung verbrauchten Stroms. Bei einer Betrachtung der Stromkosten beträgt die Amortisationszeit des als Spitzenlastgerät für die Greizer Vereinsbrauerei ausgelegten und von der BAFA geförderten Geräts nur vier Jahre: Werden außerdem die wesentlich geringeren Instandhaltungskosten mitberücksichtigt, reduziert sich diese Zeit nochmals deutlich.

Effizienter Energieeinsatz

Die Würzekühlung ist zweistufig. Das erste Temperaturniveau der Würzekühlung wird heute in der ersten Stufe eines großen, zweistufigen Wärmeübertragers mit 12 °C kaltemBrunnenwasser erreicht. Dieses Wasser wird dabei etwa auf 80 °C erhitzt und als Warm-/Heißwasser in der Greizer Brauerei genutzt. Die Würzetemperatur nach der ersten Abkühlungsstufe beträgt 16 °C. Die zweite Hälfte des großen Würze-Wärmeübertragers kühlt danach die Würze mit der kalten Sole (4 °C) auf die geforderten 8 °C ab.

Der zweite große Kälteverbraucher in der Greizer Vereinsbrauerei sind die zylindrokonischen 1300-hl-Gär- und Reifungstanks. Zunächst wird die Gärtemperatur von 8 °C konstant gehalten. Überschüssige Wärme wird über kleine, den jeweiligen Tanks zugeordnete Wärmeübertrager abgeführt. Diese sind an den Solekreislauf angeschlossen.

Gleichzeitig wird über diesen Wärmeübertrager-Bypass auch der gesamte Tankinhalt gleichmäßig umgewälzt. Zu Beginn der anschließenden Lagerung wird das Bier innerhalb von 24 Stunden über die gleichen Wärmeübertrager von 12 °C auf 1 °C abgekühlt und anschließend rund drei Wochen bei 1 °C gelagert.

40-kg-Füllmenge-NH 3

Die Kältemittelmenge der neuen Anlage ist im Vergleich zu den Nema-Maschinen deutlich reduziert: Die Bestandsmaschinen hatten Rohrbündelwärmeübertrager und waren deshalb mit jeweils 200-kg-NH3 befüllt. Der GEA Grasso BluGenium 450 kommt aufgrund seines Plattenwärmeübertragers mit nur 40-kg-Füllmenge aus. Die auf einem Rahmen vormontierte Maschine passt mit 1,2 m Breite und fünf Metern Länge außerdem problemlos auf einen Lkw und durch eine normale Hallentür.

Die Installation der neuen Kältetechnik konnte während des laufenden Betriebs erfolgen. Zunächst wurde eine der beiden Nema-Kältemaschinen im Maschinenraum demontiert. An deren Stelle steht nun der bereits unter Laborbedingungen umfassend getestete GEA Grasso BluGenium 450. Lediglich vier Leitungen mussten zur Inbetriebnahme angeschweißt und die Elektroinstallation angepasst werden. Die gesamte Inbetriebnahme durch Weska wurde innerhalb von drei Wochen abgeschlossen und umfasste auch den Einbau von Sole-Pumpen, sowie die Einstellung der Regelungstechnik.

Kälte-Pufferspeicher

Der Greizer GEA Grasso BluGenium hat kein Schallschutzgehäuse, weil er in einem separaten Maschinenraum steht (der optional erhältliche Schallschutzschrank würde das Betriebsgeräusch um etwa 5 dB(A) absenken). Die Kälteanlage ist als Spitzenlastgerät ausgelegt und kann im Falle einer Ha-varie innerhalb weniger Tage durch die jetzt stillgelegte Bestandskältemaschine ersetzt werden. Auch ein Anschluss für Mietkälte an das Kälteversorgungsnetz ist vorgesehen.

Die Abwärme des Kaltwassererzeugers wird über einen Kühlturm an die Umgebung abgegeben. Zu diesem Zweck fördert eine neue Warmwasserpumpe das ca. 20 °C warme Kühlwasser zum Kühlturm.

Der Kälteträger in der Greizer Vereinsbrauerei ist Sole. Der GEA Grasso BluGenium 450 kühlt die 5 bis 8 °C warme Sole aus dem Rücklauf auf 4 °C und fördert diese zunächst in den etwa 5 m³ großen Pufferspeicher, von wo aus sie zu den einzelnen Verbrauchern gepumpt wird. Da der Kältebedarf durch die Produktionszyklen schwankt, schaltet sich die zentrale Kältemaschine durchaus bis zu drei Stunden ab, wenn der Pufferspeicher gut gefüllt ist. Die Anlage passt sich automatisch stufenlos dem aktuellen Kältebedarf an und zeichnet sich durch ein hervorragendes Teillastverhalten aus (European Seasonal Energy Efficiency Ratio/ESEER von 9,5). Die Kältezahl des GEA Grasso BluGenium unter Volllast beträgt 5,2 (gemessen mit R 717 +12/+6 °C).

Niedrige Lebenszykluskosten

Möglich ist diese energieeffiziente Betriebsweise durch eine auf Langlebigkeit, Effizienz und niedrige Lebenszykluskosten ausgelegte Bauweise. Dazu zählt ein Frequenzumrichter, der eine stufenlose Drehzahlregelung zwischen 500 und 1 500 U/min ermöglicht. Ein sogenanntes Electronic-Condensate-Drain-System überwacht zudem die Druckverhältnisse am Verflüssiger und Verdampfer und stellt auf diese Weise die optimale Auslastung des Verdampfers sicher. Außerdem sind zwischen der Saug- und Druckseite des Verdichters die Temperaturen konstruktiv wirksam voneinander getrennt und eine großzügige Saugkammer minimiert die Druckverluste.

Der GEA Grasso BluGenium wird in der Greizer Vereinsbrauerei im Rahmen eines Feldtests von GEA Refrigeration Technologies besonders überwacht. Per Fernwartung werden die Betriebsdaten über entsprechend installierte Sensoren abgefragt. Der Feldtest hat für beide Partner Vorteile: Die Greizer Vereinsbrauerei profitiert neben attraktiven Investitionskosten von kostenloser Wartung über zwei Jahre, wogegen GEA Refrigeration Technologies im gleichen Zeitraum mit den Betriebsdaten noch Verbesserungspotenzial der Innovation aufspüren kann.

GEA Grasso BluGenium: hocheffizienter Teillastbetrieb

Die neuen GEA Grasso BluGenium Kaltwassererzeuger basieren auf der erfolgreichen GEA Grasso V-Serie. Hauptanwendungsgebiete sind die Bereitstellung von Kaltwasser für Klimatisierung, Kaltsole für die Klimatisierung im kombinierten Eisspeicherbetrieb, Kaltwasser oder Kaltsole für Industrieprozesse sowie (Kalt-)Warmwasser für den Wärmepumpenbetrieb.

Die Kaltwassererzeuger sind in fünf Baugrößen zwischen 280 und 1 210 kW (jeweils gemessen bei +12/+6 °C) erhältlich. Die schmalen Geräte ermöglichen Soletemperaturen zwischen 15 °C und +15 °C. Bei allen Modellen beträgt der Wirkungsgrad (Volllastbetrieb gemessen mit R 717 +12/+6 °C) mindestens 5,2, beim Topmodell sogar 5,5. Besonders im Teillastbetrieb sparen die Maschinen bares Geld: Der ESEER-Wert (European Seasonal Energy Efficiency Ratio) beträgt 9,5.

Damit sind die neuen Kaltwassererzeuger prädestiniert für wechselnde Lastanforderungen, seien sie witterungsbedingt oder durch die Produktionszyklen verursacht. Für das Jahr 2015 ist eine Erweiterung der Serie um Modelle mit externen Verflüssigern sowie um luftgekühlte Anwendungen geplant.

Heike Millhoff,

Fachjournalistin,

München