Springe auf Hauptinhalt Springe auf Hauptmenü Springe auf SiteSearch
Serie: Absorbertechnologie & BHKW/KWKK (Teil 1)

Absorptionstechnik Wasser als natürliches Kältemittel

Die Bereitstellung von Kälte ist eine der teuersten Energieformen, die Unternehmen zur Verfügung stellen müssen. Es spielt dabei keine Rolle, ob es sich um Klimakälte zum Kühlen von Büroräumen mit ca. 1800 Betriebsstunden oder um Prozesskälte mit mehreren Tausend Betriebsstunden im Jahr handelt.

Seit Beginn der Industrialisierung nahm die Kältetechnik schon immer einen großen Teil der Investitionen in Anspruch, denken wir nur an die großen Eiskeller der Brauereien, in denen Natureis aus Seen in großen Mengen eingelagert wurde. Technisch fortschrittlicher waren Ammoniak-Kälteanlagen, die unabhängig von der Jahreszeit ar- beiteten. Aus heutiger Sicht sind die Investi-tionen geblieben, jedoch werden neue Projekte/Bauvorhaben aus einem anderen Blick- winkel bewertet und beurteilt. Hier spielt nicht nur die Effizienz der Anlage, sondern auch die ökologische Verträglichkeit im Sinne des Umweltschutzes eine wichtige Rolle.

Soll in eine neue Kälteanlage investiert werden, ist es sehr wichtig, auch ein Budget für die Projektierung und Planung einer neuen Kälteanlage durch einen Fachbetrieb oder ein Ingenieurbüro bereitzustellen. In diesem Prozess werden verschiedene Systeme miteinander verglichen und die Betriebskosten gegenübergestellt.

Kältekreis

In einem Kältekreis wird flüssiges Kältemittel bei tiefer Temperatur und niedrigem Druck unter Entzug von Energie (Kühleffekt) verdampft. Das dampfförmige Kältemittel wird mittels eines Verdichters auf ein hohes Druck- und Temperaturniveau gebracht und unter Abgabe von Verflüssigungsenergie verflüssigt. Das flüssige Kältemittel wird danach in einem Drosselorgan zu Gas mit niedrigem Druck entspannt und der Kreislauf beginnt von vorn.

Die Effizienz der Anlage wird mit der Leistungszahl bewertet, die sich aus der Nutzleistung (Kälte- oder Wärmeleistung) dividiert durch die Antriebsleistung errechnet. Je größer die Leistungszahl ist, desto effektiver ist die Anlage. Die Leistungszahl wird durch den theoretischen Carnon-Prozess beschränkt.

Um jahreszeitliche Temperaturschwankungen zu berücksichtigen, gibt es in der Klimatechnik Leistungsziffern mit Berücksichtigung und Gewichtung von jahreszeitlich bedingtem Teillastbetrieb, wie z. B. den ESEER-Wert. Dieser Wert ist eine gewichtete Formel, die sowohl die Schwankungen der Leistungszahl bei verschiedenen Lastbedingungen des Gebäudes als auch die Schwankungen der Verflüssigung (Außentemperatur) berücksichtigt. Leistungsziffern erlauben unterschiedliche Anlagen und Fa- brikate miteinander zu vergleichen.

In den Anfangstagen der Kältetechnik kamen natürliche Kältemittel wie Ammoniak, Kohlendioxid, Propan oder Schwefeldioxid zum Einsatz. Thermodynamisch gesehen waren und sind diese Stoffe gute Kältemittel, sie sind jedoch giftig oder brennbar. In den 1950er-Jahren kamen dann die sogenannten Sicherheitskältemittel auf den Markt, die sehr gute thermodynamische Eigenschaften hatten, ungiftig und nicht brennbar. Leider stellte sich heraus, dass diese Stoffe ein großes Ozonabbaupotenzial (Ozon  Depletion  Potential, ODP) und Treibhauspotenzial (Global  Warming Potential, GWP) haben.

Bei der Weltklimakonferenz im japanischen Kyoto im Jahr 1997 wurden erstmals Klimarahmenkonventionen festgelegt, die den Ausstoß von ozonschädlichen Gasen und Treibhausgasen reglementieren. Die Kältebranche hat mittlerweile diese ozonschädlichen Kältemittel ausgetauscht. Bei den treibhausschädlichen Kältemitteln, die im Äquivalent zu CO 2 bewertet werden, hat die Weltklimakonferenz in Paris die nächste Stufe gestartet und schreibt eine Reduzierung des CO 2 -Ausstoßes um 80 Prozent bis zum Jahr 2050 im Vergleich zu 1990 vor.

Dieser Beschluss ist für die Allgemeinheit von Bedeutung, da jedermann mehr oder weniger CO 2 verursacht. Für Kälteanlagen unterscheidet man den direkten und indirekten CO 2 -Ausstoß. Ein direkter Ausstoß ist Entweichen von Kältemittel in die Atmosphäre und kann durch regelmäßige Wartung und vorgeschriebene Dichtigkeitsprüfungen verringert werden. Der indirekte CO 2 -Ausstoß erfolgt über den elektrischen Antrieb, beim Verbrennen fossiler Energie.

Die Industrie ist aufgrund politischen Willens noch mehr gefordert: Bei der Projektierung neuer Anlagen oder bei der energetischen Sanierung Energiequellen und Energiesenken in einem Gesamtverbund zu berücksichtigen.

Eine interessante Alternative ist die Absorptionstechnik, die mittels Wärme Kälte erzeugt. Beim Absorptions-Flüssigkeitskühler wird aus Dampf oder Heißwasser mittels eines thermischen Kreisprozesses kaltes Wasser produziert. Im Kältekreislauf wird Wasser als Kältemittel eingesetzt und ein Salz (Lithiumbromid) als Absorptionsmittel. Lithiumbromid ist eine Salz-Bromwasserstoffsäure, welche bestrebt ist, andere Stoffe, z. B. Wasser, aufzusaugen (zu absorbieren).

Absorptionskreislauf

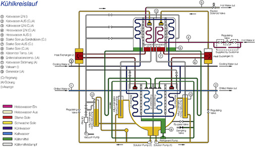
Wasser verdampft im Vakuum, welches den Kühleffekt hervorruft. Der Dampf wird über Kühlwasser wieder verflüssigt. Um den Kreisprozess am Laufen zu halten, absorbiert ein wasserfreundliches Salz (Lithiumbromid) den Wasserdampf. Es entsteht eine schwache Salzlösung, die in einem Wärmeübertrager mittels Dampf oder Heißwasser wieder ausgetrieben wird. Dadurch bildet sich eine starke Lösung und der Kreisprozess kann von vorn beginnen. Die Salzlösung wirkt als Antriebsmotor.

Eine Absorptionsanlage benötigt nur relativ kleine elektrische Antriebsleistungen (Vakuumpumpe), hat aber eine kleine Leistungszahl zwischen 0,7 und 1,4. Steht die Abwärme günstig oder besser kostenneutral zur Verfügung, z. B. durch Abwärme oder Kühlwasser (> 70 °C) eines Blockheizkraftwerkes, hat man eine gute und kostengünstige Technik. Dies entspricht sowohl aus betriebswirtschaftlicher Sichtweise, aber auch im Sinne von Politik und Umwelt den Anforderungen einer nachhaltigen Technik.

Lithiumbromid-Absorber Wasser als natürliches Kältemittel

Die Renaissance der Absorptionskältemaschinen in Europa geht unvermindert weiter. Zu den altbekannten Anwendungen gesellen sich heute immer öfter lukrative Einsatzfälle im Bereich der alternativen Stromerzeugung und der Nutzung von Abwärme. Rütgers Kälte Klima in Partnerschaft mit dem Hersteller Shuangliang und weiteren Kooperationspartnern präsentiert sich in Deutschland und weit über die Grenzen hinaus als Partner für umweltverträgliche und energieeffiziente Lösungen und sorgt sich nicht zuletzt um Nachhaltigkeit.

Kühlung mittels Absorber-Technologie zur Energieeinsparung und als Beitrag zum Umweltschutz ist ein schlagkräftiges Argument, zumal Wasser als natürliches Kältemittel zum Schutz unserer Umwelt eingesetzt wird. Die Bereitstellung von Kälte ist eine der teuersten Energieformen, die Unternehmen zur Aufrechterhaltung der Produktqualität einsetzen müssen. Es spielt dabei keine Rolle, ob es sich um Klimakälte zum Kühlen von Büroräumen mit ca. 1 800 Betriebsstunden oder um Prozesskälte mit mehreren Tausend Betriebsstunden im Jahr handelt. Es sind intelligente Lösungen gefragt, die sich nach Effizienz, Wirtschaftlichkeit und ökologischen Grundwerten richten, um den Begriff der Nachhaltigkeit deutlich werden zu lassen, was sich hinsichtlich der weltweit vereinbarten Anstrengungen zum Klimaschutz rechnen soll. Eine dieser intelligenten Lösungen trägt den Namen CCHP, was so viel bedeutet wie kombinierte Anlagentechnologie zur Bereitstellung von Kühlung, Heizung und Strom. CCHP-Anlagen dienen zur Energieeinsparung und Reduzierung von Emissionen. Hierbei wird auch das Augenmerk auf Energierückgewinnung aus industrieller Abwärme gelenkt, denn gerade hier stecken noch wesentliche Potenziale zur Reduzierung der Erderwärmung und damit zum Klimaschutz.

Wärme als Antriebsenergie anstelle von Elektrizität

Der Absorber nutzt Wärme, auch mit niedrigem Temperaturniveau als Antriebsenergie anstelle von Elektrizität. Damit ist der Absorber die ideale Ergänzung zum Einsatz von Blockheizkraftwerken, die der dezentralen Stromerzeugung dienen. In Verbindung mit BHKWs kommen die unterschiedlichsten Absorbertechnologien zum Einsatz, immer nach den Besonderheiten der Gesamtanlage ausgerichtet und immer mit den besten Gesamtwirkungsgraden im Blickfeld der Betrachtung. Aus diesem Grund können moderne Absorber direkt an den Abgasmassenstrom des BHKW angeschlossen werden und überzeugen hierbei mit enorm hohen Wirkungsgraden. Klassische Einsatzfälle in Kombination mit den BHKWs, die zur Aufrechterhaltung ihrer Betriebsbereitschaft ein Kühlsystem benötigen und hierbei Warmwasser jenseits der 90 °C Grenze liefern können, sind die am meisten vorkommenden Anlagenmodelle.

Rückkühlung unverzichtbar

Ein beispielsweise für die Erzeugung von Kaltwasser eingesetzter Absorber hat wie jede andere Kältemaschine auch das Bedürfnis, die aus dem Kühlprozess entstandene Wärme wieder abzuführen. Dies kann auf vielfältige Weise geschehen, setzt aber immer einen klar definierten Rückkühlkreislauf voraus, der entweder über Verdunstungsrückkühler, über geschlossene Kühlkreisläufe oder über andere geeignete Kühlquellen verfügt.

Geringer elektrischer Energieverbrauch

Wenngleich die Antriebsenergie für den Absorber aus Wärme besteht, so ist ein kleiner Teil der verbrauchten Energie der Elektrizität geschuldet, die für den Antrieb der internen Pumpen und der Steuerung des Absorbers benötigt wird. Diese Anschlussleistung ist jedoch bescheiden klein und nicht zu vergleichen mit dem Stromverbrauch von elektrisch betriebenen Kältemittelverdichtern.

Funktions- / Arbeitsweise eines Absorbers

Ein Absorber arbeitet mit einer abgestimmten Kombination von Wärmeübertragern. Um das Kältemittel (Wasser) in kaltem, dampfförmigem Zustand zur Kühlung verwenden zu können, bedarf es eines sehr niedrigen Dampfdrucks. Deshalb verbindet man den Absorber mit dem Ausdruck Hoch-Vakuum. In der Verdampfer-/Absorbersektion der Maschine beträgt der Druck lediglich ca. 0,75 kPa, was nur durch den Einsatz einer integrierten Vakuumpumpe möglich ist.

Im Verdampferteil der Maschine nimmt das Kältemittel die Wärme aus dem Kaltwasserkreislauf auf. Der Verdampfer besteht aus dem Kaltwasserrohrbündel und der darüber befindlichen Kältemittelverteileinrichtung (Verteilerwanne). Wasser als natürliches Kältemittel wird von der Kältemittelpumpe zur Verteilerwanne geführt und gleichmäßig über das Rohrbündel verteilt. Bei der Wärmeaufnahme ändert sich der Aggregatzustand des Kältemittels, es wird zu Dampf. Kältemitteltropfen, die nicht verdampft sind, gelangen in Kältemittelwanne und werden der Rezirkulation zugeführt. Der Wasserdampf wandert zu den Absorbersektionen.

Die Absorbersektionen der Maschine bestehen ebenfalls aus Rohrbündeln (Kühlwasser führend) mit darüber befindlichen Verteilerwannen. Über diese Wannen erfolgt die gleichmäßige Verteilung der konzentrierten Lithiumbromid-Lösung. Der Wasserdampf aus dem Verdampfer wird von der konzentrierten Sole aufgrund großer hygroskopischer Oberflächen absorbiert. Die Wärme wird auf das Kühlwasser im Rohrbündelwärmeübertrager übertragen und abgeführt. Durch die Wasserdampfaufnahme wird die Lithiumbromid-Lösung verdünnt und sammelt sich im darunter liegenden Behälter.

Wohin mit der verdünnten Lithiumbromid-Lösung?

Frequenzgeregelte Solepumpen fördern die verdünnte Sole zum Generator und verteilen die Lösung in gewohnter Weise über den Rohrbündelwärmeübertrager. Die Wärmezufuhr erfolgt von außen über eine definierte Wärmequelle. Im Generator der Maschine wird durch Wärmezufuhr aus der verdünnten Lösung ein bestimmter Anteil Wasser (Kältemittel) ausgetrieben (verdampft). Zurück bleibt eine konzentrierte Lösung, die von der Sammelwanne des Generators den Weg zu den Absorbersektionen antritt, um dort erneut Wasserdampf aufzunehmen.

Wasserdampf aus dem Generator wandert zum Kondensator

Der Kondensator der Maschine besitzt ebenfalls Rohrbündelwärmeübertrager und vervollständigt die Wärmeübertragergruppen der Absorber-Kältemaschine. Der im Generator entstandene Wasserdampf strömt über einen Tropfenabscheider zum Kondensator und ändert dort durch Wärmeabgabe an das Kühlwasser seinen Aggregatzustand in flüssige Form. Das in der Sammelwanne befindliche Kältemittel tritt von hier aus den Weg zum Verdampfer an. Hervorgehend aus dem gesamten Prozess entstehen hin und wieder nicht kondensierbare Gase, die in eine Sammelbox eingeleitet und von der Vakuumpumpe entfernt werden.

Automatische Entlüftungseinrichtung

Im Gesamtsystem des Absorbers, dort wo sich Kältemittel und Lösungsmittel begegnen und aufhalten, kommt es aufgrund unterschiedlicher Reaktionen zur Ansammlung von nichtkondensierbaren Gasen. Diese Gasansammlungen werden über ein ausgeklügeltes, vernetztes Rohrsystem zu einem Auffangbehälter geleitet und periodisch abgeführt, ohne den Wirkungsgrad der Maschine negativ zu beeinflussen.

Schreckgespenst Kristallisation

Eine Absorber-Kältemaschine hat auch ihre Tücken. Werden zuvor definierte Betriebsparameter in den zugelassenen Grenzen bzw. Toleranzen nicht eingehalten, kann es zu Betriebsstörungen bis hin zur Kristallisation kommen.

Die von Rütgers vertriebene Absorber-Kältemaschine von Shuangliang besitzt eine sogenannte Prevent Logic. Diese Komponente geht einher mit der drehzahlgeregelten Solepumpe. Es wird bedarfsabhängig nur so viel Sole zum Generator gefördert, wie für die Kälteerzeugung notwendig ist (Fluss der Sole in Serienschaltung ohne Spraypumpe). Durch diese Regelung wird die Konzentration zwar hoch, aber auch in sicheren Grenzen gehalten, d. h. die Betriebsparameter sind mit jeder Absorber- Kältemaschine vorher festzulegen und einzuhalten.

Sicherheitsabschaltung

Während des Betriebs der dampfbetriebenen Absorptionskältemaschine werden vom Maschinenregler ständig die Betriebsparameter an den unterschiedlichsten Stellen der Maschine geprüft, um beurteilen zu können, dass der Absorber im gefahrlosen Normalbetrieb arbeitet. Der Maschinenregler reagiert auf definierte hauptsächliche Abweichungen vom Normalbetrieb und reagiert entweder mit einer geregelten oder sofortigen Außerbetriebnahme bei gleichzeitiger Störmeldung.

ShuanglianG Absorber

Die von Rütgers vertriebenen Shuangliang-Absorber bieten folgende zukunftsorientierte technische Lösungen:

großzügig gewählte Wärmeübertrager

mittig angeordneter Verdampfer mit zwei Absorbersektionen

raffiniert gestaltetes Kristallisations- system

automatische Entlüftungseinheit

frequenzgeregelte Solepumpen

speicherprogrammierbare Steuerung

keine Spraydüsen, sondern verstopfungsfreie Verteilwannen für Sole und Kältemittel

außerst geringe Isolieroberflächen für kalte Bauteile

Vernetzungsmöglichkeit mit mehreren Maschinen und Gebäudeleittechnik

Sonderlösungen hinsichtlich Druckstufen und Wärmeübertragermaterial

flächendeckender Kundendienst

geringer Wartungsaufwand

Maschinenmonitoring (Fernwartung) und damit höchste Verfügbarkeit

Einsatzmöglichkeiten eines LithiumBromid-Absorbers

Grundsätzlich gilt: Wir erzeugen damit Kaltwasser bis auf ein Temperaturniveau von + 5 °C. Außerdem stehen folgende Wärmequellen für die unterschiedlichen Absorbertypen zur Verfügung:

Warmwasser zwischen 80 °C und 130 °C

Heißwasser bis 180 °C

Brüdendampf bis 0,5 bar

Niederdruckdampf bis 1,5 bar

Dampf zur Befeuerung von Doppeleffekt-Maschinen bis 8 bar

Direktbefeuerung, z. B. über Erdgas

Abgas/Rauchgas zwischen 300 °C und 550 °C

Dipl.-Ing.(FH) Wolfgang Schmid,

Leitung Rütgers Kälte Klima Niederlassung Ludwigshafen

Gert Heiss,

Prokurist / Vertrieb, Rütgers GmbH & Co. KG Kälte Klima, Mannheim

Jetzt weiterlesen und profitieren.

+ KK E-Paper-Ausgabe – jeden Monat neu
+ Kostenfreien Zugang zu unserem Online-Archiv
+ Fokus KK: Sonderhefte (PDF)
+ Webinare und Veranstaltungen mit Rabatten
uvm.

Premium Mitgliedschaft

2 Monate kostenlos testen