Springe auf Hauptinhalt Springe auf Hauptmenü Springe auf SiteSearch
Serverraum-Klimatisierung als Bestandteil im Green Building

Schritt in die richtige Richtung

Dieser erfährt in den letzten Jahrzehnten trotz der Weiterentwicklung von IT-Systemen ein rapides Wachstum und weist nach heutigem Stand einen weiterhin steigenden Trend auf. Dieser Umstand wirft die Frage nach neuen Anlagenkonzepten auf. Die Antwort darauf sind sogenannte „Green Buildings“.

Ein Gebäude kann als Green Building bezeichnet werden, wenn es auf nachhaltige und effiziente Weise geplant, gebaut und verwaltet wird sowie durch eine dritte, unabhängige Stelle als solches zertifiziert ist. Einen bedeutenden Anteil am Stromverbrauch dieser Gebäude macht eine ausreichende Kühlung der technischen Komponenten aus. Auftretende Wärmelasten müssen dauerhaft abgeführt werden, um einen unterbrechungsfreien und sicheren Betrieb zu gewährleisten. Für eine dauerhafte Senkung der Energiekosten und Reduzierung des Primärenergieverbrauchs muss auf innovative und intelligente Kühlkonzepte gesetzt werden. Um diesen Zielen näher zu kommen und den Marktanforderungen gerecht zu werden, stattet die Alfred Kaut GmbH EDV- und Serverräume mit nachhaltigen und effizienten Technologien der Markenpartner Panasonic, Galletti und Tecnair LV aus. Letzterer ist als Hersteller von „Close Control Air Conditioning“-Systemen das erste Unternehmen der Branche, das die Lüftermotoren der gesamten Produktpalette an Präzisionskühlgeräten seit 2012 mit EC-Technologie standardisiert hat. Dadurch konnte gegenüber der vorherigen Generation von Lüftern mehr als 40 Prozent der Energie eingespart werden. Die Klimaschränke und Rack-Cooler sind entweder mit einem Kaltwasser- oder einem Direktverdampfungsregister ausgestattet. Die DX-Version kann zudem mit einer in den Schrank integrierten Kälteerzeugung zur Anbindung an einen externen Verflüssiger geliefert oder an eine PACi-Außeneinheit von Panasonic angeschlossen werden. In beiden Fällen wird auf hocheffiziente DC-Inverter-Technologie (bei der Version mit integrierter Kälteerzeugung optional wählbar) und elektronische Expansionsventile gesetzt. Dies erlaubt die Anpassung und Optimierung der Kühlleistung im Teillastbereich bei gleichzeitig reduziertem Energieverbrauch und gewährleistet den Betrieb bei niedrigen Außenlufttemperaturen. Genau diese niedrigen Außenlufttemperaturen bieten zudem das größte Energieeinsparpotenzial.

Konzept der Direkten Freien Kühlung

Da die Kühlung von Servern und EDV-Systemen bei relativ hohen Rücklufttemperaturen erfolgt und ganzjährig stattfindet, kann die Abfuhr von Wärme über den Kompressionskältebetrieb auf einen minimal erforderlichen Jahresstundenanteil reduziert werden. Soll z. B. ein Serverraum auf einer Temperatur von 24 °C gehalten werden, erscheint es nur logisch, bei einer mittleren Tagestemperatur von 18 °C die direkte Wärmeübertragung über die Außenluft zu nutzen, wie man es vom morgendlichen oder nächtlichen Lüften von Wohnräumen im Sommer kennt. Diese Form der Kühlung nennt man Direkte Freie Kühlung. Der Energiebedarf beschränkt sich hier auf die Leistungsaufnahme der Lüfter, um den für die Abfuhr der Wärme nötigen Luftwechsel zu garantieren. Diesem Vorteil stehen allerdings Nachteile gegenüber: Aufgrund der geringen Wärmekapazität von Luft sind große Volumenströme nötig, welche die Installation großer Kanäle erfordern. Die Luft muss zudem gefiltert und vorkonditioniert (beigemischt, be- oder entfeuchtet) werden. Eine Realisierung von direkten Freikühlkonzepten ist unter technischen und wirtschaftlichen Aspekten daher eher uninteressant.

Zweistufige Indirekte Freie Kühlung

Eine Modifikation dieser Idee führt zur sogenannten Zweistufigen Indirekten Freien Kühlung. Benötigt wird ein Freikühler, der aus einem Wärmeübertrager und einer Lüftereinheit besteht, durch den ein Medium gepumpt wird (Wasser-Glykol-Gemisch). Stellt sich ein negativer Temperaturgradient zwischen Medium und Außenluft ein, wird dem Gemisch Wärme entzogen. Diese Wärme wird zuvor von einem zusätzlichen Wärmeübertrager aufgenommen, der in einer Lüftungsanlage oder einem Klimaschrank verbaut ist. Steigt die Temperaturdifferenz zwischen Rücklauftemperatur des Freikühlers und Außenluft, erhöht sich auch die zur Verfügung stehende Leistung der Freien Kühlung. Abhängig von den Auslegungsbedingungen des Systems kann ein Freikühlsystem die gesamte Kühlanforderung nur unter einer gewissen Außenlufttemperatur abdecken, zumal die Nutzung von zwei Wärmeübertragern einen im Vergleich zur Direkten Freien Kühlung niedrigeren Wirkungsgrad aufweist. Oberhalb dieser Temperatur muss auf Kompressionskälte zurückgegriffen werden.

Um das Potenzial der Freien Kühlung auch dann nutzen zu können, wenn die Freikühlleistung unter der geforderten Nennkühlleistung liegt (Bild 1), haben die Markenhersteller Tecnair LV und Galletti Systeme entwickelt, die einen Parallelbetrieb erlauben.

Anlagenbetrieb beim Einsatz der Direktverdampfung

Wird bei der Planung der Klimaschränke auf Direktverdampfungssysteme mit integriertem Kompressor und E-Ventil gesetzt, kann Tecnair LV die Free-Cooling-Version anbieten.

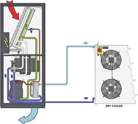
Liegt die Außenlufttemperatur im Bereich, in dem eine vollständige freie Kühlung möglich ist, nimmt ein Medium über den in den Schrank integrierten Lamellenwärmeübertrager Wärme auf und gibt diese über den externen Freikühler an die Außenluft ab. Die abgekühlte Luft wird dann beispielsweise in einen Doppelboden geblasen. Der Kompressionsbetrieb ist hierbei ausgeschaltet (Bild 2).

Liegt die Außentemperatur im Übergangsbereich bzw. wird der Sollwert allein über die Freie Kühlung nicht erreicht,
schaltet der Klimaschrank auf den Parallelbetrieb um. Neben der aktiven Freien Kühlung wird der Kompressionskältebetrieb aktiviert. Ein integrierter Plattenwärmeübertrager fungiert als Verflüssiger und nutzt den Rücklauf des Freikühlregisters als Wärmesenke. Die hier übertragene Wärme wird gemeinsam mit der über das Freikühlmedium entzogenen Wärme an die Außenluft abgegeben. In diesem Fall ist die Außeneinheit ein Hybrid aus Rück- und Freikühler (Bild 3).

Liegt die Außentemperatur oberhalb der Freikühlgrenztemperatur bzw. wird eine voreingestellte Temperaturdifferenz zwischen Soll- und Ist-Wert überschritten, schaltet der Klimaschrank auf reinen Kompressionskältebetrieb um. Über ein Drei-Wege-Ventil wird das Wasser-Glykol-Gemisch vor dem Lamellenwärmeübertrager direkt in den integrierten Plattenwärmeübertrager geleitet. Hier erfolgt, wie im Parallelbetrieb, die Verflüssigung. Die Außeneinheit wird nun als reiner Rückkühler genutzt (Bild 4).

Anlagenbetrieb mit Kaltwasser als Kühlmedium

Wird bei der Planung der Klimaschränke auf Kaltwasser gesetzt, kann die Freie Kühlung über speziell entwickelte Kaltwassersätze (F-Versionen) von Galletti realisiert werden. Genutzt wird ein Hydraulikkreis für beide Funktionen (Bild 5), der in einen kompakten Kaltwassersatz integriert wird. Die Freikühlregister sind den Verflüssigerregistern vorgelagert.

Wie bei dem System von Tecnair LV werden zum einen beide Arten der Kälteerzeugung auf ein System reduziert, und zum anderen kann die integrierte Regelung beide Funktionen im Parallelbetrieb annähernd stufenlos verwalten. Beim Kaltwassersatz wird sollwertorientiert zuerst versucht, den Kühlbedarf mit Freier Kühlung abzudecken. Das Wasser-Glykol-Gemisch, das als Kühlmedium der Klimaschränke genutzt wird, wird mit Hilfe eines Drei-Wege-Ventils in das Freikühlregister geleitet, wo es bei ausreichend niedriger Außenlufttemperatur Wärme abgibt. Reicht dies nicht aus, werden die Kompressoren stufenweise dazugeschaltet, wodurch bedarfsabhängig beide Möglichkeiten optimal miteinander verbunden werden.

Da die Lüftereinheit des Kaltwassersatzes sowohl für die Freikühlfunktion als auch für den Verflüssiger arbeitet, bestimmt die Kälteanlage in Abhängigkeit des erforderlichen Verflüssigungsdrucks die Drehzahl des Lüftermotors. Die Folge ist ein verschlechterter Wärmeübergang des Freikühlers zwischen Außenluft und Kühlmedium, da der Luftdurchsatz zur Abfuhr der Wärme aus dem Kältekreislauf vor allem bei fallender Außenlufttemperatur verringert wird, um den Verflüssigungsdruck aufrechtzuerhalten. Dieser Tatsache wirkt das Galletti-System entgegen und setzt einen geteilten Verflüssiger ein, der je nach Betriebszustand nur in Teilabschnitten genutzt wird. Um einen effizienten Betrieb beider Systemkomponenten zu sichern, kann die Ventilatordrehzahl dementsprechend angepasst werden. Liegt die Außenlufttemperatur oberhalb der Freikühlgrenze, leitet das Drei-Wege-Ventil das Medium direkt in den Verdampfer und schließt das Freikühlregister aus.

Fazit

Die kompakten Gerätebauweisen beider vorgestellten Systeme ermöglichen eine ganzjährige Abfuhr der Wärme mit großem Energieeinsparpotential gegenüber konventionellen Geräten. Dabei sollten moderne Anlagen im Vorfeld dahingehend geplant werden, dass die abzuführende Wärmelast auch bei höheren Kaltwasser- bzw. Freikühlmediumtemperaturen erfolgen kann, da hierdurch die Freikühlgrenze nach oben verschoben wird. Gerade im mittel- und nordeuropäischen Raum wird es zunehmend interessanter, derartige Systeme einzusetzen, da sich hier hohe Jahresstundenzahlen ergeben, in denen Freie Kühlung möglich ist. Die Amortisationszeiten liegen so je nach Auslegungsbedingungen und Anlagentyp weit unterhalb der Lebensdauer, wodurch höhere Investitionskosten relativiert werden. Das Konzept der Indirekten Freien Kühlung ist daher ein nicht zu vernachlässigender Faktor, um dem Anspruch von Green Buildings immer näher zu kommen. ■

Antonio Porzio
Vertrieb Kaltwasser- und Präzisionsklimasysteme
Alfred Kaut GmbH & Co.

Jetzt weiterlesen und profitieren.

+ KK E-Paper-Ausgabe – jeden Monat neu
+ Kostenfreien Zugang zu unserem Online-Archiv
+ Fokus KK: Sonderhefte (PDF)
+ Webinare und Veranstaltungen mit Rabatten
uvm.

Premium Mitgliedschaft

2 Monate kostenlos testen