Springe auf Hauptinhalt Springe auf Hauptmenü Springe auf SiteSearch
PRODUKTINNOVATIONEN AUF DER CHILLVENTA

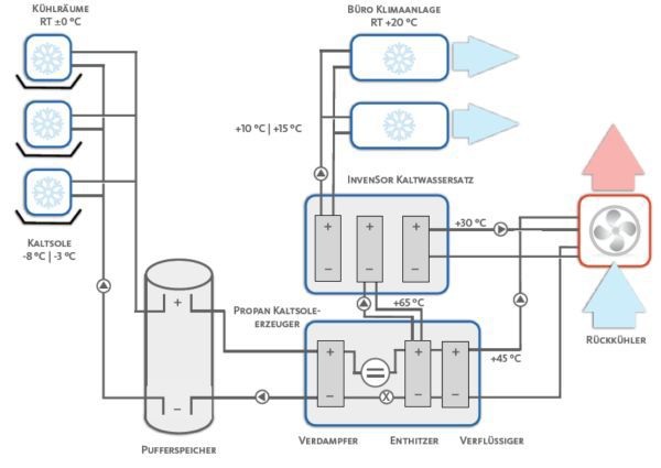
Frigoteam: Mit Kühlabwärme klimatisieren

Damit lässt sich vor allem im Sommer die nicht genutzte Abwärme von Kompressionskältemaschinen nutzen, um weitere Kälte zu erzeugen und so den Wirkungsgrad der Gesamtanlage zu erhöhen. InvenSor hat für die Lösung Erfahrungen im Bereich der mit besonders niedrigen Temperaturen angetriebenen Adsorptionskältemaschinen eingebracht, Frigoteam besonders klimafreundliche Kompressionskälteanlagen.

Für Anwendungen wie beispielsweise die Klimatisierung von Büro- oder Gewerberäumen kann
damit eine deutliche Reduzierung der elektrischen Antriebsenergie erreicht werden. Zudem wird für die Kompressionskälteanlage das natürliche Kältemittel R290 Propan verwendet. Der Adsorptions-Kaltwassersatz von InvenSor nutzt als Kältemittel reines Wasser, so dass die Kombination der Anlagen insgesamt klimafreundlich ist. Das Gesamtsystem wird vom BAFA (Bundesamt für Wirtschaft und Ausfuhrkontrolle) im Rahmen des Impulsprogramms gefördert. Das macht die Anlagen wirtschaftlicher und verkürzt die Amortisationszeit.

InvenSor setzt in seinen Adsorptionsmaschinen Zeolithe ein. Im Zusammenwirken mit dem Kältemittel Wasser erreichen die Maschinen bereits bei 65 °C Antriebstemperatur fast ihre volle
Leistung.

Halle 1, Stand 117
www.frigoteam.com

 

Tags