Springe auf Hauptinhalt Springe auf Hauptmenü Springe auf SiteSearch
  • Home
  • Alle Artikel zum Thema InvenSor

Alle Artikel zum Thema InvenSor

InvenSor

Mit Wärmeüberschuss ganzjährig kühlen

-

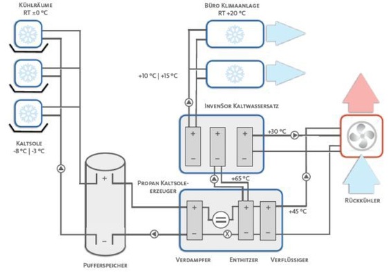
Das Familienunternehmen PERI achtet nicht nur bei ihrer Schalungs- und Gerüsttechnik auf eine effiziente Fertigung, auch bei der Kühlung hat man sich im Oktober 2017 am Hauptsitz Weißenhorn für eine effizienzsteigernde Lösung entschieden. Durch die Anschaffung von ADsorptionskältemaschinen (AdKM) der Firma InvenSor spart das Unternehmen im eigenen Kraftwerk nun bis zu 70 Prozent Energiekosten für die Kälteerzeugung ein und reduziert gleichzeitig den eigenen CO2-Ausstoß um 84 Prozent gegenüber herkömmlichen Kälteanlagen.

Mit Wärmeüberschuss ganzjährig kühlen
ADsorptionskältemaschinen liefern PERI Kälte ohne Strom

Mit Wärmeüberschuss ganzjährig kühlen

-

Das Familienunternehmen PERI achtet nicht nur bei ihrer Schalungs- und Gerüsttechnik auf eine effiziente Fertigung. Auch bei der Kühlung hat man sich im Oktober 2017 am Hauptsitz Weißenhorn für eine effizienzsteigernde Lösung entschieden.  Karoline Mickan, Berlin

Kunststoffhersteller setzt auf KWKK
Kühlen und Heizen mit maßgeschneidertem Energiecontainer

Kunststoffhersteller setzt auf KWKK

-

Kältetechnik ist für eine präzise und fehlerfreie Produktion unumgänglich. Das erkannte auch der Hersteller Schmidt Kunststoffverarbeitung Emsbüren GmbH und Co. KG und sanierte die eigene Energiezentrale. Ausschlaggebend dafür war, das neue Energiesystem außerhalb des Firmengebäudes zu platzieren, um keinen Lagerplatz einzubüßen. Karoline Mickan, Berlin

Kälte-Container von invensor verschafft Busch-Jaeger grüne Zahlen

Technische Vorteile schnell erkannt

-

Mit über 130 Jahren Geschichte zählt Busch-Jaeger mittlerweile zum Marktführer in der Elektroinstallationstechnik. Das Unternehmen legt dabei großen Wert auf Nachhaltigkeit, indem es Qualitäts-, Umwelt-, Arbeits-, Gesundheitsschutz- und Energiemanagement fest in die Unternehmensstrategie integriert hat. In den Bereichen Umwelt und Energie hat sich Busch-Jaeger u. a. auf die Optimierung des Kühlsystems der eigenen Spritzgusswerkzeuge konzentriert und sich für ein neues innovatives Energiesystem entschieden. Damit wird der CO2-Ausstoß um 381 Tonnen / Jahr reduziert und die Energiekosten erheblich gesenkt. Karoline Mickan, Berlin

Adiabat rückgekühlt
Miele entscheidet sich für ADsorptionsKältetechnik von invensor

Adiabat rückgekühlt

-

Das richtig zugeschnittene Energiekonzept kann Stromkosten reduzieren und zu einer Verbesserung der CO2-Bilanz im Unternehmen führen. So auch beim Haushaltsgerätehersteller Miele & Cie. KG im Werk Bünde. Durch den Einsatz eines Kraft-Wärme-Kälte-Kopplungs-Systems (KWKK) mit Adsorptionskältemaschinen von InvenSor ist es Miele gelungen, den Energiebedarf für die Kühlung bedeutend zu senken. Karoline Mickan, Berlin

H<sub>2</sub>O statt HFCKW
Mit Adsorptionskältemaschinen raus aus der KältemittelFalle

H2O statt HFCKW

-

Der bis zum Jahr 2030 geplante weitgehende Ausstieg aus der Verwendung von klimaschädlichen fluor- haltigen Kältemitteln bestimmt die europäische Gesetzgebung für die Kälte- und Klimatechnik. Schritt für Schritt wurden bereits in den vergangenen Jahren die Gesetze und Verordnungen für Kälte- und Klimaanlagen im ganzen EU-Raum immer strikter gefasst. Ganz aktuell tritt eine Verschärfung in Kraft, nach der seit dem 1. Januar 2015 viele Anlagen zur Kälteherstellung nicht mehr in der gewohnten Artund Weise gewartet werden dürfen und damit aufwendig umgerüstet oder ausgetauscht werden müssen.

Rechnet sich in vielerlei Hinsicht
Adsorptionskältetechnik für energieintensive Industriezweige

Rechnet sich in vielerlei Hinsicht

-

Unternehmen mit energieintensiven Prozessen der Galvanik und Oberflächenveredelung haben nicht nur einen sehr hohen Stromverbrauch zu bewältigen, sondern brauchen für die Produktion auch erhebliche Mengen an Prozesswärme und Kälte. Hier bieten sich besonders Blockheizkraftwerke (BHKW) in Kombination mit thermisch angetriebenen Kältemaschinen an. Gerade in mittelständischen Betrieben finden solche Anlagen immer mehr Anwender.

Mit Vorbildcharakter
Yachthafen in Bibione setzt auf thermische Solaranlagen und Kühlung mit Adsorptionskältemaschine

Mit Vorbildcharakter

-

Thermische Solaranlagen erfreuen sich vor allem in sonnenreichen Gebieten wie in Südeuropa einer großen Beliebtheit. Die Erwärmung von Brauchwasser auf Campingplätzen ist eine gute Möglichkeit, bei solchen touristischen Anlagen Ökologie und Wirtschaftlichkeit miteinander zu verbinden. Ein Tourismuskomplex an der Adria setzt darüber hinaus nun auch auf die Königsdisziplin der Solartechnik: Solare Klimatisierung mit einer Adsorptionsmaschine. 

PRODUKTINNOVATIONEN AUF DER CHILLVENTA

Frigoteam: Mit Kühlabwärme klimatisieren

-

Frigoteam und InvenSor haben ein klimafreundliches und effizientes Kühlkonzept vorgestellt, das Kompressions- und Adsorptionskältemaschinen miteinander kombiniert.

Solare Kühlung

InvenSor GmbH erobert internationalen Kältemarkt

-

Zeolith-Kältetechnik made in Germany wird international immer beliebter. Selbst in extremen Klimazonen wie in Australien oder Brasilien kommen die energieeffizienten Kältemaschinen der Berliner InvenSor GmbH zum Einsatz. In Kombination mit BHKWs oder Solarkollektoren sorgen sie je nach Bedarf neben der Kühlung auch für Strom und Wärme.

Solare Kühlung

InvenSor GmbH stellt innovative Kältemaschine vor

-



21.04.2010 Auf der diesjährigen Fachmesse „Intersolar“ (9. bis 11.6.2010) zeigt die Berliner InvenSor GmbH eine „hochinnovative“ AdsorptionsKältemaschine zur „Solaren Kühlung“ vor. Entwickelt und produziert in Deutschland, arbeitet das Gerät nach Angaben des Herstellers „so effizient wie kein...

Solare Kühlung

InvenSor GmbH stellt innovative Kältemaschine vor

-

Auf der diesjährigen Fachmesse Intersolar (9. bis 11.6.2010) zeigt die Berliner InvenSor GmbH eine "hochinnovative" Adsorptions-Kältemaschine zur Solaren Kühlung vor. Entwickelt und produziert in Deutschland, arbeitet das Gerät nach Angaben des Herstellers so effizient wie kein anderes": Bereits bei 65 °C Antriebstemperatur wird fast 100 Prozent ihrer Leistung abgerufen ein Weltrekord, so InvenSor. Eine zweite Baureihe ist für den Einsatz in warmen Regionen optimiert und erlaubt den Betrieb mit hygienisch geschlossenen Rückkühlern.