Springe auf Hauptinhalt Springe auf Hauptmenü Springe auf SiteSearch
Großwärmepumpen für hohe temperaturen und leistungen

Auf die Gesamteffizienz kommt es an!

Es lassen sich heute für unterschiedliche Einsatzbereiche geeignete Wärmepumpen finden, die auf die jeweiligen Bedürfnisse abgestimmt und auf eine Vielzahl an Wärmequellen angepasst werden können. Die Temperaturen, die durch eine Wärmepumpe erzeugt werden, sind oftmals schon mit fossilen Wärmeerzeugern vergleichbar.

Marktsituation im Privatbereich

Im Privathaushaltsbereich ist in den letzten Jahren eine Steigerung der Verkaufszahlen von Wärmepumpen festzustellen. Hier kommen Geräte mit bis zu 60 °C Vorlauftemperatur und Leistungen bis ca. 20 kW zum Einsatz. Im Jahr 2016 wurden in Deutschland über 65 000 Wärmepumpen installiert. Überwiegend genutzt wird die Wärmequelle Luft, gefolgt von Geothermie und Wasser.

Trotz niedriger Öl- und Gaspreise sowie weiterhin steigender Entgelte für elektrische Energie war der Absatz noch nie so hoch. Neben den staatlichen Förderungen sind die ständig steigenden Anforderungen an die Energieeffizienz die Hauptursache. Durch die Absenkung des Primärenergiefaktors auf 1,8 für elektrischen Strom nach EnEV 2016 und dem damit entstandenen Vorteil für Wärmepumpen ist zukünftig ein weiterhin steigender Trend zu erwarten. Die hohen Verkaufszahlen sind jedoch hauptsächlich auf Neubauten zurückzuführen, bei Bestandsgebäuden werden deutlich weniger Geräte installiert, denn hier finden die erhöhten Anforderungen der EnEV keine Anwendungen.

Marktsituation im Gewerbe- und Industriesektor

Im Vergleich zum Privathaushalt gibt es bei den Wärmepumpen im Gewerbe- bzw. Industriebereich einige technische Unterschiede, beispielsweise werden weitaus höhere Wärmeleistungen gefordert. Dabei kommen außer Scrollverdichtern auch Hubkolben-, Schrauben- und Turbokompressoren zum Einsatz; der Leistungsbereich bewegt sich von unter 50 kW bis hin zu mehreren Megawatt.

Auch hinsichtlich der maximalen Vorlauftemperatur sind Unterschiede festzustellen. Heutzutage werden 80 bis 100 °C und mehr gefordert und auch erreicht. Neben den bewährten HFKWs wie R134a und R245fa werden auch natürliche Kältemittel, wie Propan, CO2 und Ammoniak, eingesetzt. Durch den Fortschritt im Bereich der HFO-Kältemittel sind bereits R1234yf und R1234ze sowie deren Gemische mit HFKWs im Einsatz. Viele Stoffe befinden sich momentan in der Markteinführungsphase und es sind weitere Neuentwicklungen zu erwarten.

Auch hinsichtlich energiewirtschaftlicher Aspekte sind Unterschiede festzustellen. Vergleicht man die Strompreise von Industrie und Haushalt miteinander, ist zunächst ein sehr ähnlicher Trend zu erkennen, jedoch mit einer signifikanten Verschiebung der Kosten für die Privatkunden. Der elektrische Strom für Industriekunden kostet durch den Wegfall von Steuern und EEG- sowie weiteren Umlagen nur etwa 20 bis 50 Prozent dessen, was Privathaushalte bezahlen müssen. Dieser große Unterschied ist auf diverse Privilegien sowie den höheren Stromverbrauch von Gewerbekunden zurückzuführen. Diesem vermeintlichen Anreiz für Wärmepumpen wirken jedoch häufig die noch geringeren Preise für Gas oder Öl entgegen.

Höhere Gesamteffizienz durch Systemintegration

Großwärmepumpen werden jedoch dann attraktiv, wenn eine geeignete Systemintegration zu einer Verbesserung der Gesamteffizienz führt, die durch fossile Wärmeerzeuger nicht erreicht werden kann. Dies ist oft der Fall, wenn nicht nur die Wärmesenke, sondern auch die Abkühlung der Wärmequelle einen Nutzen für den Verbraucher darstellt. Ein Beispiel für den Bereich der Hochtemperatur-Wärmepumpe ist die Abwärmenutzung aus Kühlwassernetzen. Aus dem Wärmestrom kann in den meisten Fällen die vollständige Wärmequellenenergie für die Wärmepumpe ausgekoppelt werden, wodurch sich die Leistung des Rückkühlwerks oder Kühlturms um diesen Betrag reduziert. Somit wird also gleichzeitig Abwärme genutzt und die Kühlwasserauslastung reduziert.

Ein weiteres Beispiel mit doppelter Nutzung von Wärme und Kälte ist die Anbindung an den Rücklauf eines Kaltwassernetzes. Zum einen liegt diese Art der Wärmequelle häufig auf einem gleich bleibenden Temperaturniveau vor, woraus eine konstante Leistungszahl resultiert. Zum anderen werden die Kältemaschinen zur Kaltwassererzeugung entlastet, was zu einer verminderten Leistungsaufnahme führt.

Wärmepumpen und Komponenten richtig auswählen

Die Wärmepumpe sollte primär für die Auslegungsbedingungen optimiert sein. Allerdings müssen auch abweichende Betriebspunkte bedacht und eine passende Teillastregelung gewählt werden. Auch die Auswahl der Peri- pheriegeräte sollte nicht auf optimierte Komponenten hin erfolgen, vielmehr müssen diese auf das Gesamtsystem zugeschnitten werden.

Wo der Einsatz einer Großwärmepumpe geeignet ist, lässt sich in der Regel auch ein positiver Beitrag zum Energiemanagementsystem verzeichnen. Unter Umständen ist hier ein großer Teil der einzusparenden Energie zu erschließen, wenn Vorgaben zur jährlichen Verbesserung der Energieeffizienz beachtet werden. Für die Betreiber steckt also ein weiteres Einsparpotenzial in den Anlagen, wenn hinsichtlich der Maßnahmen zum kontinuierlichen Verbesserungsprozess alle herkömmlichen Maßnahmen bereits abgearbeitet sind. Bei energieintensiven Unternehmen spielt das unter anderem eine wichtige Rolle im Hinblick auf die Begrenzung der EEG-Umlage. Die höheren Investitionskosten können sich also langfristig bezahlt machen.

Anwendungsbeispiel: Hochhaus in Dubai

Die Forderung nach effizienten Systemen steht nicht nur in Deutschland im Fokus, sondern besteht weltweit. Ein Beispiel dafür sind die Vereinigten Arabischen Emirate, wo es im Hinblick auf die Weltausstellung 2020 einen anhaltenden Bauboom gibt. Um den enormen Energiebedarf dafür in Grenzen zu halten, wird in Dubai seit 2011 die Richtlinie „Green Building Specifications and Standards“ für alle Regierungsgebäude umgesetzt. Seit 2014 gilt diese auch für alle Neubauten. Dadurch sollen bis zum Jahr 2030 ca. 30 Prozent Energieeinsparung verwirklicht werden.

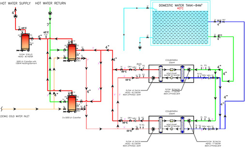
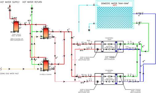
Einen Beitrag dazu leistet das Energiekonzept im „Plaza Residences, Jumeirah Village Circle“, Dubai, wo zwei Combitherm-Wärmepumpen installiert wurden, die energiesparend die Brauchwassererwärmung des Gebäudes übernehmen. Bei dem Komplex handelt es sich um eine Kombination aus Hotel und Apartments mit Einkaufs- und Erholungsmöglichkeiten, sodass ein entsprechend hoher thermischer Energiebedarf besteht. Die beiden Wärmepumpenaggregate erreichen jeweils eine Wärmeleistung von 240 kW und versorgen mit einer maximalen Vorlauftemperatur von 70 °C zwei Speicherwassererwärmer. Um Spitzenlasten abzudecken, wird ein zusätzliches elektrisches Heizelement in einem dritten, seriell eingebundenen Speicher eingesetzt. Eine zusätzliche Wärmepumpe wäre hinsichtlich der vergleichsweise hohen Investitionskosten und der kurzen Laufzeiten wirtschaftlich nicht sinnvoll.

Kostenfreies Warmwasser als Energiequelle

Als Wärmequelle für die Wärmepumpen dient ein Frischwassertank mit 84 m3 Speichervolumen. Aufgrund der in Dubai herrschenden hohen Außentemperaturen ergeben sich Speichertemperaturen zwischen 20 und 40 °C, was sich gut für den Einsatz einer Wärmepumpe eignet. Die Temperaturspreizung beträgt, ebenso wie bei der Wärmesenke, 5 K zwischen Vor- und Rücklauf. Die thermische Quellenenergie für die Wärmepumpe steht also kostenfrei zur Verfügung und muss nur noch genutzt werden. Das Abkühlen des Frischwassertanks hat zudem einen positiven Nebeneffekt, denn kaltes Wasser führt besonders bei hohen Sommertemperaturen zu einer deutlichen Komfortsteigerung.

Da jedes Wärmepumpenaggregat jeweils mit Primär- und Sekundärpumpe und den weiteren Hydraulikkomponenten ausgerüstet ist, können die Anlagen unabhängig voneinander betrieben werden. Mithilfe der BACnet-Kommunikation ist es zudem für den Betreiber jederzeit möglich, die Betriebsparameter auszulesen. Die eingesetzten Schraubenverdichter verfügen über eine stufenlose Teillastregelung. Durch die Aufteilung auf zwei Aggregate ergibt sich ein weiterer Vorteil, denn durch die Verbundschaltung sind Teillastbedingungen zwischen 25 und 100 Prozent möglich.

Bei hohen Vorlauftemperaturen empfiehlt sich allgemein die Verwendung mehrerer kleiner Verdichter anstelle eines großen Schraubenkompressors, falls starke Lastschwankungen zu erwarten sind. Diese sind – nicht nur beim Objekt in Dubai – für den Hotelbereich typisch, denn es ist vor allem morgens und abends mit einem erhöhten Heißwasserbedarf zu rechnen.

Durch die integrierte Kältemittel-Sauggaskühlung im Verdichter ist ein Mindestmassenstrom notwendig, um die erzeugte Motorwärme abzuführen. Je höher die Heißwasser-Vorlauftemperatur (also auch die Verflüssigungstemperatur) ist, desto größer ist der Mindestmassenstrom zur Kühlung. Dieser entspricht bei 60 °C Vorlauftemperatur mindestens 50 Prozent der Verdichterkälteleistung. Verstärkt wird dieses Phänomen noch durch den Anstieg der Wärmequellentemperatur.

Fazit

Durch Neuentwicklungen, vor allem im Bereich der Kältemittel, sind zukünftig noch höhere Leistungsbereiche von Großwärmepumpen denkbar. Die Herausforderung für deren Einsatz liegt aber vor allem darin, im Vergleich zu fossilen Energieträgern wirtschaftlich wettbewerbsfähig zu sein. Aus technischer Sicht steht bereits heute eine große Bandbreite an Geräten bereit, auch im Hochtemperaturbereich sind viele Lösungen zu finden. Die Grundlage für eine Entscheidung zugunsten einer Großwärmepumpe muss die passende Einbindung in das Gesamtenergiesystem sein. Optimal ist es beispielsweise, wenn aus der Temperaturabsenkung der Wärmequelle ein doppelter Nutzen generiert werden kann.

 

www.combitherm.de

Julian Hoffner,

Produktmanager Hochtemperatur-W��rmepumpen bei der Combitherm GmbH, Fellbach

Jetzt weiterlesen und profitieren.

+ KK E-Paper-Ausgabe – jeden Monat neu
+ Kostenfreien Zugang zu unserem Online-Archiv
+ Fokus KK: Sonderhefte (PDF)
+ Webinare und Veranstaltungen mit Rabatten
uvm.

Premium Mitgliedschaft

2 Monate kostenlos testen