Springe auf Hauptinhalt Springe auf Hauptmenü Springe auf SiteSearch
Ausbildung

CO2-Kälteanlage an der Staatlichen Berufsschule Lindau

Das besondere dieser CO 2 -Pilotkälteanlage ist die Möglichkeit, sie sowohl im unterkritischen Bereich als auch im überkritischen Bereich von CO 2 zu betreiben, ohne die Anlage beim Bereichswechsel (Über- und Unterschreitung des kritischen Punktes) in Abhängigkeit von der Umgebungstemperatur abschalten zu müssen. Die Pilotanlage arbeitet als sogenannte Niederdruckspeicheranlage, bei der sich der Kältemittelspeicher auf der Niederdruckseite des Kältekreislaufes hinter dem Verdampfer befindet, da das EEV nicht als Überhitzungsregler arbeitet, sondern zur Regelung des optimalen Hochdruckes im überkritischen Bereich dient.

Die Regelung des Hochdrucks erfolgt in diesem Fall durch Änderung der effektiv durchströmten Querschnittsfläche im Drosselorgan. Der am Verdichterausgang tatsächlich geförderte Kältemittelmassenstrom und der tatsächliche Massenstrom durch das Drosselorgan bewirken, dass es zu einer Verlagerung des Kältemittels kommt.

Bei einer Verringerung der Querschnittsfläche des Ventils kommt es zu einer Verlagerung des Kältemittels von der Niederdruckseite auf die Hochdruckseite aufgrund des kleineren Kältemittelmassenstroms durch das Ventil. Der Hochdruck steigt solange an, bis sich ein neues Gleichgewicht zwischen Verdichtermassenstrom und Ventilmassenstrom eingestellt hat. Der Dampfgehalt am Austritt des Verdampfers wird bei steigendem Hochdruck ebenfalls kurzzeitig ansteigen. Der Niederdruckspeicher stellt hierbei die zusätzliche Kältemittelfüllmenge für die Hochdruckseite zur Verfügung.

Wird der Ventilquerschnitt vergrößert, reduziert sich die Kältemittelfüllmenge auf der Hochdruckseite und der Hochdruck der Kälteanlage sinkt. Das überschüssige Kälte­mittel wird in flüssiger Form im Niederdruckspeicher gelagert. Wenn der Hochdruck angehoben werden soll, verhindert das überschüssige Kältemittel im Niederdruckspeicher, dass der Verdampfer trocken gefahren wird. Außerdem scheidet er auftre­tende Flüssigkeitstropfen ab und schützt so den Kältemittelverdichter vor Flüssig­keitsschlägen.

Der Niederdrucksammler stellt zudem sicher, dass im Verdampfer ausschließlich die Verdampfung des Kältemittels stattfindet und keine Überhitzung erfolgt. Die Überhitzung des Saugdampfes wird ausschließlich durch den nachgeschaltenen internen Wärmeübertrager sichergestellt. Aufgrund der Tatsache, dass die Überhitzung nicht im Verdampfer, sondern im internen Wärme­übertrager stattfindet, kann der Verdampfer mit einer höheren Verdampfungstemperatur bzw. einem höheren Saugdruck betrieben werden. Die Folge ist eine höhere Kälteleistung und eine bessere Leistungszahl.

Da der Niederdruckspeicher am Ende des Verdampfers keine Überhitzung zulässt, sondern dafür sorgt, dass ausschließlich gesättigter Dampf vorliegt (rechte Grenzkurve) im log p,h-Diagramm, kann in diesem Fall die Regelung nicht mithilfe eines thermostatischen Expansionsventils erfolgen. Deshalb erfolgt die Regelung der Kälteanlage mithilfe eines elektronischen Expansionsventils, welches den Hochdruck der Anlage regelt. Es ist so eingestellt, dass die Kälteanlage mit optimalem Hochdruck betrieben wird. Bei tiefen Verdampfungstemperaturen sollte berücksichtigt werden, dass es zu einer starken Überhitzung des Kältemittels im Verdampfer kommen kann und dadurch hohe Verdichtungsendtemperaturen auftreten können.

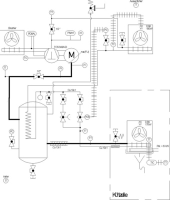
Bild 2 zeigt wesentliche Komponenten der CO 2 -Pilotanlage für den sub- und trans­kritischen Prozessbetrieb. Der Gaskühler und das Sicherheitsventil sind an der Außenwand des Gebäudes befestigt.

Die Sammelflasche mit innerem Wärmeübertrager

Die Sammelflasche wurde speziell für die Anwendung von CO 2 in der Kältetechnik entwickelt und stellt im Hinblick auf einen energetisch optimierten Betrieb ein wichtiges Bauteil der CO 2 -Pilotanlage dar. Sie übernimmt folgende Aufgaben:

  • Bereitstellen von Kältemittel für verschiedene Betriebszustände (unterkritisch/überkritisch)
  • Abscheiden eventueller Flüssigkeitsanteile im Saugstrom vor dem Verdichter
  • Überhitzung des vom Verdampfer kommenden Sauggases
  • Abkühlung des vom Gaskühleraustritt kommenden Kältemittels für den über­kritischen Betriebszustand
  • Unterkühlung des flüssigen Kältemittels im unterkritischen Betriebszustand
  • Ölrückführung über einen integrierten Ölhebebogen

Nur mit einer Sammelflasche können akzeptable Leistungszahlen im überkritischen Bereich erzielt werden.

Regelung der Pilotanlage

Aus energetischer Sicht ist die Regelung einer Kälteanlage von ausschlaggebender Bedeutung. Neben der Auswahl und Dimensionierung der Rohrleitungskomponenten, ist die Auswahl und die Einstellung der Regler für einen effizienten Betrieb der Kälteanlage mit verantwortlich. Während früher die Regelung einer Kälteanlage fast ausschließlich aus einer Zweipunktregelung des Verdichters bestand, ist heute die stufenlose Anpassung der Verdichterleistung an die Nutzkälteleistung Stand der Technik. Um Aussagen über Effizienz und Einsatzmöglichkeiten des Kältemittels CO 2 treffen zu können, bietet die Regelung der Pilotanlage folgende Möglichkeiten:

  • Regelung der Pilotanlage über den Saugdruck p0
  • Regelung des optimalen Hochdruckes im überkritischen Bereich als Funktion der Gaskühleraustrittstemperatur
  • Automatische Erkennung für die unter-kritische Betriebsweise der Pilotanlage
  • Drehzahlregelung des Ventilators am Wärmeübertrager auf der Hochdruckseite

-

*) Mit insgesamt 481 Auszubildenden bilden die Mechatroniker für Kälte- und Klimatechnik die größte Berufsgruppe an der Berufsschule Lindau.

Hans Knöpfler, Lindau

Jetzt weiterlesen und profitieren.

+ KK E-Paper-Ausgabe – jeden Monat neu
+ Kostenfreien Zugang zu unserem Online-Archiv
+ Fokus KK: Sonderhefte (PDF)
+ Webinare und Veranstaltungen mit Rabatten
uvm.

Premium Mitgliedschaft

2 Monate kostenlos testen