Springe auf Hauptinhalt Springe auf Hauptmenü Springe auf SiteSearch
CO2 als Kältemittel Teil 10:

Transkritisches Boostersystem

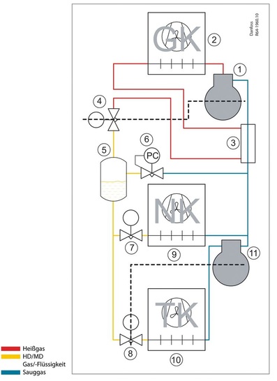
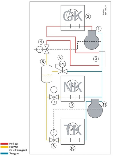
Der maximal zulässige Betriebsüberdruck in diesem Abschnitt liegt gewöhnlich zwischen 90 und 120 bar. Die Regelung eines transkritischen Systems lässt sich in vier Gruppen unterteilen: Regelung des Gaskühlers, Einspritzregelung, Abscheiderdruckregelung und Verdichterleistungsregelung.

Der Mitteldruckabschnitt beginnt beim Hochdruck-Expansionsventil (Bild 1/4), bei dem das Kältemittel im Abscheider nach dampfförmig und flüssig getrennt wird (Bild 1/5).

Der Kältemitteldampf wird über ein Bypassventil an die Saugleitung des Hochdruckverdichters geleitet (Bild 1/6). Die Flüssigkeit strömt zu den Expansionsventilen (Bild 1/7 und Bild 1/8), wo sie vor dem Eintritt in die NK- (Bild 1/9) und TK-Verdampfer (Bild 1/10) expandiert.

Das Kältemittel aus dem TK-Verdampfer wird im ND-Verdichter (Bild 1/11) komprimiert und mit dem Sauggas aus dem NK-Verdampfer und der Bypassleitung gemischt. Von hier aus strömt das CO 2 in den internen Wärmeübertrager, und der Kreislauf schließt sich, wenn es zum HD-Verdichter gelangt.

Der maximale Betriebsüberdruck für den NK-Abschnitt liegt in der Regel zwischen 40 und 45 bar, beim TK-Abschnitt ist meist ein Druck von nur 25 bar ausreichend. In der Realität hatte sich aber eingebürgert, die NK- und TK-Seite für den gleichen (höheren) Druck auszulegen.

Der Druck im Abscheider wird über das ETS-Schrittmotorventil (Bild 1/6) geregelt. Um den erforderlichen Differenzdruck über das NK-Expansionsventil (Bild 1/7) zu gewährleisten, muss der Druck im Abscheider höher sein als der Verdampfungsdruck in den NK-Verdampfern.

Auf der anderen Seite muss der Druck niedriger sein als der maximale Betriebsüberdruck.

Transkritisches Kaskadensystem

Der Verbundregler AK-PC 730 regelt den Verflüssigungsdruck und gleichzeitig den Verdichterverbund bzw. ein Frequenzumrichter-Verdichterpaket.

Mit solch einem Regler lässt sich der Verflüssigungsdruck im TK-Kreislauf regeln und gleichzeitig den Saugdruck überwachen. Zudem ermöglicht der AK-PC 730 durch Koordination des NT- und HT-Starts einen störungsfreien Betrieb.

Die Einspritzregelung bei Kühlmöbel- und Kühlraumverdampfern erfolgt über einen elektronischen Standard-Regler. Der Regler AK-CC 550 sorgt in Verbindung mit pulsbreitenmodulierten Einspritzventilen vom Typ AKV und patentierten Softwarealgorithmen für eine optimale Systemleistung und einen störungsfreien Betrieb. AKV-Ventile werden auch für FKW-Kältemittel verwendet.

Das Management des Gesamtsystems kann, je nach Anwendungszweck, mit einem Systemmanager vom Typ AK-SM 350, AK-SC 255 oder AK-SM 720 realisiert werden.

Transkritisches Boostersystem

Auch hier regelt der Verbundregler AK-PC 730 den Verflüssigungsdruck und gleichzeitig das Frequenzumrichter-Verdichterpaket und stellt sicher, dass die Koordination der HD- und ND-Verdichter gewährleistet ist.

Der Unterschied zum transkritischen Kaskadensystem besteht hauptsächlich darin, dass der ND-Verdichter Kältemittel direkt auf die Saugseite des HD-Verdichters drückt. Damit kann auf den Kaskadenwärmeübertrager und einen zusätzlichen Sammler verzichtet werden. Die Enthitzung des ND-Verdichter-Heißgases wird vom Saugleitungs-Kältemittelstrom der NK-Kühlstelle übernommen.

Transkritisches Boostersystem

Der Trend hin zu natürlichen Kältemitteln wie Kohlendioxid (CO 2 ) beschleunigt sich, während die synthetischen FCKW und HFCKW-Kältemittel bereits verboten sind oder zumindest besonderen Restriktionen unterliegen. Selbst der Einsatz von FKW als Kältemittel wird derzeit untersucht und in einigen Ländern bereits reglementiert. Wie aber baut man nun konkret CO 2 -Kälteanlagen? Das war die Frage, die wir in den letzten 9 Ausgaben aufzulösen versucht haben. Wir hoffen, Ihnen hat die CO 2 -Serie gefallen und bedanken uns für Ihr Interesse. -

Inhalte

Diese Serie vermittelte einen Überblick über die am meisten verbreiteten Ausführungen von CO 2 -Systemen für subkritische wie für transkritische Anwendungen. Sie richtete sich an technisch orientierte Leser, für die CO 2 -Systeme Neuland sind. Der aktuelle Artikel bildet den Abschluss dieser Serie. Die einzelnen Teile sind.

  • Gaskühler und Mitteldruckabscheider
  • Kaskadenwärmeübertrager
  • Niederdruckbehälter / Pumpenabscheider
  • Verdampfer und Verdichter
  • Stillstandssicherheitssysteme
  • Wärmerückgewinnung
  • Kaskadensysteme
  • Einfache transkritische Systeme für z. B. Lebensmitteleinzelhandel
  • Transkritisches Boostersystem

Stephan Bachmann

Regional Product Manager, Danfoss GmbH, Kälte­technik, Offenbach

Stephan Bachmann, Offenbach

Jetzt weiterlesen und profitieren.

+ KK E-Paper-Ausgabe – jeden Monat neu
+ Kostenfreien Zugang zu unserem Online-Archiv
+ Fokus KK: Sonderhefte (PDF)
+ Webinare und Veranstaltungen mit Rabatten
uvm.

Premium Mitgliedschaft

2 Monate kostenlos testen