Springe auf Hauptinhalt Springe auf Hauptmenü Springe auf SiteSearch
CO2 als Kältemittel Teil 3:

Kaskadenwärmeübertrager

Die bei der Verflüssigung entstehende Wärme wird durch das Kältemittel der oberen Stufe aufgenommen und auf herkömmlichem Wege abgeführt. Mit diesem System ist somit das umweltfreundliche Kältemittel CO 2 einsetzbar, ohne fundamentale Änderungen der Betriebsweise fürchten zu müssen, wie dies bei transkritischen Systemen der Fall wäre. Das Kältemittel der oberen Stufe bei solch einem Kaskadensystem ist nicht CO 2 . Es kann hier ein beliebiges Kältemittel unter Berücksichtigung der Verflüssigungstemperatur von CO 2 verwendet werden.

Allgemeines

In einem Kaskaden-Kältesystem mit CO 2 auf der Niedertemperaturseite erfolgt die CO 2 -Verflüssigung im Kaskadenwärmeübertrager. Die Wärme aus der Niedertemperaturstufe wird in der Hochtemperaturstufe mit abgeführt und das CO 2 -Druckgas kondensiert zu Flüssigkeit. Im System der hohen Stufe wird die Wärmeabfuhr aus der niedrigen Stufe durch Verdampfen des Kältemittels der oberen Stufe aufgenommen.

Konstruktion und praktischer Einsatz eines solchen Wärmeübertragers gehören zu den größten Herausforderungen von Kaskaden-Kältesystemen. Die Wahl der richtigen Leistungsgröße für den Kaskadenwärmeübertrager ist äußerst wichtig, damit er sowohl bei niedriger als auch bei hoher Kälteleistung einwandfrei arbeitet. Die Konstruktion eines Kaskadenwärmeübertragers für diesen Einsatz ist eine besondere Aufgabe, da auf beiden Seiten Phasenänderungen auftreten. Ist der Wärmeübertrager überdimensioniert, wird es unter Teillast beinahe unmöglich, einen stabilen Wärmeübergang und einen optimalen Systembetrieb zu gewährleisten.

Bei Kältesystemen für den Einsatz in Supermärkten kommen für diese Funktion üblicherweise Plattenwärmeübertrager zum Einsatz. Bei größeren Systemen können auch andere Arten von Kaskadenwärmeübertragern verwendet werden. In der Regel wird eines der 3 bzw. 4 folgenden Schaltungssysteme bei CO 2 -Kaskaden angewandt.

Standard-Kaskadenwärmeübertrager

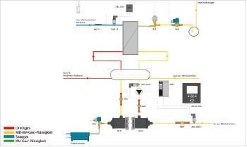
Die Einspritzung in den Kaskadenwärmeübertrager auf der oberen Stufe erfolgt über ein ETS-Schrittmotorventil, das durch den EKC 316 geregelt wird. Der EKC 316 der oberen Stufe, der mittels ETS in den Kaskadenwärmeübertrager einspritzt, wird immer zeitgleich mit dem Verdichter der CO 2 -Stufe aktiviert. Handelt es sich um einen Verbund, so können beispielsweise die Regler AK-PC 730 oder AK-PC 840 zur Regelung und AK-SC 255 zur Überwachung eingesetzt werden. Über diese Regler ist auch eine Freischaltung des EKC 316 mit ETS-Schrittmotorventil problemlos möglich.

Beachten Sie, dass das ETS nicht für brennbare Kältemittel freigegeben ist. Wenn also beispielsweise Propan (R 290) auf der oberen Stufe genutzt wird, muss eine mechanische Lösung mit thermostatischem Expansionsventil verwendet werden.

Ebenfalls wichtig ist, dass Flüssigkeit aus einem Kaskadenwärmeübertrager problemlos ablaufen kann. Diese Problematik stellt sich allgemein bei Verflüssigern. Da der CO 2 -Kaskadenwärmeübertrager hier als Verflüssiger der unteren Stufe fungiert, ist er in dieser Hinsicht keine Ausnahme. Um diesen Kondensatablauf zusätzlich zu unterstützen, ist die Montage einer Ausgleichsleitung (siehe Bild 1 und 2) äußerst ratsam.

Kaskadenwärmeübertrager mit einem Mitteldruckbehälter

Eine weitere Bauweise für ein CO 2 -Kaskadensystem erfordert keine separate Ausgleichsleitung. Hierbei kommt der Dimensionierung und Anordnung der CO 2 -Rohrleitungen eine besonders wichtige Rolle zu. Die Regelung der oberen Stufe erfolgt auch hier über ein ETS- und EKC 316-System. Allerdings wird nun flüssiges CO 2 der unteren Stufe aus dem Mitteldruckbehälter zu den NK-Kühlstellen gepumpt.

Der Druck im Pumpenvorlauf für die NK-Kühlstellen kann mittels Drehzahlregelung der eingesetzten Pumpen beispielsweise mit einem Frequenzumrichter AKD 102 konstant gehalten werden. Zusätzlich sollte ein klassischer, mechanischer Abgleich über Handdrossel-Regelventile erfolgen, wie dies auch bei Ammoniak-Kälteanlagen im überfluteten Betrieb üblich ist.

Werden nun einzelne NK-Kühlstellen abgeschaltet, so regelt sich die Pumpendrehzahl nach. Dies führt dazu, dass immer der gleiche Druck im Pumpenvorlauf herrscht. Die TK-Kühlstellen werden mittels Trockenexpansion versorgt. Das flüssige Kältemittel wird aus dem Mitteldruckbehälter entnommen, über ein Drosselorgan z.B. Typ AKV entspannt und durch den TK-Verdichter/Verbund dem Mitteldruckbehälter wieder zugeführt.

Kaskadenwärmeübertrager mit Sekundärkühlung

Bei dieser Schaltungsvariante kann der Kaskadenwärmeübertrager in Systemen verwendet werden, in denen die NK-Kühlstellen mit Sole beschickt werden sollen. Die Pumpen, die zur Zirkulation der Sole durch die NK-Kühlstellen genutzt werden, fördern auch Sole durch den Kaskadenwärmeübertrager der unteren Stufe. Somit wird die Verflüssigungswärme der CO 2 -Stufe an diesen Solekreislauf abgegeben.

Durch diese Kombination kann ein Abgleich des CO 2 -Kaskadenstrangs nötig sein. Deshalb ist der Einbau beispielsweise eines AB-QM von Danfoss ratsam (nur für neutrale Solen). Für die Umsetzung des Kühlbefehls an den NK-Kühlstellen sind Magnetventile für Wasser bzw. Solen einsetzbar. Dabei muss besonders auf die Werkstoffeignung der Wasser-/Solemagnetventile geachtet werden. Je nach Aggressivität der verwendeten Sole sind Magnetventile in Messing, entzinkungsfreiem Messing oder in besonders schwierigen Fällen in Edelstahl einzusetzen. EV220-Magnetventile gibt es in den genannten Werkstoffspezifikationen.

Ein Vorteil der solegekühlten Kaskadenschaltung ist, dass der Plattenwärmeübertrager als Standard-Plattenverflüssiger fungiert und somit wesentlich einfacher zu dimensionieren und regeln ist. Aus diesem Grund ist die einfache mechanische AB-QM-Regelung vollkommen ausreichend. -

Stephan Bachmann,

Regional Product Manager, Danfoss GmbH, Kältetechnik, Offenbach

Vorschau und Inhalte

Diese Serie soll einen Überblick über die am meisten verbreiteten Ausführungen von CO 2 -Systemen für subkritische wie für transkritische Anwendungen vermitteln. Sie richtet sich an technisch orientierte Leser, für die CO 2 -Systeme Neuland sind. Zunächst wird in den ersten Teilen ein Fokus auf die einzelnen Bausteine von CO 2 -Systemen gelegt. Danach wird auf die Entwicklung vollständiger Systeme eingegangen.

Die einzelnen Teile sind:

  • Gaskühler und Mitteldruckabscheider
  • Kaskadenwärmeübertrager
  • Niederdrucksammler/Pumpenabscheider
  • Verdampfer und Verdichter
  • Stillstandssicherheitssysteme & Wärmerückgewinnung bei CO 2 -Systemen
  • Kaskadensysteme
  • Einfache transkritische Systeme, z.B. für Lebensmitteleinzelhandel
  • Transkritisches Boostersystem & Zusammenfassung
Stephan Bachmann, Offenbach

Jetzt weiterlesen und profitieren.

+ KK E-Paper-Ausgabe – jeden Monat neu
+ Kostenfreien Zugang zu unserem Online-Archiv
+ Fokus KK: Sonderhefte (PDF)
+ Webinare und Veranstaltungen mit Rabatten
uvm.

Premium Mitgliedschaft

2 Monate kostenlos testen