Springe auf Hauptinhalt Springe auf Hauptmenü Springe auf SiteSearch
CO2 als Kältemittel Teil 8:

CO2 in Kaskadensystemen

Gleichzeitig bietet die Verwendung von CO 2 in Kaskadensystemen aber auch eine Reihe Vorteile:

  • Die Betriebsdrücke von CO 2 in Kaskadensystemen sind niedrig (üblicherweise 40 bis 45 bar).
  • Für den Hochtemperatur-Kreislauf (HT) ist eine vergleichsweise geringere Menge an Kältemittel erforderlich.
  • Der Temperaturunterschied für den Kaskadenwärmeübertrager ist relativ niedrig.

Im HT-Kreislauf können Kohlenwasserstoffe, FKW oder Ammoniak als Kältemittel verwendet werden. Es ist zu beachten, dass die Verwendung von Kohlenwasserstoffen als Kältemittel aufgrund der Brennbarkeit besonderen Regularien unterliegt, die hier nicht weiter behandelt werden. Die Kombination von Ammoniak in der oberen und CO 2 in der unteren Stufe eines Kaskadensystems weist den besten Wirkungsgrad von allen gängigen Kältemittel-Paarungen auf. Wenn ein FKW in einem HT-Kreislauf verwendet werden soll, so ist R 134 a eine empfehlenswerte Option aufgrund der thermodynamischen Eigenschaften und des niedrigeren Treibhauspotenzials (verglichen mit z.B. R 404 A).

Temperaturen und Druckverhältnisse

Die Mitteltemperatur in einem Kaskadensystem wird basierend auf der erforderlichen Temperatur für die NK-Kühlstellen in einer Anlage festgelegt. Das bedeutet, dass die Kühlstellen direkt mit CO 2 beaufschlagt werden können. Gibt es keine NK-Kühlstellen, dann kann die Mitteltemperatur nach dem optimalen Mitteldruck festgelegt werden. Da ein Kaskadensystem eigentlich aus zwei verschiedenen Kältesystemen besteht, die zwar eine gemeinsame Schnittstelle haben, aber am Kaskadenwärmeübertrager voneinander getrennt sind, kann der Betriebsdruck für die beiden Systeme unterschiedlich sein. Der übliche maximal zulässige Betriebsüberdruck von CO 2 in der unteren Stufe von Kaskadensystemen liegt meist zwischen 40 und 45 bar (das entspricht +5 bzw. +10 °C). Um zu vermeiden, dass der Druck die genannten Werte übersteigt, werden Stillstandsysteme zur Druckbegrenzung empfohlen. Sicherheitsventile sollten dabei immer als letzte Schutzmaßnahme vorgesehen werden und dabei die höchste Druckeinstellung aufweisen. Beispiel: CO 2 -Seite

  • Vorgesehener maximaler Systembetriebs­überdruck (Nassdampfdruck): 40 bar (+5 °C)
  • Sicherheitsventileinstellungen: 36 bar (10 Prozent des maximal zulässigen Betriebsüberdrucks)
  • Einstellung zur Systementlastung im Bedarfsfall: 34 bar (1 °C)
  • CO 2 Druckseite (Orientierungswert): 30 bar (5 °C)

Je höher die Effizienz des Kaskadenwärme­übertragers, desto niedriger die Differenz zwischen der Kondensationstemperatur von CO 2 und der Verdampfungstemperatur des Kältemittels auf der HT-Seite. Mit steigendem Temperaturunterschied beim Kaskadenwärmeübertrager sinkt der Wirkungsgrad des Kältesystems. Je geringer der Temperatur­unterschied, desto kostspieliger ist allerdings der Kaskadenwärme­übertrager. Bei Systemen mit niedrigen CO 2 -Druckgastemperaturen kann die Überhitzung des Expansionsventils der Dimensionierungsfaktor für den Wärmeübertrager sein. Wenn ein CO 2 -System hohe Druckgastemperaturen aufweist, sollten separate Enthitzer eingesetzt werden, um die Last auch im HT-Kreislauf zu verringern. Der optimale Mitteldruck in CO 2 -Kaskadensystemen hängt von verschiedenen Parametern (Hochtemperatur-Kältemittel, Lastverteilung usw.) ab.

Generell sollten zwei Fälle beachtet ­werden:

  • Systeme mit Last bei Mitteltemperatur. In diesem Fall sollte der Mitteldruck so hoch wie möglich sein, um die Last auf der Hochtemperaturstufe zu senken. Einschränkungen sind daher die erforderliche Temperatur auf mittlerer Stufe und der Auslegungsdruck des Systems.
  • Systeme ohne Last bei Mitteltemperatur. In diesem Fall sollte sich die Mitteltemperatur im Bereich von 10 bis 0 °C bewegen, wobei die Untergrenze durch den Wirkungsgrad definiert wird und die obere durch den Auslegungsdruck des Systems.

Regelung bei Kaskadensystemen

Bei Kaskadensystemen ist es unerlässlich, dass mindestens ein Verdichter im HT-Kreislauf aktiv ist, bevor der erste Verdichter im Niedertemperatur (NT)-Kreislauf aktiviert wird. Anderenfalls ist es möglich, dass der Verdichter im NT-Kreislauf über den Hochdruckschalter abgeschaltet wird. Dies ist der gleiche Effekt, wie bei einstufigen Kälteanlagen, bei denen der Verflüssigerlüfter defekt oder das Register verschmutzt ist.

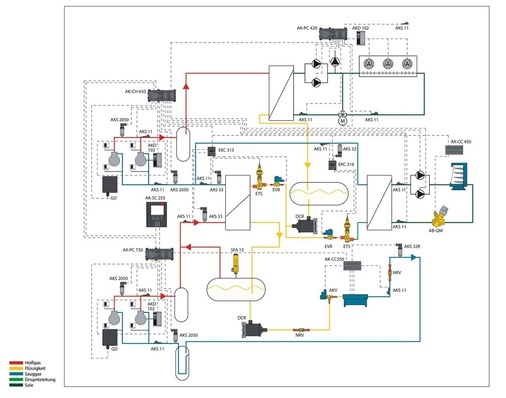
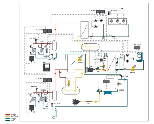
Dieselbe Reihenfolge gilt auch bei der Systembefüllung. Als Erstes muss der Hochtemperaturkreislauf mit Kältemittel befüllt und (der Verdichter) in Betrieb gesetzt werden. Danach kann CO 2 in das Niedertemperatursystem gefüllt werden. Das Expansionsventil (ETS) der Hochtemperaturstufe für den Kaskadenwärmeübertrager sollte gleichzeitig mit den Hochtemperaturverdichtern in Betrieb genommen werden. Danach regelt das Ventil die Überhitzung des Kältemittels der Hochtemperaturstufe. NT-Verdichter werden durch den CO 2 -Druckanstieg auf der Saugleitung gestartet. Danfoss-Verbundregler wie AK-SC 255, AK-PC 730 oder AK-PC 840 wurden speziell mit integrierten Regelungsfunktionen zur Koordination dieser Aufgaben konzipiert.

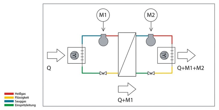
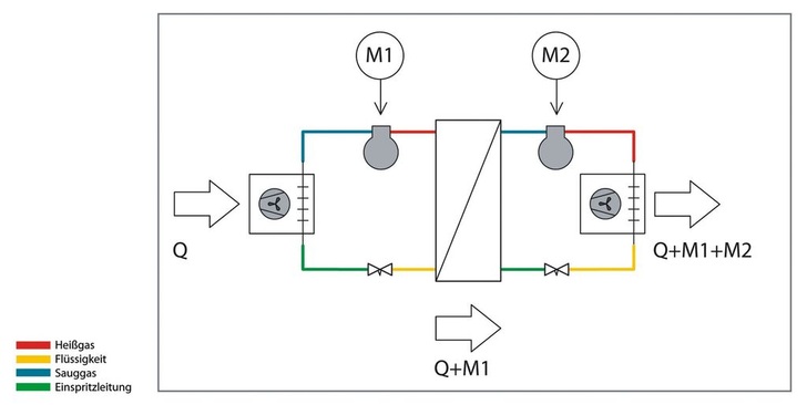
Einspritzung in Kaskadenwärmeübertrager

Das Einspritzen von flüssigem Kältemittel in einen Plattenwärmeübertrager ist nicht so einfach, wie man vielleicht annehmen mag. Der Wärmeübertrager ist sehr kompakt, damit ändern sich die Betriebsbedingungen oft schlagartig. Diese geringe Zeitkonstante stellt hohe Anforderungen an Regelung und Stellglied. AKV-Ventile sind für diese Anwendung nicht ideal. Es wird empfohlen, Motorventile oder andere Ventile einzusetzen, die einen stetigen Kältemittelfluss im Kühlmodus sicherstellen. Die Enthitzung von CO 2 -Gas, bevor es in den Kaskadenwärmeübertrager eintritt, wird aus drei Gründen empfohlen.

Ein Grund ist, dass das Gas oft eine Temperatur von 60 °C aufweist und die Wärme daher problemlos an die Umgebung abgeführt oder zur Rückgewinnung genutzt werden kann. Der zweite Grund ist eine Reduzierung des thermischen Stresses im Wärmeübertrager. Dies bedeutet eine zusätzliche Betriebssicherheit der Anlage über lange Jahre. Der dritte Grund: Das CO 2 -Gas verfügt über eine sehr hohe Wärmestromdichte, was zu instabilen Bedingungen auf der Verdampferseite führen kann. Aus diesem Grund wird empfohlen, die Druckgastemperatur auf der CO 2 -Seite zu senken.

Die Verteilung auf der CO 2 -Seite ist ebenfalls ein wichtiges Thema. Der Wärmeübertrager muss für eine Direktverdampfung konstruiert sein, um eine gleichmäßige Verteilung des Nassdampfs im Wärmeübertrager zu gewährleisten. Wenn der Wärme­übertrager für einen angemessenen Druckabfall bei Teillast konstruiert wurde, funktionieren der Öltransport und die Verteilung meist anstandslos.

Elektronisches Regelsystem

Eine Kombination aus ETS-Ventil und EKC 313 bietet üblicherweise die beste Regelungsleistung bei Kaskadenwärmeübertragern. Der EKC 313 misst sowohl Druck als auch Temperatur am Ausgang des Wärmeübertragers auf der Hochtemperaturseite und gleichzeitig am Eingang der Niedertemperaturseite. Damit kann er die Überhitzung der Hochtemperaturstufe trotz des nervösen Verhaltens von CO 2 optimal regeln. Der Temperaturfühler sollte in 12-Uhr-Position am Rohr platziert werden. Der Montageort des Druckmessumformers ist weitgehend beliebig, sollte aber so positioniert sein, dass sich keine Öl- oder Flüssigkeitsansammlungen bilden können.

Kaskadensysteme mit Trockenexpansion und gepumptem CO 2

Kaskadensysteme mit CO 2 -Pumpenum­wälzung für Normalkühlung gehören zu den ersten CO 2 -Anlagen, die nach der Wiederentdeckung von CO 2 in der Kältetechnikbranche gebaut wurden und sind auch heute noch im Einsatz. Der Wirkungsgrad von Kaskadensystemen gehört wahrscheinlich zu den bestmöglichen und ist, was die kleinen Rohrabmessungen betrifft, einzigartig. Dies gilt sowohl für den NK- als auch TK-Einsatz im Vergleich zu Sole-Lösungen. Systeme mit gepumptem CO 2 eignen sich am besten für Anlagen mit relativ hoher Leis­tung. In kleinen Systemen oder Systemen mit sehr hohen Lastunterschieden können Pumpen zu träge sein.

Kaskadensysteme in Kombination mit Sole

Systeme mit Sole bei NK und CO 2 bei TK werden seit 1998 gebaut und sind besonders in nördlichen Ländern verhältnismäßig weit verbreitet. Allerdings hat es den Anschein, dass Sole-Systeme langsam durch Kaskadensysteme mit CO 2 oder durch transkritische Systeme ersetzt werden.

Der Vorteil von Sole-Systemen liegt in der relativ großen Zeitkonstante, wodurch der Verdichter einfacher zu regeln ist. Um das System noch weiter zu verlangsamen, kann der Solekreislauf zum Verflüssigen des CO 2 genutzt werden.

Der Vorteil hierbei ist, dass sich der ­Kaskadenwärmetauscher einfacher regeln lässt. Der Nachteil: Es bestehen zwei ­Temperaturdifferenzen und nicht nur eine. Die maximale Verflüssigungstemperatur von CO 2 setzt die Grenze für die Sole­temperatur.

Vorschau und Inhalte

Diese Serie soll einen Überblick über die am meisten verbreiteten Ausführungen von CO 2 -Systemen für ­subkritische wie für transkritische ­Anwendungen vermitteln. Sie richtet sich an technisch orientierte ­Leser, für die CO 2 -Systeme Neuland sind. Zunächst wird in den ersten Teilen ein Fokus auf die einzelnen ­Bausteine von CO 2 -Systemen gelegt. ­Danach wird auf die Entwicklung ­vollständiger Systeme eingegangen.

Die einzelnen Teile sind:

  • Gaskühler und Mitteldruckabscheider
  • Kaskadenwärmeübertrager
  • Niederdruckbehälter/Pumpenabscheider
  • Verdampfer und Verdichter
  • Stillstandssicherheitssysteme
  • Wärmerückgewinnung
  • Kaskadensysteme
  • Einfache transkritische Systeme für z. B. Lebensmitteleinzelhandel
  • Transkritisches Boostersystem & Zusammenfassung

Stephan Bachmann

Regional Product Manager, Danfoss GmbH, Kälte­technik, Offenbach

Stephan Bachmann, Offenbach

Jetzt weiterlesen und profitieren.

+ KK E-Paper-Ausgabe – jeden Monat neu
+ Kostenfreien Zugang zu unserem Online-Archiv
+ Fokus KK: Sonderhefte (PDF)
+ Webinare und Veranstaltungen mit Rabatten
uvm.

Premium Mitgliedschaft

2 Monate kostenlos testen