Springe auf Hauptinhalt Springe auf Hauptmenü Springe auf SiteSearch
gesamtheitliches Anlagenkonzept bei Edeka Hieber, Bad Krozingen

Gewerbekälteanlage als Wärmepumpe

In den vergangenen Jahren sind Supermärkte überwiegend mit konventionellen Wärme- und Kältekonzepten ausgerüstet worden. Dabei wurden die haustechnischen Anlagen und die Gewerbekälteanlagen getrennt voneinander geplant. Auch wurden häufig Wärmerückgewinnungssysteme zur Nutzung der Kondensationswärme aus der Gewerbekälte berücksichtigt, wobei die Kondensationswärme auf einen Wasserkreis übertragen wurde.

Bei den heute üblichen Kaskaden (R 134 a/CO 2 )- und R 404 a-Systemen ergeben sich, bei effizientem Betrieb der ­Kälteanlage, im Winter relativ geringe ­nutzbare Wärmerückgewinnungsleistungen. Nutzbar ist im Winter in der Regel nur die Enthitzungsleistung, die nur ca. 15 Prozent der Kondensationsleistung beträgt. Damit lässt sich bestenfalls das Brauchwasser vorerwärmen. Die Nachheizung auf die erforderliche Brauchwassertemperatur von ca. 60 °C erfolgt über eine elektrische Heizpatrone und über einen Gasheizkessel.

Für eine effiziente Beheizung des Gebäudes reicht die Wärmerückgewinnungsleistung mit dem verfügbaren Temperaturniveau in den Wintermonaten nicht aus. Theres a way to do it better. (Thomas A. Edison). In diesem Fall wäre die Nutzung des Kältemittels CO 2 in der Gewerbekälteanlage ein besserer Weg 2/3 .

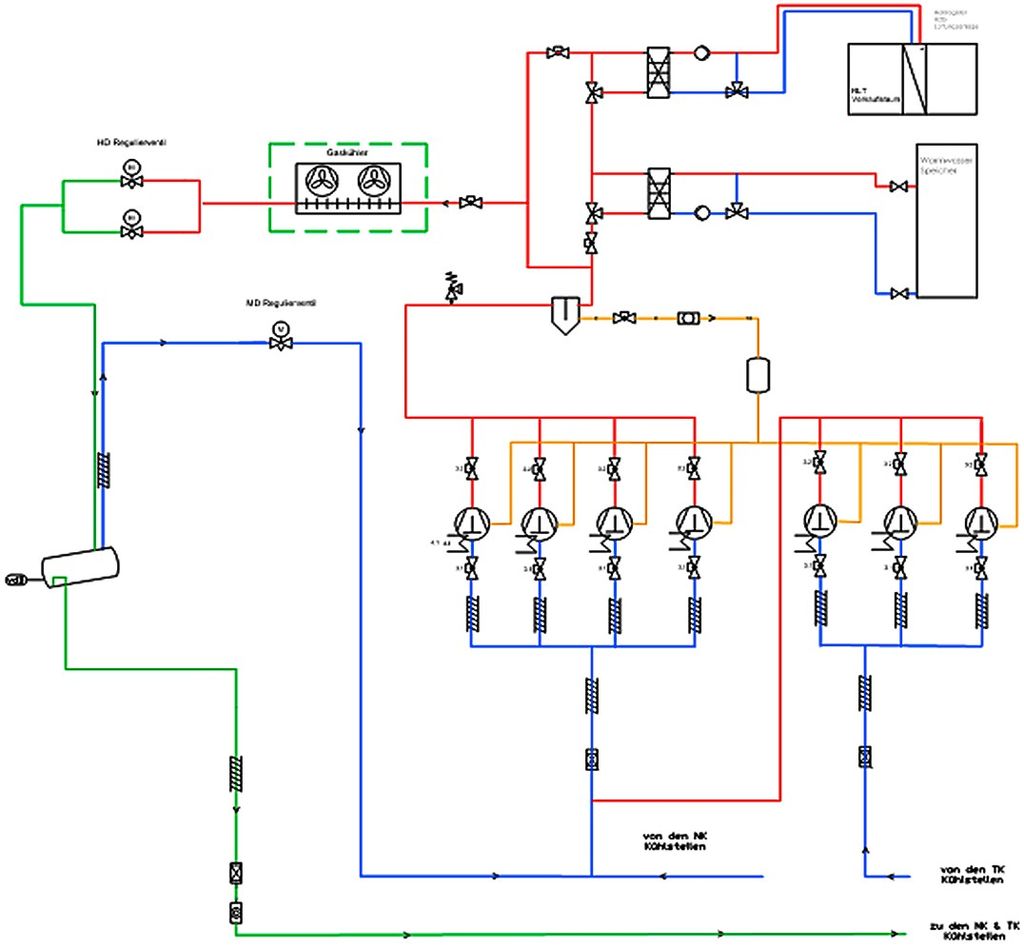
Ein gesamtheitliches Anlagenkonzept (Bild 1) ist im Edeka-Frische-Center Hieber in Bad Krozingen mit einer CO 2 -Gewerbe­kälteanlage realisiert worden. Nach ausführlicher Prüfung entschied sich der Marktinhaber Hieber für eine transkritische CO 2 -Kälteanlage. Unterstützt wurde die Entscheidung durch einen Zuschuss zu den Investitionskosten für die CO 2 -Anlage in Höhe von 25 Prozent und durch einen Zuschuss zu den Investitionskosten der Wärmerückgewinnung in Höhe von 35 Prozent durch das Bundesamt für Wirtschaft und Ausfuhrkontrolle (BAFA) 4 .

Der Edeka Hieber hat eine Gesamtverkaufsfläche von rund 2500 m 2 und für den Supermarkt eine Verkaufsfläche von rund 2100 m 2 . Ein Großteil der Kühlmöbel wurde mit Glasabdeckungen und Glastüren ausgestattet. Auch bezüglich der Innenausstattung wurden neue Maßstäbe gesetzt.

Neben den Umweltaspekten, unterschei­den sich CO 2 und HFKW durch eine rela­tiv niedrige kritische Temperatur (31 °C = 74 bar), eine hohe Drucklage, die sehr hohe volumetrische Kälteleistung (um den Faktor 68 höher) und die sehr hohe Druckgastemperatur. Es ergeben sich bessere Wärmeübergänge und damit geringere Tem­peraturdifferenzen an den Wärmeübertragern, geringere Rohrleitungsquerschnitte und gerin­gere Einflüsse bei Druckverlusten in den Rohrleitungen. 5

Bei einer CO 2 -Kälteanlage ergeben sich gegenüber den oben beschriebenen Anlagensystemen einige Vorteile, auch bezüglich der möglichen Wärmerückgewinnungsleistung auf relativ hohem Temperaturniveau, aber auch einige Nachteile 6 .

Der Einsatz einer transkritischen CO 2 -Anlage als Boosteranlage führt im Winter normalerweise zu einem niedrigeren, im Sommer zu einem höheren und in der Übergangszeit zu einem etwa gleich hohen Stromverbrauch gegenüber konventionellen Anlagensystemen 7 .

Weiterhin wurden verschiedene Systeme zur Gebäudeheizung untersucht und die Wirtschaftlichkeit überprüft. Eine Brunnenwasserwärmepumpenanlage 4 in Verbindung mit der CO 2 -Kälteanlage schied aufgrund der Bodenbeschaffenheit und der Kosten aus. Eine wirtschaftliche Alternative war die Nutzung der CO 2 -Kälteanlage als Wärmepumpe 8 . Es sind nur wenige zusätzliche steuerungstechnische Komponenten erforderlich, um eine als transkritisch ausgelegte CO 2 -Anlage als Wärmepumpe zu nutzen.

Transkritische CO 2 -Kälteanlage im Winter

Im Winter, bei Gaskühleraustrittstemperaturen von ca. 10 °C, ist bei subkritischer Betriebsweise der Kälteanlage die nutzbare Wärmerückgewinnungsleistung sehr gering. Bei der transkritischen Betriebsart (ca. 75 bar) hingegen ist im Winter die nutzbare Wärmerückgewinnungsleistung um ein Vielfaches höher.

In Bild 2 ist der transkritische Kältekreis mit dem Kältemittel CO 2 im Winter vereinfacht dargestellt. Die minimale Gaskühleraustrittstemperatur beträgt ca. 10 °C, die Druckgastemperatur ca. 105 °C. Über die Enthalpiedifferenz und den Kältemittelmassenstrom kann die Wärmerückgewinnungsleistung bestimmt werden.

Bei transkritischer Betriebsweise lässt sich der Temperaturgleit (Temperaturänderung beim Wärmeübergang) auf der Hochdruckseite sehr gut zur Wassererwärmung nutzen.

Im Winter (Auslegungsfall für die ­Heizung) wird nur eine Kälteleistung von ca. 40 bis 50 Prozent der Gesamt­kälteleistung benötigt (Kälteleistung 70 kW, T 0 = 10 °C, T G = 10 °C). Daraus ergibt sich für die CO 2 -Anlage eine Wärmerück­gewinnungsleistung im Winter von ca. 50 kW mit einer möglichen Temperaturspreizung auf der Wasserseite von ca. 60/30 °C.

Auf die Wärmerückgewinnungsleistung bezogen ergibt sich damit eine Leistungszahl zwischen 4 und 5 beim Kältemittel CO 2 . Zum Vergleich: Das EEWärmeG nennt für eine Wärmepumpe eine Leistungszahl (Jahresleistungszahl) größer als 3,3!

Die transkritische Betriebsweise führt zu höheren elektrischen Antriebsleistungen der Verdichter, als es im subkritischen Betrieb der Fall ist. Bei gleicher Kälteleistung ist die elektrische Antriebsleistung der Verdichter (transkritisch) bei Gaskühleraustrittstemperaturen von 10 °C um ca. 80 Prozent höher.

Bei einer CO 2 -Anlage in der transkritischen Betriebsweise wird die Effizienz und damit der COP über die Gaskühleraustritts­temperatur bestimmt. Dieser Sachverhalt macht es erst interessant, die CO 2 -Gewerbekälteanlage als Wärmepumpe zu nutzen.

R 134 a-Kälteanlage im Winter

Im Bild 3 ist der vereinfachte Kältekreislauf beispielhaft für das Kältemittel R 134 a dar­gestellt. Im Winter (Kälteleistung 70 kW, T 0 = 12 °C, T c = 25 °C) kann nur eine Wärmerückgewinnungsleistung (Enthitzungsleistung) von ca. 8 kW, mit einer Temperaturspreizung auf der Wasserseite von ca. 37/32 °C, ausgekoppelt werden, sodass über einen Heizkessel nachgeheizt werden müsste.

Durch Anhebung des Verflüssigungsdruckes bei der R 134 a-Anlage um 5 K auf 30 °C ergibt sich auf die höhere Wärmerückgewinnungsleistung bezogen eine Leistungszahl von ca. 2. Das macht aus ökonomischer und ökologischer Sicht keinen Sinn, da der Strompreis etwa dreimal so hoch wie der Gaspreis ist und die CO 2 -Emission bei der Stromerzeugung ebenfalls etwa dreimal so hoch ist wie bei der Gasverbrennung.

Vergleich CO 2 - und R 134 a-Anlage im Winter

Ohne Anhebung des Verflüssigungsdruckes bei der R 134 a-Anlage müssten bei 1500 Heizstunden im Jahr mehr als 70000 kWh über einen Gasheizkessel nachgeheizt werden, um die gleiche Wärmemenge bereit- zustellen, die im transkritischen Betrieb der CO 2 -Anlage ohne Nachheizung genutzt werden kann.

Die Wärmerückgewinnungsleistung der CO 2 -Anlage im transkritischen wie auch im subkritischen Betrieb ist mehr als viermal so hoch wie bei einer R 134 a-Anlage und das auch bei einem erheblich höheren Temperaturniveau. Die Stromaufnahme der CO 2 -Verdichter im transkritischen Betrieb bei Gaskühleraustrittstemperaturen von 10 °C ist um ca. 10 Prozent höher als bei der R 134 a-Anlage bei einer Kondensationstemperatur von 25 °C.

Realisierung

Die Wärmeleistung wird über zwei in Reihe geschaltete Wärmeübertrager auf Wasserkreise übertragen. Am ersten Wärmeübertrager wird das hohe Temperaturniveau auf den Wasserkreis der Brauchwasserbereitung ausgekoppelt. Der in Reihe geschaltete zweite Wärmeübertrager koppelt die Wärme auf den Wasserkreis des Vorerhitzers der Lüftungsanlage.

Die Anforderung zum transkritischen Betrieb erfolgt aus der Steuerungstechnik der Gebäudeleittechnik (DDC).

Der Verbundregler der Firma Wurm Systeme regelt die wasserseitige Vorlauftemperatur des Vorerhitzers der Lüftungsanlage in Abhängigkeit einer Heizkurve. Der resultierende Sollwert wird in Form einer Heizkurve dem Verbundregler über ein 010-V-Signal aufgeschaltet (Bild 4). Die CO 2 -Kälteanlage erhöht stetig den Druck und wird erst dann in den transkritischen Betrieb geschaltet, wenn die Wärmerückgewinnungsleistung im subkritischen Betrieb nicht ausreicht, um den Sollwert (entsprechend der Heizkurve) zu erreichen.

Das Regelmodul ist speziell für die Wärmepumpenfunktion von der Firma Wurm Systeme entwickelt worden. Die Temperatur- und Sequenzregelung der Lüftungsanlage erfolgt über die Gebäudeleittechnik (DDC).

Für ein perfektes Ergebnis ist eine sehr enge Zusammenarbeit zwischen der Gewerbekälte und der Haustechnik erforderlich.

Die Verbundanlagen sind von der Firma Grässlin aus Eimeldingen in Verbindung mit der Firma Teko aus Altenstadt (Hessen) detailliert geplant worden. Sämtliche Komponenten der Verbundanlagen einschließlich der Rohrleitungen sind von Grässlin montiert und in Zusammenarbeit mit Teko in Betrieb genommen worden. Die Kühlmöbel wurden von der Epta Deutschland und Kramer geliefert und montiert. Die gebäudetechnischen Anlagen (Lüftung, Heizung, Sanitär) wurden von der Firma Busam aus Oberkirch geplant und montiert. -

Literatur

[1] Energiekonzept des Bundesministeriums für Wirtschaft und Technologie, 9/2010

[2] Danfoss, CO 2 -Kältesysteme für den Lebensmitteleinzelhandel, 4/2009

[3] T. Hieble, O. Javerschek, Auslegung, Berechnung und Simulation von Booster-Kälteanlagen mit CO 2 , KI Kälte-Luft-Klimatechnik, 5/2011

[4] Bundesamt für Wirtschaft und Ausfuhrkontrolle, http://www.bafa.de

[5] Bitzer Kältemittelreport 16, 9/2010

[6] A. Pries, Brunnenwasser zur Beheizung, Kühlungund Effizienzsteigerung der CO 2 -Kälteanlage; KK DIE KÄLTE + Klimatechnik, 6/2011, Seite 4244

[7] Bundesumweltamt, Vergleichende Bewertung der Klimarelevanz von Kälteanlagen für den Supermarkt, 2008

[8] E. Wobst, St. Oberländer, W. Nestler, CO 2 -Wärmepumpen großer Leistung, KI Kälte-Luft-Klimatechnik, 12/2008

[9] Auslegungsprogramm (Version 5.3.2) Firma Bitzer

Dipl.-Ing. Andreas Pries

Ing.-Büro Genesis, Rhede, Energieberatungen

Andreas Pries, Rhede

Jetzt weiterlesen und profitieren.

+ KK E-Paper-Ausgabe – jeden Monat neu
+ Kostenfreien Zugang zu unserem Online-Archiv
+ Fokus KK: Sonderhefte (PDF)
+ Webinare und Veranstaltungen mit Rabatten
uvm.

Premium Mitgliedschaft

2 Monate kostenlos testen