Springe auf Hauptinhalt Springe auf Hauptmenü Springe auf SiteSearch
Hubkolbenverdichter - Generalist und Inbegriff der Zuverlässigkeit

„Totgesagte leben länger“

Heute werfen wir speziell einen Blick auf 100 Prozent saugasgekühlte, vollhermetische Hubkolbenverdichter für mittlere und hohe Verdampfungstemperaturen am Beispiel der Baureihe MTZ von Danfoss. Eine besondere Qualität dieser Verdichter, die neuerlich besonders zum Tragen kommt, ist die Eignung für verschiedenste Kältemittel. Daher und aufgrund der Tatsache, dass die Kältemittelwahl bei der Vielzahl der aktuellen Kältemittel ein sehr interessantes und allseits diskutiertes Thema ist, werden wir an dieser Stelle einige relevante Ausführungen für die Praxis machen.

Die Maneurop®-Hubkolbenverdichter MTZ wurden speziell für den Betrieb in breiten Anwendungsbereichen für mittleren und hohe Verdampfungstemperaturen und für Langlebigkeit konstruiert. Eine Maßnahme, um die Langlebigkeit auch in den Fällen sicherzustellen, in denen etwas schiefgeht, ist der interne Motorschutz. Alle Motoren der MTZ Verdichter sind intern im Stern zusammengeschaltet. Dieser Motorschutz sitzt an der internen Stelle, an der die drei Motorwicklungen verbunden sind und reagiert auf Überstrom und auf zu hohe Temperaturen. Somit schaltet er den Sternpunkt weg, wenn im Inneren des Verdichters zu hohe Temperaturen herrschen. Dies ist beispielweise bei Kältemittelverlust möglich, da für die 100 Prozent Sauggaskühlung des Verdichtermotors dringend ein Mindestmassenstrom an Kältemittel gebraucht wird.

Nach einer gewissen Zeit schaltet dieser Motorschutz, der nach dem Bimetallprinzip arbeitet, wieder zurück. Auch bei Überstrom schaltet der Motorschutz ab. Dies ist beispielsweise bei einem 2-Phasenbetrieb eines 3~Verdichters die Regel. Ein 2-Phasenbetrieb kann beispielweise durch ein defektes Verdichterschütz hervorgerufen werden, welches nicht mehr alle drei Phasen durchschaltet. Generell sollte man sich aber nicht allein auf diesen internen „Klixon“ verlassen, sondern noch einen korrekt ausgewählt und eingestellten externen Motorschutz einsetzen, welcher meist direkt unter das Lastschütz geklemmt wird. Ein solcher externer Motorschutz entdeckt eine Phasenunsymmetrie bzw. einen Komplettausfall einer Phase noch schneller und hilft, Schäden zu vermeiden.

Schnittdarstellung

Bild: Danfoss Cooling

Schnittdarstellung

Das anwendungsfreundliche Klemmbrett, bei dem man keine Brücken legen muss, führt auch dazu, dass diese vollhermetischen Hubkolbenverdichter für den Kälteanlagenbauer leicht zu beherrschen sind. Es gibt nur drei große elektrische Anschlussmöglichkeiten – also direkt für L1, L2 und L3. Das ist eindeutig. Und sollte tatsächlich die Phasenfolge nicht stimmen, macht das einem Hubkolbenverdichter nichts aus. Egal wie herum die Kurbelwelle dreht, die Verdichtung findet wie gewünscht statt. Bei einem Scrollverdichter müsste man zwei Phasen tauschen, damit die korrekte Verdichtung stattfindet und der Scrollverdichter nicht falschherum läuft.

Eine weitere Maßnahme, die zu mehr Zuverlässigkeit und Langlebigkeit führt, ist das große interne Volumen auf der Saugseite. MTZ-Verdichter haben ein großes freies Volumen und bieten einen gewissen Schutz gegen Flüssigkeitsschlägen, sollte tatsächlich einmal etwas flüssiges Kältemittel in den Verdichter gelangen. Natürlich ist das normalerweise nicht der Fall, da bei einer ausreichenden Überhitzung das ganze Kältemittel am Saugstutzen des Verdichters bereits verdampft ist. Dies sollte eigentlich schon am Ausgang des Verdampfers der Fall sein (aktive Überhitzung) und in der Folge bis zum Saugstutzen (passive Überhitzung) dann ganz sicher. Ist dies dennoch nicht geschehen, dann kann auch eine kleine Menge des flüssigen Kältemittels im Inneren des Verdichters verdampfen. Trotzdem muss jedem klar sein, dass ein Verdichter keine Flüssigkeit verdichten kann, sei es flüssiges Kältemittel, oder exzessive Mengen an „Öl“ (Polyolester oder Polyvinylether).

Die MTZ-Verdichter sind voll sauggasgekühlt. Das bedeutet, dass keine zusätzliche Verdichterkühlung erforderlich ist. Auch das ist eine Maßnahme, die zur langjährigen Betriebssicherheit beiträgt, da kein Kopflüfter ausfallen kann, wenn er nicht vorhanden ist. Auch kann keine Nacheinspritzung - ob flüssig oder dampfförmig – „verrücktspielen“, wenn sie nicht benötigt wird. Diese „Low Tech“-Maßnahmen zahlen sich im Schnitt natürlich besonders bei sehr langen Laufleistungen der Verdichter aus. Zudem können diese Verdichter aufgrund der Sauggaskühlung mit einer Schalldämmhaube zusätzlich isoliert werden, ohne die Gefahr einer Verdichterüberhitzung. Damit lässt sich die Geräuschemission reduzieren, ohne den Verdichter zu schädigen.

Besondere Wichtigkeit gilt dem „Öl“ bzw. Schmiermittel bei Hubkolbenverdichter. Macht man alles rund um das Schmiermittel des Hubkolbenverdichters in seinem spezifischen Kältekreislauf richtig, dann kann man sich normalerweise an seinem jahrzehntelangen Betrieb freuen. Dabei geht es nicht nur um die korrekte Füllmenge im Verdichter selbst, sondern auch um Maßnahmen zur Ölrückkehr zum Verdichter. Sieht man am Verdichter, dass das Öl auf halber Höhe des integrierten Schauglases steht, und die Anlage nicht gerade erst in Betrieb gegangen ist, dann ist das gut.

Dennoch könnte der Verdichter Schmierprobleme haben, wenn beim Startvorgang das Öl zu stark aufschäumt. Dieses Phänomen tritt auf, wenn keine Pump-down-Schaltung oder Kurbelwannenheizung verwendet wird. Es kann dazu führen, dass ein Verdichter trotz ausreichender Ölmenge im Verdichter an Schmiermangel, also Fressungen an der Kurbelwelle, den Kolben und der Pleuel, ausfällt. Auch die Häufigkeit der Start- und Stoppvorgänge eines Verdichters ist ausschlaggebend für die Haltbarkeit. Maximal 12 Starts und Stopps eines Hubkolbenverdichters gilt als Faustregel, die nicht überschritten werden sollte. Der Grund dafür ist, dass ein solcher Kältemittelverdichter seine optimalen Betriebsbedingungen erst nach einer gewissen Zeit erreicht und auch das Öl, das im gesamten Kältekreislauf unterwegs ist, in Flussrichtung zurücktransportiert werden muss.

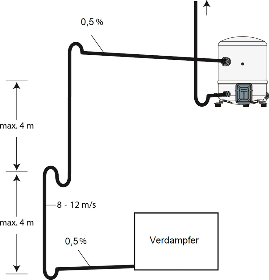
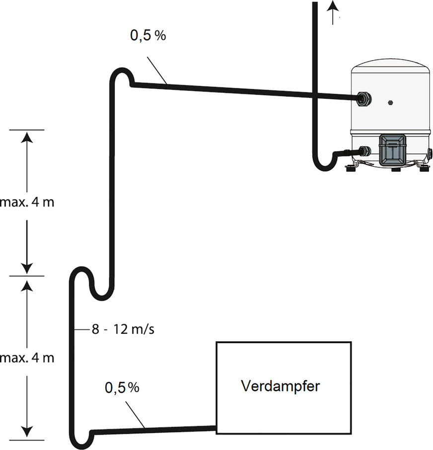
Verrohrung

Bild: Danfoss Cooling

Verrohrung

Daher lässt sich alleine über die Betriebsstunden des Verdichters keine wirkliche Aussage darüber treffen, ob es mit ihm schon Richtung Lebenszyklusende geht. Es kann gut sein, dass ein Verdichter, der durchgängig Tag und Nacht läuft und damit stets unter optimalen Betriebszuständen läuft, in einem besseren Zustand ist, als ein Vergleichsverdichter, der allzu oft Startvorgänge mit ihren mechanisch und physikalisch ungünstigen Randbedingungen durchleben muss.

Bei einem vollhermetischen MTZ-Verdichter liegt dies auch daran, dass die interne Druckleitung im Verdichtersumpf in einer Rohrschleife geführt wird und damit das Öl bei Temperatur hält. Sollte das Schauglas aber bei einer Wartung tatsächlich anzeigen, dass zu wenig Öl im Verdichter ist, so gibt es mehrere Punkte, die zu prüfen sind. Bei einem weitläufigen System kann es ausreichen, einfach Öl nachzufüllen. Zu prüfen ist auch, ob die Saugleitung in regelmäßigen Abständen über Ölhebebögen verfügt, falls der Verdichter auf dem Dach montiert ist bzw. die Saugleitung beträchtliche Höhenmeter als Steigleitung überwinden muss.

Einen Ölabscheider einzubauen, kann eine Lösung sein, ist aber kein Allheilmittel. Ölabscheider haben einen hohen Wirkungsgrad, lassen aber doch permanent Öl durch in die Hauptleitung. Daher ist dies kein vollständiger Ersatz für etwaige Ölhebebögen und korrekte Rohrleitungsdimensionierung, besonders wenn Höhen und lange Rohrpassagen überwunden werden müssen.

Die vollhermetischen Verdichter der Baureihe MTZ sind für eine Vielzahl von Kältemitteln freigegeben. Das ist R 404 A, R 507, R 448 A, R 449 A, R 134 a, R 513 A, R 407 C, R 407 F, R 407 A und R 452 A - die Einzylinder-MTZ noch zusätzlich für R 454 C. Das macht diese Verdichter-Riege zu einem Multitalent, das die Lagerhaltung vereinfacht und zu einer besseren Verfügbarkeit im Bedarfsfall führt, da die gleiche Bestellnummer für so viele Kältemittel geeignet ist. Das gilt für das eigene als auch für das Lager des Kältegroßhandels.

Eine zusätzliche Option bietet ein solcher Verdichter, indem man durch einen späteren Kältemitteltausch die Kälteleistung des Systems in gewissem Umfang anpassen kann. Wird der Verdichter beispielsweise mit R 513 A betrieben und es wird mehr Kälteleistung benötigt, so bedeutet ein Wechsel zu R 449 A schon ein Kälteleitungsgewinn. Natürlich muss man das System nach einer solchen Maßnahme prüfen – das Expansionsventil muss z.B. in unserem Beispiel ausgetauscht werden (das ist nicht bei jedem Kältemittelwechsel so – Entscheidungshilfe bietet hier die kostenlose Danfoss Ref Tools App) – dennoch ist dies eine vergleichsweise günstige Lösung, um mehr Kälteleistung zu bekommen.

In der Auslegungssoftware Danfoss Coolselector®2 ist für den Zweck der Kältemittelumstellung das Modul „Retrofit“ integriert, welches nur mit drei Eingaben (altes und neues Kältemittel und ob es NK oder TK ist) den kompletten Kältekreislauf aus der allgemeinen Sicht und nicht aus der Danfoss Produktperspektive beleuchtet. Natürlich geht es auch umgekehrt – erst R 449 A und dann R 513 A, falls man schon ahnt, daß der Serverraum in Zukunft weniger Leistung braucht. Konkret mit einem MTZ 100 mit 50 Hz liegt die Kälteleistung mit R 513 A bei ca. 8 kW und mit R 449 A bei fast 13  kW.

„Totgesagte leben länger“ – ein Sprichwort, das genau auf Hubkolbentechnologie in der Kälte-, Klima und Wärmepumpentechnik zutrifft. Da in unserer Branche in besonderem Maße Langlebigkeit, Zuverlässigkeit, einfache Handhabbarkeit und universelle Einsetzbarkeit wichtig ist, wird es die Hubkolbentechnologie in der Kältetechnik auch in Zukunft noch geben und vielfältige Anwendungslösungen prägen.

Vollhermetische Hubkolbenverdichter

Bild: Danfoss Cooling

Vollhermetische Hubkolbenverdichter
Stephan Bachmann
Danfoss Cooling Segment, Offenbach

Bild: XXX

Jetzt weiterlesen und profitieren.

+ KK E-Paper-Ausgabe – jeden Monat neu
+ Kostenfreien Zugang zu unserem Online-Archiv
+ Fokus KK: Sonderhefte (PDF)
+ Webinare und Veranstaltungen mit Rabatten
uvm.

Premium Mitgliedschaft

2 Monate kostenlos testen