Springe auf Hauptinhalt Springe auf Hauptmenü Springe auf SiteSearch
Komponenten für Wärmepumpen Teil 6: Elektronische Einspritzregelung

Energetische Effizienz im Fokus

Kleine Überhitzung höhere ­Verdampfungsdrücke besserer COP

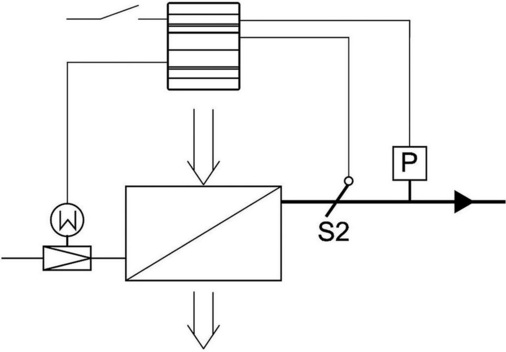
Die Vorteile einer elektronischen Überhitzungsregelung liegen auf der Hand, denn der Verdampfer wird stets optimal mit Kältemittel befüllt. Selbst bei starken Temperaturschwankungen, also den verschiedensten Umgebungstemperaturen, kann die einzuspritzende Kältemittelmenge genau dosiert werden. Dies geschieht, indem die jeweils aktuelle Überhitzung im Verdampfer über einen Druckmessumformer (in Bild mit ,,P gekennzeichnet) und einen sensi­blen Temperaturfühler (in Bild ,,S2) zeitnah an den Regler EKD 316 weitergegeben wird. Der Regler kann nun Maßnahmen ergreifen, um möglichst kleine Überhitzungen zu erreichen. Diese adaptive Regelung der Kältemittelein­spritzung führt zu einer effektiven Nutzung des Verdampfers und damit zu den höchstmöglichen Verdampfungsdrücken, die in dieser spezifischen Anlage realisierbar sind. Dies führt zu besseren COP-Werten und ist damit energetisch effizienter.

Permanente Optimierung der Überhitzung

Die Überhitzung passt sich immer dem minimal stabilen Signal (MSS-Linie) des Verdampfers an, sodass es zu keinem Abdriften des Signals in den instabilen Bereich kommen kann. Der Regler wählt dabei zunächst einen beliebigen Überhitzungssollwert, beispielsweise 8 K. Dann versucht er, diese 8 K als Sollwert in der Anlage zu realisieren. Da hier alle Informationen zusammenlaufen, also Überhitzungstemperaturwert ,,S2 und momentaner Verdampfungsdruck ,,P, und außerdem zur Optimierung der Regelungsfunktion zu diesen beiden Werten eine aufgelaufene Historie abgespeichert ist, kann der Regler einfach entscheiden, ob der momentan angestrebte Wert bei den gerade herrschenden Lastverhältnissen machbar ist. Schwankt beispielsweise der Verdampfungsdruck stark und ergeben sich schnell wechselnde Überhitzungswerte, so ist das ein Zeichen dafür, dass ein höherer Überhitzungssollwert angestrebt werden sollte.

Bleiben allerdings Überhitzung und Verdampfungsdruck weitgehend konstant, so kann mit einem niedrigeren Überhitzungssollwert fortgefahren werden, beispielsweise 7 K, dann 6 K, 5 K usw. Die permanente Überprüfung der optimalen Überhitzung ist ein entscheidender Vorteil elektronischer Expansionsregelung gegenüber rein thermostatischen Ventilen. Diese müssten schon im Voraus auf den maximalen Überhitzungssollwert eingestellt werden, den die individuelle MSS-Kennlinie der Anlage beschreibt. Dieser Wert ist jedoch nicht so einfach festzustellen, sodass in der Realität meist ein etwas höherer Überhitzungssollwert gefahren wird, als dies unbedingt nötig wäre.

Im Hinblick auf die Funktionssicherheit einer Anlage ist das nicht falsch, denn eine etwas höhere Überhitzung ist einem zeitweisen Durchschießen sicher vorzuziehen. Allerdings beeinflusst dies die energetischen Parameter in der Anlage negativ. Bei dem elektronischen EKD-Einspritzsystem fällt dieser Sicherheitszuschlag weg, da sich das System hinsichtlich der Überhitzung wie beschrieben selbst einregelt.

Bedienung des Reglers

Die Bedienung des Reglers erfolgt über zwei Drucktasten an einem optionalen Display. Damit kann der Wärmepumpenhersteller entscheiden, ob er den Servicezugang zum Regler vereinfachen will (externes Bediendisplay, inte­griert in die Wärmepumpe), oder den Regler nur als Black Box einsetzt, um Fremdeingriffe und ungewünschte Änderungen an der Programmierung zu vermeiden. Über diese beiden Tasten, kombiniert mit einem dreistelligen Display, lässt sich der Regler vollständig programmieren, wobei alle wichtigen Daten angezeigt werden. Mithilfe des Bediendisplays kann der Servicemonteur an der Anlage in den Regelkreis eingreifen oder sich relevante Daten anzeigen zu lassen.

Im Reglermenü erscheinen nicht nur grundsätzlich einstellbare Werte (zum Beispiel der Kältemitteltyp), sondern es ist außerdem möglich, über das Eingreifen in Stabilitäts- und Verstärkungsfaktoren einen exakten Einfluss auf bestimmte Abläufe zu nehmen. Das gilt zum Beispiel für die Überhitzungsregelung, sodass ein Pendeln der Überhitzung verhindert werden kann. Weiterhin lässt sich zwischen adaptiver und belastungsabhängiger Überhitzungsregelung wählen. Die adaptive Überhitzungsregelung wurde hier bereits ausführlich beschrieben. Bei der belastungsabhängigen Überhitzungsregelung werden in bestimmten Teillastfällen absichtlich höhere Überhitzungen gefahren, um beispielsweise längere Verdichtermindestlaufzeiten zu gewährleisten oder um das Bereifungsbild des Verdampfers bei Luft/Luft- oder Luft/Wasser-Wärmepumpen positiv zu beeinflussen. Damit könnte dann auf die eine oder andere Abtauung verzichtet werden.

Für die Erstprogrammierung der Regler auf der Fertigungsstraße empfiehlt sich die Verwendung der Software Servicetool (AK-ST500). Diese Software kann über eine optionale Systemeinheit auf die Regler zugreifen und dabei die Erstprogrammierung schnell ausführen. Die gleiche Software kann auch für sonstige Servicezwecke verwendet werden.

Wichtige Werte für den Service

Besonders interessant für den Monteur bei der Inbetriebnahme, aber auch beim Service an der Anlage ist das Servicemenü der elek­tronischen Überhitzungsregler. Alle Parameterwerte, die mit u beginnen, zeigen Anlagen-Istwerte an, die für alle Arten von Fehlerdiagnosen bzw. für die Bewertung von Anlagenzuständen wichtig sind. Dabei sind besonders die drei Parameterwerte Anzeige der Überhitzung, Anzeige der Temperatur am S2-Fühler (bedeutet am Verdampferausgang) und Anzeige der Verdampfungstemperatur zu beachten.

Diese drei Werte geben Aufschluss über den Anlagenzustand. Zum einen sind sie schnell auslesbar und müssen nicht mühsam mit dem Servicemanometer und dem Monteur-Temperaturmessgerät ermittelt werden. Zum anderen sieht man sofort, welche Werte der Regler als gegeben annimmt. So gehört es zur Standardvorgehensweise eines erfahrenen Monteurs, bei elektronischen Systemen vor der eigentlichen Inbetriebnahme zunächst alle Fühler zu überprüfen. Bei den üblichen Widerstandsfühlern ist dies recht einfach mit einem Ohm-Messgerät möglich. So hat ein PT 1000-Fühler bei 0 °C einen Widerstand von 1 000 Ohm. Auf diese Weise kann man einer langwierigen Fehlersuche bei falsch durch den Sensor aufgenommenen Istwerten vorbeugen. Durch einen Blick auf das Servicemenü entfällt diese Vorgehensweise jedoch, denn hier kann direkt beurteilt werden. Im Zweifelsfall sollte man jedoch mit dem Thermometer oder Manometer nachmessen, ob der Wert realistisch ist oder nicht.

Manuell Ausgänge prüfen

Ähnlich wichtig wie die Eingänge sind natürlich auch die Ausgänge des Reglers. Um speziell diesen Punkt bei der Inbetriebnahme zu vereinfachen, bietet das Reglermenü die Möglichkeit, die Ausgänge für das ETS-Ventil und den Alarmausgang manuell zu übersteuern. Typisch für Regelprobleme ist die Frage, ob der Regler den Ausgang nicht schaltet, weil er dies aus irgendwelchen Gründen nicht für erforderlich hält, oder weil der den Ausgang (zum Beispiel wegen eines Defekts) nicht schalten kann. Dieser Punkt hat selbst erfahrene Monteure schon Stunden für die Fehlersuche gekostet. Aus diesem Grund empfiehlt es sich, bei einer Inbetriebnahme grundsätzlich die entsprechenden Ausgänge einmal gezielt einzeln auszuprobieren. Auf diese Weise werden auch schnell Verdrahtungs- und Zuordnungsfehler erkannt.

Stetige elektronische Ventile

Das ETS-Gerät ist ein stetiges Ventil, das vor allem dann eingesetzt wird, wenn jedes Grad Überhitzung zählt und selbst geringste Schwankungen des Verdampfungsdrucks vermieden werden sollen. Der Regler ist als P-, PI- oder PID-Regler einsetzbar. Bei der P-Regelung handelt es sich um eine Standardregelung gemäß der Abweichung (Beispiel: Wird die Überhitzung zu groß, wird der Öffnungsgrad des Ventils immer mit der gleichen Geschwindigkeit erhöht). Bei der PI-Regelung kann die Nachstellzeit (I-Anteil) gesondert verändert werden. Das heißt, die Reaktionsgeschwindigkeit der Regelung ist modifizierbar, mit anderen Worten, die Regelung wird nervöser oder träger. Beides kann erforderlich sein.

Der D-Anteil bei der PID-Regelung optimiert außerdem die Regeleigenschaften bei plötzlicher Sollwertänderung. Beim Einsatz eines ETS-Ventils sollte zusätzlich eine USV (unterbrechungsfreie Stromversorgung) vorgesehen werden. Das ist unbedingt notwendig, da ein ETS-Ventil im Fall eines plötzlichen Spannungsausfalls auf seiner momentanen Öffnungsposition stehen bleibt und damit weiter Kältemittel in den Verdampfer einspritzt, was zu größeren Schäden bis hin zum Verdichterausfall führen kann. Mit einer USV kann das Ventil selbst in einem solchen Fall immer noch geschlossen werden.

Ausblick

Eine elektronische Einspritzregelung ist für jede Art von Wärmepumpen ein Vorteil und setzt sich mehr und mehr durch. Dies gilt nicht nur für Luft/Luft- und Luft/Wasser-Wärmepumpen, bei denen der Umgebungsluft die Wärme entzogen wird. Es gilt auch für Plattenwärmeübertrager-Verdampfer in Wasser (Sole)/Wasser-Systemen, mit denen besonders im Betrieb mit den stetigen elektronischen ETS-Ventilen große Energieeinsparungen erzielt werden können. -

Stephan Bachmann

Regional Support Manager, Danfoss GmbH, Kältetechnik, Offenbach

Stephan Bachmann, Offenbach

Jetzt weiterlesen und profitieren.

+ KK E-Paper-Ausgabe – jeden Monat neu
+ Kostenfreien Zugang zu unserem Online-Archiv
+ Fokus KK: Sonderhefte (PDF)
+ Webinare und Veranstaltungen mit Rabatten
uvm.

Premium Mitgliedschaft

2 Monate kostenlos testen