Springe auf Hauptinhalt Springe auf Hauptmenü Springe auf SiteSearch
R290-Kaltwassersatz für die Biogas-Rückkühlung / Trocknung

Natürlich mit kleinerer Leistung

Für Propan-Kühlsätze kleiner Leistung sind alle Komponenten im Handel erhältlich. Die Bauart des Kreislaufs entspricht der Kälteanlagentradition und wird praktisch von jedem Kälteanlagenbauer, der die nötige Vorsicht im Umgang mit brennbaren Kältemitteln beherzigt, beherrscht. Dies ist wichtig für Service- und Wartungseinsätze vor Ort beim Betreiber.

Zugleich verlangt ein Kohlenwasserstoff-Kühlsatz nicht nach besonderen Komponenten oder Fertigkeiten, wie Stahlverrohrung bei NH 3 (die wenigsten Kältemonteure haben einen Schweißschein) oder teuren Spezialbauteilen, wie einem CO 2 -Ejektor, um eine vernünftige Leistungszahl zu erreichen. Auch R723 kann in diesem kleinen Leistungsbereich, aus Kostengründen, nicht mithalten.

Anbei ein schlichter Kostenvergleich, der Verdichter für die drei Alternativen R290 / R717 / R744 (Tabelle 1) . Würde man die Plattenwärmeübertrager (gelötet für R290 / geschweißt für R723 / R717) vergleichen, käme man auf ähnliche Verhältnisse. Im vorliegenden Einsatzfall wurde sehr schnell deutlich, dass die Vorgabe des Einsatzes eines natürlichen Kältemittels nur mit dem auch vom Betreiber favorisierten R290 sinnvoll erfüllt werden konnte.

Die Eckdaten des Kühlsatzes sind:

Kälteleistung 14,5 kW mit frequenzgeregeltem Verdichter

Verdampfungstemperatur t 0 von 4 °C

Soletemperatur auf der kalten Seite VL 6 °C / RL 1 °C

Glykolsole im Mischungsverhältnis 30 Prozent

Soletemperatur auf der warmen Seite VL 30 °C zu RL 40 °C

Glykolsole im Mischungsverhältnis 30 Prozent

Der Frequenzgang des Verdichters ist 20 bis 70 Hz, d. h. die Kälteleistung ist im Bereich von 28 bis 100 Prozent stufenlos regelbar.

Aufbau und Aufstellkriterien des Kühlsatzes

Der Kühlsatz ist in einem großen Maschinenraum (Zutritt nur für befugte Personen) aufgestellt, womit keine Einhausung erforderlich ist. Der Verdichter und die Wärmeübertrager mit Expansionsventil wurden auf einen großzügigen Rahmen montiert. Dies erhöht die Servicefreundlichkeit und Zugänglichkeit der Komponenten. Da beim Kunden ein hohes Know-how in Bezug auf die Soleseite vorliegt, wurde die Hydraulik mit Pumpen bauseits vom Kunden selbst gefertigt und angeschlossen.

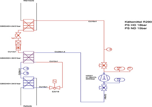
Der Schaltkasten mit dem Umrichter und der gesamten Elektrik wurde in IP54 ausgeführt. Er wurde auf dem gemeinsamen Rahmen über den kältemittelführenden Teilen montiert (Bild 1 und 2) . Der Kältekreis ist aus dem RI-Schema (Bild 3) ersichtlich. Um die Kältemittelfüllmenge zu reduzieren, wurde kein Flüssigkeitssammler verbaut.

Zur maximalen Füllmengenbestimmung wurde die DIN EN 378-1:2017-03 Anhang C.2 herangezogen. Es ist zu erwähnen, dass das Maschinenhaus teils unterflur ist. Da die Klassifikation der Aufstellung die Klasse III ergibt, gäbe es dennoch keine Füllmengenbegrenzung. Wäre es Klasse I oder II, so würde von der Norm eine Maximal- füllmenge von 1 kg empfohlen. Wichtiger jedoch ist zu wissen, dass die Kältemaschine den einschlägigen Richtlinien, die den Charakter eines Gesetzes haben, entspricht. Als da sind: die Maschinenrichtlinie, die Niederspannungsrichtlinie, die Druckge-räterichtlinie. Wohlgemerkt, diese gelten für alle Kälteanlagen/-maschinen, auch für die mit nicht oder nur leicht“ brennbaren Kältemitteln. Einzig die ATEX-Richtlinie ist zusätzlich noch für die Kältemittel A3, und soweit dem Autor bekannt, derzeit auch noch für die Kältemittel der Gruppe A2L zu beachten. Bei der ATEX gilt allerdings die leichteste Stufe (keine Fremdzertifizierung), da der brennbare Stoff nicht in der Atmosphäre um die Anlage herum, sondern nur in den Rohren zu finden ist. Im vorliegenden Fall kann kein explosives Gas/Luftgemisch (Explosionsgrenze für R290 ist 1,7 bis 10,9 Prozent) auftreten, da die tatsächliche Füllmenge 1 kg beträgt und der Maschinenraum eine Größe von ca. 400 m 3 hat. Damit würde auch die empfohlene Maximalmenge der o. g. Norm für eine Aufstellung der Klasse I oder II eingehalten.

Der aufmerksame Leser wird feststellen: Es ist leichter eine 5-kg-Campinggasflasche (= Propan) an der Tankstelle zu kaufen und mit dem eigenen Pkw nach Hause zu transportieren, als eine 1-kg-R290-Kälteanlage zu betreiben. Sollte man jedoch eine Zigarre rauchen wollen, wäre aus risikoanalytischer Sicht der genannte Maschinenraum dem Pkw vorzuziehen.

Funktionsweise des Prozesses

Da die hohe Feuchte des Biogases beim nachgeschalteten BHKW bereits zu Ausfällen geführt hatte, entschloss sich der Betreiber eine Trocknung einzubauen. Diese funktioniert im Prinzip ähnlich einem Luftentfeuchter. Im Detail wird nun durch den installierten Solekühlsatz die Feuchtigkeit über einen speziellen Rohrbündelwärmeübertrager auskondensiert (Bild 4) und über einen mechanischen Schwimmerschalter (Bild 5) abgeführt. Die Abwärme auf der Verflüssigerseite des Kühlsatzes wird wieder über einen zweiten Wärmeübertrager an das Biogas (im Zustrom des BHKW) zurückgegeben.

Bauteile – Kältekreislauf

Als Bauteile sind die vier grundlegenden zu nennen: der Verdichter, der Verflüssiger, das Expansionsventil und der Verdampfer. Als Verdichter wurde ein halbhermetischer Goeldner-Hubkolbenverdichter des Herstellers HKT Huber-Kälte-Technik GmbH gewählt. Alle Goeldner-Halbhermetik-Verdichter sind seit 2003 auch als R290-Ausführung erhältlich. Verbaut wurde der Typ HS 32 2/8P, klassifiziert als II 3G EEx IIA T1 nach ATEX 2014/34/EU.

Der Verdichter wird mit externem Frequenzumrichter in einem Bereich von 20 ... 70 Hz (600 ... 2100 U/min) drehzahlgeregelt (Bild 2). Der Verflüssiger und der Verdampfer des Kältesatzes sind als gelötete VA-Plattenwärmeübertrager ausgeführt.

Als Drosselorgan dient ein elektronisches Einspritzventil. Es wird über einen Mikroprozessorregler gesteuert, der einerseits den Öffnungsgrad des Ventils anhand gemessener Betriebspunkte bestimmt, andererseits durch den Treiber des Ventils Temperaturen und Drucklagen der Anlage überwacht. Bei Über- oder Unterschreiten der voreingestellten Werte wird ein Alarm an das Systemmanagement geleitet und der Betreiber erhält eine Störmeldung. Ein elektronisches Einspritzventil empfiehlt sich beim Einsatz von R290 in Verbindung mit einem drehzahlgeregeltem Verdichter. Nur damit ist im Verdampfer, über den gesamten Bereich, eine korrekte Überhitzung und eine optimale Verdampferauslastung zu gewährleisten. Der zuverlässige Betrieb ist Teil der Risikobetrachtungen, die bei der Konstruktion einer Maschine gemacht werden müssen.

Die fünfte noch nicht erwähnte, aber zwingend erforderliche Komponente ist ein innerer Sauggaswärmeübertrager. Durch seinen Einsatz wird die Effizienz der Anlage zusätzlich gesteigert. Das flüssige Kältemittel wird durch das kalte Sauggas unterkühlt. Damit steht im Verdampfer eine größere Enthalpiedifferenz zur Verfügung. Das bedeutet, dass mit gleicher Kältemittelmenge mehr Wärmeenergie aufgenommen werden kann. Somit senkt der interne Wärmeübertrager die Betriebskosten der Anlage bzw. erhöht den EER (Bild 4).

Zudem ist für R290-Kälteanlagen (aufgrund der hohen Öllöslichkeit des Kältemittels) seitens der Verdichterhersteller eine minimale Sauggasüberhitzung von 20 K zwingend vorgeschrieben. Dies dient dem störungsfreien Betrieb und einer langen Verdichterstandzeit.

Die Steuerung

Der Kühlsatz wird von einer Mikroprozessor-Steuereinheit, die eigens von der AWE entwickelt wurde, gesteuert. Das Herzstück der Steuerung ist die Regelung UPC aus dem Hause Carel, mit der bei der AWE beste Erfahrungen vorliegen. Es werden in kurzen Intervallen sämtliche Systemdaten erfasst, mit den Sollwerten verglichen und eingeregelt. Im Falle eines Fehlers oder Ausfalls ist durch die eigenständige Programmierung schnell Abhilfe geschaffen. Die Fehlersuche gestaltet sich einfach, da die Ausgabe der Störungen in Klartext und deutscher Sprache geschieht. Dies ermöglicht bereits dem Betreiber eine Störungsursache festzustellen und dem technischen Support telefonisch mitzuteilen. So können Störungen, bei denen es nicht nötig ist in den Kältekreislauf einzugreifen, durch den Betreiber selbst behoben werden. Dies stellt einen wichtigen Aspekt für die hohe Betriebssicherheit der Anlage dar. Das System ist netzwerkfähig und ermöglicht eine Visualisierung der Anlagenzustände, beispielsweise in der Gebäudeleitzentrale. Oder aber es können mehrere Kälteanlagen kommunizierend miteinander verbunden werden.

Der Drehzahlsollwert, den der Frequenzumrichter des Verdichters erhält, wird aus der Abweichung zwischen Temperatursollwert und Istwert berechnet. Die Kälteanlage wird entsprechend der geforderten Solltemperatur zentral gesteuert und durch die lokale Messung am Plattenwärmeübertrager energetisch optimal ausgeregelt. Alle Bauteile der Steuerung und die Anschlussklemmen der Komponenten sowie Anschlussklemmen für externe Meldungen sind in dem bereits genannten, kompakten Stahlblechschaltschrank untergebracht.

Fazit

Fertig vormontierte R290-Kühlsätze sind in zunehmendem Maße (von den verschiedensten Herstellern) am Markt verfügbar. Auch von Seiten der dafür verwendeten Komponenten, sprich dem späteren Ersatzteilbedarf, gibt es keine Probleme mehr.

Der Kühlsatz von der AWE aus der Baureihe WIK, Typ WIK-HS321FU-R290, zeigt eine für viele Fälle, in denen mit einem Sekundärkreis gekühlt wird, sowohl ökonomisch (TCO, ROI) als auch ökologisch (GWP, ODP, EER) optimale Lösung auf.

Auch die Förderung seitens der BAFA für Neuanlagen mit natürlichen Kältemitteln (kleines GWP, hohe Effizienz), die in diesem Fall mit 25 Prozent zu Buche schlägt, sei hier erwähnt. Es kann davon ausgegangen werden, dass die Kohlenwasserstoffkältemittel eine weiterhin zunehmende und berechtigte Rolle, speziell bei Flüssigkeitskühlsätzen, spielen werden.

awe.bayern

www.hkt-goeldner.de

www.eurammon.org

Dipl.-Ing. (FH) Karl Huber,

Geschäftsführer, HKT Huber-Kälte-Technik GmbH, Halfing

Jetzt weiterlesen und profitieren.

+ KK E-Paper-Ausgabe – jeden Monat neu
+ Kostenfreien Zugang zu unserem Online-Archiv
+ Fokus KK: Sonderhefte (PDF)
+ Webinare und Veranstaltungen mit Rabatten
uvm.

Premium Mitgliedschaft

2 Monate kostenlos testen