Das modernisierte Fachwerkhaus ist ein Hingucker im historischen Zentrum des Beurener Ortsteils Balzholz.
Im schwäbischen Beuren vereint ein modernisiertes Fachwerkhaus historische Bauweise und umweltschonende Wärmepumpentechnik. Eine Luft-Wasser-Wärmepumpe von Buderus erzeugt effizient Wärme sowie Warmwasser und schafft eine behagliche Wohnatmosphäre.
Wie verwandelt man ein denkmalgeschütztes Fachwerkhaus in ein energiesparendes Kleinod? Am besten gemeinsam und mit tatkräftiger Unterstützung aus dem Bekanntenkreis – das dachten sich Ralph Maier, Inhaber der Maier Heizung & Sanitär GmbH, und Roland Hartmann, Inhaber des SHK-Fachbetriebs Hartmann GmbH. Die beiden befreundeten Heizungs- und Sanitärmeister haben vier Jahre lang jede freie Minute in die Kernsanierung eines historischen Häuschens – Baujahr zwischen 1850 und 1920 – gesteckt.
Das rundum modernisierte Gebäude im schwäbischen Beuren-Balzholz ist nun ein gelungenes Beispiel dafür, wie Tradition und Innovation Hand in Hand gehen können. Und es zeigt, dass selbst jahrzehntealte Häuser optisch und technisch mit moderner Heiztechnik harmonieren.
Auch eine Infrarotheizung, der Pufferspeicher sowie die Frischwasserstation kommen von Buderus.
Umfassend saniert
Das Bauernhaus mit 125 m² Wohnfläche steht im Ortskern von Beuren-Balzholz, inmitten eines historischen Gebäudeensembles. Der Aufwand, das leerstehende Haus für eine Vermietung auf heutigen Standard zu bringen, war nicht unerheblich: „Als wir zu Beginn vor dem Haus standen, hatten wir eher eine Ruine vor uns. 30 Jahre Leerstand haben ihre Spuren hinterlassen, das Gebäude stand schief und musste zunächst mit einem Kran aufgerichtet werden. Und dann war eine komplette Kernsanierung erforderlich“, berichtet Ralph Maier.
Doch als Männer vom Fach wussten die beiden Handwerker, worauf sie sich bei diesem Hobbyprojekt einlassen. Das Ziel war klar: „Wir wollten den ursprünglichen Charme mit Mauer- und Fachwerk bewahren, dabei den Wohnstandard und die technische Gebäudeausrüstung aber auf das heutige Niveau heben“, ergänzt Roland Hartmann.
Daher wurde das Dach von innen isoliert und die vorhandenen maroden Fenster wurden durch zweifachverglaste Holzfenster ersetzt. Das Mauerwerk war bereits zweischalig konstruiert – ein Vorteil für die Modernisierung, um die Heizwärme im Haus zu halten. Auch die Dachgauben wurden aufgehübscht und mit einer wetterunempfindlichen Blechverkleidung versehen, die mit der Optik des Daches harmoniert.
Die Wärmepumpe war gesetzt
Schließlich ging es an die Konzeption des Heizsystems für das Fachwerkhaus. Hier kam Martin Fritz von der Buderus Niederlassung Esslingen ins Spiel – er hat bei der Größenbestimmung der Wärmepumpe nach vorliegender Heizlastberechnung, mit Hydraulikplan und Vorschlägen für die Heiztechnikkomponenten unterstützt.
In welche Richtung es in Sachen Heizung gehen sollte, war von Anfang an klar, sagt Ralph Maier: „Es kam nur eine Wärmepumpe infrage. Als Alternative wäre ein Pelletkessel denkbar gewesen. Aber dann hätten wir deutlich mehr Platz benötigt, um den Lagerraum für die Pellets unterzubringen.“
Daher fiel die Wahl auf eine Luft-Wasser-Wärmepumpe Logatherm WLW 186 i-7 AR TP 70 von Buderus mit einer Leistungsgröße von 7 kW. Diese kommt im kleinen Heizungskeller mit wenig Fläche aus, denn die bodenstehende Inneneinheit mit integriertem 70 l-Pufferspeicher ist kompakt (600 x 600 x 1180 mm; B x T x H). Und mit ihrer Aufstellhöhe von nur 1,2 m hat sie inklusive Leitungen gut unter die schräge Decke des Heizungskellers gepasst. Somit ein Wärmeerzeuger, der für die Heizungsmodernisierung in älteren Gebäuden geeignet ist.
Auch die hohe Vorlauftemperatur von bis zu 75 °C (65 °C bei einer Außentemperatur von - 10 °C) bringt die Wärmepumpe ins Spiel, wenn eine nachhaltige Heizungslösung im Bestand gefragt ist: Bestehende Heizkörper lassen sich dadurch weiternutzen.
In diesem Fall war das jedoch nicht ausschlaggebend, denn im Beurener Fachwerkhaus arbeitet die Wärmepumpe mit deutlich niedrigeren Temperaturen: „Im gesamten Haus ist eine neue Fußbodenheizung installiert, die Auslegungstemperatur haben wir auf 40 / 34 °C festgelegt. Also geeignete Werte für einen effizienten Wärmepumpenbetrieb“, sagt Martin Fritz. „Und das emissionsfrei, wenn der Wärmeerzeuger mit Ökostrom läuft.“ Praktisch im Sommer: Die Wärmepumpe arbeitet dann reversibel und kann die Räume über die Fußbodenheizung mit Kälte versorgen.
Nichts zu hören
Mitunter spielt für Modernisierer beim Thema Wärmepumpe auch der Schall eine Rolle. Vor allem in eng bebauten Wohngegenden soll schließlich niemand durch Betriebsgeräusche der Außeneinheit gestört werden. Das war bei der Buderus-Wärmepumpe schnell geklärt: „Die Außeneinheit arbeitet so leise, dass die Mieter und auch Nachbarn vom Betrieb nichts mitbekommen“, erklärt Martin Fritz. Die Schalleistung beträgt nachts maximal rund 46 dB(A) und tagsüber nur rund 57 dB(A).
Es kam nur eine Wärmepumpe infrage. Denn für einen Pellets-Lagerraum gab es keinen Platz.
Warmwasser hygienisch aufbereitet
Mit der Wärmepumpe allein war es nicht getan: Im Eingangsbereich des früheren Bauernhauses wurde ergänzend ein Infrarotheizkörper Logatrend IFR 176 MD von Buderus installiert. Die Infrarotstrahlen erwärmen schnell und bedarfsgerecht Körper und Gegenstände, ohne dass der gesamte Flur aufgeheizt werden muss – das spart Energie und senkt die Heizkosten.
Abgerundet wird das Heizsystem außerdem durch einen separaten 500 l-Pufferspeicher von Buderus inklusive Frischwasserstation Logalux FS 20 / 2. Die Frischwasserstation nutzt die gespeicherte Heizenergie und stellt über einen Wärmeübertrager bedarfsgerecht Warmwasser im Durchlaufprinzip bereit. Die künftigen Bewohner haben so jederzeit hygienisch bereitetes Warmwasser zur Verfügung, bis zu 27 l lassen sich pro Minute zapfen.
Im kleinen Heizraum war hier ebenfalls der geringe Platzbedarf des Wärmeerzeugers von Vorteil: Per Speichermontage-Set wurde die Frischwasserstation direkt am Pufferspeicher installiert. Bislang nicht umgesetzt, aber angedacht haben die beiden Eigentümer eine Photovoltaikanlage. Hier prüfen sie aufgrund der Dachgauben noch mögliche Installationsorte und inwiefern PV-Module die Optik des Gebäudes beeinflussen könnten.
„Die Auslegungstemperatur der Fußbodenheizung von 40 / 34 °C war für einen Wärmepumpenbetrieb geeignet.“
Fazit
Wenn traditionelle Bauweise auf moderne Wärmepumpentechnik trifft, steht dem Wohlfühlen kaum noch etwas im Wege. Überhaupt dann, wenn das mit einem COP von bis zu 4,85 (A 7 / W 35) nicht nur effizient, sondern auch nachhaltig erfolgt: Denn die Wärmepumpe Logatherm WLW186i AR nutzt das natürliche Kältemittel R 290 (Propan). Es hat ein niedriges Treibhauspotenzial (GWP) von 3 und schont so die Umwelt.
Die Heiztechnik mit Luft-Wasser-Wärmepumpe und Frischwasserstation von Buderus beansprucht nur wenig Platz – dadurch passt sie selbst in den beengten Technikraum mit schräger Decke.
Bild: Buderus
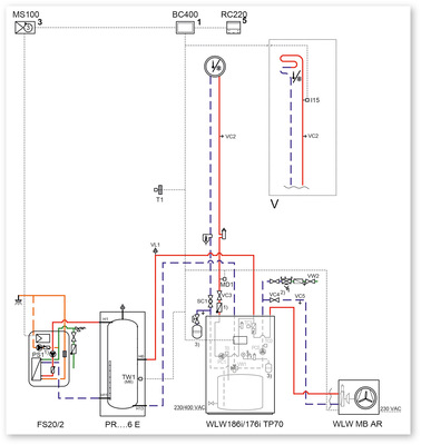
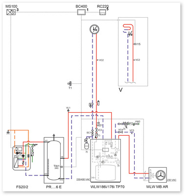
Das Wärmepumpen-Heizsystem nutzt Umweltenergie zur Wärme- und Warmwassererzeugung. Die Frischwasserstation ermöglicht eine hygienische Warmwasserbereitung im Durchflussprinzip.
Bild: Buderus
Im Wohnbereich erzeugen Original-Fachwerk und neue Holzelemente ein einladendes Gesamtbild. Alle Räume werden per Fußbodenheizung mit Wärme versorgt.
Bild: Buderus
Leise, umweltschonend und effizient: die Luft-Wasser-Wärmepumpe Logatherm WLW186i AR.
Bild: Buderus
Über die in der Wärmepumpe integrierte Systembedieneinheit BC400 lassen sich ein ungemischter Heizkreis und die Warmwasserbereitung steuern.
Bild: Buderus / Fritz, Maier
Neben der Luft-Wasser-Wärmepumpe von Buderus (v.l.): Martin Fritz, Buderus Niederlassung Esslingen, Ralph Maier, Inhaber der Maier Heizung & Sanitär GmbH.
Bild: Buderus
Im Eingangsbereich wurde neben der Garderobe – fast unsichtbar - ein Infrarotheizkörper Logatrend IFR176MD von Buderus installiert.
Jetzt weiterlesen und profitieren.
+ KK E-Paper-Ausgabe – jeden Monat neu + Kostenfreien Zugang zu unserem Online-Archiv + Fokus KK: Sonderhefte (PDF) + Webinare und Veranstaltungen mit Rabatten uvm.