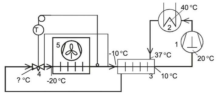
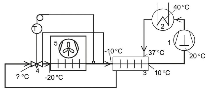
Bild 1 Zeigt Einen Kältemittelkreislauf Mit Einem Zusätzlichen Wärmeübertrager In Der Saug- Bzw. In Der Flüssigkeitsleitung. Die Temperaturen Des Kältemittels R-134a Sind Bis Auf Die Temperatur Des Unterkühlten Kältemittels Vor Dem Regelventil TE1 Eingetragen. In Den Leitungen Findet Ansonsten Keinerlei Wärmeübertragung Statt:
Man lernt und lernt und lernt. Und verlernt natürlich auch mit der Zeit. Daher möchten wir an dieser Stelle in Kooperation mit dem VDE-Verlag verlerntes Wissen zurückholen und stellen Ihnen hier Fragen aus dem Buch „Kälteanlagentechnik in Fragen und Antworten“ von Erhard Planck und Dieter Schmidt.
Kategorie: Der Kältemittelkreisprozess
Frage 1:Benennen Sie die Positionen 1 bis 5.
Frage 2:Welche Aufgabe hat Position 3? Welche positive, welche negative Wirkung geht von Position 3 aus?
Frage 3:Um welchen Betrag (in K) wird das Kältemittel im Verdichtereingangsbereich überhitzt, um welchen im Verflüssigerausgangsbereich unterkühlt?
Frage 4:Übertragen Sie die eingetragenen Temperaturen in die Tabelle.
Frage 5:Tragen Sie den Prozess ins lg p,h-Diagramm ein und ermitteln Sie t2, x, v1 sowie die erforderlichen h-Werte, die Sie dann in die Spalte 3 der Tabelle eintragen.
Frage 6:Ermitteln Sie die Differenz der spezifischen Überhitzungsenthalpie am Wärmeübertrager ΔhÜ und bestimmen Sie damit die fehlende Temperatur des unterkühlten Kältemittels vor dem Regelventil.
Frage 7:Berechnen Sie den spezif. Nutzkältegewinn q0e, die spezif. isentrope Verdichtungsarbeit wis, die effektive volumetrische Kälteleistung q0v und die Kältezahl ε.
Frage 8:Tragen Sie die Enthalpiewerte des gleichen Prozesses ohne Wärmeübertrager (bei gleicher Verdichtereingangstemperatur) in die 4. Spalte der Tabelle ein und berechnen Sie die Größen aus Frage 7) erneut.
Bild: sccy - stock.adobe.com
Keine Ahnung mehr? Die Antworten finden Sie auf Seite 29.