Springe auf Hauptinhalt Springe auf Hauptmenü Springe auf SiteSearch
Komponenten für Wärmepumpen Teil 5: Vier-Wege-Umkehrventile

Unkomplizierte Auslegung

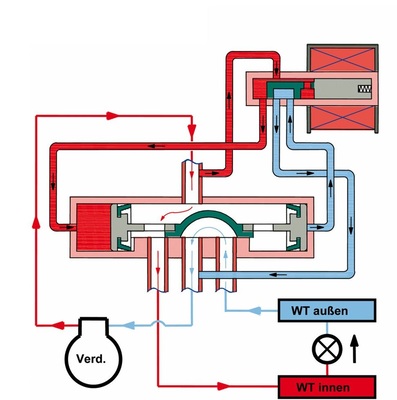
Aufbau

Ein Vier-Wege-Umkehrventil hat vier Rohranschlüsse. Dabei sind drei dieser Anschlüsse auf der einen und einer auf der gegenüberliegenden Seite platziert. Die drei Kupferrohranschlüsse haben einen größeren Durchmesser als der einzelne auf der Gegenseite. Der mittlere der drei großen Anschlüsse ist permanent auf der Saugseite und der einzelne, kleine Anschluss immer auf der Druckseite. Da die beiden übrigen sowohl auf der Saug- als auch auf der Druckseite sein können je nachdem wie gerade umgeschaltet wird sind sie aus Gründen der Berücksichtigung von Druckabfällen in der Dimension des permanenten Saugleitungsanschlusses ausgeführt. Ein Vier-Wege-Ventil besitzt zusätzlich ein Pilotmagnetventil mit Spule, mit dem durch Bestromen die Kältemittelfließrichtung geändert werden kann. Dabei sind kleine Pilotleitungen ausgehend vom kleinen Ventilanschluss zum Pilotmagnetventil und wieder abgehend zum mittigen großen Anschluss geführt.

Funktion

Für die folgende Beschreibung stellen wir uns vor, dass der kleine (Druck) Anschluss nach oben und die drei übrigen Anschlüsse nach unten zeigen. Dabei ist das kleine Pilotmagnetventil mit seiner Spule sichtbar auf der Vorderseite. Bei einem Standard Vier-Wege-Ventil gibt es nur zwei Schaltpositionen keine Zwischenstellungen. In Schaltsituation 1 (Seite 54) liegt keine Spannung an der Spule des Pilotmagnetventils an. Das hat zur Folge, dass Heißgas mit hohem Druck von der Pilotleitung des kleinen Anschlusses (permanente Druckseite) von rechts in die Schiebermechanismuskammer eingeleitet wird. Gleichzeitig kann der Druck auf der linken Seite der Schieberkammer über den permanenten Sauganschluss durch Abströmung auf die Niederdruckseite entlastet werden. Damit schiebt sich der Schieber nach links und öffnet die Hauptpfade oben nach rechts unten und links außen zur Mitte.

In Schaltsituation 2 findet das Heißgasvon oben nach links seinen Weg, wobei gleichzeitig Sauggas von rechts zur Mitte nach unten strömen kann. Dies wird er-reicht, indem die Spule des Pilotma­gnet­ventils mittels Versorgungsspannung erregt wird und Hochdruck von links in die Schieberkammer einleitet. Der Druck auf der re-chten Seite kann so auf den mittleren, unteren Hauptanschluss entlastet werden, was zur Schieberbewegung nach rechts führt.

Druckabfälle und Dimensionierung

Druckabfälle sind grundsätzlich für Ventildimensionierungen wichtig. Dabei wirken sich zu große Druckabfälle in der Regel schlecht auf die Energieeffizienz der Wärmepumpe aus, während zu kleine Druckabfälle beispielsweise das stabile Betriebsverhalten eines Servomagnetventils stören können. Bei Vier-Wege-Ventilen sind beide Punkte als weniger kritisch anzusehen. Minimale Druckabfälle auf der Druck- oder Saugseite sind für Vier-Wege-Umkehrventile kein Problem, da der Schiebermechanismus, der für die Umschaltung des Ventils zuständig ist, vom Differenzdruck zwischen Hoch- und Niederdruckseite der Wärmepumpe betätigt wird. Dies bietet sich an, da an dieser Art von Ventilen Hoch- und Niederdruck direkt anstehen, was bei anderen Ventilen in einer klassischen Trockenexpansions-Wärmepumpe in der Regel nicht der Fall ist. Damit ist es für die Funktionssicherheit des Ventils nicht ausschlaggebend, welcher Druckabfall sich tatsächlich (zum Beispiel auf der Saugseite zwischen Kältemittel­ein- und -austritt) ergibt.

Auch das Thema zu hohe Druckabfälle ist bei Danfoss-Saginomiya Vier-Wege-Ventilen kaum ein Thema, wenn als primäres Auslegungskriterium die Dimension der Saugleitung zugrunde gelegt wird. Wenn das Vier-Wege-Ventil nach dieser Rohrgröße ausgewählt wird, dann erhält man in den allermeisten Fällen ein Ventil mit sehr moderaten Druckabfällen. Dabei ist es ratsam, die entsprechenden Leistungstafeln zu konsultieren, um zu überprüfen, ob das Ventil ausreichend groß gewählt wurde. Das erste Auswahlkriterium sollte aber die Rohrdimension der Saugseite bleiben, da der Aufwand für den Wärmepumpenhersteller mit drei zu reduzierenden Anschlüssen ansonsten sehr groß wäre. Außerdem sind Reduzierungen optisch kein schöner Anblick.

Anordnung

Ein solches Ventil wird sowohl in die Heißgas- als auch in die Saugleitung einer Wärmepumpe eingebunden. Dabei sind die beiden Permanentleitungen das heißt die Rohrleitung, die unabhängig von der Schaltung des Ventils stets die Heißgasleitung ist, und die Rohrleitung, die stets Saugleitung ist für die Montage besonders leicht zuzuordnen. Die vom Verdichter kommende Heißgasleitung wird zum kleinen Anschluss des Vier-Wege-Ventils geführt. Die zum Verdichter führende Saugleitung wird auf den mittleren der großen Anschlüsse gelegt. Diese beiden Leitungen zwischen Ventil und Verdichter ändern ihre Funktion nicht.

In diesem Zusammenhang sollte unbedingt beachtet wer­den, dass der externe Druckausgleich eines Expansionsventils immer an die permanente Saugleitung, das heißt an die Leitung, die vom mittleren großen Anschluss des Vier-Wege-Ventils abgeht, angeschlossen werden muss. Sollte dies nicht beherzigt werden, wird dieser äußere Druckausgleich mit einem viel zu hohen Druck beaufschlagt, der zunächst keine Funktion des Expansionsventils zulasst (Ventil wird mit zu großer Kraft zugedrückt) und eventuell sogar bleibende Schäden im Expansionsventil hervorrufen kann. Bleiben noch die beiden äußeren großen Anschlüsse übrig. Diese können nun zeitweilig auf der Hoch- oder der Niederdruckseite sein.

Montage

Bei der Montage des Ventils ist beim Stan­dard-Einlötvorgang (Kupfer/Kupfer-Löt-stelle, hartlötbar mit z.B. Silfos 15) Folgendeszu beachten: Echte Kupferstutzen, wie sie in der Regel bei dieser Art von Ventilen vorzufinden sind, sind sehr gut mit Kupferlei­tungen verlötbar. Durch die hervorragendenWärmeleiteigenschaften von Kupfer und dem passgenauen Schiebermechanismusist es außerordentlich wichtig, den Hitzeein­trag am Ventil beim Lötvorgang so weit wie möglich einzuschränken. Zu diesem Zweck sollte unbedingt ein kühlender nasser Lappen beim Einlötvorgang um das Ventil gewickelt werden. Ist diese Hürde gemeistert, so ist das Vier-Wege-Ventil eine Komponente, diewährend der gesamten Lebensdauer einer Wärmepumpe zuverlässig funktioniert.

Anwendung

Vier-Wege-Ventile werden zur Kreisumkehr von 1:1-Wärmepumpen verwendet. Mit dieser Umkehrung wird der Verdampfer zum Verflüssiger und der Verflüssiger zum Verdampfer. Diese Schaltung wird auch gerne bei Luft/Luft-Wärmepumpen verwendet, die im Sommer kühlen und in der Übergangszeit heizen sollen. Während im Kühlmodus im Sommer das Vier-Wege-Ventil kaum geschaltet wird, kann es im Heizmodus notwendig sein, durch Umkehrung des Kreislaufs abzutauen.

Ein Vier-Wege-Ventil bietet sowohl für Luft/Luft- als auch für Luft/Wasser-Wärmepumpen die Möglichkeit einer sehr effizienten Abtauung. Bei der Kreisumkehr von Eins-zu-eins-Systemen kann der Verdampfer, der nun zum Verflüssiger geworden ist, von innen her abgetaut werden. Das bedeutet, dass die Wärme nicht durch Elektro­heizungen im Verdampferpaket zum Eis im Verdampfer gebracht werden muss, sondern dass Heißgas direkt durch das Rohrsystem geschickt wird, an dem sich zuvor Eis angesetzt hat. Dies führt zu exzellenten Abtauergebnissen und ist in puncto Abtauzeit, Energetik und gezieltem Wärmeeintrag kaum zu schlagen.

Fazit

Vier-Wege-Ventile sind Komponenten, mit denen Luft/Luft- und Luft/Wasser-Wärmepumpen sehr einfach äußerst effizient abtauen können. Außerdem ist durch eine komplette Kreisumkehr auch ein Kühlbetrieb möglich. Die Auslegung ist unkompliziert und orientiert sich an der Dimension der Saugleitung, ohne dass Mindestdruck­abfälle berücksichtigt werden müssen. -

Energieeinsparung auf kommunaler Ebene: mit Hochtemperaturwärmepumpe thermeco2

Der Fluss schickt keine Energierechnung

Das Wasser der Lauter lädt mit seinen 10°C nicht gerade zum Baden ein. Trotzdem liefert es so viel Wärme, dass damit in der rheinland-pfälzischen Stadt Lauterecken öffentliche Gebäude beheizt werden können. Ein innerstädtisches Nahwärmenetz und die neuartige Hochtemperaturwärmepumpe thermeco 2 machen es möglich.

Die Maschine, das Herzstück des Systems, wurde im September 2011 in Betrieb genommen. Sie entzieht dem Flusswasser Wärmeenergie und nutzt diese, um Heizwasser für die Wärmeversorgung zu erzeugen. So können etwa 77 Prozent der benötigten Heizwärme umweltfreundlich und ressourcen- schonend zur Verfügung gestellt und rund 53 Tonnen CO 2 -Emissionen pro Jahr vermieden werden.

An die Nahwärmeversorgung in Lauterecken angeschlossen sind das Schloss Veldenz, der Veldenz-Turm, die Kreissparkasse und das Rathaus. Mit einer Heizleistung von 232kW kann die Wärmepumpe thermeco 2 HHR 260 den Energiebedarf dieser Gebäude den größten Teil des Jahres abdecken. Nur bei ganz niedrigen Temperaturen wird eine Gaskesselanlage zugeschaltet.

„Der Gasverbrauch lässt sich so drastisch senken und die Lauter schickt keine Rechnung”, freut sich Bürgermeister Heinrich Steinhauer über die wirtschaftlichen Vorteile. „Außerdem leisten wir als Gemeinde unseren Beitrag zur Energiewende und sind nun weniger abhängig von teuren fossilen Rohstoffen“, fügt er hinzu. Das Nahwärmenetz soll dazu beitragen, langfristig eine sichere und nachhaltige Energieversorgung der kommunalen Liegenschaften zu erreichen. Die Investitionen in Höhe von rund 840000 Euro wurden mit etwa 36000 Euro vom Bund und dem Land Rheinland-Pfalz im Rahmen des Konjunkturpaketes II gefördert.

Die Hochtemperaturwärmepumpe von der thermea. Energiesysteme GmbH, Ottendorf-Okrilla bei Dresden, arbeitet mit Kohlendioxid als Kältemittel. Sie verbindet Umweltfreundlichkeit mit hoher Effizienz, denn aus der zugeführten elektrischen Energie erzeugt die thermeco 2 -Maschine mithilfe des Flusswassers das 3,7-Fache an Heizwärme. Etwa 520 Megawattstunden an Wärmeenergie wird sie jährlich bereitstellen. Aufgrund der hohen Vorlauftemperatur von mindestens 65°C lassen sich mit der Wärmepumpe auch konventionelle Heizkörper betreiben. So konnte das vorhandene System ohne aufwendige Umbauten weiter genutzt werden. Ein großer Vorteil vor allem wenn es darum geht, bestehende und sogar denkmalgeschützte Gebäude auf regenerative Energie umzustellen. -

Stephan Bachmann, Offenbach

Jetzt weiterlesen und profitieren.

+ KK E-Paper-Ausgabe – jeden Monat neu
+ Kostenfreien Zugang zu unserem Online-Archiv
+ Fokus KK: Sonderhefte (PDF)
+ Webinare und Veranstaltungen mit Rabatten
uvm.

Premium Mitgliedschaft

2 Monate kostenlos testen