Springe auf Hauptinhalt Springe auf Hauptmenü Springe auf SiteSearch
Zentrallüftungsgeräte und Direktverdampfungssysteme kombinieren

Effizienz auf dem Silbertablett

Standen noch vor rund zehn Jahren in erster Linie die Investitionskosten der Technischen Gebäudeausrüstung (TGA) im Vordergrund, haben sich die Betriebskosten zu Recht ihren Spitzenplatz in der Entscheidungskette erkämpft. Denn die Betriebskosten der TGA übersteigen die Erstausgaben in der Anschaffung in der Regel um ein Vielfaches. Dass parallel dazu die gesetzlichen Bestimmungen eine immer höhere Effizienz forderten, ist ein weiteres Argument dafür, sich schon in der Planung Gedanken darüber zu machen, wie sich fixierte Aufgabenstrukturen mit innovativen Lösungen angehen lassen. Dabei lassen DIN-Normen und VDI-Vorschriften wenig Spielraum bei der Einbringung entsprechender Frischluftmengen in geschlossene Räume.

Das heißt, die Alternativen, weitere Effizienz zu heben, können nicht allein auf Seiten der Zentrallüftungsgeräte liegen. Vielmehr ist es erforderlich, sich die Geräteperipherie genau anzusehen, die zum bestimmungsgemäßen Betrieb einer Zentrallüftungsanlage erforderlich ist. Hier fallen vor allen Dingen die Wärme- und Kälteversorgung ins Gewicht. In puncto Kälte-versorgung stehen unbestritten Kaltwassererzeuger an der Spitze der favorisierten Gerätetechnik. Doch neben klaren Vorteilen fallen mittlerweile angesichts der Konkurrenz gerade aus dem Gebiet der Direktverdampfungstechnik die Nachteile von Kaltwassererzeugern immer stärker ins Gewicht.

Problematische Nach- und Aufrüstung von Kaltwassererzeugern

Nachteile von Kaltwassererzeugern betreffen in erster Linie die Baustatik und das benötigte Platzangebot – inklusive der oft notwendigen Pufferspeicher. Dies gilt vor allen Dingen für den Baubestand, wo bestehende Anlagen aus den unterschiedlichsten Gründen um- oder nachgerüstet werden müssen. Gerade im Rahmen der energetischen Sanierung von Lüftungszentralen wird oft erkannt, dass die thermischen Lasten im Gebäude spürbar gestiegen sind. Mehr Computertechnik, Beleuchtung und Menschen sowie eine bessere Gebäudedämmung – all das führt zu deutlich höheren internen Wärmelasten. Zwangsläufig muss dann im Austausch auch ein größerer und leistungsfähigerer Kaltwassererzeuger eingesetzt werden. Das ist aber in den ohnehin oft schon beengten Platzverhältnissen von Technikräumen nicht möglich – oder es stehen gewichtige Gründe in puncto Baustatik dagegen.

Doch auch im Neubau ist umbauter Raum teuer, gerade in den Technikzentralen, die letztendlich keine direkten Mietzahlungen einbringen. In solchen Fällen wird oft entschieden, den Kaltwassererzeuger sowohl im Neubau als auch bei der energetischen Sanierung im Baubestand auf einem Betonsockel neben dem Gebäude im Freien zu platzieren. Dass hierbei zwangsläufig Energie durch die Leitungsführung verloren geht und die wasserführenden Leitungen mit Glykol gegen Frost geschützt werden müssen, ist einleuchtend. Dies reduziert die Effizienz und den Wärmeübergang der Kaltwasserversorgung weiter.

Direktverdampfung als Alternative

In den letzten Jahren entwickelt sich die Technik der Direktverdampfungssysteme als gleichzeitige Kälte- und Wärmeversorgung von Zentrallüftungsanlagen dynamisch. Die Gründe dafür liegen auf der Hand: Direktverdampfer lassen sich hinsichtlich ihrer Leistungen sehr genau entsprechend den jeweiligen Anforderungen planen. Dabei sind vor allen Dingen Kaskaden eine gängige Lösung, bieten sie doch eine besonders große Modulationsbandbreite.

Generell kann bei der Regelung solcher Anlagen zwischen Leistungs- und Temperatursteuerung unterschieden werden. Beides hat seine Vor- und Nachteile. Weitestgehend durchgesetzt hat sich derzeit die Leistungssteuerung. Hierbei gibt die Regelung der RLT-Anlage den Direktverdampfungsgeräten eine Leistung vor. Die wichtigste Voraussetzung dafür liegt auf der Hand: Die Direktverdampfer müssen ihre Leistung modulierend abgeben. Dies wird durch Inverter-Kompressoren ermöglicht. Sie gewährleisten, dass ein Kompressor nicht ausschließlich im Ein-/Aus-Betrieb gefahren, sondern immer mit der genau angeforderten Leistung betrieben wird. Inverter passen sich dagegen an die individuellen Bedürfnisse des Gebäudes und die jeweilige Außentemperatur an.

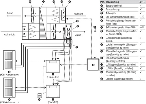
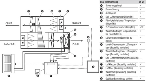
Wie wird die Sanierung und ggf. Leistungserweiterung eines Zentralgerätes mit der angeschlossenen Peripherie durchgeführt? Nach der Demontage des ineffizienten Kaltwassererzeugers gegen Klimatechnik mit den beschriebenen Merkmalen wird zunächst das Zentralregister des Lüftungsgerätes ausgetauscht und erweitert. Zusätzlich wird das vorhandene Wasser-Wasser-Register entfernt und ein Register für den Direktverdampferbetrieb installiert, an das die Außengeräte der Klimatechnik angeschlossen werden. So kann das komplette System aus Zentralgerät mit allen angeschlossenen Endgeräten in den Räumen weiter betrieben werden.

Basis- und Spitzenlast über direktverdampfende Systeme liefern

Üblicherweise liefert die Zentrallüftung lediglich eine Basislast in puncto Wärme- und Kälteversorgung. Ziel ist in erster Linie die Frischluftversorgung mit vorkonditionierter Zuluft, die sich an den Vorgaben hinsichtlich der benötigten Temperaturen in den Innenräumen orientiert. Darüber hinaus sorgen in den Hotelzimmern, Büros oder Ladengeschäften im konventionellen Fall weitgehend frei einstellbare Wärmequellen und Klimageräte für die jeweiligen Wunschtemperaturen.

Doch auch die reine Kalt- als auch Wärme- und Warmwasserversorgung eines Gebäudes – beispielsweise eines Hotels – kann darüber hinaus durch Direktverdampfungsanlagen und über zusätzliche Wassermodule abgedeckt werden. Hierzu bieten die Hersteller aufeinander abgestimmte Systeme zur Warm- und Kaltwasserbereitung von 5 bis 45 °C sowie zur Brauchwasserbereitung bis zu 70 °C an. Diese Perspektive führt dann zusammen mit dem zentralen Lüftungsgerät zu einem Komplettsystem der Wärme- und Kälteversorgung in einem Gebäude auf Basis direktverdampfender Systeme.

Kommunikation zwischen RLT-Anlage und Direktverdampfern enorm wichtig

Von fundamentaler Bedeutung für das effiziente Zusammenspiel und die komfortablen Umgebungsbedingungen von Zentrallüftung und direktverdampfenden Anlagen ist die Kommunikation zwischen beiden Einheiten. Worauf sollte sowohl hierbei als auch bei der Auswahl der Anlagentechnologie der Direktverdampfungssysteme geachtet werden?

Idealerweise wird die Kommunikation über eine einfache zentrale Schnittstelle anstelle mehrerer Regelbausteine abgedeckt. Diese Lösung muss in der Lage sein, auch angeschlossene Kaskaden in ihrer breiten Funktionalität einzubinden. Sowohl Effizienz als auch Komfort müssen dann mit einer Leistungssteuerung erreicht werden. Dabei ermitteln Sensoren und Regelung der Zentrallüftung wie gewohnt die notwendige und gewünschte Zulufttemperatur. Auf dieser Basis lässt sich die Leistung der direktverdampfenden Systeme zielgerichtet anpassen und kurz vor dem Erreichen der Wunschtemperatur schrittweise reduzieren.

Breite Modulation in Kaskaden

Die besondere Intelligenz der zentralen Schnittstelle beweist sich bei der Regelung der Einsatzzeiten und -bedingungen einer Kaskade. Mitsubishi Electric hat dafür unter anderem das Anschlusskit PAC-IF 013 im Programm, mit dem sich eine Kaskadenregelung für bis zu sechs Außengeräte der Mr. Slim-Serie umsetzen lässt. Dadurch kann eine Gesamtleistung bis zu 168 kW Kälte- und 189 kW Heizleistung erreicht werden, die dank der Kaskade über eine große Modulations-Bandbreite verfügt. Reichen diese Leistungen nicht aus, kann die VRF-Technik eingesetzt werden, die vergleichbare Funktionalitäten abdeckt.

Die Kaskadenregelung erfolgt dabei über ein flexibles Leistungseingangssignal – die 0–10 V- bzw. 4–20 mA-Schnittstelle oder den ModBus. Die Leistungsabgabe kann dann sehr genau auf die Anforderungen der Zentrallüftungsanlage abgestimmt werden. In zehn Stufen und der Aus“-Stufe erfolgt die Leistungsanpassung und sorgt dabei im Falle einer Kaskade für eine Abstufung im Bereich 20 bis 100 Prozent. Durch die ModBus-Schnittstelle ist darüber hinaus auch ein Zugriff von extern direkt auf das Anschlusskit und seine Daten möglich. Dabei können bei Bedarf Parameter verändert werden.

Selbstverständlich sollte bei derartigen Regelungen sein, dass u. a. auch ein automatischer Laufzeitausgleich der angeschlossenen Außengeräte erfolgt. Dadurch wird sichergestellt, dass alle Außengeräte gleiche Betriebszeiten haben. Gleichzeitig kann der bestmögliche SCOP- bzw. SEER-Wert durch eine intelligente Steuerung der Anlagen erreicht werden. Hierdurch arbeitet der Gesamtverbund mit dem bestmöglichen Wirkungsgrad. Technische Details (z. B. SD-Kartenslot) können darüber hinaus interessante Perspektiven für das einfache Betriebs-Monitoring der Gesamtanlage eröffnen. So stehen jederzeit beispielsweise bei der Wartung der Anlage oder im Störfall alle Betriebsdaten übersichtlich zur Verfügung.

Auf den Systemschutz achten!

Darüber hinaus sollte bei der Auswahl des Anschlusskits darauf geachtet werden, dass Schutzfunktionen für die Außengeräte integriert sind. Dies betrifft insbesondere das Verlassen der individuell vorgegebenen Einsatzbereiche der Gesamtanlage inkl. Zentral-lüftungsgerät. Solche Einsatzbereiche können z. B. die Luftmenge oder die Temperatur sein. Dies ist gerade für den jeweils verwen- deten Wärmeübertrager im Zentrallüftungsgerät von entscheidender Bedeutung. Werden die vorgegebenen Spezifikationen verlassen, wird mithilfe eines Selbstschutzsystems die Anlage abgeschaltet oder in einen sicheren Betrieb geführt, um das Gesamtsystem vor Beschädigung zu schützen.

Ausreichende Heizleistung und kurze Abtauzeiten

Wird das Direktverdampfungssystem auch zur Wärmeversorgung eingesetzt, sollten die Heizleistungen unter verschiedensten Bedingungen näher betrachtet werden. Denn oft wird hier ab einer vergleichs-weise hohen Außentemperatur bereits ein elektrischer Heizstab eingesetzt, um den Wärmebedarf decken zu können. Der Gedanke eines hocheffizienten Komplettsystems auf der Basis erneuerbarer Energieträger wird damit konterkariert. Denn letztendlich wird ein elektrischer Heizstab immer einen maximalen COP von 1 haben. Bis zu einer Außentemperatur von –15 °C stellt Mitsubishi Electric dagegen über die Zubadan-Technik die volle Heizleistung ohne Überdimensionierung des Kompressors und ohne elektrischen Heizstab bereit.

Ein weiteres Kriterium ist die Abtauzeit der eingesetzten Systeme. Gewünscht wird natürlich eine kurze Abtauzeit und eine schnelle Rückkehr in den Normalbetrieb. Bei einer üblicherweise eingesetzten Kaskade sollte die Abtauung geräteweise gesteuert werden, damit eine möglichst große Leistung auch während der Abtauphasen zur Verfügung steht.

Fazit

Zentrallüftungsgeräte sind in der Verbindung mit Direktverdampfungsanlagen zu einer hocheffizienten Alternative bei der Versorgung eines Gebäudes mit Wärme, Kälte und Warmwasser auf der Basis erneuerbarer Energien geworden. Zahlreiche Beispiele belegen die wirtschaftliche Überlegenheit hinsichtlich der Betriebskosten und Effizienz des Systems.

www.mitsubishi-les.com

Martin Schellhorn,

geschäftsführender Gesellschafter der TGA-Presseagentur Kommunikations-Management Schellhorn GmbH, Haltern am See

Jetzt weiterlesen und profitieren.

+ KK E-Paper-Ausgabe – jeden Monat neu
+ Kostenfreien Zugang zu unserem Online-Archiv
+ Fokus KK: Sonderhefte (PDF)
+ Webinare und Veranstaltungen mit Rabatten
uvm.

Premium Mitgliedschaft

2 Monate kostenlos testen