Springe auf Hauptinhalt Springe auf Hauptmenü Springe auf SiteSearch
Gas-Wärmepumpe als effiziente Heiztechnik für Industrie und Gewerbe

Ökonomie und Ökologie im Einklang

Gas-Wärmepumpen haben einen nahezu identischen Einsatzbereich wie die etablierten Gas-Brennwertgeräte. Als ausgereiftes und effizientes regeneratives Heizsystem besitzt diese Technik – insbesondere in größeren Gebäuden wie Industrie- und Gewerbeimmobilien, Schulen, Seniorenwohnheimen, Klinken oder Hotels – Potenzial.

Unterscheidung von Wärmepumpen

Bei Wärmepumpen wird nach zwei technischen Prinzipien unterschieden:

Kompressorwärmepumpen, bekannt unter den Bezeichnungen Elektro-Wärmepumpen und Gasmotor-Wärmepumpen

Sorptionswärmepumpen, unterteilt in Absorptions- und Adsorptions-Wärmepumpen

Bei beiden Funktionsweisen wird durch den Verdampfer der natürlichen Umgebung (Luft, Wasser oder Sole) Umweltwärme entzogen und im Verflüssiger dem Heizsystem zur Verfügung gestellt. Chemisch-physikalische Prozesse und Kompression führen dazu, dass der Aggregatzustand des Kältemittels permanent zwischen gasförmig zu flüssig wechselt. Hauptunterschied zwischen der Kompressor- und der Sorptionstechnik ist die Art der Verdichtung des Kältemittels. Wie die beiden Bezeichnungen schon an- deuten, erfolgt die Verdichtung des Kältemittels bei der Kompressortechnik mechanisch und bei der Sorptionstechnik auf thermische Weise. Die elektromechanischen Bauteile beschränken sich hierbei auf den Bren-ner, das Gebläse und die Lösungspumpe.

So funktioniert die Sorptionstechnik

Das Funktionsprinzip der Sorptionstechnik soll anhand einer schematischen Darstellung des Kältekreislaufes einer Absorptions-Gaswärmepumpe mit Lösungspumpe erläutert werden.

Im Austreiber werden durch den Gasbrenner die Temperatur und somit auch der Druck erhöht. Das Kältemittel verdampft und kondensiert anschließend im Verflüssiger, die entstehende Wärme wird an das Heizsystem übertragen. Nun gelangt das flüssige Kältemittel in den Verdampfer, wo Umweltwärme aufgenommen wird. Beim Absorptionsprozess im Absorber wird das gasförmige Kältemittel (Ammoniak) vom Lösungsmittel Wasser absorbiert. Dieser exotherme Prozess setzt Wärme frei, die an das Heizsystem abgegeben wird. Eine Lösungspumpe fördert das Gemisch in den Austreiber und der Prozess beginnt von vorne.

Aufgrund des Verfahrens der thermischen Verdichtung ist der Umweltanteil an der Wärmegewinnung geringer. Während bei der Primärenergie Erdgas zu nahezu 100 Prozent in den Wärmepumpen-Prozess eingespeist wird, beträgt der Wirkungsgrad bei der Stromerzeugung 35 Prozent. Bezogen auf die Primärenergie liegen durch diese unterschiedlichen Primärenergiefaktoren von Gas (Faktor 1,1) und Strom (Faktor 2,6) beide Techniken auf nahezu gleichem Niveau.

Einsatzbereiche und Dimensionierung

Gas-Wärmepumpen eignen sich aufgrund ihrer im Vergleich zu Elektro-Wärmepumpen höheren Vorlauftemperaturen nicht nur für den Neubau mit entsprechend niedrig dimensionierten Systemtemperaturen, sondern ebenso für eine Heizungsmodernisierung und Anlagennachrüstung. Die maximale Vorlauftemperatur beispielsweise der Gas-Wärmepumpe Logatherm GWPL von Buderus beträgt im Heizbetrieb 65 °C und im Warmwasserbetrieb 70 °C. Die zulässigen Mindest- und Höchsttemperaturen der Außenluft liegen im Bereich von –20 °C bis +45 °C. Gas-Wärmepumpen liegen als Einzelgeräte oder auch als vormontierte Kaskadenlösungen vor.

Die optimale Dimensionierung des Heizsystems mit Gas-Wärmepumpen ist von mehreren Faktoren abhängig, die sich in die zwei Kategorien Technische Faktoren“ und Wirtschaftliche und ökologische Faktoren“ einteilen lassen. Zu den technischen Faktoren zählen unter anderem Heizlast, mögliche Warmwasserbereitung und deren Anteil an der Heizlast sowie Aufstellort (insbesondere im Hinblick auf Luft/Wasser-Gaswärmepumpen) und gesetzliche Randbedingungen. Als wirtschaftliche und ökologische Faktoren gelten Aspekte wie das Verhältnis von Investitions- zu Betriebskosten und die hieraus resultierende Amortisationszeit oder auch die Umweltverträglichkeit und CO2-Reduzierung im Vergleich zu konventionellen Heizsystemen.

Die technischen Faktoren bestimmen die Rahmenbedingungen, in denen sich die persönlichen Faktoren bewegen können. So ist zum Beispiel bei der Warmwasserbereitung zur thermischen Desinfektion ein zusätzliches Gas-Brennwertgerät zwingend erforderlich, auch wenn der Anlagenbetreiber die Anlage nur mit einer Gas-Wärmepumpe ausstatten würde.

Die maximale Heizleistung der Anlage wird so ausgelegt, dass auch am kältesten Tag im Jahr genügend Wärme zur Verfügung steht. Diese Leistung ist jedoch nur an wenigen Tagen im Jahr erforderlich. So sind mehr als 50 Prozent der maximalen Heizleistung an nur etwa 37 Tagen erforderlich – dies entspricht 13 Prozent der Heiztage.

Welchen Heizanteil für die Gas-Wärmepumpe?

Unter den Gesichtspunkten Ökonomie und Ökologie haben sich in der Praxis daher bivalente Systeme in mittleren und größeren Heizungsanlagen von 80 bis 500 kW bewährt. Hier wird die Grundlast über die Gas-Wärmepumpe abgedeckt und die Spitzenlast über den Gas-Brennwertkessel. Als erste Dimensionierungshilfe, um die ideale Balance zwischen Investitionskosten und Amortisationszeit zu finden, hat sich in der Praxis eine Abdeckung der maximalen Heizlast von etwa 35 Prozent durch die Gas-Wärmepumpe erwiesen.

Im Detail hängt dieser Anteil jedoch vom Gebäudetyp und der gewählten Gas-Wärmepumpe (Luft, Wasser, Sole) ab. Die Grenze zwischen Grund- und Spitzenheizlast kann unter Berücksichtigung der individuellen Faktoren auch anders gezogen werden. Geringere Betriebskosten oder eine bessere Umweltverträglichkeit aufgrund besserer Energieeffizienz führen zu einer höheren Grundlast der Wärmepumpe, aber auch zu höheren Anschaffungskosten.

Daher lässt sich keine pauschale Aussage zur Auslegung der Heizungsanlage mit einer Gas-Wärmepumpe treffen. Vielmehr muss im Einzelfall geprüft werden, welche Faktoren für den Bauherrn wichtig sind und wie diese im Rahmen der technischen Faktoren umgesetzt werden können. Das Verhältnis von regenerativer zu konventioneller Wärmeerzeugung muss anlagenspezifisch mit Wirtschaftlichkeitsprogrammen für Wärmepumpen berechnet werden.

Gleiches gilt für die Einhaltung der gesetzlichen Vorschriften, denn auch hier muss ein rechnerischer Nachweis zur Einhaltung erbracht werden. So verlangt beispielsweise das Erneuerbare-Energien-Wärmegesetz (EEWärmeG) beim Einbau einer Wärmepumpe in einem Neubau mit mehr als 50 m 2 Nutzfläche die 50-prozentige Deckung des Wärmeenergiebedarfs durch den regenerativen Wärmeerzeuger. Neben den bundeseinheitlichen Vorgaben sind länderspezifische Vorschriften wie das Erneuerbare Wärme-Gesetz (EWärmeG) in Baden-Württemberg für die Anlagenmodernisierung zu berücksichtigen.

Planung und Aufstellung

Gas-Wärmepumpen gibt es sowohl für Innen- als auch für Außenaufstellung. Die im Gebäude aufgestellten Varianten nutzen die Umweltquellen Sole und Wasser, außerhalb des Gebäudes platzierte Anlagen beziehen Umweltenergie aus der Umgebungsluft.

Bei allen Varianten gelten analog zu konventionellen Wärmeerzeugern mit der Primärenergie Gas die DVGW-TRGI Richtlinien (Technische Regel für Gasinstallationen) der neuesten Fassung als auch die DIN EN 378 (Kälteanlagen und Wärmepumpen – Sicherheitstechnische und umweltrelevante Anforderungen) Teil 3 Aufstellungsort und Schutz von Personen“. Des Weiteren sind bei innen aufgestellten Gas-Wärmepumpen abhängig vom verwendeten Kältemittel und dessen Volumen spezifische Aufstellbedingungen zu berücksichtigen. Beispielsweise muss der Aufstellraum gegenüber Aufenthaltsräumen dicht abgeschlossen sein. Es darf keine direkte Luftverbindung wie Öffnungen in Decken, Böden oder Wänden zwischen den Räumen geben.

Bei Gas-Wärmepumpen zur Außenaufstellung muss insbesondere darauf geachtet werden, dass das beim Abtauvorgang anfallende Wasser und das Kondensat aus dem integrierten Gasbrenner frostsicher abgeführt werden. Die Gas-Wärmepumpe Logatherm GWPL zur Außenaufstellung benötigt selbst keine Schutzvorrichtungen gegen Witterungseinflüsse. Sie ist auf einer ebenen, nivellierten Fläche aus feuerbeständigem Material aufzustellen, die das Gerätegewicht tragen kann. Das Gerät darf nicht in der Nähe von Schornsteinen, Kaminen oder Ähnlichem installiert werden, weil sonst die Gefahr besteht, dass verunreinigte Luft vom Gebläse angesaugt wird. Der aus dem oberen Geräteteil ausströmende Luftfluss sowie das Abgasrohr sollten nicht eingeengt oder durch Überbauten wie Vordächer oder Balkone sowie durch Bäume behindert werden.

Einen Sonderfall stellt die Abgasführung von außen aufgestellten Gas-Wärmepumpen dar. Aktuell gelten bei der Abgasführung die Richtlinien der Feuerungsverordnung (FeuVO) des jeweiligen Bundeslandes sowie das DVGW-Arbeitsblatt G600 (TRGI). Diese Richtlinien gelten jedoch jeweils nur für innen aufgestellte Anlagen und können daher nicht direkt auf eine außen aufgestellte Gas-Wärmepumpe angewendet werden.

Zurzeit wird in einem Projektkreis des Deutschen Vereins des Gas- und Wasserfaches (DVGW) an einer Ergänzung der Richtlinien unter Berücksichtigung von im Freien aufgestellten Gas-Wärmepumpen beziehungsweise Heizgeräten gearbeitet. Bis zu dieser Veröffentlichung werden die Abgassysteme in Anlehnung an den Abschnitt 5.6.4.6 der TRGI so geplant, dass der Mindestabstand der Abgasmündung der Gas-Wärmepumpe zu Fenstern und anderen Lüftungsöffnungen mindestens 2,5 m beträgt. Zusätzliche länderspezifische Vorgaben sind unabhängig hiervon zu beachten.

Schallschutz beachten

Ein weiterer wichtiger Gesichtspunkt während der Planungsphase ist die Erfüllung der Anforderungen des Schallschutzes. Um eine Schallkörperübertragung zu verhindern, sind geeignete Maßnahmen wie die entkoppelte Aufstellung der Gas-Wärmepumpe über Schwingungsdämpfer unverzichtbar. Bei außen aufgestellten Anlagen muss bei der Planung darauf geachtet werden, dass diese Schwingungsdämpfer UV-beständig und für die auftretenden Umgebungstemperaturen geeignet sind. Zur Vermeidung von Vibrationsübertragungen auf der Quellenseite bei Sole und Wasser sowie auf der Heizungsseite sollten ausschließlich entsprechend dimensionierte und zugelassene Schwingungsentkoppler eingesetzt werden.

In Deutschland regelt die Technische Anleitung zum Schutz gegen Lärm (TA Lärm) die Ermittlung und Beurteilung der Lärmimmissionen anhand von Richtwerten. Der Betreiber der lärmverursachenden Anlage – und somit auch im Vorfeld der Planer – ist für die Einhaltung der Immissionsgrenzwerte verantwortlich. Dies bedeutet, dass bei der Planung auf Basis der technischen Angaben, insbesondere von außen aufgestellten Gas-Wärmepumpen, eine entsprechende Betrachtung und Bewertung erforderlich ist. Gegebenenfalls müssen entsprechende Zusatzmaßnahmen ergriffen werden. Die maßgeblichen Schallimmissionen sind 0,5 m vor der Mitte des geöffneten Fensters (außerhalb des Gebäudes) des vom Geräusch am stärksten betroffenen schutzbedürftigen Raums zu ermitteln.

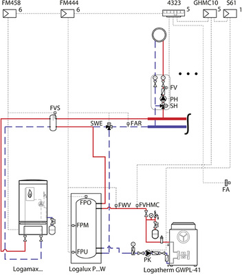
Hydraulische Einbindung

Die optimale hydraulische Einbindung soll am Beispiel eines bivalenten Systems erläutert werden. Kernkomponenten dieses Systems sind neben dem konventionellen Wärmeerzeuger – im Regelfall ein Gas-Brennwertkessel – und der Gas-Wärmepumpe vor allem der Pufferspeicher für die Gas-Wärmepumpe und die übergeordnete Regelung zur Ansteuerung der beiden Wärmeerzeuger.

Der Primärkreis und der Sekundärkreis sind durch einen Pufferspeicher entkoppelt. Dieser wirkt als hydraulische Weiche zur einfachen und sicheren Systemintegration und dient gleichzeitig als Zwischenpuffer für möglichst effiziente Betriebslaufzeiten und ein optimales Verhältnis von Laufzeit beziehungsweise Starts der Gas-Wärmepumpe. Als Anhaltspunkt zur Dimensionierung des Pufferspeichers dient ein Verhältnis von etwa 10 l Puffervolumen pro 1 kW Leistung der Gas-Wärmepumpe.

Berücksichtigt werden muss hier die Dimensionierung der Anschlussstutzen des Pufferspeichers. Weil insbesondere bei bivalenten Anlagen der Gesamtvolumenstrom des Systems deutlich größer ist als der Nennvolumenstrom der Gas-Wärmepumpe, müssen die Anschlussstutzen des Pufferspeichers auf den maximal auftretenden Volumenstrom angepasst werden. Wird der Pufferspeicher jedoch zu groß dimensioniert, so hat dies zwar eine Verlängerung der Laufzeiten der Gas-Wärmepumpe zur Folge – gleichzeitig steigt aber die Trägheit des Systems deutlich. Mit der Konsequenz, dass eventuell der konventionelle Wärmeerzeuger zugeschaltet wird, obwohl dies gar nicht nötig wäre.

Funktionsweise des Wärme-Managements

Ein weiteres, sehr wichtiges Bauteil in der Hydraulik ist das Umschaltventil SWE – das 3-Wege-Umschaltventil schaltet in Abhängigkeit von der Temperaturdifferenz zwischen Anlagenrücklauf und Temperatur im Pufferspeicher. Liegt eine Soll/Ist-Abweichung in den Verbraucherkreisen vor, erfolgt eine Wärmeanforderung an das übergeordnete Regelsystem. Zuerst wird dann die Wärmeanforderung an die Gas-Wärmepumpe weitergeleitet. Besteht nach einer bestimmten Zeit immer noch eine Soll/Ist-Abweichung, wird automatisch der Spitzenlastkessel angesteuert.

Durch diese Sperrzeit lässt sich ein unnötiges oder zu frühes Zuschalten des Spitzenlastkessels vermeiden. Es kann verhindert werden, dass bei zugeschaltetem Spitzenlastkessel und daher gegebenenfalls hohen Rücklauftemperaturen der Spitzenlastkessel den Pufferspeicher lädt. Wenn der Heizkreis keine Wärme mehr benötigt, wird die Heizungspumpe des Sekundärkreises abgeschaltet bzw. der Mischer geschlossen. Zur Verlängerung der Schaltintervalle der Gas-Wärmepumpe bleibt diese noch in Betrieb und lädt den Pufferspeicher entsprechend der von der Außentemperatur vorgegebenen Solltemperatur.

Unabhängig von der Systemintegration der Gas-Wärmepumpe spielt der hydraulische Abgleich der Verbraucher und die Prüfung der (insbesondere bei Bestandsobjekten) installierten Heizkreispumpen auf Effizienz und Größe eine wichtige Rolle bei der Effizienzsteigerung des Gesamtsystems.

EnEV-Betrachtung von Gas-Wärmepumpen

Bewährt hat sich in der Praxis die Bewertung der Gas-Wärmepumpe nach DIN EN 18599 für Wohn- und Nichtwohngebäude. Hierbei wird die Maschine nicht als Gas-Brennwertkessel mit hohem Wirkungsgrad, sondern tatsächlich als Gas-Wärmepumpe betrachtet. Allerdings wird diese Norm aufgrund ihrer Komplexität momentan fast ausschließlich für Nichtwohngebäude angewendet. In üblichen Softwareprogrammen werden bei der Berechnung hierzu die entsprechenden Wirkungsgrade und Leistungen der Gas-Wärmepumpe bei einer fest definierten Vorlauftemperatur eingegeben.

Staatliche Förderung

Über das Marktanreizprogramm (MAP) fördert der Staat den Einbau regenerativer Wärmeerzeuger in Bestandsgebäuden. Die Basis- und Bonusförderung Wärmepumpe des Bundesamtes für Wirtschaft und Ausfuhrkontrolle (BAFA) wird nicht nur für Elektro-Wärmepumpen gewährt, sondern auch für gasbetriebene Wärmepumpen. Förderberechtigt sind Gas-Wärmepumpen mit einer Jahresarbeitszahl von 1,3 und mehr (projektspezifische Berechnung).

Fazit

Wie bei jedem Heizsystem gilt auch bei der Gas-Wärmepumpentechnik: Die Effizienz des Heizsystems und somit die damit verbundene Amortisationszeit der Investition sind von einer optimalen Auslegung des Wärmeerzeugers und dessen regelungstechnischer Einbindung abhängig. Genauso wichtig ist die Einhaltung der Randbedingungen bezogen auf die Verbraucherseite – namentlich der häufig noch immer unterschätzte hydraulische Abgleich.

Bei der Gas-Wärmepumpe handelt es sich um eine Technik, deren relevante Schnittstellen, Bauteile und Komponenten den Fachhandwerkern in großen Teilen bereits aus dem Bereich der Gas-Brennwerttechnik bestens bekannt sind. Ergänzend bieten die Hersteller umfangreiche Planungs- und Unterstützungsleistungen – von der Projektierung über die Inbetriebnahme bis hin zur Wartung.

Aufgrund ihrer im Vergleich zu konventionellen Elektro-Wärmepumpen geringeren Abhängigkeit von der Umweltquelle bieten Gas-Wärmepumpen in Verbindung mit den höheren Vorlauftemperaturen eine hohe Flexibilität hinsichtlich ihres Einsatzspektrums. Dies gilt insbesondere für die Nachrüstung und Modernisierung im Bestand.

www.buderus.de

Peter Kuhl,

Produktmanager Wärmepumpen bei Buderus Deutschland, Wetzlar

Jetzt weiterlesen und profitieren.

+ KK E-Paper-Ausgabe – jeden Monat neu
+ Kostenfreien Zugang zu unserem Online-Archiv
+ Fokus KK: Sonderhefte (PDF)
+ Webinare und Veranstaltungen mit Rabatten
uvm.

Premium Mitgliedschaft

2 Monate kostenlos testen