Springe auf Hauptinhalt Springe auf Hauptmenü Springe auf SiteSearch
Vielfältige Energiequellen für Wärmepumpen im industriellen Umfeld

Enormes Potenzial

Eins ist klar: Lösungen von der Stange gibt es nicht. „Wenn wir ein Projekt in der Industrie angehen, gilt es unzählige Parameter zu berücksichtigen. Und die variieren von Unternehmen zu Unternehmen sehr stark“, erklärt Nico Müller, Key Account Manager und Konzeptentwickler beim Wärmepumpen-Hersteller Novelan. Die Versorgung von Wohngebäuden sei schon lange kein Hexenwerk mehr, die dortigen Anforderungen seien in aller Regel klar, überschaubar und relativ schnell einzuschätzen. „Im industriellen Umfeld hingegen ist es entscheidend für die Wirtschaftlichkeit, dass wir jede Lösung ganz individuell betrachten.“

Der Aufwand lohnt sich

Dass sich der Aufwand lohnt, daran gibt es keinen Zweifel. So stellt die Deutsche Energie-Agentur dena [2] fest: „Rund 40 Prozent der zur industriellen Prozesswärme-Erzeugung eingesetzten Energie geht als Abwärme verloren.“ Energie, die sich weiter nutzen lässt. Allerdings gilt auch hier die Regel: vor dem Erfolg steht der Schweiß. Denn, so die dena weiter: „Die größten Energieeffizienz-Steigerungen lassen sich erzielen, indem alle Komponenten aufeinander abgestimmt werden und eine Optimierung der Regelung und Steuerung der Anlage umgesetzt wird.“

Erster Schritt sollte deshalb eine detaillierte Ist-Analyse des Energieverbrauchs der Anlage(n), des Wärmebedarfs und der einzelnen Komponenten sein. Sind schließlich vorgelagerte Maßnahmen zur Verminderung von Wärmeverlusten ausgeschöpft, kommt der nächste Schritt: Die Suche nach Möglichkeiten, um möglichst viel Abwärme durch Wärmerückgewinnung nutzbar zu machen. Klassisches Energie-Recycling also.

Und es gibt noch einen weiteren Punkt, der die deutsche Industrie – und die Umwelt – teuer zu stehen kommt: Mehr als die Hälfte aller in Deutschland installierten Heizungen sind technisch veraltet und unzureichend effizient, so der Bundesverband der Deutschen Heizungsindustrie (BDH). Dies betrifft natürlich auch die rund 1,8 Mio. Heizanlagen in Nicht-Wohngebäuden.

Sole-Wasser-Wärmepumpe Novelan SI 17.2H3.

Bild: Novelan

Sole-Wasser-Wärmepumpe
Novelan SI 17.2H3.

Komplexe Fragestellungen

Doch bleiben wir zunächst bei jenen Unternehmen, die ihre Prozess- oder Abwärme noch immer ungenutzt verpuffen lassen. Dort gilt es Lösungen zu finden, wie sich die Abwärme optimal in die Wärmeversorgung einbinden lässt. Und das dann technisch sauber und sicher umzusetzen.

Die Fragestellungen sind in aller Regel sehr komplex. Wenn es etwa darum geht, in einer Verzinkerei Wärme aus einem Becken mit Lauge oder Säure per Wärmeübertrager in den Sole-Kreislauf zu übertragen, dann ist das nicht nur eine Frage der rein technischen Machbarkeit. Da geht es dann auch immer um die Betriebssicherheit und oft auch um Brandschutz und andere Bestimmungen, denen ein Industriebetrieb unterworfen ist.

Zu den prädestinierten Unternehmen für die Nutzung von Prozesswärme gehören Lebensmittel verarbeitende Betriebe. Dort herrschen in der Regel hohe Temperaturen, um die Produkte hygienisch zu verarbeiten und haltbar zu machen. Wer die in den Produktionsprozessen entstehende Abwärme nutzen will, muss logischerweise hohen Anforderungen an Sicherheit und Hygiene genügen. In einer Fabrikhalle mit Kompressoren oder sonstigen Maschinen hingegen geht es vorrangig darum, den technisch einfachsten und kostengünstigsten Weg zu realisieren, um die Abwärme abzugreifen.

Individuell gelöst: Erfindergeist gefragt

Nicht selten stehen in Industriebetrieben mehrere Primärenergiequellen mit unterschiedlichen Temperaturniveaus bereit, die auf unterschiedliche Weise anzuzapfen sind. Das erfordert mitunter Lösungen, die es standardmäßig noch gar nicht gibt. Hier ist Erfindergeist gefragt, um zum Beispiel marktgängige Produkte so anzupassen, dass sie den geforderten Zweck erfüllen. Hinzu kommt: Die Systeme müssen redundant angelegt sein. Denn wenn eine Komponente ausfällt, muss die Heizungsanlage trotzdem zuverlässig weiterarbeiten, und der Ausfall darf den Produktionsbetrieb nicht beeinträchtigen.

Eine sehr individuelle Herangehensweise ist allein schon wegen der baulichen und produktionstechnischen Rahmenbedingungen erforderlich. Beispielhaft könnte eine Fabrik genannt werden, die über Jahrzehnte gewachsen ist, mit vielen Gebäuden, die jeweils ihren bestimmten Zweck erfüllen und spezifische Anforderungen haben.

Sie alle gilt es in die Gesamtplanung einzubeziehen, diese dann technisch umzusetzen und in ein System zu gießen. Dabei geht es immer um die größtmögliche Energieeffizienz, denn Energie wird immer teurer. Und je besser man sie nutzt und recycelt, desto wirtschaftlicher ist das Ganze am Ende.

Luft-Wasser-Wärmepumpe Novelan LAP 45.

Bild: Novelan

Luft-Wasser-Wärmepumpe
Novelan LAP 45.

Zusammenspiel vieler Faktoren

Da gibt es beispielsweise Lagerräume, die man mittels Betonkernaktivierung problemlos auf ungefähr 15 °C halten könnte. Daneben stehen Produktionshallen, die eher gekühlt werden müssen und Verwaltungsgebäude, die tagsüber ein Temperaturniveau von 21 oder 22 °C brauchen. Das alles will unter einen Hut gebracht und anhand der verfügbaren Primärenergiequellen versorgt werden. Kurz: Das Zusammenspiel vieler Faktoren muss stimmen. Der Erfolg solcher Projekte steht und fällt deshalb in der Regel mit den Kompetenzen des Fachplaners und dem technischen Knowhow des beteiligten Heizungsbauers.

Wobei das Heizlastvolumen selbst bei großen Projekten heute kaum mehr eine Rolle spielt. Denn es lassen sich praktisch beliebig viele Wärmepumpen zusammenschalten, also kaskadieren. Technisch kann das also unkompliziert und je nach Anforderung gelöst werden.

Zu den großen Vorteilen der Kaskadierung gehört: Fällt ein Teil des Systems aus, können die übrigen funktionsfähigen Komponenten immer noch genügend Wärme bereitstellen. Das ist lediglich eine Frage der Heizlastberechnung und, davon ausgehend, der Leistung der Wärmepumpen.

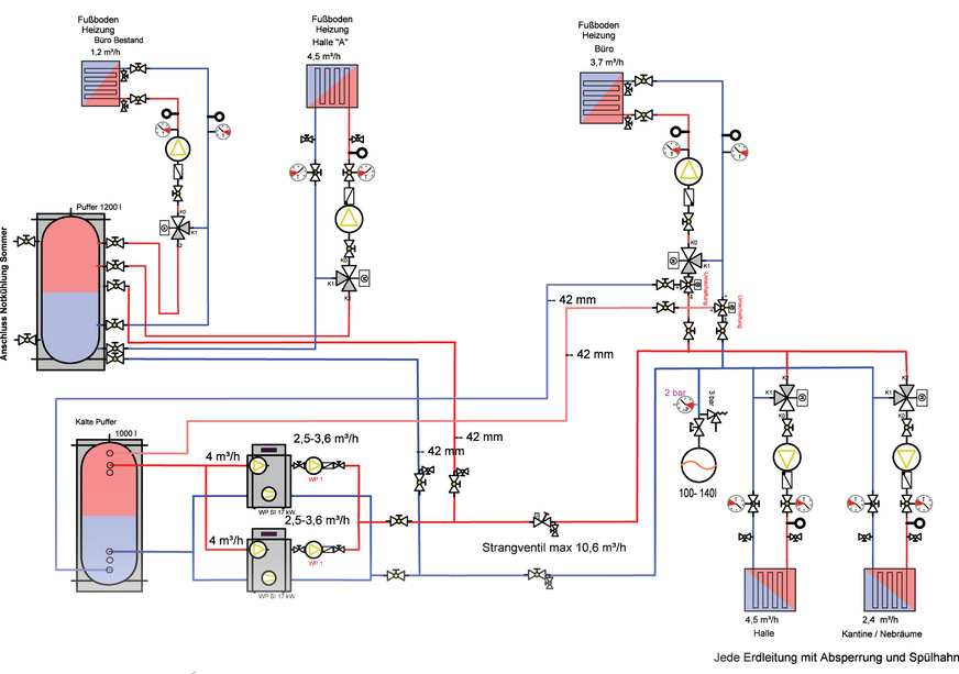
Schematische Darstellung der kompletten -Heiz- und Kühllösung bei PID test & engineering.

Bild: Merz

Schematische Darstellung der kompletten -Heiz- und Kühllösung bei PID test & engineering.
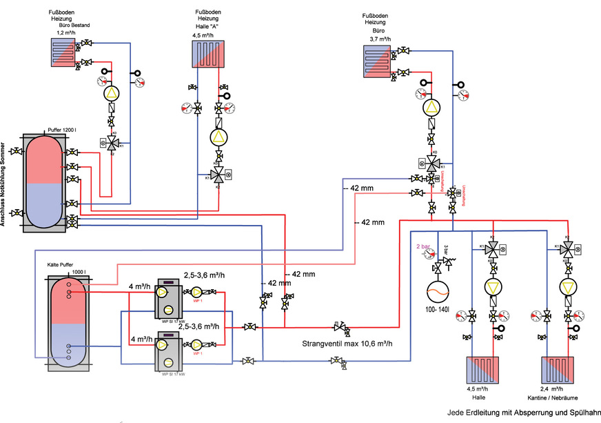
Schematische Darstellung des Technikraums 1 und 2 bei PID mit Puffer.

Bild: Merz

Schematische Darstellung des Technikraums 1 und 2 bei PID mit Puffer.

Heizen mit Abwärme

Zu den Unternehmen, die ihr Heizsystem auf Wärmepumpen umgestellt haben, gehört die PID test & engineering GmbH mit Sitz in Sand am Main. Das Unternehmen ist spezialisiert auf das Testen von Komponenten aus dem Automotive- und Industriesektor. Unter anderem betreibt PID dafür Prüfstände für Verbrenner- und Elektromotoren und deren Komponenten. Dabei entsteht Abwärme, die früher ungenutzt in die Umgebung verpuffte. Bis die Verantwortlichen auf die Idee kamen, damit ihre Büros und sonstigen Räume zu heizen.

Dazu ließ PID zwei Sole-Wasser-Wärmepumpen von Novelan vom Typ SI 17.2 H 3 installieren. Die Abwärme der Motorenprüfstände wird per Wärmeübertrager in den Solekreislauf überführt und dient so als Primärenergiequelle für zwei Wärmepumpen. Deren Leistung von jeweils 17 kW reicht aus, um alle Räume des Unternehmens zu beheizen, insgesamt rund 700 m² Fläche. Und zugleich die Hallen mit den Prüfständen zu kühlen.

Um immer ausreichend Energiepuffer zu haben, installierte die Firma Merz Sanitär, Heizung, Solartechnik neben den Wärmepumpen einen Kältepuffer mit 1000 l Fassungsvermögen und einen 1250 l fassenden Wärmepuffer. Die Kühlung der Büroflächen läuft über die dortige Fußbodenheizung und ein Kühlregister in der Anlage zur kontrollierten Wohnraumlüftung (KWL). Die Wärme wird über Kühlleitungen zu einem Freikühler und einem Brunnen geführt und als Wärmequelle für die Wärmepumpen genutzt. Der Erfolg spricht für sich: PID hat seinen Energieaufwand und damit seine Heizkosten deutlich reduziert, die Temperatur in den Hallen mit dem Motorenprüfständen sind angenehmer als zuvor – und die Büros im Verwaltungsgebäude sind nach wie vor zuverlässig beheizt.

Blick in den Heizverteilerraum bei PID.

Bild: Merz

Blick in den Heizverteilerraum bei PID.

Hoch rentabel

In zahlreichen technischen Prozessen und Verfahren in Industrie und produzierendem Gewerbe werden große Mengen an Prozesswärme benötigt. Hierzu müssen Unternehmen meist beachtliche Kosten für Energie aufwenden. Durch eine umfassende energetische Optimierung des Wärmeversorgungssystems lassen sich Energieverbrauch und -kosten von Feuerungsanlagen deutlich senken – im Durchschnitt um 15 Prozent. Diese Energieeffizienzmaßnahmen sind hoch rentabel und amortisieren sich in der Regel innerhalb von ein bis vier Jahren, so die dena – Deutsche Energie-Agentur.

Deutlich niedrigere Energiekosten

Auf Abwärme aus Produktionsprozessen kann der Würzburger Haustechnik-Großhändler Karl Endrich zwar nicht zugreifen, auf ein modernes Heizsystem wollte er an seinem neuen Standort in Schweinfurt dennoch nicht verzichten. Seit rund zwei Jahren heizen beziehungsweise kühlen zwei Luft-Wasser-Wärmepumpen vom LAP 45 von Novelan die kompletten Ausstellungsräume und das Abholcenter des Unternehmens mit einer Gesamtfläche von 1607 m².

Der Gesamtheizlast für beide Gebäudeteile liegt bei 61 KW, die Kühllast bei 34,5 KW. Die im Schnitt pro Jahr erbrachte Heiz-/Kühlleistung der Wärmepumpen beträgt 143 580 kWh. Um diese Leistung zu liefern, setzt das Unternehmen 35 980 kWh elektrische Energie ein.

Die Wärmepumpen machen also aus 1 kWh Strom rund 4 kWh Heiz- beziehungsweise Kühlenergie. Einen zusätzlichen Einspareffekt an Energie, Kosten und CO2 erzielt das Unternehmen, indem es einen erheblichen Teil des benötigten Stroms mit der eigenen Photovoltaikanlage mit einer Leistung von 85 kWp erzeugt.

Klar ist: Die Anlage bei Karl Endrich arbeitet klimafreundlicher und zu deutlich niedrigeren Kosten als ein Heizsystem auf Basis fossiler Energieträger. Die Kombination aus Photovoltaik und Wärmepumpe ist also oft ideal – nicht nur im privaten Umfeld, sondern mehr noch für Gewerbe und Industrie.

Nico Müller
Key Account Manager und Konzeptentwickler bei Novelan, einer Marke der ait-deutschland GmbH, ­Kasendorf.

Bild: Novelan

Jetzt weiterlesen und profitieren.

+ KK E-Paper-Ausgabe – jeden Monat neu
+ Kostenfreien Zugang zu unserem Online-Archiv
+ Fokus KK: Sonderhefte (PDF)
+ Webinare und Veranstaltungen mit Rabatten
uvm.

Premium Mitgliedschaft

2 Monate kostenlos testen