In den beiden Fachwerkhäusern in Alsfeld haben eine Wärmepumpe plus eXergiemaschine und ein Pelletkessel die Erdgasheizung abgelöst.
Lässt sich ein denkmalgeschütztes Fachwerkhaus aus dem 17. Jahrhundert mit einer Wärmepumpe heizen? Wie groß ist das Einsparpotenzial? Walter Diebel, Regional-Vertriebsleiter bei der varmeco GmbH & Co. KG, hat diese Fragen im Selbstversuch beantwortet. Heute heizt seine Familie ihre beiden Fachwerkhäuser in Alsfeld etwa 40 Prozent günstiger als früher mit einer Erdgasheizung.
Vor der Sanierung der Heizungstechnik hatte Diebel bereits passive Energiesparmaßnahmen ergriffen – sofern der Denkmalschutz dies zuließ. Von innen sorgen zum Beispiel Lehmputz, Holzfaserplatten oder Wärmedämmputz für geringere Wärmeverluste, außen durfte nur unter den Holz- und Schieferschindeln eine Wärmedämmung angebracht werden.
Doch auch damit sind die Wärmeübergangswerte der Häuser von denen heutiger Objekte weit entfernt. Da die Decken der rund 300 m² Wohnfläche bietenden Gebäude teils niedrig sind, lassen sich Fußbodenheizungen nicht integrieren; Deckenheizungen wären wegen der Balkenkonstruktion nicht sinnvoll. Somit blieb es bei den klassischen Radiatoren, die zur Deckung des Wärmebedarfs im Winter eine höhere Vorlauftemperatur benötigen.
Klimaneutral heizen mit Strom und Pellets
Damit lagen nicht gerade die besten Voraussetzungen für den Einsatz von Heizungswärmepumpen vor, denn bei hohen Vorlauftemperaturen arbeiten sie mit einem schlechten Wirkungsgrad. Doch als Diebels Arbeitgeber die eXergiemaschine herausbrachte – im Kern eine Wasser-Wasser-Wärmepumpe - wagte er sich an das Sanierungsprojekt. Strom oder Holz sollten Erdgas als Energieträger ablösen. Die eXergiemaschine ermöglicht es, auch für die Fachwerkhäuser ein effizientes Heizsystem zu planen, das eine Wärmepumpe als Hauptquelle nutzt.
Mit der eXergiemaschine ist ein Heizsystem für Fachwerkhäuser möglich, das eine Wärmepumpe als Hauptquelle nutzt.
Temperatur-Boost notwendig
Die eXergiemaschine ist eine von varmeco und dem Schweizer Partnerunternehmen BMS-Energietechnik entwickelte, spezielle Wasser-Wasser-Wärmepumpe, die für höhere Quellentemperaturen von 30 °C und mehr konzipiert ist. Sie ersetzt die Heizungswärmepumpe also nicht, sondern kann sie sinnvoll ergänzen.
Die Wärmepumpe kann in ihrem optimalen Betriebsbereich arbeiten und braucht nur 35 oder 40 °C zu liefern, die eXergiemaschine bewirkt einen weiteren Temperaturhub auf bis zu 65 °C. Das ist heiß genug für hohe Vorlauftemperaturen im Heizkreis oder für die hygienische Warmwasserbereitung. Obwohl dann zwei Geräte – Wärmepumpe und eXergiemaschine – arbeiten, brauchen sie laut dem Hersteller in Summe deutlich weniger Strom als eine Wärmepumpe alleine, die hohe Zieltemperaturen erreichen muss.
Wenig Platz im Keller – Heizspeicher aufgeteilt
Für den Betrieb der eXergiemaschine ist ein Heizspeicher erforderlich, wie er in neueren Heizsystemen ohnehin verwendet wird. In den Fachwerkhäusern war dessen Einbringung jedoch nicht so einfach möglich: Niedrige Decken und kleine Türen sprachen gegen einen Speicher mit dem nötigen Volumen. Also wurden stattdessen drei kleinere Speicher in-stalliert. Jedem Speicher ist dabei ein eigener Temperaturbereich (kühl, warm, heiß) zugeordnet.
Die Heizkreise der beiden Gebäude und der hy-draulische Durchlauferhitzer zur Warmwasserbereitung greifen auf den heißen Speicher zu, in dessen oberem Bereich eine Temperatur von etwa 65 °C bereitgestellt wird.
Statt 7000 EUR für Erdgas geben wir nun 4200 EUR für Heizstrom und Pellets aus.
Pelletkessel für kalte Wintertage
Bis hinab zu einer Außentemperatur von ca. 5 °C liefern die Luft-Wasser-Wärmepumpe und die eXergiemaschine ausreichend Wärme, um die Heizung und Warmwasserbereitung zu bedienen. Bei Temperaturen um und unter dem Gefrierpunkt unterstützt eine Pelletheizung mit Feinstaubfilter die Heizanlage.
Übergeordneter Regler schafft Transparenz
Die Regler aller Heizquellen arbeiten temperaturgeführt und autonom. Dennoch hat das Gesamtsystem eine übergeordnete Elektronik erhalten, nämlich den Systemregler VarCon380 von varmeco. Denn am Regler lassen sich der Betriebsstatus der Quellen und die Wärmeflüsse – die jeweiligen Temperaturen in Vor- und Rücklauf - oder Störmeldungen einsehen. Alle wesentlichen Betriebsinformationen werden in einer übersichtlichen Oberfläche dargestellt, die per Ethernet bzw. Internet am Rechner eingesehen werden können. Außerdem ließ sich mithilfe des Systemreglers die Heizkreissteuerung für die beiden Gebäude optimieren, um noch mehr Energie zu sparen.
40Prozent weniger Energiekosten
Ergebnis des Sanierungsprojekts: Die Diebels heizen nicht nur CO2-neutral, sondern sparen auch Betriebskosten. Statt rund 7000 Euro pro Jahr für Erdgas geben sie heute etwa 4200 Euro für Heizungsstrom und Pellets aus. Die Energiekosten sind somit 40 Prozent niedriger.
Die Investition in die neue Technik macht sich also bezahlt. Die Amortisationszeit ist zwar länger als bei anderen Objekten. Aber die Fachwerkhäuser beweisen, dass auch rund 400 Jahre alte Gebäude mit einer modernen Heizungszentrale ausgestattet und wirtschaftlich betrieben werden können. ■
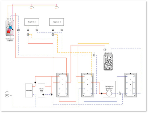
Schema der Heizanlage für die beiden, rund 400 Jahre alten Fachwerkhäuser
Bild: Varmeco / Diebel
Die eXergiemaschine (schwarzes Gerät links im Bild) hebt die von der Wärmepumpe gelieferte Temperatur auf ca. 65 °C an. Der Systemregler (rechts) dient der Überwachung aller Quellen und optimiert die Heizkreise.
Bild: Varmeco / Diebel
Zur neuen Heizanlage gehört auch ein hydraulischer Durchlauferhitzer (schwarzes Gerät). Er nutzt die Wärme des Heizspeichers, um frisches Trinkwasser zu erhitzen. Dabei sind Heizkreis und Trinkwasser strikt getrennt.
Bild: Varmeco / Diebel
Weil ein großer Heizspeicher nicht durch die Türen gepasst hätte, wurden hier drei kleinere installiert.
Jetzt weiterlesen und profitieren.
+ KK E-Paper-Ausgabe – jeden Monat neu + Kostenfreien Zugang zu unserem Online-Archiv + Fokus KK: Sonderhefte (PDF) + Webinare und Veranstaltungen mit Rabatten uvm.