Springe auf Hauptinhalt Springe auf Hauptmenü Springe auf SiteSearch
Innovative Luft/Wasser-Wärmepumpen-Konzepte

Wärmepumpen: CO2 oder R 407 C ?

1. Kältemittel

Wie bei allen Wärmepumpen ist bei Luft/Wasser-Wärmepumpen die Auswahl des Kältemittels von zentraler Bedeutung. An Kältemittel werden die verschiedensten Anforderungen gestellt. Zum einen sollen die Kältemittel den thermodynamischen Randbedingungen der Wärmepumpe genügen. Verdampfungs- und Verflüssigungstemperaturen müssen von ihren Druck­niveaus her prozessgünstig liegen. Zum anderen muss die Umweltverträglichkeit des Kältemittels gewährleistet sein. Die Kennzahl dafür ist das Treibhauspotenzial GWP (global warming potential). Das Treibhauspotenzial bestimmt den Anteil eines Gases am globalen Treibhauseffekt. Als Referenzwert dient CO 2 mit einem GWP von 1. Nachfolgend sind in Tabelle 1 einige Eigenschaften der in den beiden Wärmepumpen verwendeten Kältemittel CO 2 und R 407 C dargestellt.

2. Leistungsregelung

Ein Nachteil von Luft/Wasser-Wärmepumpen ergibt sich aus der Tatsache, dass die bereitgestellte Heizleistung stark abhängig von der Außenlufttemperatur ist, und zwar mit einem der Gebäudeheizlast entgegengesetzten Verlauf (Bild 1).

Hierbei besteht die prinzipielle Problematik, dass die Wärmepumpe so dimensioniert sein muss, dass sie auch an kalten Tagen hinreichend Heizleistung zur Verfügung stellen kann. Auf der anderen Seite wird bei Wärmepumpen mit fester Verdichterdrehzahl die maximale Heizleistung an den wärmsten Tagen geliefert, wenn sie eigentlich nicht benötigt wird. Dieser ungünstige funktionale Zusammenhang wird bei herkömmlichen Wärmepumpen dadurch kompensiert, dass die Wärmepumpe häufig an- und abgeschaltet wird. Dabei werden jedoch vor allem bei mäßig kalten oder milden Außentemperaturen die erforderlichen Heizkreistemperaturen sehr schnell erreicht und überschritten, sodass sich im Mittel eine höhere Vorlauftemperatur einstellt, als eigentlich erforderlich wäre. Hohe Vorlauftemperaturen gehen jedoch immer zu Lasten der Leistungszahl, sodass sich im Mittel eine geringere Effizienz einstellt als mit einer Wärmepumpe kleinerer Leistung im gleichen Arbeitspunkt.

Eine effiziente technische Lösung hier­zu ergibt sich aus dem Einsatz von drehzahlgeregelten Verdichtern. Mit dem Einsatz eines Frequenzumrichters, eines sogenannten Inverters, ist es möglich, den Wechselstrom des Versorgungsnetzes zunächst gleichzurichten und dann mittels Hochleistungselektronik ein Drehstromfeld mit einstellbarer Frequenz zu erzeugen. Auf diese Weise lässt sich die Drehzahl des Verdichters mittels elektronischer Regelung vorgeben. Hierdurch kann die Leistung des Verdichters dem augenblicklichen Wärmebedarf des Gebäudes angepasst werden. Die unvermeidlichen Verluste des Frequenz­umrichters lassen sich durch den Einsatz von Permanentmagnet-Synchronmotoren statt Asynchronmotoren kompensieren.

3. Einstufiger transkritischer CO 2 -Kreislauf mit Rückgewinnung der ­Entspannungsarbeit (WPL 5N plus)

Die Luft/Wasser-Wärmepumpe WPL 5N plus von Stiebel Eltron ist eine innovative Systemlösung, insbesondere für Neubauten mit verhältnismäßig kleiner Heizlast. Ein außen aufgestelltes sehr leises Wärmepumpenmodul ist äußerst kompakt aufgebaut und beinhaltet einen Kältekreis mit dem natürlichen Kältemittel Kohlendioxid. Durch den Einsatz von Ejektor-Technologie kann ein Teil der Entspannungsarbeit für die Verdichtung zurückgewonnen werden. Hierdurch kann eine für CO 2 -Wärmepumpen vergleichsweise hohe Effizienz erzielt werden. Da sich das Kältemittel bei der Wärmeabgabe im überkritischen Zustand befindet, erfolgt die Wärmeabgabe an den Heizkreis mit einem speziellen Gaskühler. Die Effizienz des Prozesses ist demnach deutlich höher, wenn die Rücklauftemperatur des Heizungswassers so niedrig wie möglich ist.

Eine weitere Stärke der WPL 5N plus ergibt sich ebenfalls aus dem Einsatz von CO 2 als Kältemittel. So können bei kalten Rücklauftemperaturen hohe Vorlauftemperaturen bis 70 °C deutlich effizienter als mit herkömmlichen Kältemitteln bereitgestellt werden. Dies ergibt eine besonders effiziente Warmwasserbereitung, die auch eine Antilegionellenfunktion ohne elektrische Nacherwärmung möglich macht. Hohe Speichertemperaturen sind vor allem bei geringem Platzbedarf von Vorteil, da auf kleinem Raum größere Energiemengen gespeichert werden können. Wärmepumpen mit einer effizienten Warmwasserbereitstellung und verhältnismäßig kleiner Wärmeleistung ergeben für den Neubau besondere Auslegungsvorzüge, da mit steigender Dämmung der Gebäudehülle der anteilige Energieeinsatz für die Warmwasserbereitung stetig zunehmend ist.

Kalte Rücklauftemperaturen und hohe Vorlauftemperaturen werden in der WPL 5N plus durch einen 200-Liter-Schichtspeicher realisiert. Hierbei wird das zu erwärmende Trinkwasser von unten dem Speicher entnommen und mit kleinem Volumenstrom durch einen Wärmeübertrager gepumpt, wobei es sich stark erwärmt. Das heiße Wasser wird von oben dem Speicher zugeführt, wodurch sich eine schichtende Beladung ergibt: Während sich im oberen Teil des Speichers heißes Wasser befindet, bleibt im unteren Teil kaltes Wasser bestehen. Demnach kann schon kurz nach Beginn der Warmwasserbereitung heißes Wasser mit der gewünschten Temperatur gezapft werden es muss nicht wie sonst üblich auf eine stetige Erwärmung des gesamten Speichers gewartet werden.

In Bild 2 ist eine schichtende Warmwasserbereitung mit einer Solltemperatur von 60 °C dargestellt. Im Gegensatz zu herkömmlichen Wärmepumpen wird hier mit hoher Spreizung der Speicher von Anfang an mit einer Temperatur knapp oberhalb der Solltemperatur (T_WP_VL) beladen, während die Speicherrücklauftemperatur (T_Speicher_RL) nahezu konstant niedrig bei rund 17 °C liegt. Die Vorlauftemperatur wird dabei mittels einer intelligenten Regelung einer primären (P_WW-Pumpe 1) und einer sekundären Warmwasserpumpe (P_WW-Pumpe 2) konstant eingefahren. Nach einer gewissen Totzeit (hier ca. 45 min) kommt warmes Wasser am Temperaturfühler des Speichers (T_Speicher) an. Ab diesem Zeitpunkt steigt die Temperatur in der Mitte des Speichers stark an, bis die Solltemperatur erreicht ist. Während des Heizbetriebs mit der WPL 5N plus ist eine innovative 3-Stufen-Leistungsregelung aktiv. Hierdurch ist es möglich, bei geringem Heizbedarf die Drehzahl des Verdichters zu reduzieren und kleine Heizleistungen zu fahren.

In Bild 3 ist zu erkennen, dass im Gegensatz zu Bild 1 eine Anpassung der Wärmepumpenheizleistung an die Außentemperatur stattfindet. In einem Bereich ungefähr zwischen 7 °C und +2 °C wird die Verdichterdrehzahl moduliert. Oberhalb von ca. +2 °C ist die minimale Verdichterdrehzahl erreicht, sodass mit steigender Außenlufttemperatur auch die Wärmeleistung zunehmend ist.

Im folgenden Bild 4 ist der Tagesgang verschiedener Prozesswerte der WPL 5N plus im Feld dargestellt. Es handelt sich hierbei um einen Vorfrühlingstag mit kalten Nachttemperaturen unter 0 °C und mäßigen Tageshöchstwerten unter +10 °C. Es ist deutlich zu erkennen, wie die Heizkreis-SollTemperatur (T_HK_soll) umgekehrt proportional zur Außenlufttemperatur (T_au­ßen) verläuft. Ein Sprung der Heizkreis-Soll-Temperatur nach oben um 6:00 Uhr und ein Sprung nach unten um 22:00 Uhr kennzeichnen die Nachtabsenkung.

Die Heizkreis-Soll-Temperatur (T_HK_soll) bewegt sich prinzipiell im Bereich der Heizkreis-Ist-Temperatur. In den frühen Morgenstunden fährt die Maschine in der Leistungsstufe 1 und kann die geforderte Wärme problemlos bereitstellen. Aufgrund des niedrigen Wärmebedarfs wird der Verdichter sogar zyklisch ganz ausgeschaltet, wenn der Wärmebedarf geringer ist als Heizleistung bei Minimaldrehzahl. Mit dem Ende der Nachtabsenkung steigt die Wärmeanforderung deutlich an. Nachdem die Heizkreis-Soll-Temperatur nicht zeitnah erreicht werden kann, geht die Wärmepumpe in die Leistungsstufe 2. Zwischenzeitliche Warmwasserbereitungen werden durch das Hochlaufen der primären Warmwasserpumpe (P_WW_Pumpe 1) angezeigt, hier läuft die Wärmepumpe immer in Leistungsstufe 3. Die starken Schwankungen der Pumpendrehzahl während der Warmwasserbereitung weisen auf das Zapfen von Heißwasser hin. Eine Warmwasserbereitung gegen 6:00 Uhr morgens hingegen erfolgt scheinbar ohne störende Zapfungen. Im weiteren Tagesverlauf ist Leistungsstufe 1 für den Heizbetrieb ausreichend, die Verdichterlaufzeiten sind jedoch länger als nachts, was auf einen erhöhten Wärmebedarf hinweist. Nach 20:00 Uhr wird bei sinkender Außentemperatur kurzzeitig Leistungsstufe 2 benötigt, um die geforderte Heizkreistemperatur zu erreichen.

4. Zweistufiger Wärmepumpen­kreisprozess (WPL 33 HT)

Die Luft/Wasser-Wärmepumpe WLP 33 HTwurde speziell für die Beheizung von Bestandsgebäuden entwickelt. Die Besonderheit dieser Wärmepumpe ist durch eine zweistufige Verdichtung gegeben, wobei beide Verdichter über Inverter drehzahlgesteuert sind.

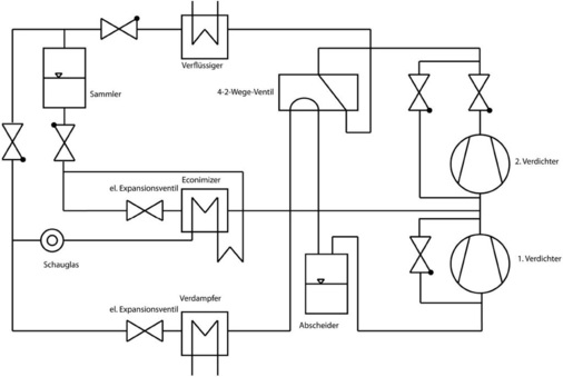
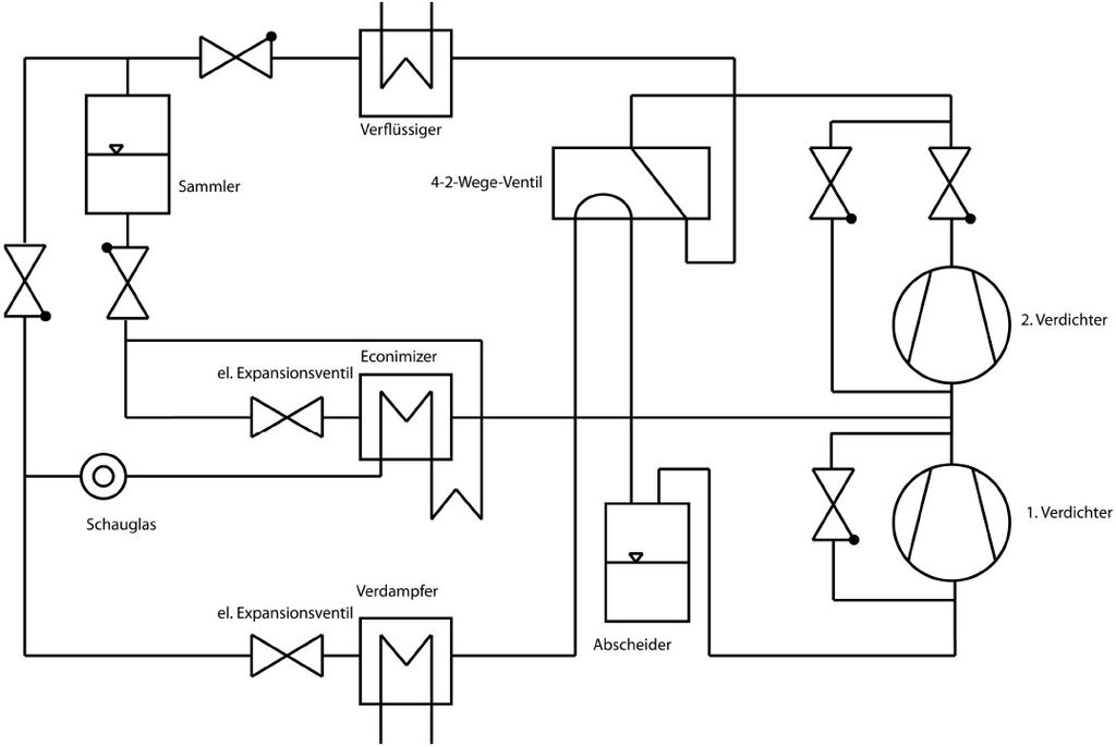
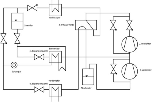
Durch die zweistufige Verdichtung können im Brauchwasserbetrieb Temperaturen über 65 °C erreicht werden. Somit kann ein Legionellenschutz ohne Zuschalten der elektrischen Nacherwärmung durchgeführt werden. Die Heizleistung wird entsprechend dem Wärmebedarf des Gebäudes so geregelt, dass die Maximalleistung nur bei niedrigen Außentemperaturen (15 °C) erreicht wird. Dadurch können der Verdampfer, Lüfter und Luftführung sehr klein ausfallen und das Gerät ist für die erreichbare Heizleistung vergleichsweise kompakt. Bedingt durch die Leistungsregelung werden bei hohen Außentemperaturen kleine Heizleistungen mit guter Effizienz bereitgestellt. Die hohen Vorlauftemperaturen von maximal 75 °C werden durch den zweistufigen Betrieb mit Zwischeneinspritzung erreicht. Als Kältemittel wird R 407 C verwendet. Für die Niederdruckstufe wird ein R 407 C- Verdichter eingesetzt, für die Hochdruckstufe ein R 410 A-Verdichter, da hier der für R 407 C übliche Maximaldruck von 30 bar überschritten wird. Das Kreislaufschema ist in Bild 5 dargestellt.

In Bild 6 ist der Kältekreis der WPL 33 HT schematisch dargestellt. Es wird ersichtlich, dass zwei Verdichter in Reihe geschaltet sind und die Zwischeneinspritzung am Einlass des Hochdruckverdichters (2. Verdichter) erfolgt.

Im Zweiverdichterbetrieb sind beide Verdichter in Reihe geschaltet. Hierbei wird je nach Anforderung die Zwischeneinspritzung aktiviert. Das Zwischeneinspritzventil regelt die Überhitzung am Hochdruckverdichtereintritt. Um eine möglichst hohe Effizienz im Zweiverdichterbetrieb zu erreichen, werden die Verdichterdrehzahlen des Hochdruck- bzw. Niederdruckverdichters so geregelt, dass der optimale Mitteldruck erreicht wird. Diese Regelung greift solange, bis der Niederdruckverdichter an seine maximale Drehzahl gelangt. Danach wird der Hochdruckverdichter in seiner Drehzahl so weit nachgeregelt, bis er seine maximale Stromaufnahme erreicht.

Die Drehzahlregelung wird in Bild 7 veranschaulicht. Dabei werden die Stromaufnahme von Hochdruck- und Niederdruckverdichter (I Inv V-HD, I Inv V-ND), die jeweiligen Verdichterdrehzahlen (n V-HD, n V-ND), die Vorlauftemperatur (T-VL) und die Außentemperatur (T_außen) dargestellt. Dabei ist zu erkennen, wie bei zunehmendem Leistungsbedarf die Verdichterdrehzahlen in der Art geregelt werden, dass die Stromaufnahme der Inverter minimal ist. Die Peaks im Außentemperaturverlauf ergeben sich durch Abtauzyklen, bei welchen die Außenluft erwärmt wird.

5. TEWI-Vergleich

Die beiden in Abschnitt 4 und 5 dargestellten Wärmepumpen zeigen, dass es auf ­verschiedene Weise möglich ist, einen leistungsoptimierten Betrieb zu erreichen. Inwiefern dies einen Einfluss auf das Umweltverhalten der Wärmepumpe hat, zeigt sich durch einen Vergleich der TEWIKennwerte (total equivalent warming impact). Der TEWI-Kennwert wurde für Kälteanlagen entwickelt und ist eine Berechnungsmethode für Auswirkung auf den Treibhauseffekt. Der TEWI-Kennwert kann beispielsweise in Anlehnung an [2] berechnet werden:

TEWI = (GWP ∙ L ∙ n) + (GWP ∙ m ∙ [1 α recovery ]) + (n ∙ E annual β)

TEWI: total equivalent warming impact [kg CO 2 ]

GWP: Treibhauspotenzial des Kältemittels [kg CO 2 /kg Kältemittel]

L: jährliche Leckagerate [kg Kältemittel/a]

n: Betriebszeit der Anlage [a]

m: Kältemittelmasse in der Anlage [kg Kältemittel]

α recovery : Anteil des bei der Entsorgung der Anlage wiedergewonnenen Kältemittels

E annua l: jährlicher Energiebedarf der Anlage [kWh/a]

β: CO 2 -Emission je kWh [kg CO 2 /kWh]

Die ersten beiden Summanden kennzeichnen den Einfluss des Kältemittels auf den TEWI-Kennwert, der letzte Summand den Einfluss des Strombedarfs. Zu den Einflussfaktoren zählen die jährliche Leckagerate, die Betriebszeit der Anlage, die in der Anlage vorhandene Kältemittelmenge, die Entsorgungsverluste, der jährliche Energiebedarf der Anlage und der Konversionsfaktor, der die CO 2 -Emissionen je kWh Heizenergie darstellt.

Mit den Annahmen (n = 18; L/m = 0,02; 1-α recovery = 0,2; β = 0,575) ergeben sich in Tabelle 2 folgende TEWI-Kennwerte für die beiden Wärmepumpen:

Die jeweiligen Kältemittelfüllmengen be­tragen dabei 1 kg (WPL 5N) sowie 5,8 kg (WPL 33 HT).

Bild 8 zeigt den Vergleich der TEWI-Kennwerte der Wärmepumpen mit einem Gas- und Öl-Brennwertkessel (CO 2 -Äquivalent von jeweils 201,6 und 266,4). Als Annahme gilt eine JAZ von 0,95 und eine maximale Heizlast von 5 kW.

Fazit

Luft/Wasser-Wärmepumpen werden zunehmend im Bestand sowie im Neubau eingesetzt, da die Investitionskosten geringer sind als bei Sole/Wasser-Wärmepumpen mit Erdkollektoren bzw. Erdsonden. Durch den Einsatz von drehzahlgeregelten Verdichtern kann die Heizleistung deutlich besser an die Außentemperatur und den tatsächlichen Wärmebedarf angepasst werden. Hierdurch können deutlich effizientere Systeme realisiert werden. Die einstufig mit dem natürlichen Kältemittel CO 2 betriebene Wärmepumpe WPL 5N plus bietet vor allem Effizienzvorteile in der Warmwasserbereitung durch die Nutzung eines Schichtspeichers. Im Heizbetrieb sorgt eine intelligente 3-Stufen-Leistungsregelung für eine effiziente Wärmeversorgung von Gebäuden mit niedriger Heizlast. In der zweistufig arbeitenden Wärmepumpe WPL 33 HT kommt das Kältemittel R 407 C zum Einsatz. Diese Luft/Wasser-Wärmepumpe eignet sich insbesondere für den Bestand, da sie hohe Heizleistungen und hohe Vorlauftemperaturen besonders effizient bereitstellen kann. Durch eine intelligente Regelung von zwei hintereinander geschalteten Verdichtern kann auch bei geringem Heizbedarf eine ressourcenschonende Wärmeversorgung realisiert werden. In einem Vergleich der TEWI-Werte konnte gezeigt werden, dass beide Luft/Wasser-Wärmepumpen deutlich klimaschonender als herkömmliche fossil befeuerte Brennwertgeräte sind. Es ist jedoch auch zu erkennen, dass die WPL 33 HT niedrigere TEWI-Werte aufweist als die WPL 5N plus, obwohl Letztere mit dem natürlichen Kältemittel CO 2 betrieben wird. Es wird klar, dass der negative Einfluss des herkömmlichen Kältemittels auf den globalen TEWI-Wert bei der WPL 33 HT nicht ausschlaggebend ist. Hier überwiegt der ressourcenschonende Anteil, verursacht durch die höhere Effizienz. Bei der CO 2 -Wärmepumpe wirken sich die Vorteile des natürlichen Kältemittels weniger stark auf die globale Betrachtung aus. Eine etwas schlechtere Effizienz der Wärmebereitstellung bewirkt unter dem Strich eine etwas schlechtere globale Bilanz. -

Literatur

[1] Kim, Man-Hoe; Pettersen, Jostein, Bullard, Clark W.: Fundamental process and system design issues in CO 2 vapor compression systems. In: Progress in Energy and Combustion Science (2004), Nr. 30, S. 119174

[2] RAL Deutsches Institut für Gütesicherung und Kennzeichnung e. V., Energiesparende Wärmepumpen mit elektrisch angetriebenen Verdichtern, RAL-ZU 121, Mai 2008, https://www.blauer-engel.de/de , aufgerufen am 02.05.2011

Dr.-Ing. Johannes Brugmann

Stiebel-Eltron GmbH & Co. KG, Holzminden

Dr.-Ing. Enno Wagner

Stiebel-Eltron GmbH & Co. KG, Holzminden

Dipl.-Ing. Fabian Beber

Stiebel-Eltron GmbH & Co. KG, Holzminden

Johannes Brugmann, Enno Wagner, Fabian Beber; Holzminden

Jetzt weiterlesen und profitieren.

+ KK E-Paper-Ausgabe – jeden Monat neu
+ Kostenfreien Zugang zu unserem Online-Archiv
+ Fokus KK: Sonderhefte (PDF)
+ Webinare und Veranstaltungen mit Rabatten
uvm.

Premium Mitgliedschaft

2 Monate kostenlos testen