Springe auf Hauptinhalt Springe auf Hauptmenü Springe auf SiteSearch
  • Home
  • Alle Artikel zum Thema Kälteanlagen

Alle Artikel zum Thema Kälteanlagen

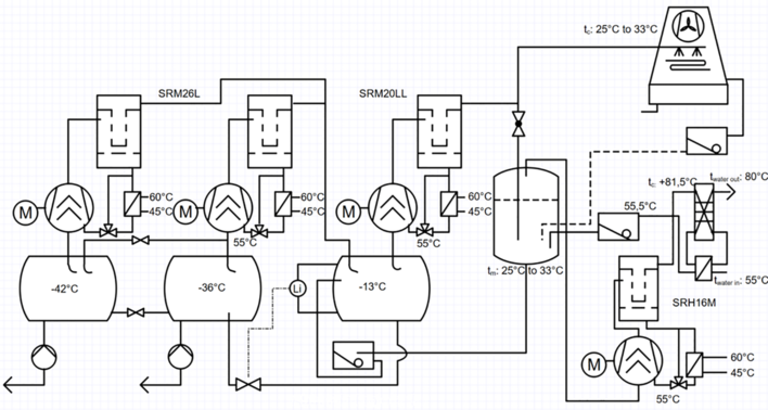
Propan-Kältemaschine von L&R
Höchste Effizienz in allen Temperaturlagen

Der Klimawandel stellt höhere Anforderungen an Kälteanlagen

-

Der Klimawandel hat schon jetzt konkrete Auswirkungen auf die Kältetechnik – für die Hersteller von Kälteanlagen und auch für deren Betreiber. Denn ein wichtiger Faktor für die Auslegung der Anlagen ist die maximale Umgebungstemperatur, die als Folge des Klimawandels weiter steigen wird. Was bedeutet das konkret aus Sicht der Anwender von Kälteanlagen? Welcher Handlungsbedarf besteht, und wie gestalten sie ihre Kälteversorgung zukunftssicher?

Hydraulischer Abgleich als Schlüssel zur Energieeinsparung

Kälteanlagen effizient steuern

-

Heiße Temperaturen, steigende Energiekosten und immer strengere Umweltauflagen fordern innovative Lösungen für die Gebäudekühlung. Klimaanlagen sind längst nicht mehr nur Komfort, sondern in zahlreichen Bürogebäuden, Rechenzentren und öffentlichen Einrichtungen unverzichtbar. Doch viele Anlagen schöpfen ihr Potenzial nicht aus – oft weil der hydraulische Abgleich fehlt. Diese wenig beachtete Maßnahme sorgt für eine ausgewogene Kälteverteilung, senkt den Energieverbrauch spürbar und erhöht gleichzeitig den Komfort sowie die Betriebssicherheit.

Kälteanlagentechnik in Fragen und Antworten

Hätten Sie es noch gewußt?

-

Man lernt und lernt und lernt. Und verlernt natürlich auch mit der Zeit. Daher möchten wir an dieser Stelle in Kooperation mit dem VDE-Verlag verlerntes Wissen zurückholen und stellen Ihnen hier Fragen aus dem Buch „Kälteanlagentechnik in Fragen und Antworten“ von Erhard Planck und Dieter Schmidt.

Ralf Dunker (l) und Walter Diebel (r) sprechen über Abwärmepotenziale.
Bindeglied zwischen Kälte, Wärme und Effizienz

Abwärme zum Vorteil nutzen

-

Niedertemperatur-Abwärme aus Kälteanlagen bleibt vielerorts ungenutzt – dabei verbirgt sich hierin ein erhebliches Effizienzpotenzial. Die sogenannte eXergiemaschine will genau hier ansetzen: Sie koppelt Kälte- und Wärmesysteme intelligent und schafft damit ganzjährig nutzbare Wärme bei gleichzeitig optimiertem Kältebetrieb. Doch ihre Wirkung entfaltet sie nur, wenn Planer gewerkeübergreifend denken.

Die lernende Lehrertruppe 2025
39. BIV-Lehrertreffen

Wieder was gelernt

-

Das 39. BIV-Lehrertreffen findet vom 26. bis 28. Mai 2025 in der Bundesfachschule Kälte-Klima-Technik in Harztor statt. Rund 35 Lehrerinnen und Lehrer aus den Berufsschulen und weiterführenden Institutionen nehmen an diesem inhalts- und kontaktreichen Event teil.

Neue Normen: Dichtheit und Sicherheit, Kühlflächengröße, RLT-Anlagen-Betrieb, Küchenlüftung, Rauch-/Wärmefreihaltung

Alles dicht und sicher?

-

Thema der DIN EN ISO 14903 ist die Qualifizierung der Dichtheit der Bauteile und Verbindungen von Kälteanlagen und Wärmepumpen. Für diese definiert die DIN EN ISO 5149 Blatt 4 sicherheitstechnische und umweltrelevante Anforderungen bei Betrieb, Instandhaltung, Instandsetzung und Betriebsmittel-Rückgewinnung.

Energie- und kostensparende Maßnahmen bei der Kühlung in Supermärkten

Leistung optimieren

-

Der energieeffiziente Betrieb von Supermärkten ist ein entscheidender Faktor, um hohe Wirtschaftlichkeit zu erzielen. Die Hauser GmbH aus Linz (Österreich) entwickelt Kühlmöbel und Kältesysteme laufend weiter und bietet ein umfassendes Portfolio an Kühl- und Tiefkühlmöbeln, Kältetechnik und Regelungen, Kühlräumen sowie ein breites Dienstleistungsangebot. Im Interview erklärt Gerhard Hetzmannseder, Director Products & Engineering bei Hauser und für Produktmanagement und Systemtechnik verantwortlich, wie sich mit Technologien wie dem Low-Superheat- und dem eco2ES-System sowie energiesparender Konstruktion von Kühlmöbeln und Kälteanlagen Kosten und CO2-Emissionen vermeiden lassen.

F-Gase-Verordnung

Inverkehrbringensverbote

-

Frage: In unserer Firma werden kleine werksgefertigte Kälteanlagen hergestellt. Als Kältemittel wurde bisher R 452 A eingesetzt. Wegen der neuen F-Gase Verordnung wurde unsere Produktion nun auf das Kältemittel R 290 umgestellt. Nun stellte sich die Frage, ob die R 452 A-Anlagen, die 2024 gebaut...

Die Containerbauweise der Anlage von AST: Kältemaschine mitsamt Peripherie und Schaltanlage sind in einem Technikcontainer untergebracht, die Freikühler auf dessen Dach
Effiziente Kältetechnik für die Kunststoff-Kreislaufwirtschaft

Kälte für Kanister

-

Als Hersteller von Kanistern, Fässern und Flaschen aus Kunststoff investiert die AST-Gruppe stark in die Bereiche Recycling und Rekonditionierung. Am Standort Hilchenbach hat sie nun eine neue Anlage für die Herstellung von Rezyklat Kunststoffen in Betrieb genommen. Die Kälte wird von einer Kälteanlage mit natürlichem Kältemittel erzeugt.

Das Werk des Pharmaproduzenten Vetter in Ravensburg
Redundante Kälteanlagen bei Vetter in Ravensburg

Präzise Kälteversorgung

-

Höchste Verfügbarkeit und konstante Temperaturführung sind zentrale Anforderungen an die Kälteversorgung in der Pharmaproduktion. Der Pharmadienstleister Vetter hat am Standort Ravensburg vier Kälteanlagen in zwei hydraulischen Systemen in Betrieb genommen, die diese Anforderungen erfüllen. Die Anlagen wurden nach dem Regelwerk der Pharmaindustrie projektiert, gefertigt und installiert.

F-Gase-Verordnung

Recycling von Kältemittel

-

Frage: Ein Kunde, für den wir in mehreren Filialen diverse Kälteanlagen betreuen, ist mit folgender Idee an uns herangetreten: Werden Kälteanlagen gegen neue ausgetauscht oder das Kältemittel umgestellt, sollen F-Gase wie z. B. R-404 A oder R-134 a von uns abgesaugt und nur für diesen Kunden...

Wenn man doch ein mal vor Ort sein muss, gibt es eine lokale Visualisierung.
Optimierung durch Fernüberwachung

OpenBlue Connected Chiller

-

In der heutigen Zeit stehen Unternehmen vor großen Herausforderungen, wenn es um die Effizienz und Wartung ihrer Kälteanlagen geht. Fachkräftemangel und der Bedarf an Energieeinsparungen erfordern neue Lösungen. Eine solche stellt der OpenBlue Connected Chiller dar. Dieses Fernüberwachungssystem ermöglicht eine Überwachung und Analyse von Kaltwassersätzen in Echtzeit.

Angebote für Kälteanlagen

F-Gase-Verordnung beachten!

-

Frage: Wir reichen regelmäßig Angebote für Kälteanlagen auf Grundlage von Ausschreibungen ein und wir beraten ferner auch einige Planer bei ihren Ausschreibungen. Demnächst kommen bekanntlich weitere Einschränkungen hinsichtlich der erlaubten GWP-Werte für die Kältemittel In Kälteanlagen auf uns zu...

Die neue NH3 -Verdichtereinheit mit moderner Systemsteuerung neben der Manometer­schalttafel (links) der alten Anlage.
NH3-Technik für nachhaltige Eisbahn-Sanierung

Kein alltäglicher Auftrag

-

Für große Anwendungen war und ist Ammoniak mit einem GWP von 0 praktisch gesetzt. Es hat durch seine hohe volumetrische Kälteleistung vergleichsweise kleine Maschinenbaugrößen und kann sicher betrieben werden. So auch in der Eissporthalle im nordbadischen Eppelheim bei Heidelberg. Für deren Kälteanlage stand 2023 eine Sanierung an. Ein Projekt, das in die Kategorie „Nicht alltäglich“ einzuordnen ist, denn die Anforderungen des Betreibers waren herausfordernd.

 Tabelle 3: Prüfzuständigkeiten bei Druckbehältern und ortsbeweglichen Druckgeräten nach Nummer 2.2 Satz 1 
 Buchstabe a und e für Gase, Dämpfe und überhitzte Flüssigkeiten der Fluidgruppe 1
Verordnung

Inbetriebnahme von Kälteanlagen

-

Frage: Müssen Kälteanlagen mit brennbaren Kältemitteln vor der Inbetriebnahme nach Betriebssicherheitsverordnung geprüft oder abgenommen werden?

Antwort:  Kälteanlagen mit brennbaren Kältemitteln müssen laut Betriebssicherheitsverordnung erstmalig durch eine zugelassene Überwachungsstelle (ZÜS) oder...

Hohe Leistung bei beeindruckender Effizienz: Blick auf die Pumpen-Tankanlage für den Werkzeug- u. Hydraulikkreislaufs der Großkälteanlage.
XXL-Kältetechnik für die Kunststoffverarbeitung

Große Kältemenge – wenig CO2

-

Ein Musterbeispiel für die effiziente und nachhaltige industrielle Großkälteerzeugung befindet sich in Ostwestfalen. Dort hat die Craemer GmbH ein neues Werk für die Produktion von Kunststoffbehältern und -paletten in Betrieb genommen. L&R Kältetechnik hat dafür eine effiziente und nachhaltige Kälteanlage im XXL-Format projektiert und installiert.

Arbeitsschutz

DGUV Regel zurückgezogen

-

Das Kapitel 2.35 der DGUV-Regel 100-500 „Betreiben von Arbeitsmitteln“ mit dem Titel „Betreiben von Kälteanlagen, Wärmepumpen und Kühleinrichtungen“ ist im März 2023 zurückgezogen worden. Der Grund dafür ist, dass dieser Abschnitt überarbeitet werden muss.

In Deutschland erlassen die...

Epta

Trainingcenter in Mannheim eröffnet

-

Epta Deutschland hat am 12.5.2023 ein Trainings- und Schulungscenter eröffnet. In dem 420 Quadratmeter großen Gebäude in Mannheim sollen sowohl Techniker und Installateure als auch Mitarbeiter aus Service, Back-office und Sales Operations im Bereich Kältetechnik geschult werden.

Schema einer Standard-Kälteanlage
Senkung des Primärenergieverbrauchs durch Steigerung der Gesamtanlageneffizienz

Kälteanlagen-Tuning im Bestand

-

Der steigende Primärenergieverbrauch und das Regelwerk der F-Gase Verordnung stellen die Kältetechnik-Branche vor große Herausforderungen. Einerseits sollen Kältemaschinen zunehmend effizienter arbeiten und kompakter gebaut werden ohne jedoch deren Wirtschaftlichkeit unter Berücksichtigung aktueller Regelungen zum Umweltschutz zu senken.

Bild 4: Isolierkühler mit NH3-Schwerkraftabscheider. Der Vorteil von Isolierkühlern liegt in der vom Kühlraum abgetrennten Abtaumöglichkeit und in der guten Zugänglichkeit für Servicezwecke.
DKV-Kolloquium zu Effizienz, Betriebskosten und Investment

F-Gase-Verordnung setzt ­Planer und Betreiber unter Druck

-

Mit der geplanten Verschärfung der F-Gase-Verordnung und höheren Energiekosten nimmt die Komplexität bei Planung, Ausführung und Betrieb von kältetechnischen Anlagen weiter zu. Hinzu kommen sicherheitstechnische Aspekte durch den Trend zu brennbaren und giftigen „natürlichen“ Kältemitteln mit ganz unterschiedlichen Ansprüchen an den Aufstellungsort. Kopfzerbrechen bereitet vielfach die EN 378. Eindrücke vom DKV-Kolloquium „Effizienz, Betriebskosten und Investment“, das am 24. Januar 2023 in München stattfand.

Projekt 1 - Müller-Fleisch: Die Kälte-Aggregate sind ausgeführt mit horizontalem Ölabscheider, wassergekühlten Ölkühler, Doppel Öl Filter, ­Öltemperaturregelventil.
Integrierte Kühlung und Wärmepumpen

Die zwei Seiten der Münze

-

Neben der Prozesssicherheit ist die Energieeffizienz schon seit Jahren Thema von Erörterungen und Analysen in allen Bereichen der Kälteindustrie sowohl als auch der Komfortkühlung und Heizungsbranche. Sie stellt den größten Faktor bei den Betriebskosten dar und wird somit bei den Lebenszykluskosten betrachtet.

Natürliche Kältemittel für Normal- und Tiefkühlanwendungen

Zukunftssicher Kühlen

-

R 290 (Propan), R 744 (CO2) und Low-GWP Kälteanlagen sind zukunftssicher und für Normal- sowie Tiefkühlanwendungen gut geeignet. Darüber hinaus gibt es in den meisten Fällen staatliche Förderungen für Kälteanlagen mit halogenfreien (natürlichen) Kältemittel, wodurch diese Anwendungen noch attraktiver werden.

Containerraum von innen: Die neue Kühllösung ist mit jeweils zwei Reisner Kältemaschinen á 400 kW Kälteleistung und Kältemaschinen-Kondensatoren mit EC-Ventilatoren ausgestattet.
Flexibel und ressourcensparend kühlen

Kälteanlage im Container

-

In der Kunststoffextrusion steigen die Anforderungen kontinuierlich – eine effiziente und ressourcenschonende Produktion gewinnt zunehmend an Bedeutung. Dafür ist die Kältetechnik ein entscheidender Faktor, denn mit einer modernen Kühllösung lassen sich Energiekosten deutlich reduzieren und CO2- Emissionen bei der Produktion einsparen.

Kältetechnik

Luft-Reinhaltung mit Luft als KM

-

Das Abscheiden von Schadstoffen erfordert unterschiedliche Temperaturen. Sie werden von Kälteanlagen bereitgestellt.

Brennbare Kältemittel – Gefährdungsbeurteilung in der Praxis

Propan-Anlagen sicher aufstellen und betreiben

-

Die F-Gas-Verordnung der Europäischen Union forciert aus Umweltschutzgründen den Trend zum Einsatz natürlicher Kältemittel: Eine sehr wirtschaftliche Lösung ist Propan (R290). Durch seine effizienten Eigenschaften kann dieses Gas beispielsweise das derzeit dominierende Kältemittel R410A in Wärmepumpen und Kaltwassersätzen zumindest teilweise substituieren und so Treibhausgasemissionen reduzieren.